Featured Application
The data obtained during the study will be useful in the development and construction of innovative rolling stock. The results of the work will also contribute to increasing the efficiency of operation and safety of rolling stock by reducing their dynamic loading.
Abstract
The study deals with determination of the vertical load on the carrying structure of a flat wagon on the 18–100 and Y25 bogies using mathematic modelling. The study was made for an empty wagon passing over a joint irregularity. The authors calculated the carrying structure of a flat wagon with the designed parameters and the actual features recorded during field tests. The mathematical model was solved in MathCad software. The study found that application of the Y25 bogie for a flat wagon with the designed parameters can decrease the dynamic load by 41.1% in comparison to that with the 18–100 bogie. Therefore, application of the Y25 bogie under a flat wagon with the actual parameters allows decreasing the dynamic loading by 41.4% in comparison to that with the 18–100 bogie. The study also looks at the service life of the supporting structure of a flat wagon with the Y25 bogie, which can be more than twice as long as the 18–100 bogie. The research can be of interest for specialists concerned with improvements in the dynamic characteristics and the fatigue strength of freight cars, safe rail operation, freight security, and the results of the research can be used for development of innovative wagon structures.
1. Introduction
The purchase of innovative freight wagons requires large capital investments. A preliminary estimate has shown that renovating an existing rolling stock in terms of its efficient operation is more cost-effective than purchasing new transport means. Therefore, introduction of the measures aimed at decreasing loads on the railway vehicles under operational modes is of primary importance.
As known, the dynamic loading, conditioned by a lot of factors, impact mostly the strength and the operational life of the carrying structure of rail wagons and one of the most important factors is the joint irregularity. The periodic dynamic loading transferring from the bogie to the carrying structure results on fatigue behaviour. Therefore, for a purpose of a longer service life of a rail wagon, it is of importance to research into the dynamic loading on the carrying structure of a wagon for various types of bogie. The broad-gauge lines mostly use the 18–100 bogie which has been in operation since 1950s. This bogie has been modernized many times since then.
In addition, better dynamic characteristics of rail cars, provision of tensile strength and fatigue strength, longer service life, freight security during transportation can be achieved through the research into the optimal design of gear parts under the new rail wagons with a longer service life.
The narrow-gauge lines mostly use the Y25 bogie. This bogie has good operational characteristics and at present it has several modifications. Therefore, it is important to research the dynamic loading on the carrying structure of rail wagons with this bogie type and analyze a possibility to use it as an alternative to the 18–100 bogie.
2. Analysis of Recent Research and Publications
The mechanical resistance of a rail vehicle and measures for its improvements are studied in [1]. The research was made with the mathematic modelling. The results were used for grounding the application of a semi-active bogie suspension.
The dynamic analysis for a wagon with modified bogies is presented in [2]. The calculation was made for a Shimmns freight wagon in motion for the loaded and empty states. However, these studies do not include determination of the dynamic loading on a wagon with the actual parameters of the carrying elements and introduction of measures for a decrease in the dynamic loads.
The structural analysis of a modified freight wagon is given in [3]. The problem was solved by means of the finite element methods (FEM). The results of the calculation proved the efficiency of the solutions taken.
The modelling properties of a wagon multi-wheel system and its dynamic properties using computational modelling are described in [4]. This approach was made for a freight wagon on the Y25 bogie. However, the authors did not study the impact of the Y25 bogie on the dynamic load of the carrying structure.
The approach into an impact of a three-piece bogie suspension with two types of friction wedges on the vertical load is presented in [5]. The characteristics of dynamic response and comparison with various friction conditions for a friction wedge and the input frequencies were given in the study. The measures for improvements of the rail strength due to application of a new bogie are given in [6]. The authors also make suggestions regarding the freight bogie development. They substantiated the application of the Y25L in terms of the operational security of the rolling stock. However, it should be noted, that these studies do not include the impact of proposed solutions to the service life of rail vehicles.
Studies [7,8] present some measures to decrease the dynamic loading of the carrying structure of a rail wagon and to prolong the service life. The substantiation of the solutions was made by means of the mathematical modelling with the subsequent computer supporting. However, the authors do not explore a possibility to apply the bogie of the optimal spring suspension characteristics to decrease the dynamic loading of the carrying structure.
The literature analysis made it possible to conclude that the issue for determining the vertical load of the carrying structure of a wagon with the Y25 bogie, as an alternative variant to the 18–100 bogie, has not been studied yet. Thus, it requires appropriate research in the field.
3. The Objective and the Tasks of the Research
The objective of the article is to present special features for determining the vertical load of the carrying structure of a flat wagon with the Y25 bogie and substantiate the application of this bogie for broad-gauge lines as an alternative to the 18–100 bogie. To achieve the objective the following tasks were set:
- mathematical modelling of the dynamic loading on the carrying structure of a flat wagon with the design parameters with the 18–100 and Y25 bogies,
- mathematical modelling of the dynamic loading on the carrying structure of a flat wagon with the actual parameters with the 18–100 and Y25 bogies,
- determination of the design service life of the carrying structure of a flat wagon with the 18–100 and Y25 bogies.
4. The Presentation of the Main Content of the Study
The basic dynamic characteristics of the carrying structure of a wagon with the Y25 and 18–100 bogies were determined by means of the mathematical modelling. It was based on the mathematical model proposed by Professor Yu. V. Diomin and Associate Professor G. Yu. Cherniak [9]. The research was made in the plane coordinates. The study included the bouncing oscillations as one of the most frequent oscillations for rail vehicles in operation.
The calculation was made for a 13–401 flat wagon modernized for container transportation (see Figure 1). This wagon type was chosen as the prototype as it is the most widespread wagon for international transportation.
Figure 1.
Flat car 13–401 (a) universal; (b) modified for container transportation.
The authors defined the dynamic loading of the carrying structure of a flat wagon with the design (initial) parameters on the 18–100 and Y25 bogies, and also a flat wagon with the actual parameters recorded during field tests.
The study included motion of an empty wagon, because it was the best way to study the dynamic loading when the wagon passed over a joint irregularity. The track was taken as a viscous elastic component. It was assumed that the track behaviour was proportional to both its deformation value and the speed of this deformation. Taking into account this assumption, the expression for determining the dissipative energy was obtained from the expression of the potential energy, by replacing the generalized coordinates in it with the generalized velocities and spring stiffnesses—the damping coefficients.
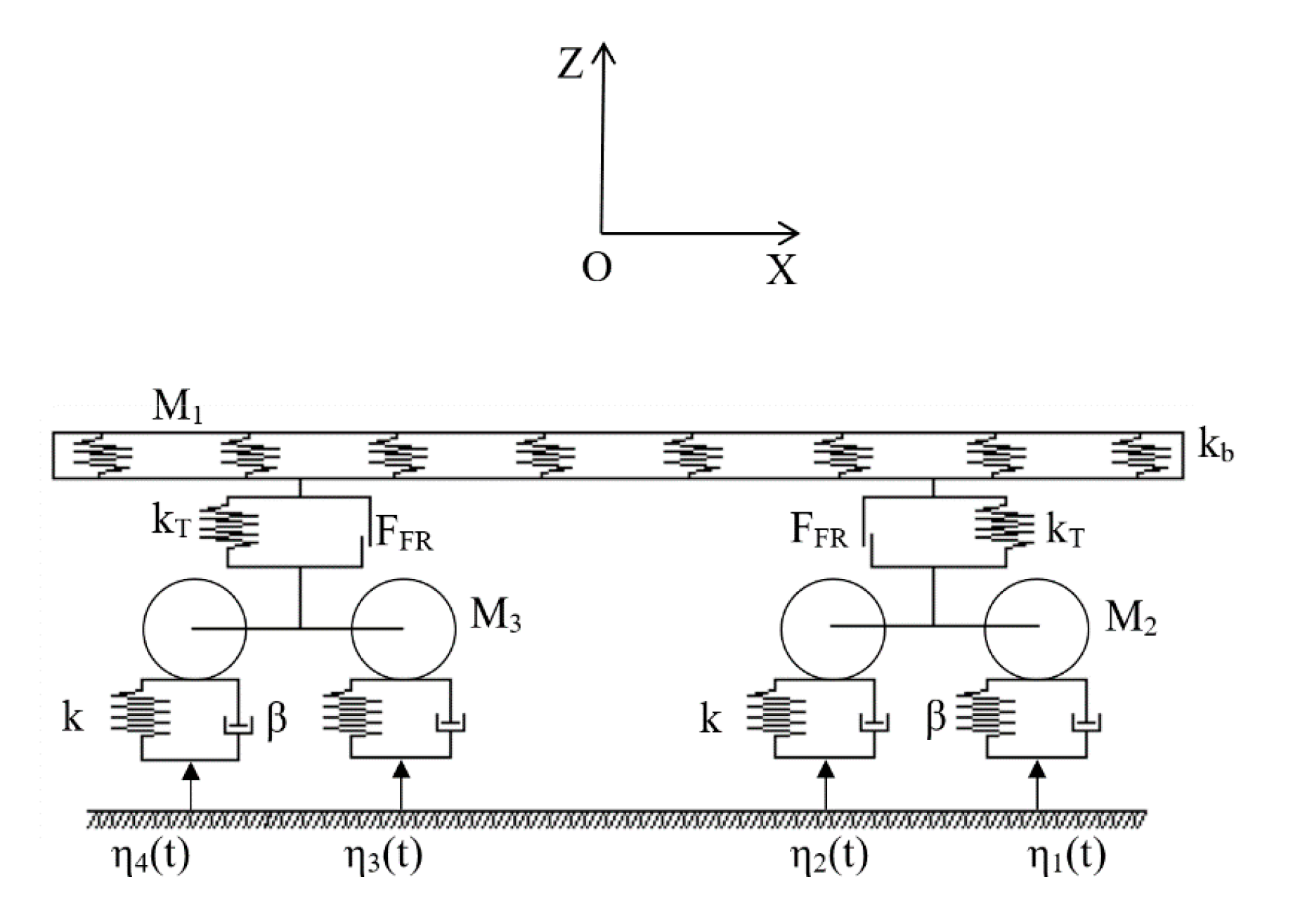
The dynamic computational model of the wagon is shown in Figure 2.
Figure 2.
Computational model of the wagon.
The flat wagon was taken as a system of three solid bodies: frame and two bogies with suspension groups.
The following links for the system were assumed:
- displacements of the frame and the bogies of a flat wagon along the track axle were equal,
- wheelsets were moving without a sliding,
- due to absence of elastic elements in the axle–box suspension, the bouncing of the bogies was determined through the bouncing of the wheelsets.
The equations of motion for the designed model are as follows:
where M1, M2—mass and inertia moment of the carrying structure of the flat wagon at bouncing and galloping oscillations, respectively; M3, M4—mass and inertia moment of the first bogie facing the engine at bounding and galloping oscillations, respectively; M5, M6—mass and inertia moment of the second bogie facing the engine at bounding and galloping oscillations, respectively; Cij—characteristics of elastic elements of the oscillating system; Bi—scattering function; a—half-base of a bogie; qi—generalized coordinates corresponding to the advancing movement relative to the vertical axle and the angular displacement around the vertical axle; ki—track stiffness; βi—damping coefficient; FFR—absolute friction force in a spring group.
The input parameters of the model were the technical characteristics of the carrying structure with the design and actual parameters, the bogies (Figure 3 and Figure 4), and the disturbing force (Table 1).
Figure 3.
18–100 bogie and its main parameter.
Figure 4.
Y25 bogie and its main parameter.
Table 1.
Parameters of the disturbing force.
The mass and the moment of inertia of the carrying structure of the flat wagon with the design parameters and with the actual parameters were determined through their spatial models in SolidWorks software [10,11,12] The mass of the carrying structure of the flat wagon with the design parameters was 15.6 tons, the moment of inertia 283.1 ton × m2, and those with the actual parameters 11.1 ton and 102 ton × m2, respectively (Figure 5).
Figure 5.
Spatial model of the carrying structure of the flat wagon.
Differential Equations (1)–(6) were reduced to standard Cauchy problems and then they were integrated by the Runge–Kutta method [13,14,15,16,17,18]. The initial displacements and speeds were taken equal to zero. Based on the calculation, the basic parameters of dynamics for wagons with the 18–100 and Y25 bogie were found.
The accelerations on the carrying structure of the flat wagon with the actual parameters on the 18–100 and Y25 bogies in the center of gravity are given in Figure 6 and Figure 7 and the accelerations in the areas of support on the bogies in Figure 8 and Figure 9.
Figure 6.
Accelerations of the flat wagon carrying structure in the center of gravity: bogie 18–100.
Figure 7.
Accelerations of the flat wagon carrying structure in the center of gravity: bogie Y25.
Figure 8.
Accelerations of the flat wagon carrying structure in the bogie support areas: bogie 18–100.
Figure 9.
Accelerations of the flat wagon carrying structure in the bogie support areas: bogie Y25.
Mathematical model (1)–(6) was used for determination of other dynamic parameters of a flat wagon (Table 2). The calculation was made for a wagon speed of 80 kph.
Table 2.
Dynamic parameters of an empty flat wagon in motion.
The results obtained made it possible to conclude that the dynamic parameters were within the allowable values and the motion of the wagon can be estimated as excellent [19,20]. A comparative study of the dynamic parameters of the flat wagon is given in Figure 10.
Figure 10.
Comparative study of the dynamic parameters of the flat wagon with the 18–100 and Y25 bogies.
The application of the Y25 bogie for a flat wagon can decrease the acceleration of the carrying structure in comparison to that with the 18–100 bogie by 34%. The other dynamic parameters were also improved (Figure 11 and Figure 12).
Figure 11.
Accelerations of the carrying structure of the flat wagon in the center of gravity: bogie 18–100.
Figure 12.
Accelerations of the carrying structure of the flat wagon in the center of gravity: bogie Y25.
The next research stage included determination of the dynamic characteristics of the flat wagon with the actual parameters. The accelerations on the carrying structure of the flat wagon in the center of gravity are given in Figure 11 and Figure 12 and the accelerations in the areas of support on the bogies in Figure 13 and Figure 14.
Figure 13.
Accelerations of the flat wagon carrying structure in the bogie support areas: bogie 18–100.
Figure 14.
Accelerations of the flat wagon carrying structure in the bogie support areas: bogie Y25.
The mathematical model (1)–(6) was also used for determination of other dynamic parameters of the flat wagon (Table 3). The calculation was made for a wagon speed of 80 kph.
Table 3.
Dynamic parameters of an empty flat wagon in motion.
The results obtained made it possible to conclude that the dynamic parameters were within the allowable values and the motion of the wagon can be estimated as excellent [19,20].
The comparative study of the dynamic parameters obtained for the flat wagon is given in Figure 15. It demonstrates improvements in percentage for certain dynamic parameters of the wagon with the Y25 bogie in comparison to those for a flat wagon with the 18–100 bogie.
Figure 15.
Comparative study of the dynamic parameters for a flat wagon with the 18–100 and Y25 bogies.
The application of the Y25 bogie for the flat wagon with the actual parameters can decrease the acceleration of the carrying structure in comparison to that with the 18–100 bogie by 41%. The other dynamic parameters were also improved (see Figure 15).
The design service life of the flat wagon with the 18–100 and Y25 bogies was determined using the method presented in [21]:
where σ-1L—average value of the endurance limit; n—allowable strength factor; m—fatigue curve exponent; N0—test base; B—coefficient characterizing continuous work in seconds; fd—efficient frequency of dynamic stresses; σae—amplitude of equivalent dynamic stresses. The coefficient that characterizes the time of continuous operation of the wagon is determined by the formula:
where Lavr—average daily wagon mileage, km (≈250 km); vavr—average value of a wagon speed, m/s; 0.34—empty operating ratio.
The effective frequency of dynamic loadings is determined by
where ys—static deflection of spring suspension, mm. The rest of the variables of Formula (13) are taken from the source [21].
The amplitude of equivalent dynamic stresses was determined by the formula:
where σwl—stresses from the static weight load; kdv—coefficient of vertical dynamics; ψσ—sensitivity coefficient; Kσ—overall fatigue strength reduction coefficient.
The determination of the amplitude of equivalent dynamic stresses included the side force coefficient equaled 1.1.
The following input parameters were taken for the calculation: σ1L = 245 MPa; n = 2; m = 8; N0 = 107; B = 3.07 × 106 s; fd = 2.7 Hz; ψσ/Kσ = 0.2.
To determine the stresses from the static weight load of the supporting structure of the flat wagon, a strength calculation was carried out using the finite element method in the SolidWorks simulation software package (CosmosWorks) [22,23,24,25]. Spatial isoparametric tetrahedrons were taken as the finite elements. Based on the previous research work of the authors, this element type provides sufficient convergence with technical experiments. Therefore, this type of tetrahedron was also selected in this study. The optimal number of elements was calculated with the graphic analytical method [26,27]. In this case, the mesh was created with respect to the curved surfaces of the supporting elements of the frame. In the areas of interfaces, as well as the interactions of structural elements with each other, the mesh was compacted using software options.
The number of elements in a mesh was 368,732, and number of nodes 14,938. The maximum element size in a mesh was 235.62 mm, the minimum size—47.12 mm, the maximum element side ratio—332; the percentage of elements with the side ratio less than three—24.6, and more than ten—31.5. 09G2S steel was taken as the material for the carrying structure, the mechanical parameters of which are given in Table 4.
Table 4.
Basic mechanical properties of 09G2S steel.
The model was fixed in the areas of support on the bogies. The design diagram of the flat wagon is given in Figure 16. The study included the vertical load Pv, conditioned by the deadweight, on the carrying structure.
Figure 16.
Design diagram of the wagon carrying structure.
The calculation demonstrated that the maximum equivalent stresses in the carrying structure of the flat wagon with the design parameters were concentrated in the contact area between the bolster beam and the center sill; they accounted for 88.95 MPa (see Figure 17). The carrying structure of the flat wagon with the actual parameters had the maximum equivalent stresses 79.95 MPa.
Figure 17.
Stress state of the flat wagon carrying structure with the design parameters under the static weight load.
The calculation demonstrated that the design service life of the carrying structure of the flat wagon with the design parameters on the Y25 bogie twice long as the period calculated for the 18–100 bogie. At the same time, the maximum equivalent stresses in the supporting structure of the flat wagon with nominal parameters on bogies Y25 amounted to 88.95 MPa, and 170.3 MPa on bogies 18–100. Similar results were obtained for a flat wagon with the actual parameters. It should be noted that the service life obtained should be adjusted with consideration of additional studies into the longitudinal load on the carrying structure of the flat wagon and both field and bench experiments.
5. The Discussion of the Results Obtained
The authors made the mathematical modelling of dynamic loading for the 18–100 and Y25 bogies. The research was conducted for the 13–401 flat wagon with the design parameters and the actual parameters registered during field tests. It was found that application of the Y25 bogie can decrease the dynamic loading of the carrying structure of the flat wagon by more than 40% in comparison to that with the 18–100 bogie (Figure 16). The results of calculating the strength of the supporting structure of the flat wagon made it possible to conclude that the maximum equivalent stresses considering its nominal parameters on Y25 bogies, amounted to 88.95 MPa (Figure 17), which is half below the maximum equivalent stresses of the supporting structure on 18–100 bogies. The service life of the flat wagon can be prolonged twice. The calculation was made for an empty flat wagon in motion.
It should be noted that the authors studied the dynamic loading of the flat wagon in the vertical plane. They believe that further research in the field should determine the dynamic loading in the longitudinal and transverse directions. In addition, it is of primary importance to research the dynamic loading of the carrying structure of the flat wagon. It can be made with the strain gauge technique.
In addition, the support diagram of the Y25 bogie for flat wagons used on the broad- gauge lines should be improved. The authors will study these issues in their further research in the field.
6. Conclusions
The research deals with the mathematical modelling of the dynamic loading on the carrying structure of the flat wagon with the design parameters on the 18–100 and Y25 bogies. The approach was made in the plane coordinates for an empty wagon passing over a joint irregularity. The study found that application of the Y25 bogie for a flat wagon with the design parameters can decrease the dynamic load by 34% in comparison to that with the 18–100 bogie.
The authors made the mathematical modelling of the dynamic loading on the carrying structure of the flat wagon with the actual parameters on the 18–100 and Y25 bogies. The study included the actual parameters of the carrying elements of the flat wagon frame recorded during field tests. It was found that application of the Y25 bogie for a flat wagon with the actual parameters can decrease the dynamic loading by 40.6% in comparison to that with the 18–100 bogie.
The study found the design service life of the carrying structure of the flat wagon with the Y25 bogie. The calculation demonstrated that the design service life of the carrying structure of the flat wagon with the design parameters on the Y25 bogie is twice as long as the period obtained for the 18–100 bogie. Similar results were obtained for a flat wagon with the actual parameters.
This research can be of interest for those who are concerned about improvements in the dynamic characteristics and the strength (fatigue strength) of freight wagons, safe rail transportation, freight security, and development of new rail vehicles.
Author Contributions
Conceptualization, O.F. and A.L.; methodology, O.F.; software, V.P.; validation, A.L., V.P., and P.K.; formal analysis, A.L.; investigation, P.K.; resources, O.F.; data curation, V.P.; writing—original draft preparation, O.F.; writing—review and editing, A.L.; visualization, V.P.; supervision, P.K.; project administration, A.L.; funding acquisition, A.L. All authors have read and agreed to the published version of the manuscript.
Funding
The authors gratefully acknowledge funding from the specific research on BUT FSI–S–20–6267.
Institutional Review Board Statement
Not applicable.
Informed Consent Statement
Not applicable.
Data Availability Statement
Not applicable.
Acknowledgments
The publication is part of the project “Development of conceptual measures for renovation of efficient operation for used freight cars”. The project registration number is 2020.02/0122. The project is funded by the state budgetary institution National Research Foundation of Ukraine. The authors thank the Technologies, and Brno University of Technology for support.
Conflicts of Interest
The authors declare no conflict of interest.
References
- Abood, K.H.A.; Khan, R.A. Investigation to improve hunting stability of railway carriage using semi–active longitudinal primary stiffness suspension. J. Mech. Eng. Res. 2020, 2, 97–105. [Google Scholar]
- Buonsanti, M.; Leonardi, G. Dynamic modelling of freight wagon with modified bogies. Eur. J. Sci. Res. 2012, 86, 274–282. [Google Scholar]
- Dižo, J.; Harušinec, J.; Blatnický, M. Structural analysis of a modified freight wagon bogie frame. In Proceedings of the MATEC Web of Conferences, České Budějovice, Czech Republic, 19 October 2017. [Google Scholar] [CrossRef]
- Dižo, J.; Blatnický, M.; Pavlík, A. Process of modelling the freight wagon multibody system and analysing its dynamic properties by means of simulation computations. In Proceedings of the MATEC Web of Conferences, Strečno, Slovakia, 11–12 October 2018; Volume 235, pp. 1–8. [Google Scholar] [CrossRef]
- Sun, Y.Q.; Cole, C. Vertical dynamic behavior of three–piece bogie suspensions with two types of friction wedge. Multibody Syst. Dyn. 2008, 19, 365–382. [Google Scholar] [CrossRef]
- Hiensch, M.; Burgelman, N.; Hoeding, W.; Linders, M.; Steenbergen, M.; Zoeteman, A. Enhancing rail infra durability through freight bogie design. Int. J. Veh. Mech. Mobil. 2018, 56, 1532–1551. [Google Scholar] [CrossRef]
- Fomin, O.; Lovska, A. Improvements in passenger car body for higher stability of train ferry. Eng. Sci. Technol. Int. J. 2020, 23, 1455–1465. [Google Scholar] [CrossRef]
- Fomin, O.; Lovska, A. Establishing patterns in determining the dynamics and strength of a covered freight car, which exhausted its resource. East. Eur. J. Enterp. Technol. 2020, 6, 21–29. [Google Scholar] [CrossRef]
- Fomin, O.; Lovskaya, A.; Plakhtiy, A.; Nerubatsky, V. The influence of implementation of circular pipes in load–bearing structures of bodies of freight cars on their physico–mechanical properties. Sci. Bull. Nat. Mining Univ. 2017, 6, 89–96. [Google Scholar]
- Fomin, O.; Lovska, A.; Radkevych, V.; Horban, A.; Skliarenko, I.; Gurenkova, O. The dynamic loading analysis of containers placed on a flat wagon during shunting collisions. ARPN J. Eng. Appl. Sci. 2019, 14, 3747–3752. [Google Scholar]
- Fomin, O.; Lovska, A.; Píštěk, V.; Kučera, P. Research of stability of containers in the combined trains during transportation by railroad ferry. MM Sci. J. 2020, 1, 3728–3733. [Google Scholar] [CrossRef]
- Fomin, O.; Lovska, A.; Píštěk, V.; Kučera, P. Dynamic load computational modelling of containers placed on a flat wagon at railroad ferry transportation. In Proceedings of the Vibroengineering Procedia, Delhi, India, 28–30 November 2019; pp. 118–123. [Google Scholar] [CrossRef]
- Lovska, A.; Fomin, O. A new fastener to ensure the reliability of a passenger coach car body on a railway ferry. Acta Poly Tech. 2020, 60, 478–485. [Google Scholar] [CrossRef]
- Fomin, O.; Lovska, A. Determination of dynamic loading of bearing structures of freight wagons with actual dimensions. East. Eur. J. Enterp. Technol 2021, 2/7(110), 6–15. [Google Scholar] [CrossRef]
- Fomin, O.; Lovska, A.; Píštěk, V.; Kučera, P. Dynamic load effect on the transportation safety of tank containers as part of combined trains on railway ferries. In Proceedings of the Vibroengineering Procedia, Delhi, India, 28–30 November 2019; pp. 124–129. [Google Scholar] [CrossRef]
- Aleksandrowicz, P. Verifying a truck collision applying the SDC method. In Proceedings of the 58th International Conference of Machine Design Departments, Praque, Czech Republic, 6–8 September 2017; pp. 14–19. [Google Scholar]
- Kostek, R.; Aleksandrowicz, P. Effect of contact parameters on the pattern of vehicle collisions with a round pillar. In Proceedings of the 23rd International Conference Engineering Mechanics, Svratka, Czech Republic, 15–18 May 2017; pp. 490–493. [Google Scholar]
- Aleksandrowicz, P. The impact of a vehicle braking system state on safe driving—Part two. In Proceedings of the 10th International Scientific Session Applied Mechanics, Bydgoszcz, Poland, 23 November 2018. [Google Scholar] [CrossRef]
- DSTU 7598: 2014. Freight Cars. General Requirements for Calculations and Design of New and Modernized Cars of 1520 mm Gauge (Non–Self–Propelled). Kyiv, 2015. p. 162. Available online: http://online.budstandart.com/ua/catalog/doc-page.html?id_doc=73763 (accessed on 30 April 2021). (In Ukrainian).
- GOST 33211–2014. Freight Cars. Requirements for Durability and Dynamic Qualities. Moscow, 2016. p. 54. Available online: https://docs.cntd.ru/document/1200121493 (accessed on 30 April 2021). (In Russian).
- Ustich, P.A.; Karpych, V.A.; Ovechnikov, M.N. Reliability of Rail Non–Traction Rolling Stock. Moscow, 1999. p. 415. Available online: https://raillook.com/materialy/transport/jeleznodorojniy/vagony-i-vagonnoe-hozyaistvo/2004-nadezhnost-relsovogo-netyagovogo-podvizhnogo-sostava-p-a-ustich-v-a-karpyshev-m-n-ovechnikov/ (accessed on 30 April 2021). (In Russian).
- Plakhtii, O.; Nerubatskyi, V.; Mashura, A.; Hordiienko, D. The analysis of mathematical models of charge–discharge characteristics in lithium–ion batteries. In Proceedings of the 2020 IEEE 40th International Conference on Electronics and Nanotechnology (ELNANO), Kyiv, Ukraine, 22–24 April 2020; pp. 635–640. [Google Scholar]
- Plakhtii, O.; Nerubatskyi, V.; Sushko, D.; Hordiienko, D.; Khoruzhevskyi, H. Improving the harmonic composition of output voltage in multilevel inverters under an optimum mode of amplitude modulation. East. Eur. J. Enterp. Technol. 2020, 2, 17–24. [Google Scholar] [CrossRef]
- Plakhtii, O.A.; Nerubatskyi, V.P.; Hordiienko, D.A.; Khoruzhevskyi, H.A. Calculation of static and dynamic losses in power IGBT–transistors by polynomial approximation of basic energy characteristics. Sci. Bull. Nat. Mining Univ. 2020, 2, 82–88. [Google Scholar] [CrossRef]
- Otipka, V.; Zajac, R.; Prokop, A.; Řehák, K. Modal properties diagnostics of the high-pressure fuel injection pipes in off-road diesel engine. J. Meas. Eng. 2021, 9, 48–57. [Google Scholar] [CrossRef]
- Vatulia, G.L.; Lobiak, O.V.; Deryzemlia, S.V.; Verevicheva, M.A.; Orel, Y.F. Rationalization of cross–sections of the composite reinforced concrete span structure of bridges with a monolithic reinforced concrete roadway slab. In Proceedings of the IOP Conference Series: Materials Science and Engineering, Sozopol, Bulgaria, 10–12 September 2019; pp. 1–9. [Google Scholar] [CrossRef]
- Vatulia, G.; Komagorova, S.; Pavliuchenkov, M. Optimization of the truss beam. Verification of the calculation results. In Proceedings of the MATEC Web of Conferences, Kharkiv, Ukraine, November 14–16 2018; pp. 1–8. [Google Scholar] [CrossRef]
Publisher’s Note: MDPI stays neutral with regard to jurisdictional claims in published maps and institutional affiliations. |
© 2021 by the authors. Licensee MDPI, Basel, Switzerland. This article is an open access article distributed under the terms and conditions of the Creative Commons Attribution (CC BY) license (https://creativecommons.org/licenses/by/4.0/).
















