You are currently viewing a new version of our website. To view the old version click .
Applied Sciences
  • Feature Paper
  • Article
  • Open Access

27 April 2021

Material Removal Model for Lapping Process Based on Spiral Groove Density

,
,
,
,
and
1
Dongnam Regional Division, Korea Institute of Industrial Technology, Busan 46938, Korea
2
School of Mechanical Engineering, Pusan National University, Busan 46241, Korea
*
Author to whom correspondence should be addressed.
This article belongs to the Special Issue Chemical Mechanical Polishing and Grinding

Abstract

The increasing demand for single-crystal wafers combined with the increase in diameter of semiconductor wafers has warranted further improvements in thickness variation and material removal rate during lapping to ensure price competitiveness of wafers; consequently, the lapping process has gained the attention of researchers. However, there is insufficient research on the effect of platen grooves on the lapping process. In this study, the parameters to describe grooves were defined in order to understand their influence on the lapping process, and a material removal model was suggested based on indentation theory and subsequently experimentally validated. The results indicate that changes in groove density affect the lubrication condition at the contact interface as well as the probability of abrasive participation by varying the oil film thickness. When fabricating the groove for a lapping platen, a groove density at the critical groove density (CGD) or higher should be selected. The higher the groove density, the easier it is to avoid the CGD, and the higher is the material removal rate. The results of this study will enable engineers to design lapping platen grooves that are suitable for the production of modern semiconductor wafers.

1. Introduction

Semiconductors are manufactured by depositing an epitaxial layer on single-crystal wafers through the metal–organic chemical vapor deposition (MOCVD) process and fabricating electrically functional components on the epitaxial layer [1]. As the demand continues to grow for single-crystal wafers, such as SiC and GaN wafers used in power semiconductors, sapphire wafers used in LEDs, and silicon wafers used in memory, the manufacturing processes for semiconductor wafers are becoming more important [2]. To manufacture wafers for semiconductors, the raw material is melted at a high temperature and grown into single-crystal ingots. The grown ingots are then cut into thin wafers through the multiwire sawing process and polished flat through the double-sided and single-sided lapping processes. Subsequently, the defect layers made in the previous lapping processes are eliminated through chemical–mechanical polishing (CMP) to prepare epi-ready wafers [3,4,5,6,7].
In the single-sided lapping process, material is removed as abrasive particles in a slurry pass over and scratch the surface of the wafer during the relative rotational motion of the wafer and platen while pressure is applied to the wafer [8,9]. The lapping process is the last process that determines the thickness and thickness variation of a wafer. If the thickness variation of the wafer is large, it will be out of the depth of field (DOF) in the lithography process. Therefore, a thickness variation that satisfies the DOF is essential. On the other hand, the dimensional accuracy required for a 100 mm diameter wafer is now much stricter at 1–2 μm, compared to the previous requirement of 5 μm. As wafers increase in diameter, further improvements in thickness variation and material removal rate are required to ensure price competitiveness of wafers; consequently, the lapping process has gained the attention of researchers.
It is difficult to control and improve lapping characteristics such as thickness variation and material removal rate because they are affected by various parameters [10]. Therefore, it is necessary to identify and study the most influential lapping parameters and find a method to control these parameters to improve the lapping characteristics. Chang [11] presented a material removal model by investigating the material removal mechanism based on parameters such as the abrasive size, abrasive shape, and hardness of platens and workpieces. Yuan [12] conducted a study on the relationship between abrasive size and material removal rate during the polishing process for quartz crystals, while Chen [13] and Tanaka [14] studied the effect of the platen material on the material removal rate and surface roughness in the lapping process. Shi [15] and Tseng [16] suggested a modified model of the Preston equation for the material removal rate. Wei [17] presented a distribution model for hydrodynamic pressure and contact pressure based on pad grooves in the CMP process using the Reynolds equation and reported that the movement of the slurry and the number of participating abrasives varied with different pad grooves, which in turn affected the material removal rate. Studies related to grooves are mostly limited to the process conditions or slurry movement based on the grooves used in the CMP process. As a result, it is difficult to understand the effect of grooves on the lapping process through these studies, and there is insufficient research on the effect of platen grooves.
In this study, the parameters to describe grooves were defined in order to understand their influence on the lapping process, and a material removal model was suggested based on the indentation theory that was then experimentally validated. The probability of abrasive participation in the lapping process was introduced by observing the changes in the frictional force and oil film thickness at the contact interface between the wafer and platen as a function of the platen groove. Based on this, a new material removal model was proposed by applying the effect of platen groove density to the existing indentation theory.

2. Materials and Methods

2.1. Definition of Groove Density

In the lapping process, a wafer is polished by transferring pressure from the platen to the abrasive particles present between the platen and the wafer. The grooves serve as a flow path that supplies the slurry to the entire surface of the workpiece and removes the debris generated during the process to prevent scratches. The grooves are closely related to the lapping characteristics because they increase the surface area of the platen to help discharge the heat energy generated during the process and change the lubrication condition of the slurry between the wafer and platen by forming a bumpy platen surface [18].
The types of grooves can be largely classified by their groove pattern and cross-sectional shape. Groove patterns are divided into grid, concentric, and radial types; however, the spiral type, which is a variation of the concentric type, is commonly used. The cross-sectional shape of the grooves refers to their shape in the direction of depth, which can be rectangular, arch, or wedge-shaped. Because arch and wedge shapes can change the width of the groove as the platen wears down and thereby change the lapping characteristics, a rectangular shape with a consistent profile in the direction of depth is generally used. The parameters of the spiral groove with a rectangular shape can be classified into groove width (w) and pitch (p), as shown in Figure 1. Land is the area of direct contact with the wafer and is determined by the groove width and pitch. In this study, the groove density parameter, d g , was introduced to understand the effect of these groove parameters on material removal, which can be expressed as shown in Equation (1). The groove density parameter is defined as the ratio of the groove width to pitch and represents the ratio of the groove area to the total area of the platen.
d g = g r o o v e   w i d t h p i t c h = w p .  
Figure 1. Lapping platen and groove on platen surface.

2.2. Material Removal Model according to Indentation Theory

In the lapping process, material is removed with abrasives moving under the relative motion of the wafer and platen while a load is applied to the abrasives at the contact interface between the platen and wafer. The behavior of the slurry and abrasive at the contact interface is affected by the groove, viscosity, flow rate of the slurry, and abrasive size [18]. Among these, the platen groove is closely related to the lapping characteristics because it greatly influences the slurry flow and the distribution of abrasives [19]. Therefore, a theoretical approach to the material removal mechanism is required to explain the correlation between the groove and lapping characteristics; accordingly, a material removal model was developed using indentation theory to analyze the correlation between groove density and material removal rate.
Diamond abrasives used for lapping are mainly synthesized using explosion synthesis to crush the diamond, after which abrasives of the desired size are selected and refined to high-purity diamond particles with nitric acid or hydrochloric acid [20]. Diamond abrasives synthesized in such a manner are irregular in shape with multiple cutting edges present on their surface, as shown in Figure 2, and the inconsistent abrasive size is measured through laser diffraction particle analysis. The scattering intensity and angle measured by the detector are used to calculate the projected area or the volume of the particle based on the Fraunhofer theory or Mie theory, which is then converted to an equivalent sphere to represent the abrasive size in terms of the diameter of the equivalent sphere. In addition, in many studies, the abrasive shape is assumed to be of an equivalent sphere shape to express the irregular shape of pad asperities or non-spherical abrasives [21,22]. Likewise, in this paper, the abrasive size refers to the diameter of the equivalent sphere corresponding to the abrasive, and the particle shape is assumed to be spherical.
Figure 2. SEM images of the polycrystalline diamond abrasive.
In a material removal model, the removal amount of the wafer can be expressed as the product of the amount of material removed by a single abrasive and the number of abrasives participating in lapping. The amount of material removed by a single particle is correlated to the indentation depth of the abrasive based on indentation theory. Figure 3 shows the relationship between indentation depth and cutting area when a single abrasive is under a load. The depth of indentation, δ   [ mm ] , can be expressed as shown in Equation (2), and the contact radius, a   [ mm ] , and contact angle, θ a   [ radian ] , of the abrasive can be expressed as shown in Equations (3) and (4) [23]:
δ = r a · ( 1 c o s θ a ) ,
a = 2 · F π · H ,
θ a = sin 1 ( a r a ) ,
where r a   [ mm ] , F   [ N ] , and H   [ N / mm 2 ] represent the radius of the abrasive, load applied to a single abrasive, and the Vickers hardness of the workpiece, respectively. The area of material removed by a single abrasive is expressed as shown in Equation (5):
A a = r a 2 · θ a a ( r a δ ) .
Figure 3. Abrasive indentation model.
The amount of material removed by a single abrasive is proportional to the distance of the abrasive’s movement, which in turn is correlated to the relative velocity of the platen and wafer, assuming that the particle is fixed on the platen while moving. Thus, the volume of material removed by a single particle per minute, M R R V _ a   [ mm 3 / min ] , is expressed as shown in Equation (6):
M R R V _ a = k m · A a · v ,
where v   [ mm / min ] is the relative velocity of the platen and wafer, and k m   is the material removal coefficient, which indicates the contribution of other parameters toward material removal.
During lapping, abrasives are dispersed in a slurry and supplied directly over the platen to remove the workpiece material between the platen and wafer; only the abrasive particles in the land area where the actual wafer comes into contact with the platen participate in lapping. Therefore, it is assumed in the model that abrasives are uniformly distributed over the land of the platen, and the number of active abrasives participating in lapping, N a   [ ea ] , is proportional to the land area of the platen in contact with the wafer, as expressed in Equation (7):
N a = k a · C a · A c ,
where k a   [ mm ] , C a   [ e a / mm 3 ] , and A c   [ mm 2 ] represent the participation coefficient of the abrasives, concentration of abrasive, and contact area, respectively. The contact area in this model is proportional to the groove ratio changing with pitch, as expressed in Equation (8):
A c = A w · d g ,
where A w   [ mm 2 ]   is the area of the wafer and d g is the groove density. Therefore, the volume of material removed per unit time, M R R V   [ mm 3 / min ] , as a function of the groove density in the lapping process is expressed as shown in Equation (9):
M R R V = M R R V _ a · N a .  
The thickness of the material removed per unit time, M R R   [ μ m / min ] , can be obtained by dividing M R R V   by the area of the processed wafer.
Figure 4a,b shows the number of active abrasives and the material removal rate as a function of the groove density, respectively, calculated using the material removal model. As the groove density increases, the land area in contact with the wafer decreases, and the number of active abrasives participating in the lapping process decreases linearly. The material removal rate of a single abrasive is found to increase proportionally with the groove density because the load on a single abrasive increases with the decreasing number of active abrasives. As seen in Figure 5, the material removal rate of all abrasives increases proportionally with the groove density because the increase in the material removal rate of a single abrasive with groove density is more significant than the decrease in the number of active abrasives in lapping. The simulation results were verified experimentally by measuring the material removal rate based on the changes in the groove density, and the contact interface condition between the wafer and platen was observed by monitoring various signals.
Figure 4. (a) Theoretical analysis result of number of active abrasives; (b) theoretical analysis result of material removal rate by one abrasive as a function of groove density.
Figure 5. Theoretical material removal rate as a function of groove density.

2.3. Experimental Equipment and Conditions

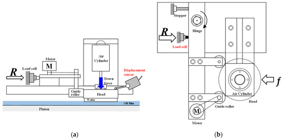
A lapping experiment was conducted with varying groove densities to understand the effect of groove density on the material removal rate during the lapping process. A rectangular groove with a spiral pattern was selected, and the depth and width of the grooves were fixed at 1 and 2 mm, respectively, while the pitch was set as a variable to vary the groove density from 0.1 to 0.7. The lapping equipment shown in Figure 6 was used for the lapping experiment; it consists of a lapping head to attach a single 100 mm wafer, an air cylinder to pressurize the lapping head, a 300 mm diameter platen, a slurry nozzle to supply the slurry, and a dresser to distribute the slurry.
Figure 6. Lapping equipment.
Polycrystalline diamond particles with an average size of 3.1 μm were used as the abrasive, and the platen was prepared in copper resin by sintering a mixture of copper powder and resin. The experimental conditions, such as the pressure applied to the wafer, rotational speed of the platen, and flow rate of the slurry, were fixed so that only the effect of changes in groove density was considered. The surface of the platen was refined through a facing process to make the surface roughness and platen shape consistent. Prior to the experiment, a stabilization process was conducted for 10 min under the same conditions as the lapping experiment. A contact-type displacement sensor (GT2-A12KL, Keyence, Osaka, Japan) with a resolution of 0.1 μm was used to measure the thickness of the wafer. The average thickness was obtained by measuring the wafer thickness at 21 locations before and after lapping, and the material removal rate was calculated by dividing the change in the average thickness by the processing time. Detailed experimental conditions are listed in Table 1.
Table 1. Experimental conditions.
In the lapping process, it is believed that the changes in groove density affect the material removal rate because the contact interface condition between the wafer and platen changes. The contact interface condition is related to the hydroplaning phenomenon caused by the slurry. Lu [24] used a laser-induced fluorescence device to observe changes in oil film thickness based on the process conditions, and Dwyer-Joyce [25] used ultrasonic waves to measure and analyze the oil film thickness during the process. In this study, to analyze the changes in the contact interface condition with groove density, the oil film thickness was measured by constructing the system shown in Figure 7a and using an inductive displacement sensor (Millimar 1318, Mahr, Goettingen, Germany) with a 0.1 μm resolution. For the measurement of oil film thickness, the displacement of the lapping head was first measured for 10 s under dry conditions without supplying the slurry. To observe changes in the thickness of the oil film, the displacement of the lapping head was measured for 30 s under wet conditions while supplying the slurry to the platen until the development of the oil film stabilized under the same conditions as the lapping experiment. The oil film thickness was calculated using the difference in the displacement of the head measured under dry and wet conditions.
Figure 7. Measuring method: (a) oil film thickness and (b) frictional force.
A friction monitoring system, as shown in Figure 7b, was constructed to measure the change in frictional force depending on the contact interface condition between the wafer and platen during the lapping process. The frictional force (f) was applied to the lapping head with the wafer attached in the direction of rotation of the platen, which subsequently transfers to the head guide. The transferred frictional force was amplified around the hinge and measured with a frictional force sensor (9132 B, Kistler, Winterthur, Switzerland). The experiments related to the material removal rate were repeated three times, and the frictional force and oil film thickness were repeated five times.

3. Experimental Results

3.1. Material Removal Rate

In the lapping process, the groove density affects the material removal rate by varying the flow of the slurry at the contact interface and the contact pressure on the wafer. The simulation results from the material removal model and the experimental results are compared in Figure 8a. In the experimental results, the material removal rate is the lowest at the lowest groove density of 0.1 and drastically increases until the groove density is 0.3, indicating a noticeable difference between the material removal model and the experimental result in the groove density range of 0.1 to 0.3. When the groove density exceeds 0.3, the increase in material removal rate is proportional to the groove density and in good agreement with the material removal model. The difference between the material removal model and the experimental result in the groove density range below 0.3 can be attributed to the change in the contact interface condition, which was confirmed through the analysis of the frictional force occurring in the process.
Figure 8. (a) Comparison of the theoretical material removal rate with the experimental results according to groove density; (b) relation between material removal rate and frictional force.
As shown in Figure 8b, which shows the relationship between the material removal rate and the frictional force, the material removal rate is linearly proportional to the frictional force, which is 40 N or less at the low groove density of 0.1 to 0.2. The frictional force is 60 N or more when the groove density is 0.3 or higher and also exhibits a significant difference at a groove density of approximately 0.3, similar to the material removal rate. Based on this, it is believed that when the groove density is lower than 0.3, the slurry at the contact interface brings the hydroplaning phenomenon into effect, and some or most of the load applied to the wafer is supported by the slurry, resulting in a lower frictional force. On the other hand, as the groove density increases, the load supported by the slurry decreases, while the load delivered to the abrasives increases, leading to a significantly higher material removal rate. Similar results were reported by Park et al. [26].
The theoretical values vary from the actual material removal rates because the effect of the dynamic pressure by the slurry was not considered in the material removal model, while all of the load applied to the wafer was assumed to transfer to the abrasives. However, the experimental values were in better agreement with the material removal model for groove density values higher than 0.3 due to the absence of the hydroplaning phenomenon. To confirm this, changes in the oil film thickness and frictional force with groove density were analyzed at the contact interface.

3.2. Oil Film Thickness and Frictional Force

The oil film thickness and frictional force were monitored during the lapping process to identify changes in the contact interface condition depending on the groove density. The displacement of the lapping head was measured to observe changes in the oil film thickness. Figure 9a shows the displacement of the lapping head over time when the groove density is 0.1. In the initial dry condition, the displacement was approximately 250 μm on average and exhibited the form of a sine wave due to the run-out caused by the rotating platen and the discrepancy in the shape of the wafer attached to the head. At 7 s of starting supply of the slurry, the head displacement gradually increased to an average displacement of approximately 260 μm. This indicates the development of an oil film due to the slurry, and the difference in the average head displacement can be considered as the oil film thickness. Figure 9b shows the changes in the frictional force when the slurry is supplied with a groove density of 0.2. A high frictional force is maintained in the initial dry condition without any slurry between the wafer and platen, but the frictional force rapidly decreases as soon as the slurry is supplied. This reduction in frictional force is caused by the formation of an oil film between the platen and wafer; as the oil film develops and the contact interface stabilizes, the frictional force gradually decreases and converges.
Figure 9. (a) Changes in displacement of the head upon supplying slurry (dg = 0.1); (b) changes in frictional force upon supplying slurry (dg = 0.2).
As shown in Figure 10, the film thickness as a function of the groove density is obtained by calculating the difference in the average displacement of the lapping head between the dry and wet conditions. The oil film thickness decreases rapidly as the groove density increases, converging to approximately 1 μm at a groove density of 0.3. That is, when the groove density is less than 0.3, the oil film develops at the contact interface between the wafer and platen, which decreases the frictional force upon the supply of slurry in the low groove density range.
Figure 10. Film thickness as a function of groove density.
Figure 11a shows the oil film thickness and frictional force as a function of the inverse number of groove density, and Figure 11b shows a Stribeck curve that represents the lubrication condition of the typical contact interface. The Stribeck curve shows the friction coefficient and oil film thickness at the hydraulic bearing based on the Sommerfeld number, which is calculated by multiplying the fluid viscosity by the relative velocity and dividing it by the load. Depending on the Sommerfeld number, the lubrication conditions are divided into boundary lubrication, mixed lubrication, and hydrodynamic lubrication conditions [27]. The boundary lubrication condition occurs when the relative velocity and fluid viscosity are low or the load is high, during which the asperities on both surfaces are in direct contact or the two surfaces are separated by an oil film that is monolayered or multilayered. In the mixed lubrication condition, both direct contact of surface asperities and dynamic pressure of the oil film are present, and the load carried by the hydrodynamic pressure increases as the oil film grows in thickness. In the hydrodynamic lubrication condition, both surfaces are completely separated by the fluid, and the entire load is carried by the hydrodynamic pressure [28].
Figure 11. (a) Film thickness and frictional force as a function of the inverse number of groove density; (b) friction coefficient plotted as a function of fluid viscosity and shear velocity divided by load (Stribeck curve) with corresponding lubrication film thickness [27].
As shown in Figure 11a, the oil film thickness increases and the frictional force decreases in proportion to the inverse of the groove density, and a similar tendency can be observed when compared to the Stribeck curve. When the two graphs are compared, the Sommerfeld number does not vary because the viscosity, velocity, and load remain consistent over the entire range of groove densities. Based on this, the decrease in groove density increases the oil film thickness in the lapping process, which changes the lubrication condition at the contact interface between the wafer and platen from boundary lubrication to mixed lubrication. Therefore, it is believed that the boundary lubrication condition exists at groove densities of 0.3 or higher with the wafer and abrasives in direct contact, while the mixed lubrication condition exists at groove densities lower than 0.3 with the development of an oil film. Therefore, the groove density at which the lubrication state changes at the contact interface was defined as the critical groove density (CGD), and the CGD in this experimental condition was 0.3.
Thus, the material removal model based on indentation theory is not consistent with the actual experimental result in the low groove density range because the changes in the oil film thickness were not considered in the model. Hence, a modified model that incorporates the oil film thickness at the contact interface is presented in the next section.

4. Modified Material Removal Model

4.1. Solid–Solid Contact Theory

In 1966, Greenwood and Williamson published the elastic contact theory, which states that the contact between two planes is affected by the topography of surface asperities, such as shape and height, and the mechanical properties and that the number of contact points and the contact area depend on the load due to elastic deformation [29]. The elastic contact theory was then applied to the polishing process and was introduced as the theoretical background of the CMP process by Yu et al. [21] in 1993, who demonstrated through a model that the direct contact between a pad and wafer was achieved under a load during the polishing process. In subsequent studies by Seok [30] and Qin [31], which expanded Yu’s model, pad asperities were assumed to form a normal distribution, and a model for the contact between a wafer and pad was suggested as shown in Figure 12. A material removal model was proposed that considered the characteristics of abrasives, such as size, dispersion, and elastic modulus, as well as other parameters related to polishing pads, pressure, and process conditions.
Figure 12. Asperities on a rough surface in contact with a rigid flat surface [30].
The pads used in the CMP process have a high surface roughness with surface asperities that are larger in size than the abrasives. Therefore, during polishing, the pad asperities are in direct contact with the wafer, while the abrasives present between the asperities and wafer remove the wafer material. However, the platen used in the lapping process has a relatively lower surface roughness and a higher elastic modulus compared to the pads used in the CMP process. In addition, because the abrasives used in the lapping process are several micrometers in size—much larger than the nanometer-sized abrasives used in the CMP process—the wafer is in direct contact with abrasives, rather than with pad asperities between the platen and wafer, in the lapping process [32]. Therefore, abrasives present on the lapping platen can be considered similar to pad asperities in the CMP process.
The solid–solid contact theory, a contact model for pad asperities and wafers used in the CMP process, was applied to the lapping process to calculate the probability of contact between abrasives and wafers as a function of oil film thickness, which was then applied to the indentation theory to develop a new material removal model.

4.2. Material Removal Model Considering Oil Film Thickness

In the lapping process, the solid–solid contact occurs between the wafer and abrasives, which are present between the platen and wafer. In the material removal model derived from indentation theory, the number of abrasives in contact with the wafer was assumed to be proportional to the contact area between the platen and wafer, but changes in the oil film thickness at the contact interface were not considered.
To take these changes into account, it was assumed that the size of the abrasives present on the platen has a normal distribution and the number of abrasives in contact would vary with the oil film thickness. The size distribution of abrasives can be expressed as shown in Equation (10):
f ( r d ) = 1 2 π · σ e 0.5 ( r d m σ ) 2 ,
where r d   [ μ m ] , m   [ μ m ] , and   σ are the abrasive size, average abrasive size, and standard deviation of the abrasive size, respectively. The cumulative distribution of the abrasive size is an integral of Equation (10), as expressed in Equation (11):
g ( r d ) = 0 r d ,     m a x f ( r d ) d r d .
The average abrasive size used in the experiment was 3.13 μm, the standard deviation was 0.55, the minimum size was 1.06 μm, and the maximum size was 5.45 μm. Figure 13 shows the normal distribution and cumulative distribution of the abrasive size calculated using Equations (10) and (11).
Figure 13. (a) Normal distribution of abrasive size; (b) cumulative distribution of abrasive size.
Figure 14a shows the distribution relationship between the oil film thickness and the abrasive size in order to define the probability of abrasive participation as a function of the film thickness. Since the film thickness is 6.5 μm and the abrasive size has a distribution of 1.06–5.45 μm at a groove density of 0.2, no abrasives participate in lapping and all of the load is supported by the hydrodynamic pressure. As the groove density increases from 0.2 to 0.3, the film thickness increases from 6.5 to 1.3 μm, and the number of abrasives participating in polishing drastically increases. In other words, when a line is drawn at the film thickness parallel to the x-axis, the area surrounded by the parallel line and the abrasive distribution curve represents the probability of abrasive participation.
Figure 14. (a) Relation between film thickness and abrasive size; (b) probability of abrasive participation as a function of film thickness.
Therefore, the probability of abrasive participation, k f , as a function of the film thickness can be expressed as shown in Equation (12):
k f ( t f ) = 1 0 t f 1 2 π · σ e 0.5 ( t f m σ ) 2 dt f .    
Here, the film thickness, t f   [ μ m ] , is expressed in terms of the groove density, d g , as shown in Equation (13) and is derived from the experimental result.
t f ( d g ) = 32.7 e 9.6 d g .  
Figure 14b shows the probability of abrasive participation with film thickness calculated using Equation (12). To calculate the number of active abrasives as a function of the film thickness, the probability of abrasive participation with film thickness was calculated based on Figure 14b and Equation (12), which was multiplied by the number of active abrasives from the previous material removal model.
In the previous material removal model, the material removal rate of a single abrasive was first obtained, and the number of active abrasives in the entire wafer area was calculated to determine the overall material removal rate. In the modified material removal model, the probability of abrasive participation, k f , is introduced to take into account the changes in the film thickness. The hydrodynamic pressure occurring with the increase in film thickness is assumed to be identical to the load applied to the abrasives that do not participate in lapping, and the modified model can be expressed as shown in Equation (14):
M R R V = k m ( A a · v ) × k f ( k a · C a · A c ) .
Figure 15 compares the theoretical result using Equation (14) and the experimental material removal rate with regard to the groove density. The simulation results indicate that the modified model is in good agreement with the experimental lapping result by reflecting the number of active abrasives with changing film thickness. In the modified model, the material removal rate converges to zero because the oil film thickness is larger than the abrasive size when the groove density is between 0.1 and 0.2, but the experimental result shows a slight increase in the material removal rate. In the modified removal model, since the oil film thickness is larger than the particle size, it is considered as a solid–fluid–solid contact without particle contact. However, during the lapping process, contact with some particles may occur due to the run-out of the lapping platen and the gimbal structure of the lapping head when the groove density is between 0.1 and 0.2.
Figure 15. Comparison of modified theoretical material removal rate with experimental results according to groove density.
Thakurta [33] suggested that the contact interface between the wafer and pad in the CMP process is a solid–liquid–solid contact, and that both hydrodynamic lubrication and mixed lubrication regions could occur because the polishing head (carrier) has a gimbal structure, and the moment caused by the frictional force is unstable. Because the lapping head used in the experiment has a gimbal structure, a similar phenomenon can occur as well. The study by Lee [34] also demonstrated that, if a wafer is supported by fluid during the lapping process, only the outer part of the wafer is polished as it was shaken by the run-out of the lapping platen. In other words, while the oil film thickness applied to the modified model is an average oil film thickness, it is believed that the oil film thickness varies during the actual process, and some of the abrasives may participate in lapping the edge of the wafer, resulting in the difference.

5. Conclusions

The oil film thickness and frictional force during the lapping process were expressed in terms of the inverse number of the groove density, which showed a similar tendency as the oil film thickness and frictional force on the Stribeck curve. This indicates that, under the experimental conditions in this study, the wafer and platen are separated by the oil film when the groove density is lower than 0.3, resulting in a mixed lubrication condition in which only some of the large abrasives participate in lapping. At a groove density of 0.3 or higher, a solid–solid contact is made with no oil film present, resulting in a boundary lubrication condition where the wafer and the abrasives on the platen are in direct contact. The CGD, at which the lapping characteristics change with oil film thickness, was found to be 0.3 under the experimental conditions in this study. CGD is affected by the average abrasive size, distribution, pressure, and velocity.
The results of the material removal model based only on indentation theory and the experimental results were consistent at CGD or higher but showed a significant difference below CGD because the model failed to reflect the lubrication condition at the contact interface. To reflect the participation of abrasives depending on the oil film thickness in the contact model, the solid–solid contact model used in the CMP process was adopted, and pad asperities were substituted with the abrasives present on the platen. Based on the abrasive particles’ size measurement, normal distribution and cumulative distribution functions were derived, and the probability function of abrasive participation as a function of the oil film thickness was derived based on the oil film function. The number of abrasives varying with oil film thickness was expressed by multiplying the derived probability function of abrasive participation by the number of active abrasives from the previous model, which confirmed that the rapid change in the material removal rate below CGD was being reflected.
The results indicate that changes in groove density affect the lubrication condition at the contact interface as well as the probability of abrasive participation by varying the oil film thickness. When fabricating the groove for a lapping platen, a groove density at CGD or higher should be selected. As a parameter related to the oil film thickness and abrasive size, CGD can vary with the Sommerfeld number, abrasive size, and abrasive distribution. The higher the groove density, the easier it is to avoid CGD, and the higher is the material removal rate. However, the ratio of the platen land in direct contact with the wafer reduces, increasing the wear and decreasing the lifespan of the platen. Therefore, the economic benefit with respect to the higher material removal rate and shorter life span of the platen should be weighted when designing the groove density.

Author Contributions

Conceptualization, T.L. and H.K.; methodology, T.L., H.C., and S.L.; validation, D.K. and S.L.; investigation, H.C.; resources, D.K.; writing—original draft preparation, T.L.; writing—review and editing, H.J. and H.C.; supervision, H.K.; project administration, H.K. All authors have read and agreed to the published version of the manuscript.

Funding

This research was funded by the Ministry of Trade, Industry, and Energy of the Republic of Korea (grant number 20013589).

Institutional Review Board Statement

Not applicable.

Data Availability Statement

Not applicable.

Conflicts of Interest

The authors declare no conflict of interest.

References

  1. Fang, H.S.; Zhang, Q.J.; Tian, J.; Wang, S.; Ma, R.H. Study of internal radiation with solute inclusions during Czochralski sapphire crystal growth. Int. J. Heat Mass Tran. 2014, 79, 783–789. [Google Scholar] [CrossRef]
  2. Tsai, M.Y.; Li, K.Y.; Ji, S.Y. Novel abrasive-impregnated pads and diamond plates for the grinding and lapping of single-crystal silicon carbide wafers. Appl. Sci. 2021, 11, 1783. [Google Scholar] [CrossRef]
  3. Jeong, S.; Jeong, K.; Choi, J.; Jeong, H. Analysis of correlation between pad temperature and asperity angle in chemical mechanical planarization. Appl. Sci. 2021, 11, 1507. [Google Scholar] [CrossRef]
  4. Li, Z.C.; Pei, Z.J.; Funkenbusch, P.D. Machining processes for sapphire wafers: A literature review. Proc. Inst. Mech. Eng. Part B J. Eng. Manuf. 2011, 225, 975–989. [Google Scholar] [CrossRef]
  5. Chen, C.C.A.; Li, J.C.; Liao, W.C.; Ciou, Y.J.; Chen, C.C. Dynamic pad surface metrology monitoring by swing-arm chromatic confocal system. Appl. Sci. 2021, 11, 179. [Google Scholar] [CrossRef]
  6. Su, J.X.; Liu, X.L.; Zhang, Z.Q.; Liu, Z.X. Influence of lapping parameters on 6H-SiC crystal substrate (0001) C surface based on diamond particle. Adv. Mater. Res. 2012, 565, 237–242. [Google Scholar] [CrossRef]
  7. Jo, H.; Lee, D.S.; Jeong, S.H.; Lee, H.S.; Jeong, H.D. Hybrid CMP slurry supply system using ionization and atomization. Appl. Sci. 2021, 11, 2217. [Google Scholar] [CrossRef]
  8. Touge, M.; Matsuo, T. Removal rate and surface roughness in high-precision lapping of Mn-Zn ferrite. CIRP Ann. 1996, 45, 307–310. [Google Scholar] [CrossRef]
  9. Fang, C.; Liu, C.; Zhao, Z.; Lin, Y.; Hu, Z.; Xu, X. Study on geometrical patterns of textured fixed-abrasive pads in sapphire lapping based on trajectory analysis. Prec. Eng. 2018, 53, 169–178. [Google Scholar] [CrossRef]
  10. Cho, B.J.; Kim, H.M.; Manivannan, R.; Moon, D.J.; Park, J.G. On the mechanism of material removal by fixed abrasive lapping of various glass substrates. Wear 2013, 302, 1334–1339. [Google Scholar] [CrossRef]
  11. Chang, Y.P.; Hashimura, M.; Dornfeld, D.A. An investigation of material removal mechanisms in lapping with grain size transition. J. Manuf. Sci. Eng. 2000, 122, 413–419. [Google Scholar] [CrossRef]
  12. Yuan, J.L.; Zhao, P.; Ruan, J.; Cao, Z.X.; Zhao, W.H.; Xing, T. Lapping and polishing process for obtaining super-smooth surfaces of quartz crystal. J. Mat. Proc. Tech. 2003, 138, 116–119. [Google Scholar] [CrossRef]
  13. Chen, C.C.A.; Tseng, C.H.; Tu, W.K. Friction force analysis on diamond lapping of sapphire wafers. Adv. Mat. Res. 2013, 797, 461–468. [Google Scholar]
  14. Tanaka, H.; Chiba, H.; Yoshikawa, T.; Iwatsuka, K.; Maeda, Y. Mechanical characterization of lapping plate materials in diamond charging process. Adv. Mat. Res. 2010, 126, 17–22. [Google Scholar] [CrossRef]
  15. Shi, F.G.; Zhao, B. Modeling of chemical-mechanical polishing with soft pads. Appl. Phys. A Mat. Sci. Proc. 1997, 67, 249–252. [Google Scholar] [CrossRef]
  16. Tseng, W.T.; Wang, Y.L. Re-examination of pressure and speed dependences of removal rate during chemical-mechanical polishing processes. J. Electrochem. Soc. 1997, 144, L15–L17. [Google Scholar] [CrossRef]
  17. Wei, C.C.; Horng, J.H.; Lee, A.C.; Lin, J.F. Analyses and experimental confirmation of removal performance of silicon oxide film in the chemical–mechanical polishing (CMP) process with pattern geometry of concentric groove pads. Wear 2011, 270, 172–180. [Google Scholar] [CrossRef]
  18. Guo, Y.; Lee, H.; Lee, Y.; Jeong, H. Effect of pad groove geometry on material removal characteristics in chemical mechanical polishing. Int. J. Prec. Eng. Manuf. 2012, 13, 303–306. [Google Scholar] [CrossRef]
  19. Rosales-Yeomans, D.; Lee, H.; Suzuki, T.; Philipossian, A. Effect of concentric slanted pad groove patterns flow during chemical mechanical planarization. Thin Solid Films 2012, 520, 2224–2232. [Google Scholar] [CrossRef]
  20. Kim, C.; Lee, G.J.; Rhee, C. Deaggregation and ultradispersion of detonation nanodiamonds in polar solvent using physicochemical treatments. J. Korean Powd. Met. Inst. 2013, 20, 479–486. [Google Scholar] [CrossRef][Green Version]
  21. Yu, T.K.; Yu, C.C.; Orlowski, M. A statistical polishing pad model for chemical-mechanical polishing. In Proceedings of the IEEE International Electron Devices Meeting, Washington, DC, USA, 5–8 December 1993; pp. 865–868. [Google Scholar]
  22. Lee, H.; Kim, M.; Jeong, H. Effect of non-spherical colloidal silica particles on removal rate in oxide CMP. IJPEM 2015, 16, 2611–2616. [Google Scholar] [CrossRef]
  23. Das, B. Vicker’s hardness concept in the light of Vicker’s impression. Int. J. Rock Mech. Min. Sci. Geomech. Abstr. 1974, 11, 85–89. [Google Scholar] [CrossRef]
  24. Lu, J.; Rogers, C.; Manno, V.P.; Philipossian, A.; Anjur, S.; Moinpour, M. Measurements of slurry film thickness and wafer drag during CMP. J. Electrochem. Soc. 2004, 151, G241–G247. [Google Scholar] [CrossRef]
  25. Dwyer-Joyce, R.S.; Reddyhoff, T.; Zhu, J. Ultrasonic measurement for film thickness and solid contact in elastohydrodynamic lubrication. J. Tribo. 2011, 133, 031501. [Google Scholar] [CrossRef]
  26. Park, K.; Jung, J.; Lee, H.; Seo, H.; Jeong, S.; Lee, S.; Jeong, H. The effect of pad groove density on CMP characteristics. J. Korean Soc. Prec. Eng. 2005, 22, 27–33. [Google Scholar]
  27. Coles, J.M.; Chang, D.P.; Zauscher, S. Molecular mechanisms of aqueous boundary lubrication by mucinous glycoproteins. Curr. Opin. Colloid Interface Sci. 2010, 15, 406–416. [Google Scholar] [CrossRef]
  28. Kim, H.J. A Study on the Interfacial Characteristics and Its Effect on Material Removal in CMP. Ph.D. Thesis, Pusan National University, Busan, Korea, 2003. [Google Scholar]
  29. Greenwood, J.A.; Williamson, J.B.P. Contact of nominally flat surfaces. Proc. Math. Phys. Eng. Sci. 1966, 295, 300–319. [Google Scholar]
  30. Seok, J.; Sukam, C.P.; Kim, A.T.; Tichy, J.A.; Cale, T.S. Multiscale material removal modeling of chemical mechanical polishing. Wear 2003, 254, 307–320. [Google Scholar] [CrossRef]
  31. Qin, K.; Moudgil, B.; Park, C.W. A chemical mechanical polishing model incorporating both the chemical and mechanical effects. Thin Solid Films 2004, 446, 277–286. [Google Scholar] [CrossRef]
  32. Evans, C.J.; Paul, E.; Dornfeld, D.; Lucca, D.A.; Byrne, G.; Tricard, M.; Mullany, B.A. Material removal mechanisms in lapping and polishing. CIRP Ann. Manuf. Technol. 2003, 52, 611–633. [Google Scholar] [CrossRef]
  33. Thakurta, D.G.; Borst, C.L.; Schwendeman, D.W.; Gutmann, R.J.; Gill, W.N. Three-dimensional chemical mechanical planarization slurry flow model based on lubrication theory. J. Electrochem. Soc. 2001, 148, G207–G214. [Google Scholar] [CrossRef]
  34. Lee, T.; Jeong, H.; Lee, S.; Kim, D.; Kim, H. Effect of the lapping platen groove density on the characteristics of microabrasive-based lapping. Micromachines 2020, 11, 775. [Google Scholar] [CrossRef] [PubMed]
Publisher’s Note: MDPI stays neutral with regard to jurisdictional claims in published maps and institutional affiliations.

Article Metrics

Citations

Article Access Statistics

Multiple requests from the same IP address are counted as one view.