Analysis of the Mechanism and Performance Optimization of Burying Weeding with a Self-Propelled Inter Row Weeder for Paddy Field Environments
Abstract
:Featured Application
Abstract
1. Introduction
2. Materials and Methods
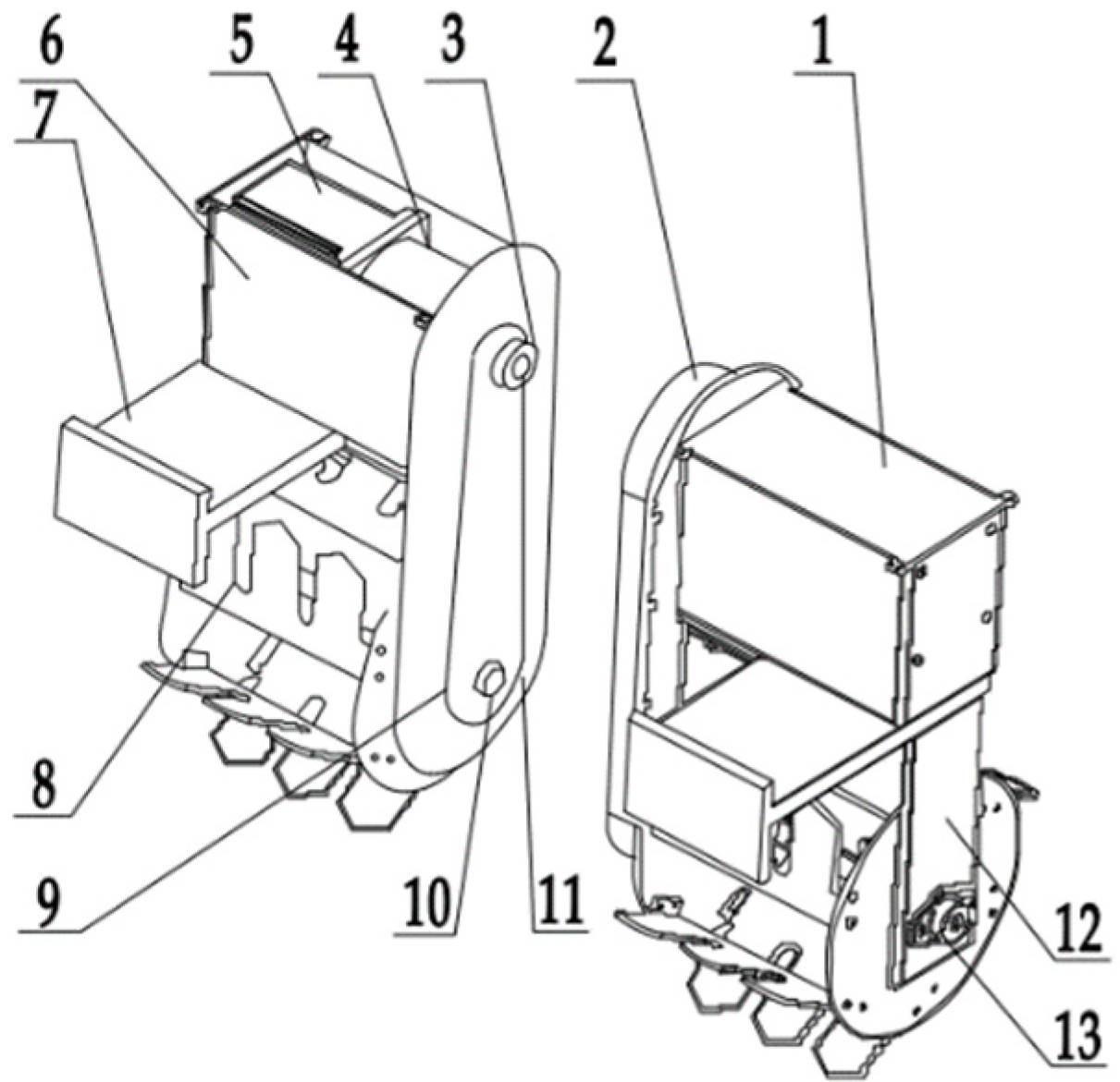
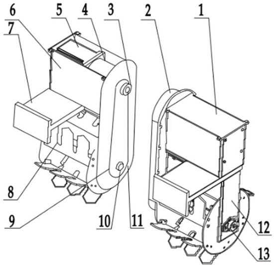
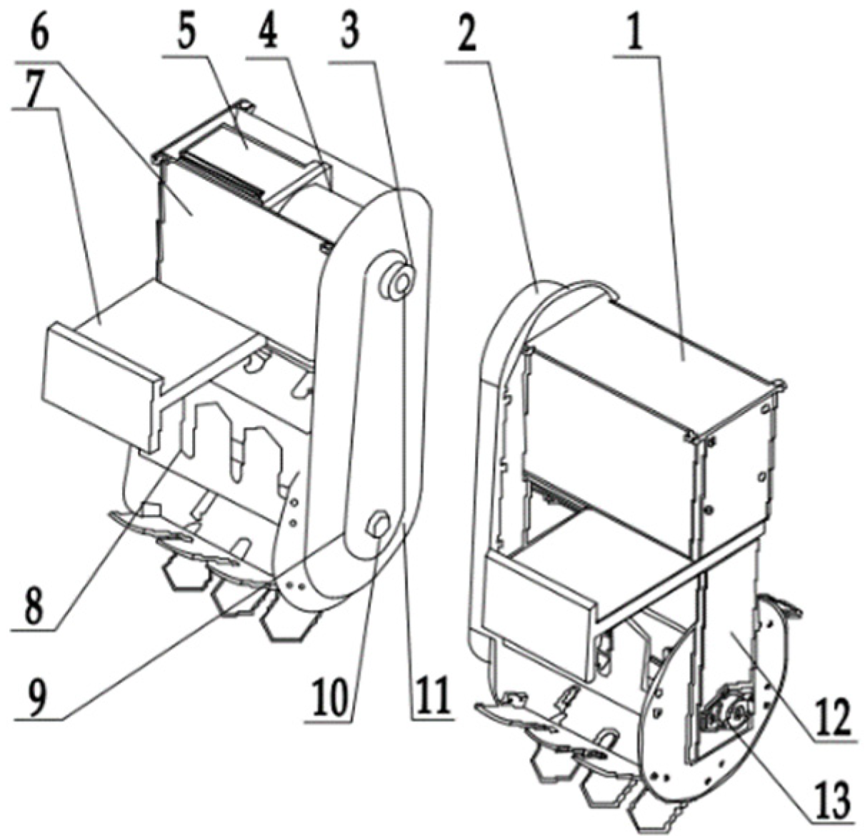
2.1. Structure and Working Principle of the Weeder
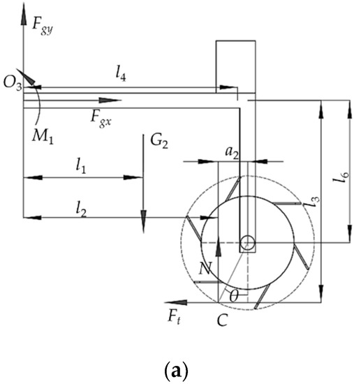
2.2. Analysis of the Mechanism of Weeding by Burying
2.3. Design of Driving Weeding Device with Rake Teeth
2.3.1. Structural Design of Weeding Wheels with Rake Teeth
2.3.2. Power Analysis of the Driving Weeding Device with Rake Teeth
2.4. Field Experiment
3. Results and discussion
3.1. Analysis of the Experiment Results in the Field
3.2. Discussion
4. Conclusions
- (1)
- In view of the poor quality of weeding mechanics and the lack of an obvious effect of plowing in the complex environment of paddy fields, a new method of pressing and burying was proposed, and the main factors that alter the burying effectiveness were explored. The structure of weeding wheels with rake teeth was designed and matched with appropriate power, and the rake teeth weeding device was optimized.
- (2)
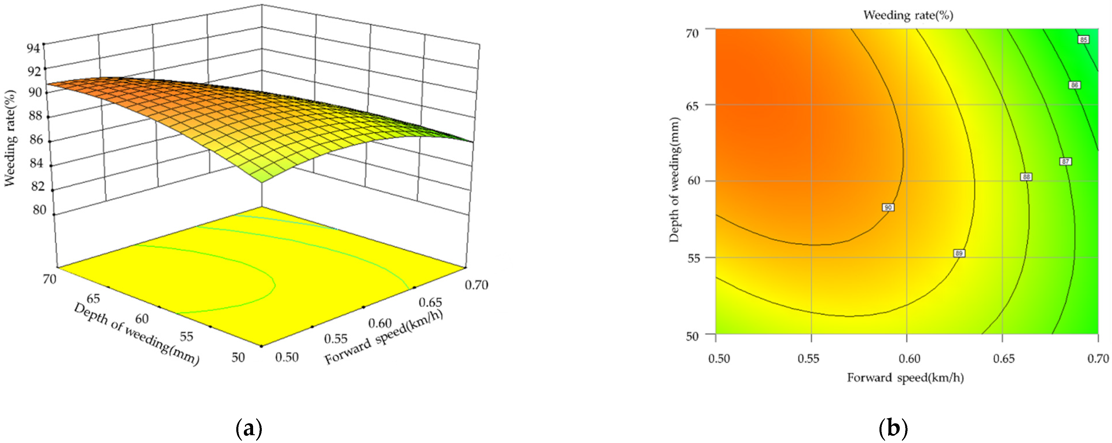
- The forward speed of the machine, rotating speed of the weeding wheels and depth of weeding were selected as the experimental factors, and the inter row weeding rate was selected as the experimental index. An orthogonal combination experiment of three factors and five levels of secondary rotation was designed and optimized. The results showed that when the forward speed was 0.64 m/s, the rotational speed of the weeding wheels was 140 r/min, and the weeding depth was 56.8 mm, the predicted index of the inter row weeding rate was 88.43%. The inter row weeding rate determined by confirmatory experiments was 87.06%, which met the requirements of weeding agronomy.
- (3)
- LS-DYNA was used to build the model of the fluid–solid coupling simulation of weeding wheels and water soil. The soil disturbance and stress distribution of the optimized weeding wheels were studied. The results showed that the effect of plowing of the weeding wheels was good.
Author Contributions
Funding
Institutional Review Board Statement
Informed Consent Statement
Data Availability Statement
Conflicts of Interest
References
- Wang, X.; Jing, Z.H.; He, C.; Liu, Q.Y.; Qi, J.Y.; Zhao, X.; Xiao, X.P.; Zhang, H.L. Temporal variation of SOC storage and crop yield and its relationship—A fourteen year field trial about tillage practices in a double paddy cropping system, China. Sci. Total Environ. 2021, 759, 143494. [Google Scholar] [CrossRef]
- Zhou, L.; Liu, Z.; Zhou, T. Qualitative Analysis of the Effect of Weeds Removal in Paddy Ecosystems in Fallow Season. Discret. Dyn. Nat. Soc. 2020, 2020, 1–12. [Google Scholar] [CrossRef]
- Shimada, N.; Sugiura, S. Indirect effects of weeds on rice plants via shared heteropteran herbivores. J. Appl. Entomol. 2021, 145, 117–124. [Google Scholar] [CrossRef]
- Ma, X.; Qi, L.; Liang, B.; Tan, Z.; Zuo, Y. Present status and prospects of mechanical weeding equipment and technology in paddy field. Nongye Gongcheng Xuebao/Trans. Chin. Soc. Agric. Eng. 2011, 27, 162–168. [Google Scholar] [CrossRef]
- Tewari, V.K.; Ashok Kumar, A.; Nare, B.; Prakash, S.; Tyagi, A. Microcontroller based roller contact type herbicide applicator for weed control under row crops. Comput. Electron. Agric. 2014, 104, 40–45. [Google Scholar] [CrossRef]
- Qi, L.; Ma, X.; Tan, Z.; Tan, Y.; Qiu, Q.; Yang, C.; Zhang, W. Development and experiment of marching-type inter-cultivation weeder for paddy. Nongye Gongcheng Xuebao/Trans. Chin. Soc. Agric. Eng. 2012, 28, 31–35. [Google Scholar] [CrossRef]
- Krähmer, H.; Andreasen, C.; Economou-Antonaka, G.; Holec, J.; Kalivas, D.; Kolářová, M.; Novák, R.; Panozzo, S.; Pinke, G.; Salonen, J.; et al. Weed surveys and weed mapping in Europe: State of the art and future tasks. Crop. Prot. 2020, 129, 105010. [Google Scholar] [CrossRef]
- Houngbédji, T.; Dessaint, F.; Nicolardot, B.; Shykoff, J.A.; Gibot-Leclerc, S. Weed communities of rain-fed lowland rice vary with infestation by Rhamphicarpa fistulosa. Acta Oecologica 2016, 77, 85–90. [Google Scholar] [CrossRef]
- Machleb, J.; Peteinatos, G.G.; Kollenda, B.L.; Andújar, D.; Gerhards, R. Sensor-based mechanical weed control: Present state and prospects. Comput. Electron. Agric. 2020, 176, 105638. [Google Scholar] [CrossRef]
- Zhang, Q.; Shaojie Chen, M.E.; Li, B. A visual navigation algorithm for paddy field weeding robot based on image understanding. Comput. Electron. Agric. 2017, 143, 66–78. [Google Scholar] [CrossRef]
- Yamada, Y.; Iwakabe, K.; Liu, G.; Uejima, T. Mechanical weeding using a paddy field mobile robot for paddy quality improvement. In Proceedings of the Lecture Notes in Computer Science (Including Subseries Lecture Notes in Artificial Intelligence and Lecture Notes in Bioinformatics), Birmingham, UK, 1–3 September 2014; Volume 8069, pp. 185–189. [Google Scholar]
- Qin, C.; Du, Q.; Tian, L.; Huang, X. The control system design of automatic weeding robot based on visual navigation. In Proceedings of the 2012 IEEE International Conference on Robotics and Biomimetics, ROBIO 2012—Conference Digest, Guangzhou, China, 11 December 2012; pp. 956–961. [Google Scholar] [CrossRef]
- Wang, J.; Niu, C.; Zhang, C.; Wei, C.; Chen, Z. Design and experiment of 3ZS-150 paddy weeding-cultivating machine. Nongye Jixie Xuebao/Trans. Chin. Soc. Agric. Mach. 2011, 42, 75–79. [Google Scholar]
- Qi, L.; Zhao, L.; Ma, X.; Cui, H.; Zheng, W.; Lu, Y. Design and test of 3GY-1920 wide-swath type weeding-cultivating machine for paddy. Nongye Gongcheng Xuebao/Trans. Chin. Soc. Agric. Eng. 2017, 33, 47–55. [Google Scholar] [CrossRef]
- Tao, G.; Wang, J.; Zhou, W.; Niu, C.; Zhao, J. Herbicidal mechanism and key components design for paddy weeding device. Nongye Jixie Xuebao/Trans. Chin. Soc. Agric. Mach. 2015, 46, 57–63. [Google Scholar] [CrossRef]
- Wang, J.; Li, X.; Ma, X.; Zhou, W.; Tang, H. Small tracked and remote-controlled multifunctional platform for paddy field. Int. Agric. Eng. J. 2018, 27, 172–182. [Google Scholar]
- Xu, Q.; Tang, L.; Gu, D.; Jiang, H.; Cao, W.; Zhu, Y. Architectural parameter-based three dimensional modeling and visualization of rice roots. Nongye Gongcheng Xuebao/Trans. Chin. Soc. Agric. Eng. 2010, 26, 188–194. [Google Scholar] [CrossRef]
- Wang, J.; Wang, J.; Yan, D.; Tang, H.; Zhou, W. Design and Experiment of 3SCJ-2 Type Row Weeding Machine for Paddy Field. Nongye Jixie Xuebao/Trans. Chin. Soc. Agric. Mach. 2017, 48, 71–78. [Google Scholar] [CrossRef]
- Wang, J.; Li, C.; Li, X.; Li, X.; Wang, J. Design and Experiment of 3SCJ-1 Type Weeding Machine for Paddy Field Applied to Film Mulching and Transplanting. Nongye Jixie Xuebao/Trans. Chin. Soc. Agric. Mach. 2018, 49, 102–109. [Google Scholar] [CrossRef]
- Wang, J.; Gao, G.; Yan, D.; Wang, J.; Weng, W.; Chen, B. Design and Experiment of Electric Control Double Row Deep Fertilizing Weeder in Paddy Field. Nongye Jixie Xuebao/Trans. Chin. Soc. Agric. Mach. 2018, 49, 46–57. [Google Scholar] [CrossRef]
- Wu, C.; Zhang, M.; Jin, C.; Tu, A.; Lu, Y.; Xiao, T. Design and experiment of 2BYS-6 type paddy weeding-cultivating machine. Nongye Jixie Xuebao/Trans. Chin. Soc. Agric. Mach. 2009, 40, 51–54. [Google Scholar]
- Bentaher, H.; Ibrahmi, A.; Hamza, E.; Hbaieb, M.; Kantchev, G.; Maalej, A.; Arnold, W. Finite element simulation of moldboard-soil interaction. Soil Tillage Res. 2013, 134, 11–16. [Google Scholar] [CrossRef]
- Zhang, Q.; Liao, Q.; Ji, W.; Liu, H.; Zhou, Y.; Xiao, W. Surface optimization and experiment on ditch plow of direct rapeseed seeder. Nongye Jixie Xuebao/Trans. Chin. Soc. Agric. Mach. 2015, 46, 53–59. [Google Scholar] [CrossRef]
- Kotrocz, K.; Mouazen, A.M.; Kerényi, G. Numerical simulation of soil-cone penetrometer interaction using discrete element method. Comput. Electron. Agric. 2016, 125, 63–73. [Google Scholar] [CrossRef] [Green Version]
- Jiang, Q.; Cao, M.; Wang, Y.; Wang, J.; He, Z. Quantification of the soil stiffness constants using physical properties of paddy soils in Yangtze Delta Plain, China. Biosyst. Eng. 2020, 200, 89–100. [Google Scholar] [CrossRef]
- Xie, Y.; Hong, Y.; Zhang, X.; Ren, J. Analysis of mud splashing pattern of paddy field blade using computational fluid dynamics. Comput. Electron. Agric. 2020, 176, 105639. [Google Scholar] [CrossRef]
- Liu, F.; Yang, Y.; Zeng, Y.; Liu, Z. Bending diagnosis of rice seedling lines and guidance line extraction of automatic weeding equipment in paddy field. Mech. Syst. Signal. Process. 2020, 142, 106791. [Google Scholar] [CrossRef]
- Alba, O.S.; Syrovy, L.D.; Duddu, H.S.N.; Shirtliffe, S.J. Increased seeding rate and multiple methods of mechanical weed control reduce weed biomass in a poorly competitive organic crop. Field Crop. Res. 2020, 245, 107648. [Google Scholar] [CrossRef]
- Choi, K.H.; Han, S.K.; Han, S.H.; Park, K.H.; Kim, K.S.; Kim, S. Morphology-based guidance line extraction for an autonomous weeding robot in paddy fields. Comput. Electron. Agric. 2015, 113, 266–274. [Google Scholar] [CrossRef]
- Shinoto, Y.; Otani, R.; Matsunami, T.; Maruyama, S. Analysis of the shallow root system of maize grown by plowing upland fields converted from paddy fields: Effects of soil hardness and fertilization. Plant. Prod. Sci. 2020, 24, 297–305. [Google Scholar] [CrossRef]
- Gholizadeh, A.; Amin, M.S.M.; Borůvka, L.; Saberioon, M.M. Models for Estimating the Physical Properties of Paddy Soil Using Visible and Near Infrared Reflectance Spectroscopy. J. Appl. Spectrosc. 2014, 81, 534–540. [Google Scholar] [CrossRef]
- Qi, L.; Liang, Z.; Ma, X.; Tan, Y.; Jiang, L. Validation and analysis of fluid-structure interaction between rotary harrow weeding roll and paddy soil. Nongye Gongcheng Xuebao/Trans. Chin. Soc. Agric. Eng. 2015, 31, 29–37. [Google Scholar] [CrossRef]
- Chen, X.; Fang, G.; Ma, X.; Jiang, Y.; Qi, L.; Huang, Z. Design and experiment of control system for weeding alignment in rice field based on linear active disturbance rejection control. Nongye Gongcheng Xuebao/Trans. Chin. Soc. Agric. Eng. 2020, 36, 19–27. [Google Scholar] [CrossRef]
















| Parameters | Value |
|---|---|
| Dimensions (length, width and height)/mm | 650 × 500 × 386 |
| Lowest ground clearance of the chassis/mm | 240 |
| Mass (Counterweight)/kg | 80 |
| Rated power of the whole machine/kW | 1.6 |
| Chassis rated torque/(N·m) | 32 |
| Rated torque of the weeding device/(N·m) | 19 |
| Width of the crawler/mm | 80 |
| Width of the weeding wheels/mm | 170 |
| Path planning | Visual recognition system |
| Form of the weeding wheels | Driving weeding wheels with rake teeth |
| Level | Forward Speed/(m/s) | Rotating Speed of the Weeding Wheels/(r/min) | Weeding Depth/(mm) |
|---|---|---|---|
| −1.682 | 0.43 | 86.4 | 43.2 |
| −1 | 0.5 | 100 | 50 |
| 0 | 0.6 | 120 | 60 |
| 1 | 0.7 | 140 | 70 |
| 1.682 | 0.77 | 153.6 | 76.8 |
| Level | Experimental Factors | Experimental Performance Index | ||
|---|---|---|---|---|
| Forward Speed x1/(m/s) | Rotating Speed of the Weeding Wheels x2/(r/min) | Weeding Depth x3/(mm) | Inter Row Weeding Rate y/(%) | |
| 1 | −1 (0.5) | −1 (100) | −1 (50) | 83.77 |
| 2 | −1 | −1 | 1 (70) | 86.07 |
| 3 | −1 | 1 (140) | −1 | 90.54 |
| 4 | −1 | 1 | 1 | 92.29 |
| 5 | 1 (0.7) | −1 | −1 | 82.94 |
| 6 | 1 | −1 | 1 | 79.06 |
| 7 | 1 | 1 | −1 | 88.09 |
| 8 | 1 | 1 | 1 | 86.15 |
| 9 | −1.682 (0.43) | 0 (120) | 0 (60) | 88.41 |
| 10 | 1.682 (0.77) | 0 | 0 | 81.32 |
| 11 | 0 (0.6) | −1.682 (86.4) | 0 | 79.50 |
| 12 | 0 | 1.682 (153.6) | 0 | 91.22 |
| 13 | 0 | 0 | −1.682 (43.2) | 84.76 |
| 14 | 0 | 0 | 1.682 (76.8) | 88.21 |
| 15 | 0 | 0 | 0 | 91.26 |
| 16 | 0 | 0 | 0 | 88.68 |
| 17 | 0 | 0 | 0 | 89.91 |
| 18 | 0 | 0 | 0 | 89.24 |
| 19 | 0 | 0 | 0 | 91.49 |
| 20 | 0 | 0 | 0 | 90.11 |
| 21 | 0 | 0 | 0 | 89.44 |
| 22 | 0 | 0 | 0 | 89.63 |
| 23 | 0 | 0 | 0 | 89.87 |
| Source | Sum of Squares | Degree of Freedom | Mean Square | F Value | p Valve |
|---|---|---|---|---|---|
| Modal | 313.22 | 9 | 34.80 | 30.17 | <0.0001 ** |
| x1 | 58.87 | 1 | 58.87 | 51.03 | <0.0001 ** |
| x1 | 147.89 | 1 | 147.89 | 128.20 | <0.0001 ** |
| x1 | 1.19 | 1 | 1.19 | 1.03 | 0.3282 |
| x1x2 | 0.070 | 1 | 0.070 | 0.061 | 0.8089 |
| x1x2 | 12.18 | 1 | 12.18 | 10.56 | 0.0063 ** |
| x1x2 | 0.24 | 1 | 0.24 | 0.21 | 0.6548 |
| 42.37 | 1 | 42.37 | 36.73 | <0.0001 ** | |
| 33.78 | 1 | 33.78 | 29.28 | 0.0001 ** | |
| 17.86 | 1 | 17.86 | 15.48 | 0.0017 ** | |
| Residual | 15.00 | 13 | 1.15 | ||
| Lack of fit | 8.40 | 5 | 1.68 | 2.04 | 0.1774 |
| Pure error | 6.60 | 8 | 0.83 | ||
| Cor total | 328.21 | 22 |
| Type of Weeding Parts between Rows | Average Weeding Rate /% | Literature Source |
|---|---|---|
| Driving weeding device with rake teeth | 87.06 | This study |
| Bending elastic tooth weeding wheel | 78.02 | [19] |
| Swing weeding roller | 78.1 | [21] |
| Spiral cutter tooth weeding wheel | 82 | [4] |
| Compound weeding wheel | 83.7 | [14] |
| Rotary swing weeding roller | 86 | [6] |
Publisher’s Note: MDPI stays neutral with regard to jurisdictional claims in published maps and institutional affiliations. |
© 2021 by the authors. Licensee MDPI, Basel, Switzerland. This article is an open access article distributed under the terms and conditions of the Creative Commons Attribution (CC BY) license (https://creativecommons.org/licenses/by/4.0/).
Share and Cite
Tang, H.; Xu, C.; Wang, Q.; Zhou, W.; Wang, J.; Xu, Y.; Wang, J. Analysis of the Mechanism and Performance Optimization of Burying Weeding with a Self-Propelled Inter Row Weeder for Paddy Field Environments. Appl. Sci. 2021, 11, 9798. https://doi.org/10.3390/app11219798
Tang H, Xu C, Wang Q, Zhou W, Wang J, Xu Y, Wang J. Analysis of the Mechanism and Performance Optimization of Burying Weeding with a Self-Propelled Inter Row Weeder for Paddy Field Environments. Applied Sciences. 2021; 11(21):9798. https://doi.org/10.3390/app11219798
Chicago/Turabian StyleTang, Han, Changsu Xu, Qi Wang, Wenqi Zhou, Jinfeng Wang, Yanan Xu, and Jinwu Wang. 2021. "Analysis of the Mechanism and Performance Optimization of Burying Weeding with a Self-Propelled Inter Row Weeder for Paddy Field Environments" Applied Sciences 11, no. 21: 9798. https://doi.org/10.3390/app11219798
APA StyleTang, H., Xu, C., Wang, Q., Zhou, W., Wang, J., Xu, Y., & Wang, J. (2021). Analysis of the Mechanism and Performance Optimization of Burying Weeding with a Self-Propelled Inter Row Weeder for Paddy Field Environments. Applied Sciences, 11(21), 9798. https://doi.org/10.3390/app11219798
