Pressure Loss Optimization to Reduce Pipeline Clogging in Bulk Transfer System of Offshore Drilling Rig
Abstract
:Featured Application
Abstract
1. Introduction
- BTS: Storage and transportation of mud material
- MMSS: Preparation and storage of mud by mixing the mud material with water
- MSS: Injection of mud into the borehole
- MTS: Processing of mud recovered from the borehole
- MCS: Integrated control and monitoring of the above four systems
2. Materials and Methods
2.1. Physical Modeling of Bulk Transfer Pipelines
2.1.1. Classification of Bulk Transport Characteristics
- Dilute phase: 20 m/s < v < 40 m/s
- Medium phase: 10 m/s < v < 30 m/s
- Dense phase: 1 m/s < v < 15 m/s.
2.1.2. Mathematical Modeling of Pressure Drop in Pipeline
Pressure Drop for Only Air ()
Pressure Drop Due to Acceleration ()
Additional Pressure Drop Due to Presence of Solids ()
Pressure Drop Due to Gravity ()
Bend Pressure Loss ()
2.1.3. Pressure Drop Modeling of BTS
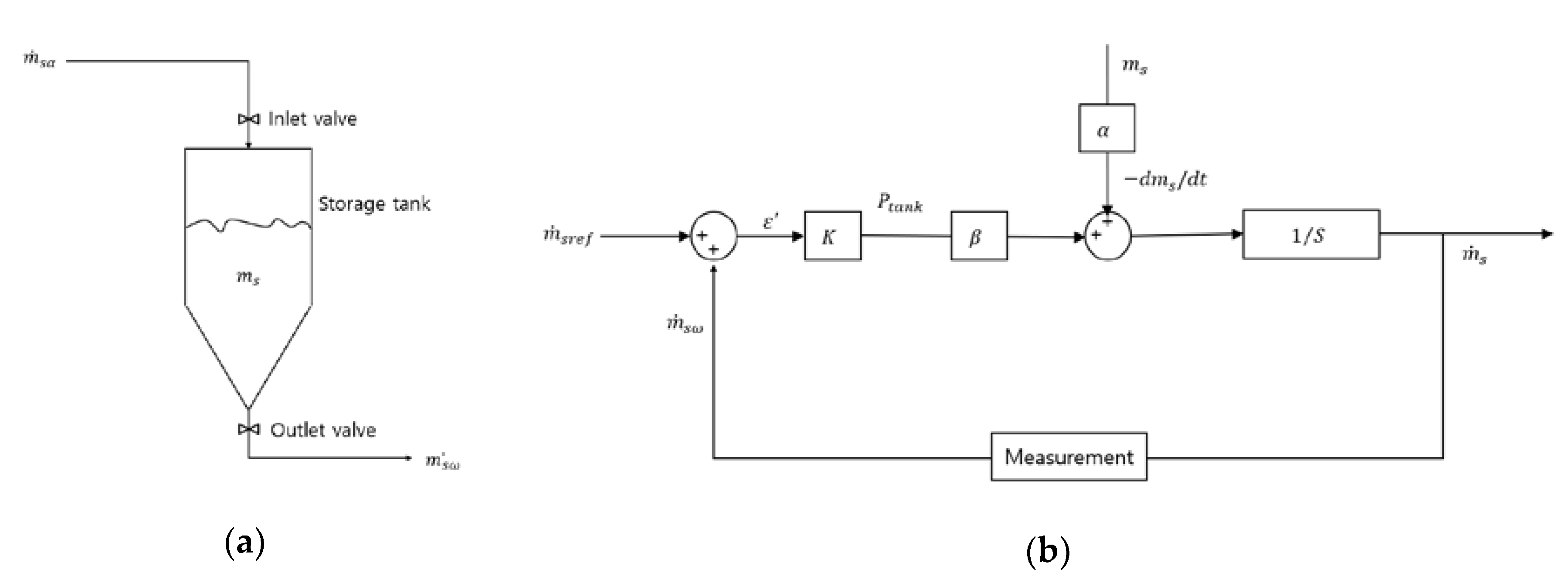
2.2. Physical Modeling and Simulation of Bulk Storage Tank
2.2.1. Modeling of Bulk Storage Tank
2.2.2. Simulation of Bulk Storage Tank with Valve Signal
3. Results and Discussions
3.1. Simulation Verification of BTS Using Experimental Test Data
- After filling the P-tank with the bulk, the air pressure was increased up to 3.8 bar.
- After checking the set pressure, the bulk transfer valve from the P-tank to the surge tank was opened.
- The pressure rise in the surge tank was checked through the monitoring panel of the bulk transfer control box.
3.2. Simulation Optimization of BTS Using Genetic Algorithm
4. Conclusions
- (1)
- A BTS was modeled and simulated to mitigate the clogging problem frequently encountered in transfer pipelines.
- (2)
- A numerical analysis was performed to optimize the pressure loss, to improve productivity. Pressure loss was modeled, and a pipeline was simulated to prevent the blockage problem in the BTS, and an empirical test was performed to validate the simulation model for comparative verification.
- (3)
- The simulation verification of the BTS indicated that the error rate was 4.27%. The reliability of the model can be further increased by continuously testing and upgrading the model. Additionally, four cases were simulated based on the verified model.
- (4)
- The pressure loss was optimized by applying a genetic algorithm to the air boosters that compensate for the pressure loss. The number of air boosters required and the distance between them were obtained. The optimized air booster compensated the pressure loss for approximately 0.54 bar.
- (5)
- To expand the applicability of the simulation model, further systematic experiments should be performed in the future for the saturation of the HILS.
Author Contributions
Funding
Acknowledgments
Conflicts of Interest
References
- Peterman, C.P.; Goldsmith, R.G.; Mott, K.C.; Danna, J.M.; Pelata, K.L.; Colvin, K.W. Offshore Drilling System. U.S. Patent 09/276,404, 4 December 2001. [Google Scholar]
- Wojtanowicz, A.K. Testing Protocol and Breakeven Cost Analysis of Mud Dewatering for Closed-loop Drilling System. J. Can. Pet. Technol. 1997, 16, 3. [Google Scholar] [CrossRef]
- Tsuji, Y.; Morikawa, Y. LDV measurements of an air-solid two-phase flow in a horizontal pipe. J. Fluid Mech. 1982, 120, 385–409. [Google Scholar] [CrossRef]
- Tsuji, Y. Multiscale modeling of dense phase gas-solid flow. Chem. Eng. Sci. 2007, 62, 3410–3418. [Google Scholar] [CrossRef]
- Theuerkauf, J. Application of discrete element method simulations industry. In Proceedings of the 7th International Conference for Conveying and Handling of Particulate Solids (CHoPS), Friedrichshaven, Genrmany, 10–13 September 2012. [Google Scholar]
- Klinzing, G.E. Historical Review of Pneumatic Conveying. KONA Powder Part. J. 2018, 35, 150–159. [Google Scholar] [CrossRef] [Green Version]
- Kuang, S.B.; Chu, K.W.; Yu, A.B.Z.; Zou, S.; Feng, Y.Q. Computational investigation of horizontal slug flow in pneumatic conveying. Ind. Eng. Chem. Res. 2008, 47, 470–480. [Google Scholar] [CrossRef]
- Kuang, S.B.; LaMarche, C.Q.; Curtis, J.S.; Yu, A.B. Discrete particle simulation of jet-induced cratering of a granular bed. Powder Technol. 2013, 239, 319–336. [Google Scholar] [CrossRef]
- Lecreps, I.; Sommer, K.; Wolz, K. Stress states and porosity within horizontal slug by dense-phase pneumatic conveying. Part. Sci. Tech. 2009, 27, 297–313. [Google Scholar] [CrossRef]
- Levy, A. Two-fluid approach for plug flow simulations in horizontal pneumatic conveying. Powder Tech. 2000, 112, 263–272. [Google Scholar] [CrossRef]
- Sanchez, L.; Vasquez, N.A.; Klinzing, G.E.; Dhodapkar, S. Evaluation of models and correlations for pressure drop estimation indense phase pneumatic conveying and an experimental analysis. Powder Tech. 2005, 153, 142–147. [Google Scholar] [CrossRef]
- Ryu, M.; Jeon, D.S.; Kim, Y. Prediction and improvement of the solid particles transfer rate for the bulk handing system design of offshore drilling vessels. Int. J. Nav. Archit. Ocean. Eng. 2015, 7, 964–978. [Google Scholar] [CrossRef] [Green Version]
- Mills, D. Optimizing pneumatic conveying. Chem. Eng. 2000, 107, 74–80. [Google Scholar]
- Mills, D. Pneumatic Conveying Design Guide, 2nd ed.; Butterworth-Heinemann, Elsevier: Oxford, UK, 2004. [Google Scholar]
- Mills, D.; Jones, M.G.; Vijay, K. Handbook of Pneumatic Conveying Engineering. Dekker Mechanical Engineering; CRC Press: New York, NY, USA, 2004. [Google Scholar]
- Sarhadi, P.; Yousefpour, S. State of the art: Hardware in the loop modeling and simulation with its applications in design, development and implementation of system and control software. Int. J. Dynam. Control. 2015, 3, 470–479. [Google Scholar] [CrossRef]
- Jing, W.; Yulun, S.; Wendong, L.; Ji, G.; Monti, A. Development of a Universal Platform for Hardware In-the-Loop Testing of Microgrids. IEEE Trans. Ind. Inform. 2014, 10, 2154–2165. [Google Scholar]
- Bouscayrol, A.; Lhomme, W.; Delarue, P.; LemaireSemail, B.; Aksas, S. Hardware-in-the-loop simulation of electric vehicle traction systems using Energetic Macroscopic Representation. In Proceedings of the IECON 2006—2nd Annual Conference on IEEE Industrial Electronics, Paris, France, 6–10 November 2006; pp. 5319–5324. [Google Scholar]
- Lauss, G.F.; Faruque, M.O.; Dufour, C.; Viehweider, A.; Langston, J. Characteristics and Design of Power Hardware-in-the Loop Simulations for Electrical Power Systems. IEEE Trans. Ind. Electron. 2016, 63, 406–417. [Google Scholar] [CrossRef]
- Ren, W.; Steurer, M.; Baldwin, T.L. Improve the stability and the accuracy of power hardware-in-the-loop simulation by selecting appropriate interface algorithms. IEEE Trans. Ind. Appl. 2008, 44, 1286–1294. [Google Scholar] [CrossRef]
- Li, H.; Steurer, M.; Shi, K.L.; Woodruff, S.; Zhang, D. Development of a unified design, test, and research platform for wind energy systems based on hardware-in-the-loop real-time simulation. IEEE Trans. Ind. Electron. 2006, 53, 1144–1151. [Google Scholar] [CrossRef]
- Lee, S.-J.; Kwak, S.-K.; Kim, S.-H.; Jeon, H.-J.; Jung, J.-H. Test platform development of vessel’s power management system using hardware-in-the-loop simulation technique. J. Electr. Eng. Tech. 2017, 12, 2298–2306. [Google Scholar]
- Hwang, J.T.; Hong, S.Y.; Kwon, H.W.; Lee, K.; Song, J.H. Dual Fuel Generator Modelling and Simulation for Development of PMS HILS. J. Korea Inst. Inf. Commun. Eng. 2017, 21, 613–619. [Google Scholar]
- Lee, K. Software-In-the-Loop based Power Management System Modelling & Simulation for a Liquefied Natural Gas Carrier. J. Korea Inst. Inf. Commun. Eng. 2017, 21, 1218–1224. [Google Scholar]
- Klinzing, G.E.; Rizk, F.; Marcus, R.; Leung, L.S. Pneumatic Conveying of Solids—A Theoretical and Practical Approach; Particle Technology Series; Springer: Berlin, Germany, 2010; pp. 4–33. [Google Scholar]
- Desai, N. Investigations in Gas-Solid Multiphase Flows. Ph.D. Thesis, North Carolina State University, Raleigh, NC, USA, 2003. [Google Scholar]
- Zenz, F.A.; Othmer, D.F. Fluidization and Fluid Particle Systems; Reinhold Publishing Coporation: New York, NY, USA, 1960. [Google Scholar]
- Nied, C.; Hauth, D.; Sommer, K. Stress States and Pressure Loss in Pneumatically Conveyed Spatially Confined Single Plugs; ICBM: Newcastle, Australia, 2011. [Google Scholar] [CrossRef]















| Content | Conveying System | Characteristics | Conveying Products |
|---|---|---|---|
![]() | Dilute phase (lean phase) | High energy consumption High operational reliability | Wide product range |
![]() | Dilute phase (strand phase) | Low energy consumption Small pipe size | Free-flowing powder, fluff, pellets |
![]() | Slow motion dense phase (slug phase) | High load ratio Less dust and streamers Low wear | Pellets |
![]() | Dense phase (fluid phase) | Low energy consumption Small pipe size | Fluidizable powders |
![]() | Dense phase with internal bypass | Self-stabilization No plugging | Partly fluidizable powders |
![]() | Dense phase with external bypass (slug phase) | No plugging Less fines | Non-fluidizable, cohesive, and abrasive powders |
| Contents | Value (Unit) |
|---|---|
| Supply pressure | 3.8 bar |
| Temperature | 20 °C |
| Air density | 1.17 kg/m3 |
| Material density (apparent specific gravity) | 2400 kg/m3 (barite) |
| Pipe diameter | 0.13 m |
| Total length of horizontal pipe | 127.9 m |
| Total length of vertical pipe | 26.2 m |
| Angle of bending pipe | 90°, 45° |
| Radius of bending pipe | 0.75 m |
| Total length of pipe | 161.6 m |
| Dry Bulb Temperature (°C) | Relative Humidity (%R.H.) |
|---|---|
| 10 ± 1 | 20 ± 5 |
| Condition | Before Transferring | During Transferring | During Transferring | After Transferring |
|---|---|---|---|---|
| P-tank pressure | 3.8 | 3.7 | 3.6 | 3.6 |
| Surge tank pressure | 0.2 | 0.5 | 1.5 | 1.8 |
| Type | Simulation Model Data | Test Data |
|---|---|---|
| Inlet pressure (bar) | 3.8 | 3.8 |
| Pipe diameter (m) | 0.13 | 0.13 |
| Pipe length (m) | 161.57 | 161.57 |
| Horizontal pipe length (m) | 127.9 | 127.9 |
| Vertical pipe length (m) | 26.2 | 26.2 |
| Bending pipe number (EA) | 13 | 13 |
| Outlet pressure (bar) | 2.87 | 2.90 |
| Error (%) | 4.27 | |
| Inlet Pressure (3.8 bar) | Horizontal Length of Pipe (m) | Vertical Length of Pipe (m) | Bending Pipe Number (EA) | Total Length (m) | Outlet Pressure (bar) |
|---|---|---|---|---|---|
| Case 1 | 127.94 | 26.17 | 13 | 161.57 | 2.66 |
| Case 2 | 137.94 | 16.17 | 13 | 161.57 | 2.99 |
| Case 3 | 117.94 | 36.17 | 13 | 161.57 | 2.32 |
| Case 4 | 131.67 | 29.9 | 26 | 161.57 | 2.65 |
| Case 5 | 124.21 | 29.90 | 26 | 161.57 | 2.41 |
| Case 6 | 120.48 | 33.63 | 26 | 161.57 | 2.78 |
| Case 7 | 135.40 | 18.71 | 26 | 161.57 | 2.28 |
| Parameter | Value |
|---|---|
| Population size | 2000 |
| Number of generations | 400 |
| Goodness of convergence conditions | Proportion |
| Selection | Roulette |
| Reproduction (crossover ratio) | 0.85 |
| Probability of mutation | 0.01 |
| Crossover | One-point crossover |
| Function tolerance | |
| Constraint tolerance |
| Inlet Pressure (bar) | Outlet Pressure (bar) | |||||
|---|---|---|---|---|---|---|
| Case 1 | N/A | N/A | N/A | N/A | 3.80 | 3.66 |
| Case 2 | N/A | N/A | N/A | N/A | 3.88 | 2.99 |
| Case 3 | 6.00 | 9.00 | 12.00 | 15.00 | 3.80 | 3.33 |
| Case 4 | 5.85 | 12.45 | 16.45 | 18.45 | 3.80 | 3.53 |
Publisher’s Note: MDPI stays neutral with regard to jurisdictional claims in published maps and institutional affiliations. |
© 2020 by the authors. Licensee MDPI, Basel, Switzerland. This article is an open access article distributed under the terms and conditions of the Creative Commons Attribution (CC BY) license (http://creativecommons.org/licenses/by/4.0/).
Share and Cite
Kim, Y.; Lee, K. Pressure Loss Optimization to Reduce Pipeline Clogging in Bulk Transfer System of Offshore Drilling Rig. Appl. Sci. 2020, 10, 7515. https://doi.org/10.3390/app10217515
Kim Y, Lee K. Pressure Loss Optimization to Reduce Pipeline Clogging in Bulk Transfer System of Offshore Drilling Rig. Applied Sciences. 2020; 10(21):7515. https://doi.org/10.3390/app10217515
Chicago/Turabian StyleKim, Yongho, and Kwangkook Lee. 2020. "Pressure Loss Optimization to Reduce Pipeline Clogging in Bulk Transfer System of Offshore Drilling Rig" Applied Sciences 10, no. 21: 7515. https://doi.org/10.3390/app10217515
APA StyleKim, Y., & Lee, K. (2020). Pressure Loss Optimization to Reduce Pipeline Clogging in Bulk Transfer System of Offshore Drilling Rig. Applied Sciences, 10(21), 7515. https://doi.org/10.3390/app10217515







