Active Power Control of PV-Battery Connected MMC-HVDC System for FRT Support
Abstract
Featured Application
Abstract
1. Introduction
- (a)
- Active power curtailment of PV-Battery integrated MMC-HVDC system has not been reported;
- (b)
- Local voltage signal based PV-Battery control for the HVDC link voltage protection has not been addressed;
- (c)
- Detailed model-based complete system with real-time simulation results has not been presented.
2. Modeling and Controller Design
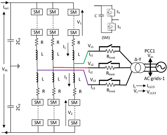
2.1. System Overview
2.2. PV Side Converter Control
2.3. Battery Side Converter Control
2.4. Controller Design of MMC-HVDC System
2.4.1. High-Level Control
2.4.2. Low-Level Control
3. Proposed PV-Battery Based FRT Improvement and Power Levelling Controller
4. Result and Discussion
4.1. MMC-HVDC Voltage Control and Optimum PV Integration
4.2. Active Power Reduction of PV Based Excess Energy Control During Fault at PCC1
4.3. Battery Based Excess Energy Control During Fault at PCC1
4.4. Battery Based Power Levelling During Solar Radiation and Temperature Change
4.4.1. Solar Radiation Change
4.4.2. Temperature Change
4.5. Charging and Discharging of Battery
5. Conclusions
Author Contributions
Funding
Acknowledgments
Conflicts of Interest
Nomenclature
| VSC-PV | Voltage source converter for PV |
| VSC-B | Voltage source converter for Battery |
| PV | Photovoltaic |
| MPPT | Maximum power point tracking |
| PCC | Point of common coupling |
| R, L | Reactor resistance and inductance |
| PCC d-q axis current | |
| PCC angular frequency | |
| VSC terminal d-q axis voltage | |
| PCC d-q axis voltage | |
| C | DC link capacitance |
| DC link current | |
| VDC | DC link voltage |
| PV voltage and current | |
| PV power | |
| SOC | State of charge |
| M | Number of unit |
| PCC1 | Point of common coupling of AC grid 1 |
| R, L | Arm reactor resistance and inductance |
| AC grid angular frequency | |
| 3-phase voltage and current | |
| d-q axis current of | |
| d-q axis voltage of | |
| MMC terminal d-q axis voltage | |
| HVDC link current | |
| VDC | HVDC link voltage |
| DC link pole-to-pole capacitance | |
| N | number of submodules |
| C | Submodule capacitance |
| Negative sequence d-q axis voltage | |
| Negative sequence d-q axis current | |
| SLG | Single line to ground |
| DLG | Double line to ground |
| 3LG | Three line to ground |
| DBR | Dynamic braking resistor |
| FRT | Fault ride through |
Appendix A
| Parameters | Value |
|---|---|
| Photovoltaic Module Data | |
| Cells per module | 36 |
| Short circuit current (A) | 3.35 |
| Open circuit voltage (V) | 21.7 |
| Current at MPP (A) | 3.05 |
| Voltage at MPP (V) | 17.4 |
| Temperature coefficient of Isc (%/degree) | 0.065 |
| Temperature coefficient of Voc (%/degree) | −0.56 |
| Photovoltaic Array Data | |
| Series connected modules per string | 115 |
| Parallel strings | 285 |
| One PV array nominal capacity (MW) | 1.74 |
| Total Number of PV array unit, M | 55 |
| Battery Data | |
| The capacity of a single cell (AH) | 0.85 |
| Number of cells in series in a stack | 250 |
| Number of stacks in parallel | 1090 |
| Controller and VSC Parameters for PV/Battery | |
| Nominal DC-link Voltage (kV) | 2 |
| Rated power (MVA) | 2.2 |
| Resistance (pu) | 0.004 |
| Inductance (pu) | 0.15 |
| PI4 (pu) | |
| PI3 (pu) | |
| PI40 (pu) | |
| PI41 (pu) | |
| PI42 (pu) | |
| Parameters | Value |
|---|---|
| Rated DC link voltage (kV) | 200 |
| Rated power (MW) | 200 |
| Rated frequency (Hz) | 50 |
| Rated voltage(L-L) (kV) | 100 |
| Inductance, L (pu) | 0.2 |
| SM/arm | 200 |
| Resistance, R (pu) | 0.002 |
| Modulation | Nearest level |
| PI4 (pu) | |
| PI6 (pu) | |
| PI7 (pu) | |
| PI8 (pu) |
References
- Khan, S.A.; Hossain, M.I. Intelligent control based maximum power extraction strategy for wind energy conversion systems. In Proceedings of the 2011 24th Canadian Conference on Electrical and Computer Engineering (CCECE), Niagara Falls, ON, Canada, 11 May 2011; pp. 001040–001043. [Google Scholar]
- Hossain, M.I.; Khan, S.A.; Shafiullah, M.; Hossain, M.J. Design and implementation of MPPT controlled grid connected photovoltaic system. In Proceedings of the 2011 IEEE Symposium on Computers & Informatics, Kuala Lump, Malaysia, 20–22 March 2011; pp. 284–289. [Google Scholar]
- IRENA. Renewable Power Generation Costs in 2019; IRENA: Abu Dhabi, UAE, 2019; Available online: https://www.irena.org/publications/2020/Jun/Renewable-Power-Costs-in-2019 (accessed on 15 July 2020).
- Hossain, M.I.; Shafiullah, M.; Abido, M. VSC controllers for multiterminal HVDC transmission system: A comparative study. Arab. J. Sci. Eng. 2020, 45, 1–12. [Google Scholar] [CrossRef]
- Haleem, N.M.; Rajapakse, A.D.; Gole, A.M.; Fernando, I.T. Investigation of fault ride-through capability of hybrid VSC-LCC multi-terminal HVDC transmission systems. IEEE Trans. Power Deliv. 2019, 34, 241–250. [Google Scholar] [CrossRef]
- Alassi, A.; Bañales, S.; Ellabban, O.; Adam, G.; MacIver, C. HVDC transmission: Technology review, market trends and future outlook. Renew. Sustain. Energy Rev. 2019, 112, 530–554. [Google Scholar] [CrossRef]
- Li, Z.; Zhan, R.; Yazhou, L.; He, Y.; Hou, J.; Zhao, X.; Zhang, X.P. Recent developments in HVDC transmission systems to support renewable energy integration. Glob. Energy Interconnect. 2018, 1, 595–607. [Google Scholar]
- Hossain, M.I.; Abido, M.A. SCIG based wind energy integrated multiterminal MMC-HVDC transmission network. Sustainability 2020, 12, 3622. [Google Scholar] [CrossRef]
- Shafiul Alam, M.; Abido, M.A.Y. Fault Ride-through Capability Enhancement of Voltage Source Converter-High Voltage Direct Current Systems with Bridge Type Fault Current Limiters. Energies 2017, 10, 1898. [Google Scholar] [CrossRef]
- Alam, M.; Abido, M.; Hussein, A.; El-Amin, I. Fault ride through capability augmentation of a DFIG-based wind integrated VSC-HVDC system with non-superconducting fault current limiter. Sustainability 2019, 11, 1232. [Google Scholar] [CrossRef]
- Raza, M.; Peñalba, M.A.; Gomis-Bellmunt, O. Short circuit analysis of an offshore AC network having multiple grid forming VSC-HVDC links. Int. J. Electr. Power Energy Syst. 2018, 102, 364–380. [Google Scholar] [CrossRef]
- Cui, S.; Lee, H.-J.; Jung, J.-J.; Lee, Y.; Sul, S.-K. A comprehensive AC-side single-line-to-ground fault ride through strategy of an MMC-based HVDC system. IEEE J. Emerg. Sel. Top. Power Electron. 2018, 6, 1021–1031. [Google Scholar] [CrossRef]
- Xu, L.; Andersen, B.R. Grid connection of large offshore wind farms using HVDC. Wind Energy 2006, 9, 371–382. [Google Scholar] [CrossRef]
- Nanou, S.; Papathanassiou, S. Evaluation of a communication-based fault ride-through scheme for offshore wind farms connected through high-voltage DC links based on voltage source converter. IET Renew. Power Gener. 2015, 9, 882–891. [Google Scholar] [CrossRef]
- Cui, S.; Lee, H.-J.; Jung, J.-J.; Lee, Y.; Sul, S.-K. A comprehensive AC side single line to ground fault ride through strategy of a modular multilevel converter for HVDC system. In Proceedings of the 2015 IEEE Energy Conversion Congress and Exposition (ECCE), Montreal, QC, Canada, 20–24 September 2015; pp. 5378–5385. [Google Scholar]
- Oguma, K.; Akagi, H. Low-voltage-ride-through (LVRT) control of an HVDC transmission system using two modular multilevel DSCC converters. IEEE Trans. Power Electron. 2017, 32, 5931–5942. [Google Scholar] [CrossRef]
- Xu, L.; Yao, L. DC voltage control and power dispatch of a multi-terminal HVDC system for integrating large offshore wind farms. IET Renew. Power Gener. 2011, 5, 223–233. [Google Scholar] [CrossRef]
- Feltes, C.; Wrede, H.; Koch, F.W.; Erlich, I. Enhanced fault ride-through method for wind farms connected to the grid through VSC-based HVDC transmission. IEEE Trans. Power Syst. 2009, 24, 1537–1546. [Google Scholar] [CrossRef]
- Harnefors, L.; Jiang-Häfner, Y.; Hyttinen, M.; Jonsson, T. Ride-through methods for wind farms connected to the grid via a VSC-HVDC transmission. Environ. Sci. 2007. [Google Scholar]
- Ramtharan, G.; Arulampalam, A.; Ekanayake, J.B.; Hughes, F.M.; Jenkins, N. Fault ride through of fully rated converter wind turbines with AC and DC transmission systems. IET Renew. Power Gener. 2009, 3, 426–438. [Google Scholar] [CrossRef]
- Olowookere, O.; Skarvelis-Kazakos, S.; Habtay, Y.; Woodhead, S. AC fault ride through of modular multilevel converter VSC-HVDC transmission systems. In Proceedings of the 2015 50th International Universities Power Engineering Conference (UPEC); Stoke-on-Trent, UK, 1–4 September 2015, IEEE: Piscataway, NJ, USA, 2015; pp. 1–6. [Google Scholar]
- Chaudhary, S.K.; Teodorescu, R.; Rodriguez, P.; Kjær, P.C. Chopper controlled resistors in VSC-HVDC transmission for WPP with full-scale converters. In Proceedings of the 1st IEEE-PES/IAS Conference on Sustainable Alternative Energy, SAE 2009, Valencia, Spain, 28–30 September 2009; IEEE: Piscataway, NJ, USA, 2009. [Google Scholar]
- Jiancheng, T.; Haili, G.; Guangzong, C. LVRT control strategy of VSC-HVDC connected large PV plant. In Proceedings of the 2017 China International Electrical and Energy Conference: CIEEC 2017; Beijing, China, 25–27 October 2018, IEEE: Piscataway, NJ, USA, 2017; pp. 504–509. [Google Scholar]
- Neely, J.; Johnson, J.; Delhotal, J.; Gonzalez, S.; Lave, M. Evaluation of PV frequency-watt function for fast frequency reserves. In Proceedings of the Conference Proceedings—IEEE Applied Power Electronics Conference and Exposition—APEC, Long Beach, CA, USA, 12 May 2016; pp. 1926–1933. [Google Scholar]
- Roy, T.K.; Mahmud, M.A. Active power control of three-phase grid-connected solar PV systems using a robust nonlinear adaptive backstepping approach. Sol. Energy 2017, 153, 64–76. [Google Scholar] [CrossRef]
- Rodriguez, P.; Timbus, A.V.; Teodorescu, R.; Liserre, M.; Blaabjerg, F. Flexible active power control of distributed power generation systems during grid faults. IEEE Trans. Ind. Electron. 2007, 54, 2583–2592. [Google Scholar] [CrossRef]
- Datta, M.; Senjyu, T.; Yona, A.; Funabashi, T.; Kim, C.H. A frequency-control approach by photovoltaic generator in a PV-diesel hybrid power system. IEEE Trans. Energy Convers. 2011, 26, 559–571. [Google Scholar] [CrossRef]
- Craciun, B.I.; Kerekes, T.; Sera, D.; Teodorescu, R. Frequency support functions in large PV power plants with active power reserves. IEEE J. Emerg. Sel. Top. Power Electron. 2014, 2, 849–858. [Google Scholar] [CrossRef]
- Hoke, A.F.; Shirazi, M.; Chakraborty, S.; Muljadi, E.; Maksimovic, D. Rapid active power control of photovoltaic systems for grid frequency support. IEEE J. Emerg. Sel. Top. Power Electron. 2017, 5, 1154–1163. [Google Scholar] [CrossRef]
- Shi, H.; Zhuo, F.; Yi, H.; Wang, F.; Zhang, D.; Geng, Z. A novel real-time voltage and frequency compensation strategy for photovoltaic-based microgrid. IEEE Trans. Ind. Electron. 2015, 62, 3545–3556. [Google Scholar] [CrossRef]
- Gevorgian, V.; O’Neill, B. Advanced Grid-Friendly Controls Demonstration Project for Utility-Scale PV Power Plants; National Renewable Energy Laboratory: Golden, CO, USA, 2016; p. 102. [Google Scholar]
- Daoud, M.I.; Massoud, A.M.; Abdel-Khalik, A.S.; Elserougi, A.; Ahmed, S. A flywheel energy storage system for fault ride through support of grid-connected VSC HVDC-based offshore wind farms. IEEE Trans. Power Syst. 2016, 31, 1671–1680. [Google Scholar] [CrossRef]
- Daoud, M.I.; Massoud, A.; Ahmed, S.; Abdel-Khalik, A.S.; Elserougi, A. Ride-through capability enhancement of VSC-HVDC based wind farms using low speed flywheel energy storage system. In Proceedings of the Conference Proceedings—IEEE Applied Power Electronics Conference and Exposition—APEC, Fort Worth, TX, USA, 16–20 March 2014; pp. 2706–2712. [Google Scholar]
- Ahmed, K.H.; Abdel-Khalik, A.S.; Elserougi, A.; Massoud, A.; Ahmed, S. Fault ride-through capability enhancement based on flywheel energy storage system for wind farms connected via VSC high voltage DC transmission. In Proceedings of the IET Conference Publications, Birmingham, UK, 4–5 December 2012; Volume 2012. no. 610 CP. [Google Scholar]
- Ribeiro, P.F.; Johnson, B.K.; Crow, M.L.; Arsoy, A.; Liu, Y. Energy storage systems for advances power applications. Proc. IEEE 2001, 89, 1744–1756. [Google Scholar] [CrossRef]
- Chen, Z.; Zou, X.; Duan, S.; Wei, H. Power conditioning system of flywheel energy storage. In Proceedings of the 8th International conference on power electronics–ECCE Asia: Green world with power electronics, ICPE 2011-ECCE Asia, Jeju, South Korea, 30 May–3 June 2011; pp. 2763–2768. [Google Scholar]
- Battery Storage for Renewables: Market Status and Technology Outlook. Available online: https://www.irena.org/publications/2015/Jan/Battery-Storage-for-Renewables-Market-Status-and-Technology-Outlook (accessed on 15 July 2020).
- Beza, M.; Bongiorno, M. Identification of resonance interactions in offshore-wind farms connected to the main grid by MMC-based HVDC system. Int. J. Electr. Power Energy Syst. 2019, 111, 101–113. [Google Scholar] [CrossRef]
- Jing, Y.; Li, R.; Xu, L.; Wang, Y. Enhanced AC voltage and frequency control on offshore MMC station for wind farm. J. Eng. 2017, 2017, 1264–1268. [Google Scholar] [CrossRef]
- Manmohan, A.; Prasad, A.; Dharavath, R.; Karthikeyan, S.P.; Raglend, I.J. Up and down conversion of photons with modified perturb and observe MPPT technique for efficient solar energy generation. Energy Procedia 2017, 117, 786–793. [Google Scholar] [CrossRef]
- Balato, M.; Costanzo, L.; Lo Schiavo, A.; Vitelli, M. Optimization of both perturb & observe and open circuit voltage MPPT techniques for resonant piezoelectric vibration harvesters feeding bridge rectifiers. Sens. Actuators A Phys. 2018, 278, 85–97. [Google Scholar]
- Abdel-Salam, M.; El-Mohandes, M.-T.M.; Goda, M. An improved perturb-and-observe based MPPT method for PV systems under varying irradiation levels. Sol. Energy 2018, 171, 547–561. [Google Scholar] [CrossRef]
- Ishaque, K.; Salam, Z.; Lauss, G. The performance of perturb and observe and incremental conductance maximum power point tracking method under dynamic weather conditions. Appl. Energy. 2014, 119, 228–236. [Google Scholar] [CrossRef]
- Putri, R.I.; Wibowo, S.; Rifa’i, M. Maximum power point tracking for photovoltaic using incremental conductance method. Energy Procedia. 2015, 68, 22–30. [Google Scholar] [CrossRef]
- Sitbon, M.; Lineykin, S.; Schacham, S.; Suntio, T.; Kuperman, A. Online dynamic conductance estimation based maximum power point tracking of photovoltaic generators. Energy Convers. Manag. 2018, 166, 687–696. [Google Scholar] [CrossRef]
- Yazdani, A.; Iravani, R. Voltage-Sourced Converters in Power Systems: Modeling, Control, and Applications; IEEE Press/John Wiley: Hoboken, NJ, USA, 2010. [Google Scholar]
- Martinez-Rodrigo, F.; Ramirez, D.; Rey-Boue, A.B.; De Pablo, S.; Herrero-De Lucas, L.C. Modular Multilevel Converters: Control. and Applications. In Energies; 2017; Volume 10. [Google Scholar] [CrossRef]

































Publisher’s Note: MDPI stays neutral with regard to jurisdictional claims in published maps and institutional affiliations. |
© 2020 by the authors. Licensee MDPI, Basel, Switzerland. This article is an open access article distributed under the terms and conditions of the Creative Commons Attribution (CC BY) license (http://creativecommons.org/licenses/by/4.0/).
Share and Cite
Hossain, M.I.; Abido, M.A. Active Power Control of PV-Battery Connected MMC-HVDC System for FRT Support. Appl. Sci. 2020, 10, 7186. https://doi.org/10.3390/app10207186
Hossain MI, Abido MA. Active Power Control of PV-Battery Connected MMC-HVDC System for FRT Support. Applied Sciences. 2020; 10(20):7186. https://doi.org/10.3390/app10207186
Chicago/Turabian StyleHossain, Md Ismail, and Mohammad A. Abido. 2020. "Active Power Control of PV-Battery Connected MMC-HVDC System for FRT Support" Applied Sciences 10, no. 20: 7186. https://doi.org/10.3390/app10207186
APA StyleHossain, M. I., & Abido, M. A. (2020). Active Power Control of PV-Battery Connected MMC-HVDC System for FRT Support. Applied Sciences, 10(20), 7186. https://doi.org/10.3390/app10207186

