Continuous Casting Preparation Process of Helical Fiber-Reinforced Metal Matrix Composites
Abstract
1. Introduction
2. Experimental Section
2.1. Design and Manufacturing of Experimental Equipment
2.2. Material
2.3. Process Parameters
2.4. Testing
2.4.1. The Shape of Helical Carbon Fiber in Composites
2.4.2. Interface and Mechanical Property of Helical Carbon Fiber-Reinforced Aluminum Composites
3. Model
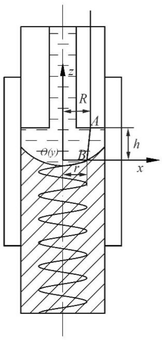
3.1. Coordinate System
3.2. Basic Assumptions
3.3. The Formation Processing of Helical Fiber
3.3.1. Initial State
3.3.2. Transition State
3.3.3. Stable State
3.4. The Angle Difference between Point A and Point B
4. Results and Discussion
4.1. Shape Stability of Helical Carbon Fiber in Lead Matrix
4.2. Influence of Process Parameters on the Shape of Helical Carbon Fiber in Lead Matrix
4.2.1. Melting Temperature
4.2.2. Cooling Intensity
4.2.3. Carbon Fiber Rotation Speed
4.3. Prediction of the Helical Fiber Shape
4.4. Helical Carbon Fiber-Reinforced Aluminum Matrix Composites
4.4.1. The Shape of Helical Carbon Fiber
4.4.2. Interface of Carbon Fiber and Aluminum Matrix
4.4.3. Mechanical Properties
5. Conclusions
- (1)
- The helical carbon fiber-reinforced lead matrix composites were prepared by a novel process. The helical shape carbon fiber is distributed in the lead base stable and uniform.
- (2)
- The model between the shape parameter of helical fiber in the metal matrix and the process parameters are described by a differential geometry method, shown in the following equation:
- (3)
- The helical carbon fiber-reinforced aluminum matrix composite has higher strength and elongation than pure aluminum. When the volume fraction of carbon fiber in the composite is 0.3%, the strength of the composite is increased by 7.5%, and the elongation is increased by 15.6%.
- (4)
- In the process of tensile test, the shape of the helical carbon fiber changes with aluminum matrix deformation, which improves the tensile strength of the composites. The helical fiber hindered the crack propagation, changed the crack propagation direction, increased the fracture energy, and improved the elongation of the composite. Therefore, the addition of such helical fibers can be used as a means of increasing the strength and toughness of the metal matrix.
Author Contributions
Funding
Data Availability Statement
Conflicts of Interest
References
- Sharma, D.K.; Mahant, D.; Upadhyay, G. Manufacturing of metal matrix composites: A state of review. Mater. Today Proc. 2020, 26, 506–519. [Google Scholar] [CrossRef]
- Shirvanimoghaddam, K.; Hamim, S.U.; Karbalaei Akbari, M.; Fakhrhoseini, S.M.; Khayyam, H.; Pakseresht, A.H.; Ghasali, E.; Zabet, M.; Munir, K.S.; Jia, S.; et al. Carbon fiber reinforced metal matrix composites: Fabrication processes and properties. Compos. Part A Appl. Sci. Manuf. 2017, 92, 70–96. [Google Scholar] [CrossRef]
- Daoud, A. Microstructure and tensile properties of 2014 Al alloy reinforced with continuous carbon fibers manufactured by gas pressure infiltration. Mater. Sci. Eng. A 2005, 391, 114–120. [Google Scholar] [CrossRef]
- Yang, Q.; Liu, J.; Li, S.; Wang, F.; Wu, T. Fabrication and mechanical properties of Cu-coated woven carbon fibers reinforced aluminum alloy composite. Mater. Des. 2014, 57, 442–448. [Google Scholar] [CrossRef]
- Rong, X.; Zhao, D.; He, C.; Zhao, N. Review: Recent progress in aluminum matrix composites reinforced by in situ oxide ceramics. J. Mater. Sci. 2024, 59, 9657–9684. [Google Scholar] [CrossRef]
- Kumar, A.; Singh, V.P.; Singh, R.C.; Chaudhary, R.; Kumar, D.; Mourad, A.-H.I. A review of aluminum metal matrix composites: Fabrication route, reinforcements, microstructural, mechanical, and corrosion properties. J. Mater. Sci. 2024, 59, 2644–2711. [Google Scholar] [CrossRef]
- Li, S.; Fu, S.; Zhou, B.; Zeng, Q. Bamboo—A natural bio-composite research. J. Mater. Res. 1994, 8, 188–192. [Google Scholar]
- Li, S.; Zhou, B.; Zhen, Z.; Zeng, Q. A biomimetic composite model at the mesoscale. Adv. Mater. Sci. 1991, 5, 543–547. [Google Scholar]
- Meyers, M.A.; Chen, P.Y.; Lin, A.Y.M.; Seki, Y. Biological materials: Structure and mechanical properties. Prog. Mater. Sci. 2008, 53, 1–206. [Google Scholar] [CrossRef]
- Shao, Y.; Zhao, H.P.; Feng, X.Q.; Gao, H. Discontinuous crack-bridging model for fracture toughness analysis of nacre. J. Mech. Phys. Solids 2012, 60, 1400–1419. [Google Scholar] [CrossRef]
- Ji, B.; Gao, H. Mechanical principles of biological nanocomposites. Annu. Rev. Mater. Res. 2010, 40, 77–100. [Google Scholar] [CrossRef]
- Reese, S.P.; Maas, S.A.; Weiss, J.A. Micromechanical models of helical superstructures in ligament and tendon fibers predict large Poisson’s ratios. J. Biomech. 2010, 43, 1394–1400. [Google Scholar] [CrossRef] [PubMed]
- Grason, G.M. Braided bundles and compact coils: The structure and thermodynamics of hexagonally packed chiral filament assemblies. Phys. Rev. E 2009, 79, 041919. [Google Scholar] [CrossRef] [PubMed]
- Li, L.; Weaver, J.C.; Ortiz, C. Hierarchical structural design for fracture resistance in the shell of the pteropod Clio pyramidata. Nat. Commun. 2015, 6, 6216. [Google Scholar] [CrossRef] [PubMed]
- Zhao, Z.; Li, B.; Feng, X. Handedness-dependent hyperelasticity of biological soft fibers with multilayered helical structures. Int. J. Non-Linear Mech. 2016, 81, 19–29. [Google Scholar] [CrossRef]
- Li, S.; Zhang, R.; Fu, S.; Chen, X.; Zhou, B. A Biomimetic Model of Fiber-reinforced Composite Materials. J. Mater. Sci. Technol. 1994, 10, 34–38. [Google Scholar]
- Li, S.; Fu, S.; Zhou, B.; Zeng, Q. Experimental investigation of biomimetic double-helical reinforcing elements. J. Mater. Sci. Lett. 1995, 14, 769–772. [Google Scholar] [CrossRef]
- Kagawa, Y.; Nakata, E.; Yoshida, S. Fracture Toughness of Helical Fiber Reinforced Cu/W Composites. J. Japan Inst. Met. 1983, 47, 760–767. [Google Scholar] [CrossRef]
- Wang, L.; Cui, Y.; Qin, Q.; Wang, H.; Wang, J. Helical Fiber Pull-out in Biological Materials. Acta Mech. Solida Sin. 2016, 29, 243–255. [Google Scholar] [CrossRef]
- Wang, L.; Yuan, L.; Wang, L.; Cui, Y.; Qin, Q. Numerical Study on Helical Fiber Fragmentation in Chiral Biological Materials. Trans. Tianjin Univ. 2018, 24, 51–58. [Google Scholar] [CrossRef]
- Liu, S.; Chen, Y.; Zhu, Z.; Ren, E.; Wang, J.; Wang, Y.; Qin, J.; Cheng, P. Bioinspired helical fiber/elastomer composites with high strength. Polymer 2024, 302, 127072. [Google Scholar] [CrossRef]
- Chang, X.; Xu, Q.; Lv, J.; Xu, L.; Zhu, Z.; Liu, S.; Liu, X.; Qin, J. Bioinspired 3D helical fibers toughened thermosetting composites. Compos. Part B Eng. 2021, 216, 108855. [Google Scholar] [CrossRef]
- Liang, J.; Wu, C.; Zhao, Z.; Tang, W. Forming Process and Simulation Analysis of Helical Carbon Fiber Reinforced Aluminum Matrix Composite. Metals 2021, 11, 2024. [Google Scholar] [CrossRef]
- Slepyan, L.I.; Krylov, V.I.; Parnes, R. Helical inclusion in an elastic matrix. J. Mech. Phys. Solids 2000, 48, 827–865. [Google Scholar] [CrossRef]
- Gao, Y.; Li, B.; Wang, J.; Feng, X.-Q. Fracture toughness analysis of helical fiber reinforced biocomposites. J. Mech. Phys. Solids 2021, 146, 104206. [Google Scholar] [CrossRef]
- GB/T228.1-2021; Metallic Materials-Tensile Testing-Part 1: Method of Test at Room Temperature. Standardization Administration of the People’s Republic of China: Beijing, China, 2021.





















| Fiber Diameter | Strength (GPa) | Modulus (GPa) | Elongation (%) | Density ) |
|---|---|---|---|---|
| 7 | 3.5 | 230 | 1.5 | 1.78 |
| Parameters | Range | |
|---|---|---|
| Lead Matrix | Aluminum Matrix | |
| Carbon fiber rotation speed | 0.67, 1.33 | 0.67 |
| Carbon rotation radius | 7.0 | 7.0 |
| Melt temperature | 490, 500, 510, 520 | 780 |
| Cooling intensity | 350, 450 | 450 |
| Continuous casting speed | 5.5 | 5.5 |
Disclaimer/Publisher’s Note: The statements, opinions and data contained in all publications are solely those of the individual author(s) and contributor(s) and not of MDPI and/or the editor(s). MDPI and/or the editor(s) disclaim responsibility for any injury to people or property resulting from any ideas, methods, instructions or products referred to in the content. |
© 2024 by the authors. Licensee MDPI, Basel, Switzerland. This article is an open access article distributed under the terms and conditions of the Creative Commons Attribution (CC BY) license (https://creativecommons.org/licenses/by/4.0/).
Share and Cite
Yang, H.; Chang, M.; Wu, C. Continuous Casting Preparation Process of Helical Fiber-Reinforced Metal Matrix Composites. Metals 2024, 14, 832. https://doi.org/10.3390/met14070832
Yang H, Chang M, Wu C. Continuous Casting Preparation Process of Helical Fiber-Reinforced Metal Matrix Composites. Metals. 2024; 14(7):832. https://doi.org/10.3390/met14070832
Chicago/Turabian StyleYang, Hui, Ming Chang, and Chunjing Wu. 2024. "Continuous Casting Preparation Process of Helical Fiber-Reinforced Metal Matrix Composites" Metals 14, no. 7: 832. https://doi.org/10.3390/met14070832
APA StyleYang, H., Chang, M., & Wu, C. (2024). Continuous Casting Preparation Process of Helical Fiber-Reinforced Metal Matrix Composites. Metals, 14(7), 832. https://doi.org/10.3390/met14070832

