Study on Ductility Failure of Advanced High Strength Dual Phase Steel DP590 during Warm Forming Based on Extended GTN Model
Abstract
:1. Introduction
2. Experiments
2.1. Material
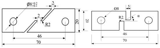
2.2. Tensile Shear Test
3. Constitutive Model
3.1. GTN Damage Model
3.2. Extended GTN Model
4. Parameters Calibration
4.1. The Yield Surface Coefficients
4.2. Nucleation Rate Function Parameters and Void Nucleation Parameters
4.3. Shear Damage Parameters
5. Verification and Discussion
5.1. Finite Element Model
5.2. Numerical Simulation Results
5.3. Result Analysis
6. Conclusions
- Uniaxial tensile tests are carried out on plane specimens of DP590 dual phase steel at different temperatures and the central composite design (CCD)—response surface method (RSM)—genetic algorithm (GA) method was used to back correct the elasticplastic mechanical parameters and extended GTN damage parameters at different temperatures. By comparing the load–displacement curves of test and numerical simulation, the calibrated damage parameters are found to be accurate, and was found that the damage parameter f0 of the extended GTN model changes little with temperature at different temperatures. At higher temperature, the critical void volume integral fc and fracture void volume fraction ff increase due to the good recovery and recrystallization ability of the material. At the same time, due to the reduction of internal defects, the nucleation volume fraction fn of the cavity reduced.
- Combined with test results, we simulated and analyzed the shear parts with different angles at different temperatures. For specimens with the same temperature and different angles, with the increase of stress triaxiality, the influence of void volume damage on material damage is greater. Moreover, under the same stress triaxiality, when the formability of DP590 increases, the void volume damage will gradually dominate.
- Using a function based on stress triaxiality to modify the total damage D, by extracting the load–displacement curves of tensile shear numerical simulation at different temperatures and angles, the maximum error is 4.75%, which shows that the correction of this function is accurate. A competitive failure equation was presented to judge the critical damage of materials. Through tensile bending test and numerical simulation, we find that the fracture form and fracture position are consistent, which shows that the competitive failure equation is effective. Experiment and simulation show that the extended GTN model can be applied to the study of ductile fracture of DP590 under warm forming, and can obtain accurate ductile fracture prediction.
Author Contributions
Funding
Institutional Review Board Statement
Informed Consent Statement
Data Availability Statement
Conflicts of Interest
References
- Lemaitre, J. A Continuous Damage Mechanics Model for Ductile Fracture. J. Eng. Mater. Technol. 1985, 107, 83–89. [Google Scholar] [CrossRef]
- MashayeKhi, M.; Torabian, N.; Poursina, M. Continuum damage mechanics analysis of strip tearing in a tandem cold rolling process. Simul. Model. Pract. Theory 2011, 19, 612–625. [Google Scholar] [CrossRef]
- Mcclintock, F.A. Erratum: A Criterion for Ductile Fracture by the Growth of Holes. J. Appl. Mech. 1968, 35, 363–371. [Google Scholar] [CrossRef]
- Rice, J.R.; Tracey, D.M. On the ductile enlargement of voids in triaxial stress fields. J. Mech. Phys. Solids 1969, 17, 201–217. [Google Scholar] [CrossRef] [Green Version]
- Gurson, A.L. Continuum theory of ductile rupture by void nucleation and growth: Part I dash yield criteria and flow rules for porous ductile media. J. Eng. Mater. Technol. Trans. ASME 1977, 99, 2–15. [Google Scholar] [CrossRef]
- Tvergaard, V.; NEe Dleman, A. Analysis of the cupcone fracture in a round tensile bar. Acta Metall. 1984, 32, 157–169. [Google Scholar] [CrossRef]
- Nahshon, K.; Hutchinson, J.W. Modification of the Gurson Model for shear failure. Eur. J. Mech. 2008, 27, 1–17. [Google Scholar] [CrossRef]
- Wei, J.; Li, Y.; Jie, S. Modified GTN model for a broad range of stress states and application to ductile fracture. Eur. J. Mech.—A/Solids 2016, 57, 132–148. [Google Scholar]
- Liang, X. Damage accumulation and fracture initiation in uncracked ductile solids subject to triaxial loading. Int. J. Solids Struct. 2007, 44, 5163–5181. [Google Scholar]
- Ying, L. On the numerical implementation of a shear modified GTN damage model and its application to small punch test. Int. J. Mater. Form. Off. J. Eur. Sci. Assoc. Mater. Form. Esaform 2018, 11, 527–539. [Google Scholar] [CrossRef]
- He, W.; Xu, W.; Shan, D. An extended GTN model for low stress triaxiality and application in spinning forming. J. Mater. Process. Technol. 2018, 263, 112–128. [Google Scholar]
- Zao, H.A.; Hao, Z.; Yh, A. An improved shear modified GTN model for ductile fracture of aluminium alloys under different stress states and its parameters identification—ScienceDirect. Int. J. Mech. Sci. 2018, 192, 106081. [Google Scholar]
- Gatea, S.; Xu, D.; Ou, H. Evaluation of formability and fracture of pure titanium in incremental sheet forming. Int. J. Adv. Manuf. Technol. 2018, 95, 625–641. [Google Scholar] [CrossRef] [Green Version]
- Liu, J.; Shen, Y.; Zhao, X. Simulation of fracture of a tubular Xjoint using a shearmodified GursonTvergaardNeedleman model. Thin-Walled Struct. 2018, 132, 120–135. [Google Scholar]
- Sun, Q.; Lu, Y.; Chen, J. Identification of material parameters of a shear modified GTN damage model by small punch test. Int. J. Fract. 2020, 222, 25–35. [Google Scholar] [CrossRef]
- Li, X.; Chen, Z.; Dong, C. Size effect on the damage evolution of a modified GTN model under high/low stress triaxiality in mesoscaled plastic deformation. Mater. Today Commun. 2020, 26, 101782. [Google Scholar] [CrossRef]
- Wu, P. Numerical Study about the Influence of Superimposed Hydrostatic Pressure on Shear Damage Mechanism in Sheet Metals. Metals 2021, 11, 1193. [Google Scholar]
- Zhou, J.; Gao, X.; SobotKa, J.C. On the extension of the Gursontype porous plasticity models for prediction of ductile fracture under sheardominated conditions. Int. J. Solids Struct. 2014, 51, 3273–3291. [Google Scholar] [CrossRef] [Green Version]
- Lemaitre, J. A Course on Damage Mechanics; Springer: Berlin/Heidelberg, Germany, 1996. [Google Scholar]
- Yao, D.; Cai, L.; Bao, C. A new fracture criterion for ductile materials based on a finite element aided testing method. Mater. Sci. Eng. A 2016, 673, 633–647. [Google Scholar] [CrossRef]
- Churyumova, T.A. United Approach to Modelling of the Hot Deformation Behavior, Fracture, and Microstructure Evolution of Austenitic Stainless AISI 316Ti Steel. Appl. Sci. 2021, 11, 3204. [Google Scholar] [CrossRef]
- Aldakheel, F.; Wriggers, P.; Miehe, C. A modified Gursontype plasticity model at finite strains: Formulation, numerical analysis and phasefield coupling. Comput. Mech. 2018, 62, 815–833. [Google Scholar] [CrossRef]
- Sun, C.; Li, D.; Zhao, L. Meso damage parameter calibration method based on power exponent hardening model. J. Henan Univ. Sci. Technol. (Nat. Sci. Ed.) 2016, 37, 7–10. (In Chinese) [Google Scholar]
- Schmitt, W.; Sun, D.Z.; Blauel, J.G. Damage mechanics analysis (gurson model) and experimental verification of the behaviour of a crack in a weldcladded component. Nucl. Eng. Des. 1997, 174, 237–246. [Google Scholar] [CrossRef]
- Hambli, R. Comparison between lemaitre and gurson damage models in crack growth simulation during blanKing process. Int. J. Mech. Sci. 2001, 43, 2769–2790. [Google Scholar] [CrossRef]
- Achouri, M.; Germain, G.; Santo, P.D.; Saidane, D. Numerical integration of an advanced gurson model for shear loading: Application to the blanKing process. Comput. Mater. Sci. 2013, 72, 62–67. [Google Scholar] [CrossRef] [Green Version]
- Springmann, M.; Kuna, M. Identification of material parameters of the gursontvergaardneedleman model by combined experimental and numerical techniques. Comput. Mater. Sci. 2005, 33, 500. [Google Scholar] [CrossRef]
- Kiran, R.; Khandelwal, K. Gurson model parameters for ductile fracture simulation in ASTM A992 steels. Fatigue Fract. Eng. Mater. Struct. 2014, 37, 171–183. [Google Scholar] [CrossRef]
- Kami, A.; Dariani, B.M.; Vanini, A.S.; Comsa, D.S.; Banabic, D. Numerical determination of the forming limit curves of anisotropic sheet metals using GTN damage model. J. Mater. Process. Technol. 2014, 216, 472–483. [Google Scholar] [CrossRef]
- Lemiale, V.; Chambert, J.; Picart, P. Description of numerical techniques with the aim of predicting the sheet metal blanking process by FEM simulation. J. Mater. Process. Technol. 2009, 209, 2723–2734. [Google Scholar] [CrossRef]
- Achouri, M.; Germain, G.; Dal Santo, P.; Saidane, D. Experimental and numerical analysis of micromechanical damage in the punching process for High-Strength Low-Alloy steels. Mater. Des. 2014, 56, 657–670. [Google Scholar] [CrossRef] [Green Version]
- Zhao, P.J.; Chen, Z.H.; Dong, C.F. Experimental and numerical analysis of micromechanical damage for DP600 steel in fineblanking process. J. Mater. Process. Technol. 2016, 236, 16–25. [Google Scholar] [CrossRef]
- Liu, W. Research on Damage Evolution, Mechanical Behavior and Formability Prediction of Warm Stamping. Ph.D. Thesis, Dalian University of Technology, Dalian, China, 2018. (In Chinese). [Google Scholar]
- Ying, L.; Liu, W.; Wang, D.; Hu, P. Parameter Calibration of GTN Damage Model and Formability Analysis of 22MnB5 in Hot Forming Process. J. Mater. Eng. Perform. 2017, 26, 5155–5165. [Google Scholar] [CrossRef]
- Wang, L.Y.; Li, L. Parameter Identification of GTN Model Using Response Surface Methodology for HighStrength Steel BR1500HS. J. Mater. Eng. Perform. 2017, 26, 3831–3838. [Google Scholar] [CrossRef]
- More, S.; Kumar, A.; Narasimhan, K. Parameter identification of GTN damage model using response surface methodology for single point incremental sheet forming of IF steel. Adv. Mater. Process. Technol. 2021, 12, 1–16. [Google Scholar] [CrossRef]























| C | Si | Mn | P | S | Al |
|---|---|---|---|---|---|
| 0.08 | 0.46 | 1.75 | 0.014 | 0.004 | 0.032 |
| Temperature (K) | E (Mpa) | v | K (Mpa) | n |
|---|---|---|---|---|
| 293 | 215,000 | 0.3 | 1145 | 0.198 |
| 373 | 212,000 | 0.3 | 971 | 0.137 |
| 473 | 198,000 | 0.3 | 1064 | 0.129 |
| 573 | 182,000 | 0.3 | 1112 | 0.149 |
| 673 | 176,000 | 0.3 | 654 | 0.06 |
| 773 | 165,000 | 0.3 | 366 | 0.063 |
| Temperature (K) | |
|---|---|
| 293 | 0.3 |
| 373 | 0.289 |
| 473 | 0.275 |
| 573 | 0.271 |
| 673 | 0.36 |
| 773 | 0.45 |
| Damage Parameters | Low Level | High Level | Intermediate Level |
|---|---|---|---|
| 0.001 | 0.0028 | 0.0019 | |
| 0.018 | 0.039 | 0.00285 | |
| 0.023 | 0.041 | 0.032 | |
| 0.12 | 0.22 | 0.17 |
| 0.018 | 0.001 | 0.041 | 0.12 | 5.85 | 7015.38 | 10.53 | 4853.26 |
| 0.018 | 0.0028 | 0.041 | 0.12 | 5.85 | 6999.51 | 10.26 | 4500.2 |
| 0.0075 | 0.0019 | 0.032 | 0.17 | 5.40 | 7003.7 | 11.43 | 4561 |
| 0.039 | 0.001 | 0.023 | 0.12 | 5.386 | 7013.54 | 8.19 | 5957.3 |
| 0.039 | 0.0028 | 0.023 | 0.22 | 5.85 | 6994.29 | 8.1 | 5956.5 |
| 0.039 | 0.001 | 0.041 | 0.22 | 5.490 | 7008.04 | 8.729 | 5692 |
| 0.039 | 0.001 | 0.023 | 0.22 | 5.2198 | 7007.12 | 8.189 | 5928.15 |
| 0.0285 | 0.0019 | 0.032 | 0.17 | 5.670 | 7001.69 | 8.81 | 5817 |
| 0.018 | 0.001 | 0.023 | 0.12 | 5.7598 | 7011.8 | 9.71 | 5089.2 |
| 0.0495 | 0.0019 | 0.032 | 0.17 | 5.220 | 6998.54 | 8.11 | 5762.78 |
| 0.018 | 0.001 | 0.023 | 0.22 | 5.7598 | 7011.8 | 9.8 | 4472.6 |
| 0.018 | 0.0028 | 0.023 | 0.22 | 5.5801 | 6996.77 | 9.18 | 5595.14 |
| 0.0285 | 0.0019 | 0.032 | 0.17 | 5.670 | 7001.69 | 8.81 | 5817 |
| 0.018 | 0.0028 | 0.023 | 0.12 | 5.5801 | 6996.77 | 9.26 | 5387.09 |
| 0.039 | 0.0028 | 0.023 | 0.12 | 5.490 | 6992.41 | 8.1 | 5895.69 |
| 0.0285 | 0.0019 | 0.032 | 0.07 | 5.670 | 7001.69 | 8.999 | 5374.74 |
| 0.0285 | 0.0001 | 0.032 | 0.17 | 5.400 | 7017.38 | 9.18 | 5303.39 |
| 0.0285 | 0.0019 | 0.032 | 0.17 | 5.670 | 7001.69 | 8.9 | 5652.21 |
| 0.0285 | 0.0019 | 0.014 | 0.17 | 5.822 | 7001.22 | 8.18 | 5869.5 |
| 0.039 | 0.0028 | 0.041 | 0.22 | 5.826 | 6993 | 8.37 | 5885.26 |
| 0.0285 | 0.0019 | 0.032 | 0.17 | 5.670 | 7001.69 | 9.025 | 5152.32 |
| 0.0285 | 0.0019 | 0.032 | 0.27 | 5.736 | 7001.25 | 9.222 | 4836.23 |
| 0.0285 | 0.0019 | 0.05 | 0.17 | 6.321 | 6998.23 | 9.72 | 4936.23 |
| 0.0285 | 0.0037 | 0.032 | 0.17 | 5.825 | 6989.23 | 8.92 | 5423.62 |
| 0.018 | 0.0028 | 0.041 | 0.22 | 5.8802 | 6996.77 | 10.34 | 4422.26 |
| 0.039 | 0.001 | 0.041 | 0.12 | 5.490 | 7008.04 | 8.4598 | 6125 |
| 0.039 | 0.0028 | 0.041 | 0.12 | 5.7762 | 6992.41 | 8.64 | 5296.56 |
| 0.018 | 0.001 | 0.041 | 0.22 | 5.825 | 7011.8 | 10.169 | 4255.11 |
| Response | ||||
|---|---|---|---|---|
| Model p value | <0.0001 | <0.0001 | <0.0001 | 0.0002 |
| % | 93.27 | 96.85 | 98.27 | 90.52 |
| Temperature | ||||
|---|---|---|---|---|
| 293 | 0.016 | 0.0002 | 0.045 | 0.136 |
| 373 | 0.0195 | 0.0004 | 0.0395 | 0.128 |
| 473 | 0.021 | 0.00092 | 0.037 | 0.126 |
| 573 | 0.032 | 0.0012 | 0.03 | 0.123 |
| 673 | 0.029 | 0.00132 | 0.043 | 0.158 |
| 773 | 0.012 | 0.00138 | 0.056 | 0.172 |
| Angle | Stress Triaxiality | Shear Damage |
|---|---|---|
| 0 | 0.0025 | 0.947 |
| 15 | 0.133 | 0.586 |
| 30 | 0.234 | 0.492 |
| 45 | 0.282 | 0.350 |
| 60 | 0.306 | 0.0786 |
Publisher’s Note: MDPI stays neutral with regard to jurisdictional claims in published maps and institutional affiliations. |
© 2022 by the authors. Licensee MDPI, Basel, Switzerland. This article is an open access article distributed under the terms and conditions of the Creative Commons Attribution (CC BY) license (https://creativecommons.org/licenses/by/4.0/).
Share and Cite
Liu, X.; Li, D.; Song, H.; Lu, Z.; Cui, H.; Jiang, N.; Xu, J. Study on Ductility Failure of Advanced High Strength Dual Phase Steel DP590 during Warm Forming Based on Extended GTN Model. Metals 2022, 12, 1125. https://doi.org/10.3390/met12071125
Liu X, Li D, Song H, Lu Z, Cui H, Jiang N, Xu J. Study on Ductility Failure of Advanced High Strength Dual Phase Steel DP590 during Warm Forming Based on Extended GTN Model. Metals. 2022; 12(7):1125. https://doi.org/10.3390/met12071125
Chicago/Turabian StyleLiu, Xingfeng, Di Li, Hui Song, Zipeng Lu, Hongjian Cui, Ning Jiang, and Jiachuan Xu. 2022. "Study on Ductility Failure of Advanced High Strength Dual Phase Steel DP590 during Warm Forming Based on Extended GTN Model" Metals 12, no. 7: 1125. https://doi.org/10.3390/met12071125
APA StyleLiu, X., Li, D., Song, H., Lu, Z., Cui, H., Jiang, N., & Xu, J. (2022). Study on Ductility Failure of Advanced High Strength Dual Phase Steel DP590 during Warm Forming Based on Extended GTN Model. Metals, 12(7), 1125. https://doi.org/10.3390/met12071125
