Research on Noise Suppression Strategies for High-Frequency Harmonic Noise in Automotive Electronic Water Pumps
Abstract
1. Introduction
2. Hybrid Random Carrier Space Vector Pulse Width Modulation
2.1. Theoretical Analysis of SVPWM Harmonics
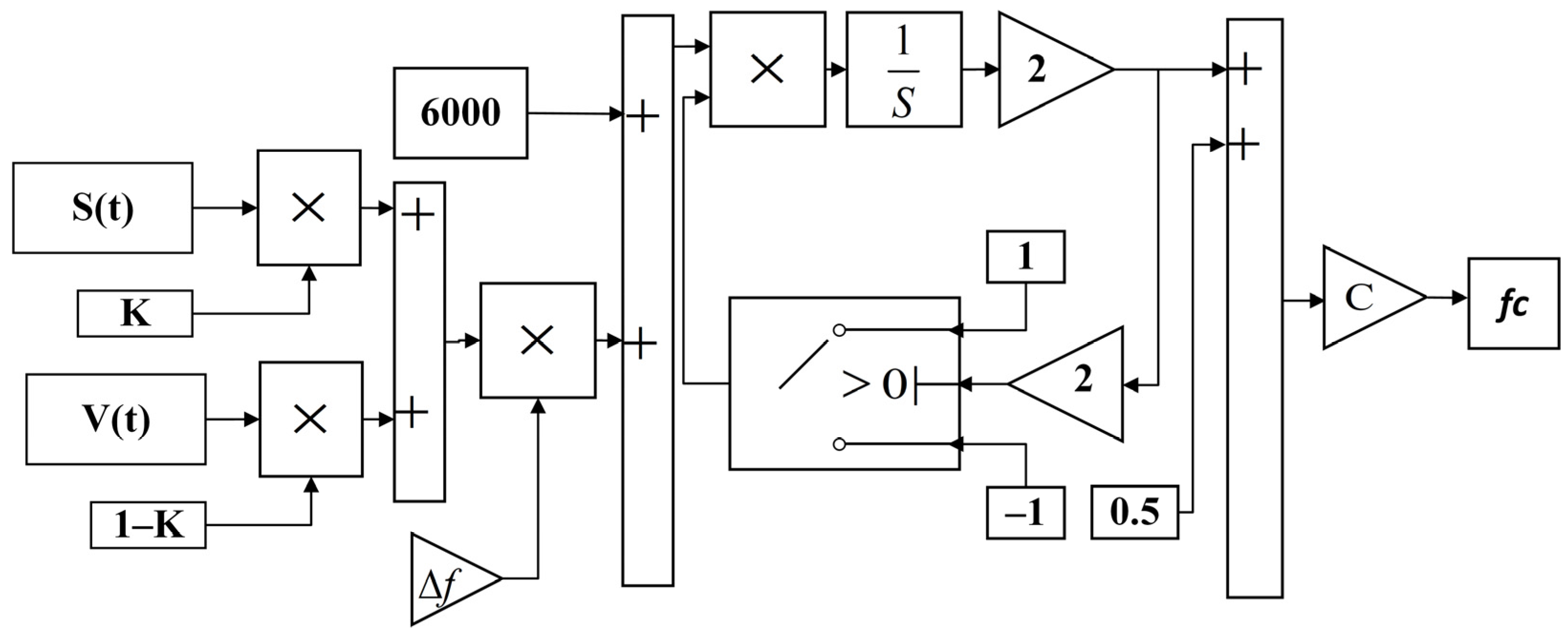
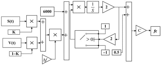
2.2. Hybrid Random Switching Frequency Modulation Strategy
3. Random Number Generation
3.1. LCG Algorithm
3.2. Improvement of LCG-Based Algorithm for Random Number Optimization
3.2.1. Genetic Algorithm
3.2.2. Genetic Algorithm-Based Optimization of HRCSVPWM
4. Simulation Analysis
5. Experimental Verification
6. Conclusions and Outlook
Author Contributions
Funding
Data Availability Statement
Conflicts of Interest
References
- Kim, B.; Kim, J.; Kang, D.; Baek, H.-K.; Chung, J. Reduction of the squeal noise from an automotive water pump. Nonlinear Dyn. 2021, 104, 3293–3308. [Google Scholar] [CrossRef]
- Wu, B.; Qiao, M. A Review of the Research Progress of Motor Vibration and Noise. Int. Trans. Electr. Energy Syst. 2021, 2022, 5897198. [Google Scholar]
- Guo, L.; Li, X.; Zhang, H.; Wang, H.; Lin, Z.; Zhang, T. Design of an Unequal-Teeth Stator Structure for a Low-Vibration Noise Permanent Magnet Synchronous Machine Considering Teeth Modulation. World Electr. Veh. J. 2025, 16, 339. [Google Scholar]
- Thangavelu, A.; Stephen, J.E.; Samidurai, S.; Velusamy, R.; Subramaniyam Sivaraju, S.; Usha, S.; Palaniswamy, S. Reduction of Current Harmonics in BLDC Motors Using the Proposed Sigmoid Trapezoidal Current Hysteresis Control. World Electr. Veh. J. 2025, 16, 355. [Google Scholar] [CrossRef]
- Wu, Y.; Zhang, Z.; Li, Y.; Sun, Q. Open-Circuit Fault Diagnosis of Six-Phase Permanent Magnet Synchronous Motor Drive System Based on Empirical Mode Decomposition Energy Entropy. IEEE Access 2021, 9, 91137–91147. [Google Scholar]
- Ferdiansyah, I.; Hanamoto, T. An Improved Extraction Scheme for High-Frequency Injection in the Realization of Effective Sensorless PMSM Control. World Electr. Veh. J. 2025, 16, 326. [Google Scholar] [CrossRef]
- Wen, P.-J.; Huang, C. Machine Learning and Prediction of Masked Motors with Different Materials Based on Noise Analysis. IEEE Access 2022, 10, 75708–75719. [Google Scholar] [CrossRef]
- Wang, Y.; Liu, J.; Lu, B.; Wang, M. A Novel Discrete Hybrid Dual Random SVPWM Scheme for Reducing PMSM Harmonic Intensity. IEEE/ASME Trans. Mechatron. 2023, 28, 1425–1435. [Google Scholar] [CrossRef]
- Huang, Y.; Xu, Y.; Zhang, W.; Zou, J. Hybrid RPWM Technique Based on Modified SVPWM to Reduce the PWM Acoustic Noise. IEEE Trans. Power Electron. 2019, 34, 5667–5674. [Google Scholar]
- Ji, Z.; Cheng, S.; Ren, Q.; Li, X.; Lv, Y.; Wang, D. The Effects and Mechanisms of Periodic-Carrier-Frequency PWM on Vibrations of Multiphase Permanent Magnet Synchronous Motors. IEEE Trans. Power Electron. 2023, 38, 8696–8706. [Google Scholar]
- Wu, Y.; Xu, J.; Soeiro, T.B.; Stecca, M.; Bauer, P. Optimal Periodic Variable Switching PWM for Harmonic Performance Enhancement in Grid-Connected Voltage Source Converters. IEEE Trans. Power Electron. 2022, 37, 7247–7262. [Google Scholar] [CrossRef]
- Yang, Y.; Song, W.; Ge, Y.; Wheeler, P. A Markov Chain Random Asymmetrical SVPWM Method to Suppress High-Frequency Harmonics of Output Current in an IMC-PMSM System. IEEE Trans. Power Electron. 2024, 39, 135–148. [Google Scholar] [CrossRef]
- Chen, Y.; Yan, B.; Zhang, L.; Yao, K.; Jiang, X. Sideband Vibro-Acoustics Suppression and Numerical Prediction of Permanent Magnet Synchronous Motor Based on Markov Chain Random Carrier Frequency Modulation. Appl. Sci. 2024, 14, 4808. [Google Scholar] [CrossRef]
- Jie, Y.; Hong, F. Adaptive PID controller of permanent magnet linear synchronous motor based on particle swarm neural network. IEICE Electron. Express 2020. [Google Scholar] [CrossRef]
- Yousaf, J.; Faisal, M.; Nah, W.; Ghazal, M.; Sarmad Mahmmod, R.; Rmili, H. Effects of Random Switching Schemes on the EMI Levels of Conventional and Interleaved Buck Converters for Mobile Devices. Electronics 2022, 11, 306. [Google Scholar] [CrossRef]
- Hsu, C.-H.; Huang, Y.-M. Performance of the Noise and Vibration of the AC/DC Signal for a Permanent Magnetic DC Motor. IEEE Trans. Magn. 2021, 57, 8200605. [Google Scholar] [CrossRef]
- Xu, J.; Nie, Z.-L.; Zhu, J.-J. An optimal random carrier pulse width modulation technique based on a genetic algorithm. J. Power Electron. 2017, 17, 380–388. [Google Scholar] [CrossRef][Green Version]
- Zhang, Y.; Wu, H.; Chien, Y.-R.; Tang, J. Vector control of permanent magnet synchronous motor drive system based on new sliding mode control. IEICE Electron. Express 2023, 20, 20230263. [Google Scholar] [CrossRef]
- Sun, H.; Chen, Y.; Dou, Y. A space vector PWM fed SRM with full bridge power converter. IEICE Electron. Express 2023, 20, 20230024. [Google Scholar] [CrossRef]
- Nishizawa, K.; Itoh, J.-i.; Odaka, A.; Toba, A.; Umida, H. Input current harmonic reduction based on space vector PWM for three-level inverter operating over a wide range power factor. IEEJ J. Ind. Appl. 2020, 9, 208–228. [Google Scholar] [CrossRef]
- Yuan, L.; Hu, B.X.; Wei, K.Y.; Chen, S. Modern Permanent Magnet Synchronous Motor Control Principle and MATLAB Simulation; Beijing University of Aeronautics and Astronautics Press: Beijing, China, 2016; p. 39. [Google Scholar]
- Kirlin, R.L.; Bech, M.M.; Trzynadlowski, A.M. Analysis of power and power spectral density in PWM inverters with randomized switching frequency. IEEE Trans. Ind. Electron. 2010, 7, 281–287. [Google Scholar] [CrossRef]
- Trzynadlowski, A.M.; Blaabjerg, F.; Pedersen, J.K.; Kirlin, R.L.; Legowski, S. Random pulse width modulation techniques for converter-fed drive systems—A review. IEEE Trans. Ind. Appl. 2002, 30, 1166–1175. [Google Scholar] [CrossRef]
- Xu, J.; Zhang, H. Random Asymmetric Carrier PWM Method for PMSM Vibration Reduction. IEEE Access 2020, 8, 109411–109420. [Google Scholar] [CrossRef]
- Knuth, D.E. The Art of Computer Programming: Seminumerical Algorithms; Addison-Wesley Professional: Boston, MA, USA, 2014; Volume 2, pp. 10–26. [Google Scholar]
- Holmes, D.G.; Lipo, T.A. Pulse Width Modulation for Power Converters: Principles and Practice; John Wiley & Sons: Hoboken, NJ, USA, 2003. [Google Scholar]
- Arrillaga, J.; Watson, N.R. Power System Harmonics; John Wiley & Sons: Hoboken, NJ, USA, 2004; p. 32. [Google Scholar]













| Genetic Algorithm | HRCSVPWM |
|---|---|
| Gene | R, K, T |
| Chromosome | Random carrier sequence |
| Population | Multiple random carrier sequences |
| Fitness function | Fitness function harmonic distortion rate: the performance of random numbers generated for HRCSVPWM is analyzed |
| Cross over | Swapping two genes produces new individuals |
| Mutation | Mutations create new individuals |
| THD | Current Power Spectral Density Peak at 6K (dB) | Current Power Spectral Density Peak at 12K (dB) | Current Power Spectral Density Peak at 18K (dB) | |
|---|---|---|---|---|
| SVPWM | 29.96 | 31.5 | 17.7 | 5.4 |
| LCG—HRCSVPWM | 13.54 | −8.9 | −11.5 | −18.0 |
| GACG—HRCSVPWM | 8.15 | −24.8 | −24.7 | −26.9 |
Disclaimer/Publisher’s Note: The statements, opinions and data contained in all publications are solely those of the individual author(s) and contributor(s) and not of MDPI and/or the editor(s). MDPI and/or the editor(s) disclaim responsibility for any injury to people or property resulting from any ideas, methods, instructions or products referred to in the content. |
© 2025 by the authors. Published by MDPI on behalf of the World Electric Vehicle Association. Licensee MDPI, Basel, Switzerland. This article is an open access article distributed under the terms and conditions of the Creative Commons Attribution (CC BY) license (https://creativecommons.org/licenses/by/4.0/).
Share and Cite
Feng, X.; Ma, X.; Fan, P.; Wang, Y. Research on Noise Suppression Strategies for High-Frequency Harmonic Noise in Automotive Electronic Water Pumps. World Electr. Veh. J. 2025, 16, 507. https://doi.org/10.3390/wevj16090507
Feng X, Ma X, Fan P, Wang Y. Research on Noise Suppression Strategies for High-Frequency Harmonic Noise in Automotive Electronic Water Pumps. World Electric Vehicle Journal. 2025; 16(9):507. https://doi.org/10.3390/wevj16090507
Chicago/Turabian StyleFeng, Xiaodan, Xipei Ma, Pingqing Fan, and Yansong Wang. 2025. "Research on Noise Suppression Strategies for High-Frequency Harmonic Noise in Automotive Electronic Water Pumps" World Electric Vehicle Journal 16, no. 9: 507. https://doi.org/10.3390/wevj16090507
APA StyleFeng, X., Ma, X., Fan, P., & Wang, Y. (2025). Research on Noise Suppression Strategies for High-Frequency Harmonic Noise in Automotive Electronic Water Pumps. World Electric Vehicle Journal, 16(9), 507. https://doi.org/10.3390/wevj16090507

