A Finite-Set Integral Sliding Modes Predictive Control for a Permanent Magnet Synchronous Motor Drive System
Abstract
1. Introduction
2. Mathematical Model of PMSM and FS-Strategies
2.1. The Mathematical Model of PMSM
2.2. Traditional FS-MPC Strategy
2.3. FS-SMPC Strategy
3. Proposed FS-ISMPC
3.1. Integral Sliding Mode Predictive Control
3.2. Stability Analysis
3.3. Delay Compensation
3.4. Extended Control Set
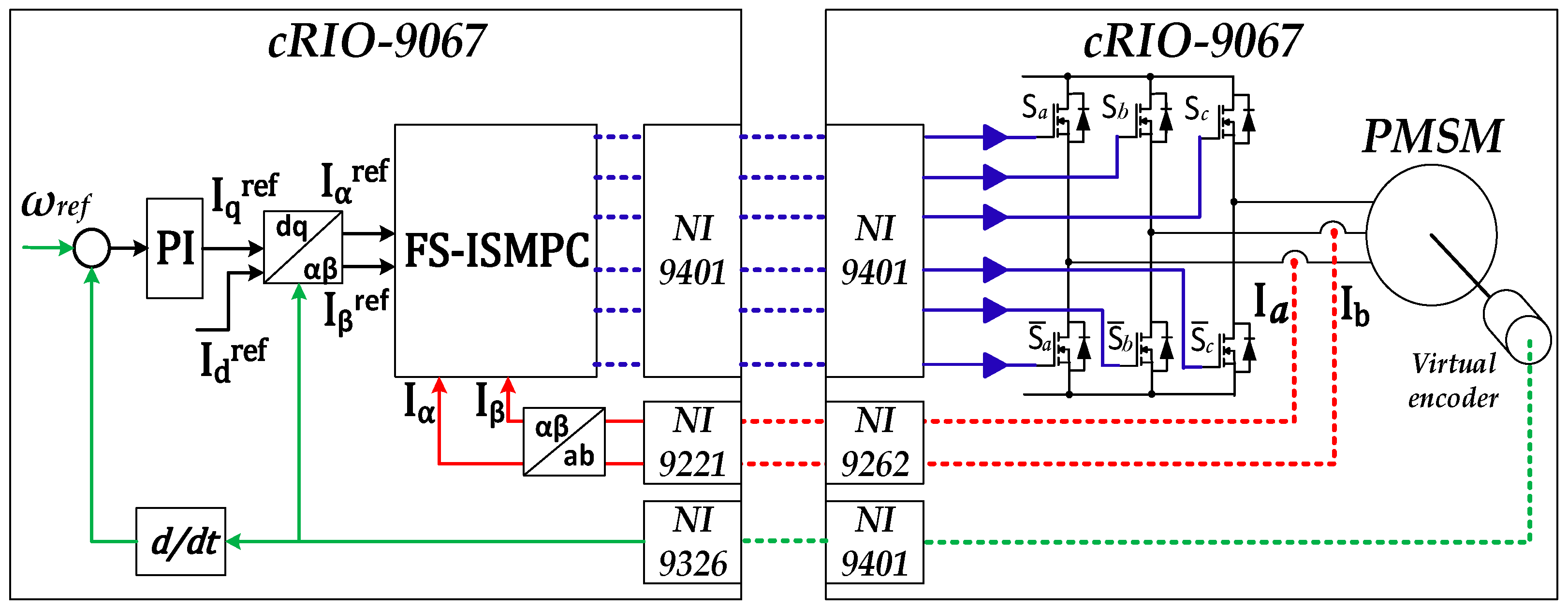
4. Performance and Evaluation
4.1. Simulation Test
4.2. HIL Simulation
4.3. Real-Time Simulation Results
5. Discussion
6. Conclusions and Future Works
Author Contributions
Funding
Data Availability Statement
Conflicts of Interest
References
- Bekiroglu, E.; Dalkin, A. Comparison of Trapezoidal and Sinusoidal PWM Techniques for Speed and Position Control of PMSM. Adv. Electr. Electron. Eng. 2020, 18, 207–216. [Google Scholar] [CrossRef]
- Hu, H.; Wang, H.; Liu, K.; Wei, J.; Shen, X. A Simplified Space Vector Pulse Width Modulation Algorithm of a High-Speed Permanent Magnet Synchronous Machine Drive for a Flywheel Energy Storage System. Energies 2022, 15, 4065. [Google Scholar] [CrossRef]
- Bao, G.; Qi, W.; He, T. Direct Torque Control of PMSM with Modified Finite Set Model Predictive Control. Energies 2020, 13, 234. [Google Scholar] [CrossRef]
- Peng, J.; Yao, M. Overview of Predictive Control Technology for Permanent Magnet Synchronous Motor Systems. Appl. Sci. 2023, 13, 6255. [Google Scholar] [CrossRef]
- Gao, J.; Gong, C.; Li, W.; Liu, J. Novel Compensation Strategy for Calculation Delay of Finite Control Set Model Predictive Current Control in PMSM. IEEE Trans. Ind. Electron. 2020, 67, 5816–5819. [Google Scholar] [CrossRef]
- Fang, S.; Meng, J.; Wang, W.; Meng, Y.; Wang, Y.; Huang, D. Compensation Strategy of PMSM Predictive Control with Reduced Parameter Disturbance. Sustainability 2022, 14, 9868. [Google Scholar] [CrossRef]
- Yang, Y.; Wen, H.; Li, D. A Fast and Fixed Switching Frequency Model Predictive Control With Delay Compensation for Three-Phase Inverters. IEEE Access 2017, 5, 17904–17913. [Google Scholar] [CrossRef]
- Luo, Y.; Liu, C. Model Predictive Control for a Six-Phase PMSM Motor With a Reduced-Dimension Cost Function. IEEE Trans. Ind. Electron. 2020, 67, 969–979. [Google Scholar] [CrossRef]
- Zhang, Y.; Xu, D.; Liu, J.; Gao, S.; Xu, W. Performance Improvement of Model-Predictive Current Control of Permanent Magnet Synchronous Motor Drives. IEEE Trans. Ind. Appl. 2017, 53, 3683–3695. [Google Scholar] [CrossRef]
- Zhang, X.; Zhang, L.; Zhang, Y. Model Predictive Current Control for PMSM Drives With Parameter Robustness Improvement. IEEE Trans. Power Electron. 2018, 34, 1645–1657. [Google Scholar] [CrossRef]
- Ichikawa, S.; Tomita, M.; Doki, S.; Okuma, S. Sensorless control of permanent-magnet synchronous motors using online parameter identification based on system identification theory. IEEE Trans. Ind. Electron. 2006, 53, 363–372. [Google Scholar] [CrossRef]
- Sun, X.; Zhang, Y.; Cai, Y.; Tian, X. Compensated Deadbeat Predictive Current Control Considering Disturbance and VSI Nonlinearity for In-Wheel PMSMs. IEEE/ASME Trans. Mechatron. 2022, 27, 3536–3547. [Google Scholar] [CrossRef]
- Sun, X.; Zhang, Y.; Lei, G.; Guo, Y.; Zhu, J. An Improved Deadbeat Predictive Stator Flux Control with Reduced-Order Disturbance Observer for In-Wheel PMSMs. IEEE/ASME Trans. Mechatron. 2021, 27, 690–700. [Google Scholar] [CrossRef]
- Niu, S.; Luo, Y.; Fu, W.; Zhang, X. Robust Model Predictive Control for a Three-Phase PMSM Motor With Improved Control Precision. IEEE Trans. Ind. Electron. 2020, 68, 838–849. [Google Scholar] [CrossRef]
- Zhang, C.; Wu, G.; Rong, F.; Feng, J.; Jia, L.; He, J.; Huang, S. Robust Fault-Tolerant Predictive Current Control for Permanent Magnet Synchronous Motors Considering Demagnetization Fault. IEEE Trans. Ind. Electron. 2017, 65, 5324–5334. [Google Scholar] [CrossRef]
- Pei, G.; Li, L.; Gao, X.; Liu, J.; Kennel, R. Predictive Current Trajectory Control for PMSM at Voltage Limit. IEEE Access 2020, 8, 1670–1679. [Google Scholar] [CrossRef]
- Yuan, X.; Zhang, S.; Zhang, C. Nonparametric Predictive Current Control for PMSM. IEEE Trans. Power Electron. 2020, 35, 9332–9341. [Google Scholar] [CrossRef]
- Agustin, C.A.; Yu, J.-T.; Cheng, Y.-S.; Lin, C.-K.; Yi, Y.-W. A Synchronized Current Difference Updating Technique for Model-Free Predictive Current Control of PMSM Drives. IEEE Access 2021, 9, 63306–63318. [Google Scholar] [CrossRef]
- Lin, C.; Yu, J.; Lai, Y.; Yu, H.; Lin, Y.; Chen, F. Simplified model-free predictive current control for interior permanent magnet synchronous motors. Electron. Lett. 2016, 52, 49–50. [Google Scholar] [CrossRef]
- Fliess, M.; Join, C. Model-free control. Int. J. Control. 2013, 86, 2228–2252. [Google Scholar] [CrossRef]
- Zhang, Y.; Jin, J.; Huang, L. Model-Free Predictive Current Control of PMSM Drives Based on Extended State Observer Using Ultralocal Model. IEEE Trans. Ind. Electron. 2021, 68, 993–1003. [Google Scholar] [CrossRef]
- Li, X.; Wang, Y.; Guo, X.; Cui, X.; Zhang, S.; Li, Y. An Improved Model-Free Current Predictive Control Method for SPMSM Drives. IEEE Access 2021, 9, 134672–134681. [Google Scholar] [CrossRef]
- Wei, Y.; Young, H.; Ke, D.; Wang, F.; Rodríguez, J. Model-Free Predictive Current Control Using Extended Affine Ultralocal for PMSM Drives. IEEE Trans. Ind. Electron. 2023, 71, 6719–6729. [Google Scholar] [CrossRef]
- Mousavi, M.S.; Davari, S.A.; Nekoukar, V.; Garcia, C.; Rodriguez, J. Integral Sliding Mode Observer-Based Ultralocal Model for Finite-Set Model Predictive Current Control of Induction Motor. IEEE J. Emerg. Sel. Top. Power Electron. 2022, 10, 2912–2922. [Google Scholar] [CrossRef]
- Qu, L.; Qiao, W.; Qu, L. Active-Disturbance-Rejection-Based Sliding-Mode Current Control for Permanent-Magnet Synchronous Motors. IEEE Trans. Power Electron. 2020, 36, 751–760. [Google Scholar] [CrossRef]
- Li, Z.; Wang, F.; Ke, D.; Li, J.; Zhang, W. Robust Continuous Model Predictive Speed and Current Control for PMSM With Adaptive Integral Sliding-Mode Approach. IEEE Trans. Power Electron. 2021, 36, 14398–14408. [Google Scholar] [CrossRef]
- Zheng, C.; Gong, Z.; Wu, X.; Dragicevic, T.; Rodriguez, J.; Blaabjerg, F. Finite-Set Quasi-Sliding Mode Predictive Control of $ LC$-Filtered Voltage Source Inverters. IEEE Trans. Ind. Electron. 2021, 69, 11968–11978. [Google Scholar] [CrossRef]
- Estrada, L.; Vazquez, N.; Vaquero, J.; Hernandez, C.; Arau, J.; Huerta, H. Finite Control Set—Model Predictive Control Based On Sliding Mode For Bidirectional Power Inverter. IEEE Trans. Energy Convers. 2021, 36, 2814–2824. [Google Scholar] [CrossRef]
- Hidalgo, H.; Vázquez, N.; Orosco, R.; Hernandez, C.; López, H.; Huerta, H.; Pinto, S. Robust Modulated Model Predictive Control for a PMSM Using Sliding Mode Cost Function. In Proceedings of the 2023 IECON—49th Annual Conference of the IEEE Industrial Electronics Society, Singapore, 16–19 October 2023; pp. 1–6. [Google Scholar]
- Abdelrahman, A.S.; Algarny, K.S.; Youssef, M.Z. A Novel Platform for Powertrain Modeling of Electric Cars With Experimental Validation Using Real-Time Hardware in the Loop (HIL): A Case Study of GM Second Generation Chevrolet Volt. IEEE Trans. Power Electron. 2018, 33, 9762–9771. [Google Scholar] [CrossRef]
- Lee, J.S.; Choi, G. Modeling and hardware-in-the-loop system realization of electric machine drives—A review. CES Trans. Electr. Mach. Syst. 2021, 5, 194–201. [Google Scholar] [CrossRef]
- Alvarez-Gonzalez, F.; Griffo, A.; Sen, B.; Wang, J. Real-Time Hardware-in-the-Loop Simulation of Permanent-Magnet Synchronous Motor Drives Under Stator Faults. IEEE Trans. Ind. Electron. 2017, 64, 6960–6969. [Google Scholar] [CrossRef]
- Liu, X.; Yu, H.; Yu, J.; Zhao, L. Combined Speed and Current Terminal Sliding Mode Control With Nonlinear Disturbance Observer for PMSM Drive. IEEE Access 2018, 6, 29594–29601. [Google Scholar] [CrossRef]
- Cortes, P.; Rodriguez, J.; Silva, C.; Flores, A. Delay Compensation in Model Predictive Current Control of a Three-Phase Inverter. IEEE Trans. Ind. Electron. 2011, 59, 1323–1325. [Google Scholar] [CrossRef]
- Li, T.; Sun, X.; Lei, G.; Guo, Y.; Yang, Z.; Zhu, J. Finite-Control-Set Model Predictive Control of Permanent Magnet Synchronous Motor Drive Systems-An Overview. IEEE/CAA J. Autom. Sin. 2022, 9, 2087–2105. [Google Scholar] [CrossRef]
- Lynch, K.M.; Marchuk, N.; Elwin, M.L. PID Feedback Control. In Embedded Computing and Mechatronics with the PIC32; Elsevier: Amsterdam, The Netherlands, 2016; pp. 375–385. [Google Scholar] [CrossRef]
- Huerta, H.; Loukianov, A.G.; Canedo, J.M. Passivity Sliding Mode Control of Large-Scale Power Systems. IEEE Trans. Control. Syst. Technol. 2018, 27, 1219–1227. [Google Scholar] [CrossRef]
- Panchbhai, A.; Parmar, S.; Vaghasiya, C. THD comparison for power quality (MATLAB simulation & hardware). In Proceedings of the 2016 IEEE 1st International Conference on Power Electronics, Intelligent Control and Energy Systems (ICPEICES), Delhi, India, 4–6 July 2016; pp. 1–4. [Google Scholar]














| Vector | Rectangular Form | Duty Cycle | ||
|---|---|---|---|---|
| D0 | D1 | D2 | ||
| 0.5 | 0.5 | 0.5 | ||
| 1 | 0 | 0 | ||
| 1 | 1 | 0 | ||
| 0 | 1 | 0 | ||
| 0 | 1 | 1 | ||
| 0 | 0 | 1 | ||
| 1 | 0 | 1 | ||
| 1 | 0.5 | 0 | ||
| 0.5 | 1 | 0 | ||
| 0 | 1 | 0.5 | ||
| 0 | 0.5 | 1 | ||
| 0.5 | 0 | 1 | ||
| 1 | 0 | 0.5 | ||
| Parameter | Value |
|---|---|
| Rated torque | 20 Nm |
| Rated current | 24.5 A |
| Pole pair () | 4 |
| Stator Resistance () | 0.203 Ω |
| Inductance () | 2.1 mH |
| Inertia () | 0.0048 kg∙m2 |
| Permanent magnet flux () | 0.123 Wb |
| Viscous friction coefficient (B) | 0.001 Nm∙s/rad |
| Item | [10] | [28] | Proposed FS-ISMPC |
|---|---|---|---|
| Modulator | No | No | No |
| Cost function | |||
| Multi-objective optimization | Yes | Yes | Yes |
| Coefficient/WF | No | No | |
| Robustness | Low | Moderate | High |
| Constraint handling | Yes | Yes | Yes |
| Resources | Total | FS-MPC [10] | FS-SMPC [28] | Proposed |
|---|---|---|---|---|
| Total slides | 13,300 | 4945 37.2% | 3618 27.2% | 4913 36.9% |
| Slide registers | 106,400 | 11,225 10.5% | 9024 8.5% | 11,181 10.5% |
| Slide LUTs | 53,200 | 12,824 24.1% | 9568 18% | 12,644 23.8% |
| Block RAMs | 140 | 4 2.9% | 4 2.9% | 4 2.9% |
| DSP48s | 220 | 108 49.1% | 8 3.6% | 90 40.9% |
Disclaimer/Publisher’s Note: The statements, opinions and data contained in all publications are solely those of the individual author(s) and contributor(s) and not of MDPI and/or the editor(s). MDPI and/or the editor(s) disclaim responsibility for any injury to people or property resulting from any ideas, methods, instructions or products referred to in the content. |
© 2024 by the authors. Licensee MDPI, Basel, Switzerland. This article is an open access article distributed under the terms and conditions of the Creative Commons Attribution (CC BY) license (https://creativecommons.org/licenses/by/4.0/).
Share and Cite
Hidalgo, H.; Orosco, R.; Huerta, H.; Vazquez, N.; Estrada, L.; Pinto, S.; de Castro, A. A Finite-Set Integral Sliding Modes Predictive Control for a Permanent Magnet Synchronous Motor Drive System. World Electr. Veh. J. 2024, 15, 277. https://doi.org/10.3390/wevj15070277
Hidalgo H, Orosco R, Huerta H, Vazquez N, Estrada L, Pinto S, de Castro A. A Finite-Set Integral Sliding Modes Predictive Control for a Permanent Magnet Synchronous Motor Drive System. World Electric Vehicle Journal. 2024; 15(7):277. https://doi.org/10.3390/wevj15070277
Chicago/Turabian StyleHidalgo, Hector, Rodolfo Orosco, Hector Huerta, Nimrod Vazquez, Leonel Estrada, Sergio Pinto, and Angel de Castro. 2024. "A Finite-Set Integral Sliding Modes Predictive Control for a Permanent Magnet Synchronous Motor Drive System" World Electric Vehicle Journal 15, no. 7: 277. https://doi.org/10.3390/wevj15070277
APA StyleHidalgo, H., Orosco, R., Huerta, H., Vazquez, N., Estrada, L., Pinto, S., & de Castro, A. (2024). A Finite-Set Integral Sliding Modes Predictive Control for a Permanent Magnet Synchronous Motor Drive System. World Electric Vehicle Journal, 15(7), 277. https://doi.org/10.3390/wevj15070277

