Experimental Study on the Design and Cutting Mechanical Properties of Bionic Pruning Blades
Abstract
1. Introduction
2. Materials and Methods
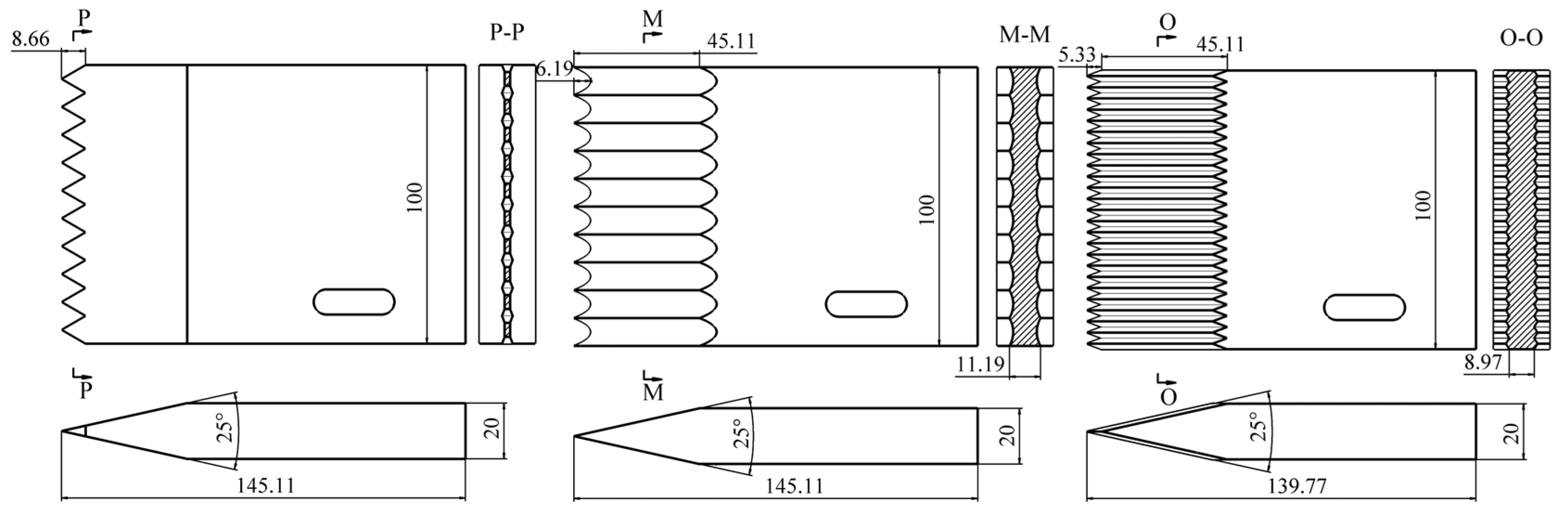
2.1. Bionic Blade Design
2.2. Mechanical Analysis of Bionic Blade Drag Reduction
2.3. Simulation Modeling
2.4. Simulation Model Validation
2.4.1. Verification Sample
2.4.2. Verification Equipment
2.5. Test Indicators and Levels
3. Results and Discussion
3.1. Simulation Model Validation Results
3.2. Mechanism of Branch Fracture under Stress Wave Action
3.3. Cutting Performance Analysis of Bionic Blades
3.3.1. Effect of Diameter on Cutting Performance
3.3.2. Effect of Branching Angle on Cutting Performance
3.3.3. Actual Cutting Effect
4. Conclusions
Author Contributions
Funding
Data Availability Statement
Conflicts of Interest
References
- Ban, Y.; Lyu, K.; Ba, S.; Wen, J.; Kang, F.; Li, W. Monkeybot: A Climbing and Pruning Robot for Standing Trees in Fast-Growing Forests. Actuators 2022, 11, 287. [Google Scholar] [CrossRef]
- Jordan, E. Machine for Debranching Living Trees. U.S. Patent US10470382B2, 12 November 2019. [Google Scholar]
- Liu, J.; Zhao, D.; Zhao, J. Study of the cutting mechanism of oil tree peony stem. Forests 2020, 11, 760. [Google Scholar] [CrossRef]
- Xie, L.; Wang, P.; Luo, J.; Yi, W.; Deng, J. Optimisation and numerical simulation of shearing blade used for citrus seedling grafting. Biosyst. Eng. 2022, 215, 67–79. [Google Scholar] [CrossRef]
- Gao, Y.; Wang, Y.; Kang, F.; Kan, J. Multi-objective optimization of cross-section integrity rate and sawing power consumption in sawing Caragana korshinskii Kom. branches. Ind. Crops Prod. 2023, 193, 116244. [Google Scholar] [CrossRef]
- Meng, Y.; Wei, J.; Wei, J.; Chen, H.; Cui, Y. An ANSYS/LS-DYNA simulation and experimental study of circular saw blade cutting system of mulberry cutting machine. Comput. Electron. Agric. 2019, 157, 38–48. [Google Scholar] [CrossRef]
- Song, S.; Zhou, H.; Jia, Z.; Xu, L.; Zhang, C.; Shi, M.; Hu, G. Effects of cutting parameters on the ultimate shear stress and specific cutting energy of sisal leaves. Biosyst. Eng. 2022, 218, 189–199. [Google Scholar] [CrossRef]
- Li, C.; Zhang, H.; Wang, Q.; Chen, Z. Influencing factors of cutting force for apple tree branch pruning. Agriculture 2022, 12, 312. [Google Scholar] [CrossRef]
- Qiu, M.; Meng, Y.; Li, Y.; Shen, X. Sugarcane stem cut quality investigated by finite element simulation and experiment. Biosyst. Eng. 2021, 206, 135–149. [Google Scholar] [CrossRef]
- Luo, H.; Guo, S.; Zhi, Z.; Kan, J. Sliding Cutting and Cutting Parameters of Concentric Curvilineal Edge Sliding Cutter for Caragana korshinskii (CK) Branches. Forests 2023, 14, 2379. [Google Scholar] [CrossRef]
- Zhao, L.; Yuan, W.; Xu, L.; Jin, S.; Cui, W.; Xue, J.; Zhou, H. Linear Cutting Performance Tests and Parameter Optimization of Poplar Branches Based on RSM and NSGA-II. Forests 2024, 15, 146. [Google Scholar] [CrossRef]
- Hu, J.; Xu, L.; Yu, Y.; Lu, J.; Han, D.; Chai, X.; Wu, Q.; Zhu, L. Design and experiment of bionic straw-cutting blades based on locusta migratoria manilensis. Agriculture 2023, 13, 2231. [Google Scholar] [CrossRef]
- Ma, J.; Wu, K.; Gao, A.; Du, Y.; Song, Y.; Ren, L. Study on the Bionic Design and Cutting Performance of Alfalfa Cutters Based on the Maxillary Mouthparts of Longicorn Beetles. Agriculture 2024, 14, 1302. [Google Scholar] [CrossRef]
- Tong, J.; Xu, S.; Chen, D.; Li, M. Design of a bionic blade for vegetable chopper. J. Bionic Eng. 2017, 14, 163–171. [Google Scholar] [CrossRef]
- Tian, K.; Zhang, B.; Ji, A.; Huang, J.; Liu, H.; Shen, C. Design and experiment of the bionic disc cutter for kenaf harvesters. Int. J. Agric. Biol. Eng. 2024, 16, 116–123. [Google Scholar] [CrossRef]
- Ba, S.; Ban, Y.; Lyu, K.; Liu, Y.; Wen, J.; Li, W. Finite element explicit dynamics simulation of an impact cutting mechanism analysis of Populus tomentosa branches. BioResources 2024, 19, 3614. [Google Scholar] [CrossRef]
- Enax, J.; Prymak, O.; Raabe, D.; Epple, M. Structure, composition, and mechanical properties of shark teeth. J. Struct. Biol. 2012, 178, 290–299. [Google Scholar] [CrossRef]
- Majumder, A.; Drumont, A.; Chandra, K. Review of Trictenotomid Beetles (Coleoptera: Trictenotomidae) of India and Sri Lanka. Ann. Zool. 2023, 73, 747–761. [Google Scholar] [CrossRef]
- Lee, N.; Horstemeyer, M.; Rhee, H.; Nabors, B.; Liao, J.; Williams, L.N. Hierarchical multiscale structure–property relationships of the red-bellied woodpecker (Melanerpes carolinus) beak. J. R. Soc. Interface 2014, 11, 20140274. [Google Scholar] [CrossRef]
- Kollmann, F.F.; Kuenzi, E.W.; Stamm, A.J. Principles of Wood Science and Technology: II Wood Based Materials; Springer Science & Business Media: Berlin/Heidelberg, Germany, 2012. [Google Scholar]
- Wang, W.; Lv, X.; Yi, Z. Parameter optimization of reciprocating cutter for Chinese little greens based on finite element simulation and experiment. Agriculture 2022, 12, 2131. [Google Scholar] [CrossRef]
- Yang, W.; Yang, J.; Liu, Z.; Liang, Z.; Mo, J. Dynamic simulation experiment on effects of sugarcane cutting beneath surface soil. Trans. Chin. Soc. Agric. Eng. 2011, 27, 150–156. [Google Scholar]
- Xiao, Y.; Zhu, W.; Wu, W.; Guo, P.; Xia, L. Damage modes and mechanism of RC arch slab under contact explosion at different locations. Int. J. Impact Eng. 2022, 170, 104360. [Google Scholar] [CrossRef]
- Do, T.V.; Pham, T.M.; Hao, H. Stress wave propagation and structural response of precast concrete segmental columns under simulated blast loads. Int. J. Impact Eng. 2020, 143, 103595. [Google Scholar] [CrossRef]
- Yu, M.; Wang, B.; Ji, P.; Li, B.; Zhang, L.; Zhang, Q. Study on the dynamic stability of circular saw blade during medium density fiberboard sawing process with thermo-mechanical coupling. Comput. Electron. Agric. 2023, 211, 108042. [Google Scholar] [CrossRef]
- Jiang, W. Bio-inspired self-sharpening cutting tool surface for finish hard turning of steel. CIRP Ann. 2014, 63, 517–520. [Google Scholar] [CrossRef]
- Wu, Z.; Yuan, R.; Zhang, W.; Liu, J.; Hu, S. Structure Design of Bionic PDC Cutter and the Characteristics of Rock Breaking Processes. Processes 2023, 12, 66. [Google Scholar] [CrossRef]
- Zhang, L.; Xie, Q.; Zhang, B.; Wang, L.; Yao, J. Three-dimensional elastic-plastic damage constitutive model of wood. Holzforschung 2021, 75, 526–544. [Google Scholar] [CrossRef]
- Kun, L.; Yichen, B.; Shihong, B.; Yang, L.; Jian, W. Adaptability analysis of impact-cutting performance of Populus tomentosa branches based on the goal of nurturing and pruning. J. Beijing For. Univ. 2024, 46, 158–166. [Google Scholar]














| Geometrical Structures | Density ρ/(kg·m−3) | Young’s Modulus E/ GPa | Poisson’s Ratio | Shear Modulus G/ GPa | |||
|---|---|---|---|---|---|---|---|
| Blade [21] | 5.42 × 105 | 200.00 | 0.3 | 76.9 | |||
| Trunk [20] | 639.32 | 2.00 | 0.3 | 7.5 | |||
| Branch [16] | 605.14 | Ex | 0.25 | μxy | 0.68 | Gxy | 0.07 | 
| Ey | 0.25 | μyz | 0.20 | Gyz | 0.05 | ||
| Ez | 0.93 | μxz | 0.20 | Gxz | 0.05 | ||
| Level | Branch Diameter D | Branch Angle θ | 
|---|---|---|
| 1 | 10 | 35 | 
| 2 | 12 | 40 | 
| 3 | 14 | 45 | 
| 4 | 16 | 50 | 
| 5 | 18 | 55 | 
| 6 | 20 | 60 | 
| 7 | 22 | 65 | 
| 8 | 24 | 70 | 
| Disclaimer/Publisher’s Note: The statements, opinions and data contained in all publications are solely those of the individual author(s) and contributor(s) and not of MDPI and/or the editor(s). MDPI and/or the editor(s) disclaim responsibility for any injury to people or property resulting from any ideas, methods, instructions or products referred to in the content. | 
© 2024 by the authors. Licensee MDPI, Basel, Switzerland. This article is an open access article distributed under the terms and conditions of the Creative Commons Attribution (CC BY) license (https://creativecommons.org/licenses/by/4.0/).
Share and Cite
Ban, Y.; Liu, Y.; Zhao, X.; Lin, C.; Wen, J.; Li, W. Experimental Study on the Design and Cutting Mechanical Properties of Bionic Pruning Blades. Forests 2024, 15, 1765. https://doi.org/10.3390/f15101765
Ban Y, Liu Y, Zhao X, Lin C, Wen J, Li W. Experimental Study on the Design and Cutting Mechanical Properties of Bionic Pruning Blades. Forests. 2024; 15(10):1765. https://doi.org/10.3390/f15101765
Chicago/Turabian StyleBan, Yichen, Yang Liu, Xuan Zhao, Chen Lin, Jian Wen, and Wenbin Li. 2024. "Experimental Study on the Design and Cutting Mechanical Properties of Bionic Pruning Blades" Forests 15, no. 10: 1765. https://doi.org/10.3390/f15101765
APA StyleBan, Y., Liu, Y., Zhao, X., Lin, C., Wen, J., & Li, W. (2024). Experimental Study on the Design and Cutting Mechanical Properties of Bionic Pruning Blades. Forests, 15(10), 1765. https://doi.org/10.3390/f15101765
 
        


 
       