Simplified Calculation Model and Experimental Study of Latticed Concrete-Gypsum Composite Panels
Abstract
:1. Introduction
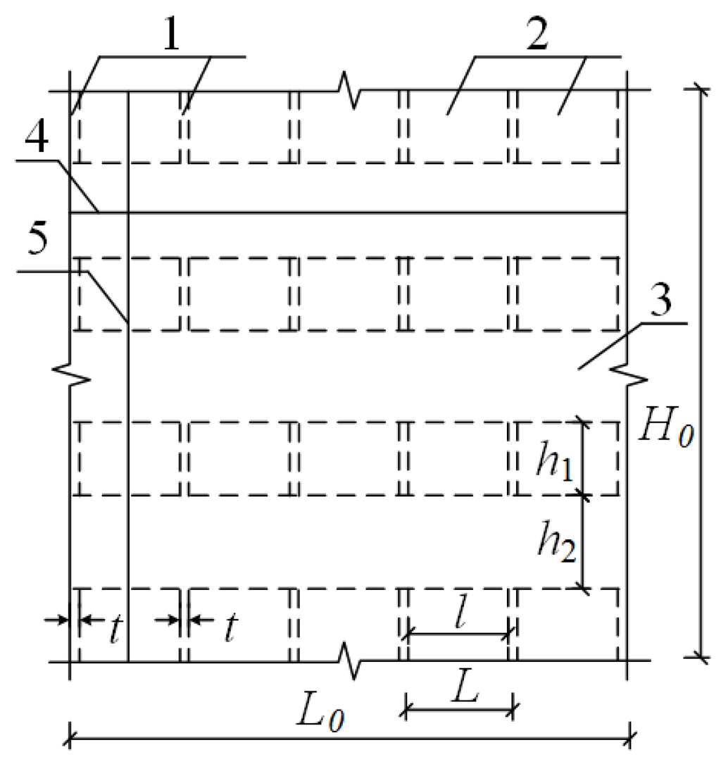
2. Technical Solution to Simplified Calculation


3. Theoretical Derivations of Elastic Constants
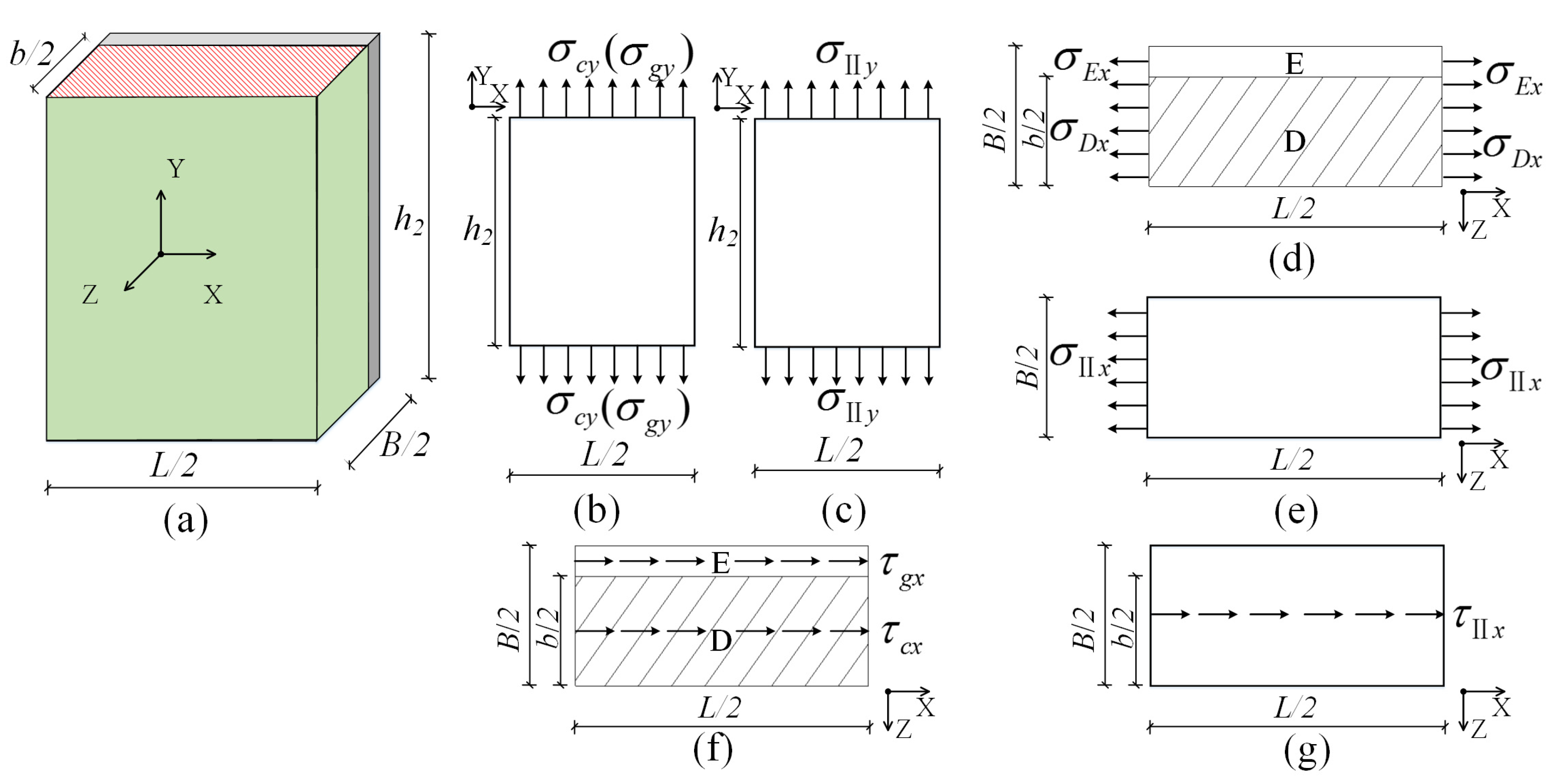
3.1. Basic Assumptions
3.2. Calculation of Elastic Constants
3.2.1. Homogenous Composite Sub-Element I

3.2.2. Homogenous Composite Sub-Element II

3.2.3. Secondary Homogenous Element

4. Experiment
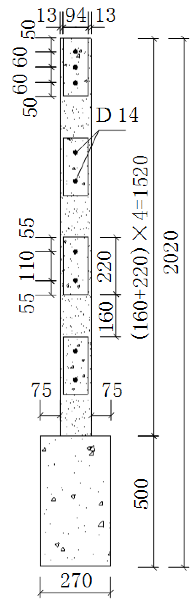
4.1. Sample Design and Loading System




4.2. Main Experimental Results
4.2.1. Experimental Process and Fracture Phenomena

4.2.2. Hysteretic Characteristics

4.2.3. Analysis of Material Strain

5. Analysis of Finite Element Calculation and Experimental Results
5.1. Calculation Results of Elastic Constants
| Equivalent Elastic Constants | Panel Sub-Element I | Panel Sub-Element II | Secondary Homogenous Element |
|---|---|---|---|
| Ex (N/mm2) | 22,248.41 | 22,248.41 | 22,248.41 |
| Ey (N/mm2) | 20,816.53 | 22,248.41 | 21,622.17 |
| Gxy (N/mm2) | 8326.61 | 8899.36 | 8658.20 |
| νxy | 0.197 | 0.196 | 0.196 |
| 40%Ex (N/mm2) | 8899.36 | 8899.36 | 8899.36 |
| Error (%) | 6.43 | 0 | 2.71 |
| 40%Ey (N/mm2) | 8326.61 | 8899.36 | 8648.87 |
| Error (%) | 0 | 0 | 0.11 |
5.2. Finite Element Simulation
5.2.1. Constitutive Relation of Materials
5.2.2. Elements and Solving

5.3. Result Analysis





| Value Types | Sample | (kN) | (mm) | (kN) | (mm) | (kN) | (mm) | |
|---|---|---|---|---|---|---|---|---|
| Calculated value | Q-1 | 61.73 | 0.72 | 219.83 | 3.28 | 322.41 | 11.50 | 3.51 |
| Experimental value | Q-1 | 60.46 | 0.84 | 212.60 | 3.68 | 311.85 | 11.90 | 3.23 |
| Q-2 | 60.11 | 0.69 | 206.40 | 3.50 | 305.02 | 12.42 | 3.55 | |
| Q-3 | 64.74 | 0.61 | 211.50 | 3.07 | 327.07 | 11.85 | 3.86 | |
| Mean of experimental values | 61.77 | 0.71 | 210.17 | 3.42 | 314.65 | 12.06 | 3.55 | |
| Error (%) | 0.06 | 1.41 | 4.60 | 4.09 | 2.47 | 4.64 | 1.13 | |
6. Conclusions
Acknowledgments
Author Contributions
Conflicts of Interest
References
- GB/T 9776-2008 Calcined Gypsum; Standard Press of China: Beijing, China, 2009.
- GB50010-2010 Load Code for the Design of Building Structures; Architecture & Industry Press of China: Beijing, China, 2012.
- Javangula, H.; Lineberry, Q. Comparative studies on fire-rated and standard gypsum wallboard. J. Therm. Anal. Calorim. 2014, 116, 1417–1433. [Google Scholar] [CrossRef]
- Gu, Y.; Jiang, X.L.; Zhang, H. Experimental research on mechanical properties of fiber-reinforced gypsum panel. J. Shandong Arg. Univ. Nat. Sci. 2009, 40, 107–111. [Google Scholar]
- Wu, Y.F.; Dare, M.P. Flexural and shear strength of composite lintels in glass-fiber-reinforced gypsum wall constructions. J. Mater. Civ. Eng. 2006, 18, 415–423. [Google Scholar] [CrossRef]
- MA, Q.Z.; Jiang, X.L.; Zhang, B.K. A simplified calculation model for analyzing concrete-filled gypsum wall panels. J. Agr. Univ. Hebei 2012, 35, 119–124. [Google Scholar] [CrossRef]
- Maganti, J.; Robin, D.P.; Ravichandran, S.S. Calibration of a hysteretic model for glass fiber reinforced gypsum wall panels. Earthq. Eng. Eng. Vib. 2014, 13, 347–355. [Google Scholar]
- Vieira, L.C.M.; Schafer, B.W. Lateral stiffness and strength of sheathing braced cold-formed steel stud walls. Eng. Struct. 2012, 37, 205–213. [Google Scholar] [CrossRef]
- Magliulo, G.; Petrone, C.; Capozzi, V.; Maddaloni, G.; Lopez, P.; Manfredi, G. Seismic performance evaluation of plasterboard partitions via shake table tests. Bull Earthq. Eng. 2014, 12, 1657–1677. [Google Scholar] [CrossRef]
- Tian, Y.X.; Chen, P.; Yao, Q.F.; Zhao, D.; Huang, W. Study on calculating formulas of equivalent elastic constants of multi-ribbed wall slab. Ind. Constr. 2003, 33, 10–12. [Google Scholar]
- Wang, Z.M. The Mechanics of Composite and Composite Structures; China Machine Press: Beijing, China, 1991. [Google Scholar]
- Bao, S.H.; Zhang, T.S. Design and Analysis of Tall-Building Structure; Tsinghua University Press: Beijing, China, 2005. [Google Scholar]
- Jiang, X.L.; Ding, X.C. Dynamic analysis of liquid-structure-pile-soil interaction system. J. Tianjin. Univ. 1992, 1, 62–70. [Google Scholar]
- Ma, S.C.; Jiang, N. Seismic Experimental Study on New-Type Composite Exterior Wallboard with Integrated Structural Function and Insulation. Materials 2015, 8, 3732–3753. [Google Scholar] [CrossRef]
- Cao, W.L.; Zhang, Y.B.; Deng, H.Y.; Zhou, Z.Y.; Qiao, Q.Y. Experimental study on the seismic performance of recycled concrete brick walls embedded with vertical reinforcement. Materials 2014, 7, 5934–5958. [Google Scholar] [CrossRef]
- Pozza, L.; Scotta, R.; Trutalli, D. Concrete-plated wooden shear walls: Structural details, testing, and seismic characterization. J. Struct. Eng. 2015. [Google Scholar] [CrossRef]
- Pozza, L.; Scotta, R.; Trutalli, D. Behaviour factor for innovative massive timber shear walls. Bull Earthq. Eng. 2015. [Google Scholar] [CrossRef]
- JGJ101-96 Specification of Testing Methods for Earthquake Resistant Building; Chinese Building Industry Press: Beijing, China, 1997.
- GB50010-2010 Code for Design of Concrete Structures; Architecture & Industry Press of China: Beijing, China, 2011.
- Wang, X.M. ANSYS Numerical Analysis of Engineering Structures; China Communications Press: Beijing, China, 2007. [Google Scholar]
- Wang, G.Q. Practical Engineering Numerical Simulation Technology and Application in ANSYS; Northwestern Polytechnical University Press: Xian, China, 1991. [Google Scholar]
- GB50010-2002 Code for Design of Concrete Structures; Architecture & Industry Press of China: Beijing, China, 2002.
- Bi, J.H.; Wang, H. Engineering Elastic-Plastic Mechanics; Tianjin University Press: Tianjin, China, 2008. [Google Scholar]
- Wang, X.M. ANSYS Structural Analysis Unit and Application; China Communications Press: Beijing, China, 2011. [Google Scholar]
© 2015 by the authors; licensee MDPI, Basel, Switzerland. This article is an open access article distributed under the terms and conditions of the Creative Commons by Attribution (CC-BY) license (http://creativecommons.org/licenses/by/4.0/).
Share and Cite
Jiang, N.; Ma, S. Simplified Calculation Model and Experimental Study of Latticed Concrete-Gypsum Composite Panels. Materials 2015, 8, 7199-7216. https://doi.org/10.3390/ma8105375
Jiang N, Ma S. Simplified Calculation Model and Experimental Study of Latticed Concrete-Gypsum Composite Panels. Materials. 2015; 8(10):7199-7216. https://doi.org/10.3390/ma8105375
Chicago/Turabian StyleJiang, Nan, and Shaochun Ma. 2015. "Simplified Calculation Model and Experimental Study of Latticed Concrete-Gypsum Composite Panels" Materials 8, no. 10: 7199-7216. https://doi.org/10.3390/ma8105375
APA StyleJiang, N., & Ma, S. (2015). Simplified Calculation Model and Experimental Study of Latticed Concrete-Gypsum Composite Panels. Materials, 8(10), 7199-7216. https://doi.org/10.3390/ma8105375

