Abstract
This paper presents the establishment of an accurate loss model for high-power-density IGBT modules used in electric vehicles, leveraging the thermal simulation capabilities of the power electronics simulation software PLECS 4.1. The study aims to address the significant influence of IGBT losses on the energy efficiency and reliability of electric vehicles. A simulation model was built using the SVPWM modulation strategy to drive a three-phase inverter, and the average loss method was employed to determine both conduction and switching losses. The simulation results were compared with calculations based on the datasheet, showing a deviation of less than 4%. For instance, the actual conduction loss was found to be 7.988 W, compared to the theoretical calculation of 8.16 W, with a deviation of 2.15%. Similarly, the switching loss was 22.069 W, compared to the theoretical value of 22.447 W, with a deviation of 1.71%. These results confirm that the proposed model accurately predicts losses under specified conditions. Compared with traditional methods, the model presented in this paper offers higher precision and improved simulation speed, thus proving effective for accurate loss analysis of IGBT modules and supporting further energy efficiency improvement and system optimization in electric vehicles.
1. Introduction
Compared to traditional fuel vehicles, new energy vehicles produce significantly lower carbon emissions, which plays a critical role in reducing air pollution and addressing climate change. As China has already surpassed the United States in becoming the largest emitter of carbon dioxide, transitioning to electric vehicles is one of the key measures to achieve carbon peaking and carbon neutrality goals. The Insulated Gate Bipolar Transistor (IGBT) plays an indispensable role in today’s new energy vehicle technology. As a core component of the electronic power system in electric vehicles, IGBTs are responsible for efficiently converting and controlling electric energy. Most of the energy losses in inverters are caused by IGBT devices, and these losses directly impact the energy efficiency of electric vehicles while significantly affecting their driving range and reliability [1]. Excessive losses not only reduce the efficiency of the inverter but also increase the junction temperature of the IGBT module, thereby shortening its lifespan. Moreover, IGBTs are the most failure-prone components within inverters, and the reliability of their operation is closely linked to the overall reliability of the inverter system.
Since the electrical and thermal characteristics of IGBTs are strongly coupled, their simulation studies must comprehensively account for these coupling effects to reliably simulate the real-world operating conditions of IGBT modules and accurately calculate their power losses. The literature [2] used electro-thermal coupled simulation to incorporate the dynamic relationship between electrical parameters such as current and voltage and temperature variations during switching transients into the IGBT switching model. Meanwhile, the literature [3] analyzed the impact of IGBT device parameters on power losses during their switching operation. The literature [4] analyzed the calculation process of conduction loss and switching loss and simulated the temperature rise of the module using finite element method (FEM) to verify the effect of different losses on the temperature of the module. The literature [5] proposes a method based on the integral during voltage rise (VIVRP) for estimating the junction temperature of an IGBT module and compares it with conventional switching loss detection methods. The literature [6] proposes a temperature-dependent Cauer-based model to derive the relationship between loss calculation and temperature increase. The literature [7] proposes a method that combines electro-thermal coupling simulation and power loss modeling to analyze in detail the switching and conduction losses of the IGBT module and considers the effect of junction temperature on the power loss. The literature [8] analyzed the current and voltage variations of field-stopped (FS) IGBTs during turn-on transients by simulation, considering the effect of temperature on turn-on losses.
Loss calculation methods can be broadly classified into two categories: physical structure-based methods and mathematical model-based methods. Physical structure-based methods calculate losses by deeply analyzing the internal components of the IGBT, such as resistors, capacitors, and inductors, which provide high accuracy but require significant expertise. In contrast, mathematical model-based methods estimate losses using parameters provided in datasheets, relying on mathematical computations. These methods are more straightforward and user-friendly but may not achieve the same level of precision as the physical structure-based approaches [9,10,11]. In addition, the data-driven approach predicts the losses in a specific scenario by fitting experimental data, which is highly accurate but dependent on training data. The PLECS simulation model, on the other hand, is an important tool in the current research as an electrically and thermally coupled dynamic simulation method, which is able to consider the coupling of electrical and thermal properties at the same time [12].
This paper leverages the unique loss analysis functionality of the PLECS 4.1 simulation software to analyze the losses of IGBT modules. By comparing the errors between simulation experiments and theoretical calculations, this study aims to provide a deeper understanding and effective solutions for improving energy efficiency and optimizing the systems of electric vehicles.
2. Thermal Simulation of IGBT
The thermal simulation of IGBT modules aims to estimate their power losses and thermal behavior accurately under various operating conditions, thereby optimizing the thermal management design of the modules. Typically, the thermal simulation process for IGBT modules relies on output characteristics, transfer characteristics, and other data provided in the datasheets from the manufacturers. These datasheets are used to establish thermal description files for IGBTs and anti-parallel diodes within the PLECS simulation software. These files include loss curves for IGBTs and diodes under different temperatures, voltages, and operating currents. The whole thermal simulation flow is shown in Figure 1. In more advanced versions of PLECS, users can directly extract curve data from switch characteristics graphs in datasheets, making it more convenient and efficient to create thermal description files [12].
Figure 1.
Thermal simulation flowchart.
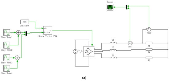
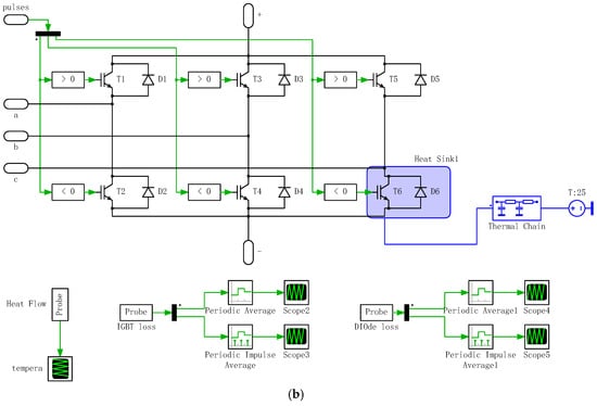
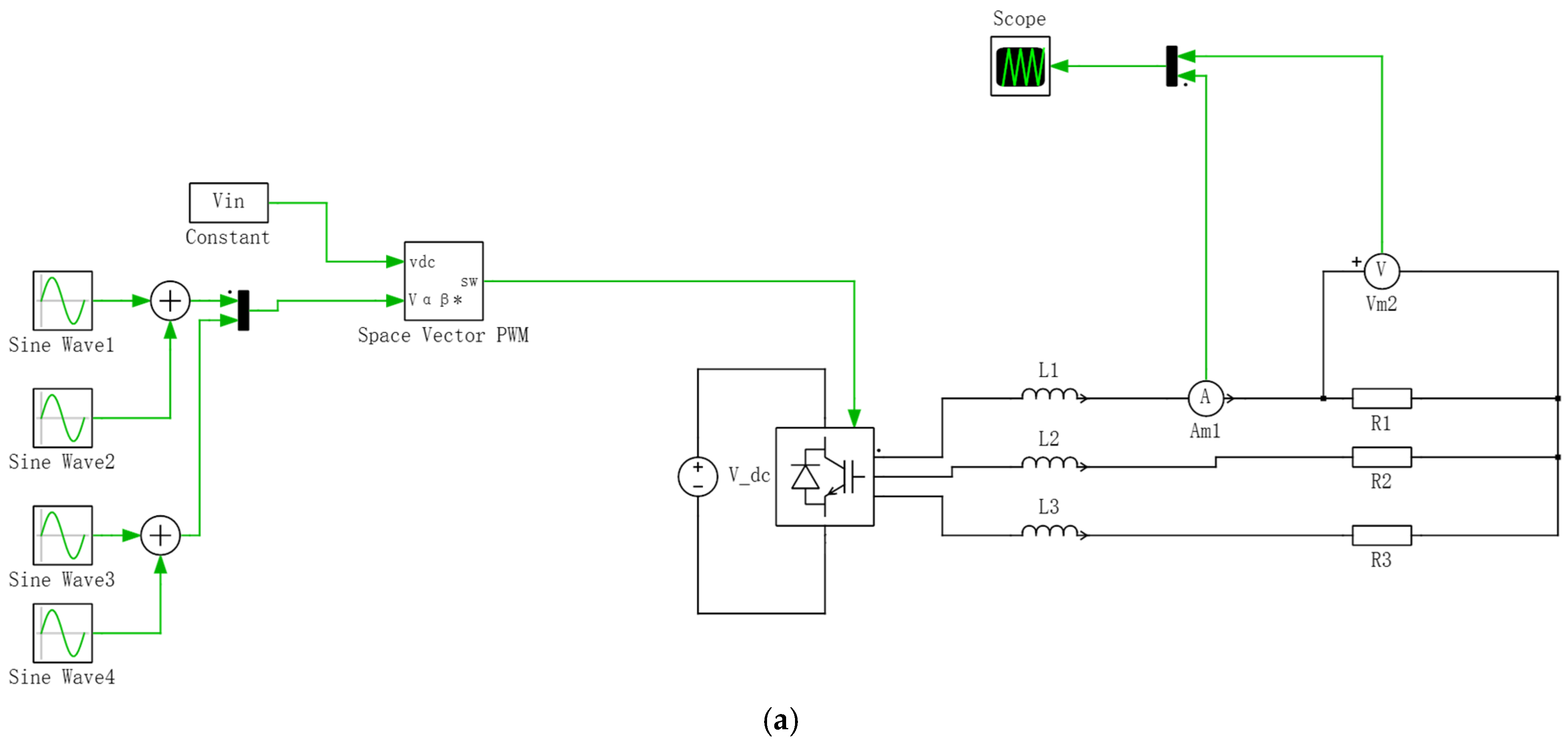
For this study, we selected the SGM820PB8B3TFM IGBT module (820 A/750 V) from Hangzhou Silan Microelectronics Co. in Hangzhou, China, which is developed using a proprietary high-density trench process, to investigate the loss characteristics of high-power IGBT modules used in electric vehicles. With a rated current of 820 A and a voltage withstand rating of 750 V, the module meets the needs of high-power density applications in electric vehicle inverters. Secondly, the SGM820PB8B3TFM module utilizes a high-density trench process, a design that effectively reduces conduction loss and switching loss, thereby improving system efficiency. Based on the inverter environment, an open-loop control system simulation model was developed in PLECS, as shown in Figure 2a. To study the temperature rise of the Heat Sink module caused by power losses, the heat dissipation module was modeled as a thermal chain composed of thermal resistance and thermal capacitance, connected to an external constant-temperature source. Initially, the temperature of the heat sink, environment, and thermal components was set to 25 °C. The number of layers in the thermal chain, ranging from the IGBT chip to the environment, determines the thermal resistance and capacitance of each layer, with values derived from the datasheet. When thermal equilibrium is reached, the heat sink temperature stabilizes. Given that the duty cycle of the control signal varies between 0 and 1, calculating the conduction losses during post-processing can be cumbersome. Therefore, the average losses were calculated using a periodic averaging module and a pulse averaging module, both configured with switching frequency parameters.

Figure 2.
Inverter PLECS simulation model: (a) Inverter open-loop control system and (b) Internal structure of three-phase bridge arm module.
Using Space Vector Pulse Width Modulation (SVPWM), this modulation strategy can control the turn-on and turn-off states of the IGBTs in a three-phase bridge arm, converting DC power into AC power for three-phase resistive-inductive loads. The SVPWM modulation strategy includes various realizations, among which are Symmetrical PWM (PWM) and Discontinuous PWM (DPWM), which are two typical modulation methods. Different modulation strategies have significant effects on the efficiency and thermal performance of IGBT modules. Symmetric PWM is able to effectively control the junction temperature distribution due to its uniformly distributed switching operations, thus improving the reliability of the module. DPWM, on the other hand, significantly reduces the switching loss by reducing the number of switching operations, but it may trigger a localized overheating phenomenon, which puts higher requirements on the thermal management of the system. In electric vehicle systems, if the goal is to maximize efficiency and the thermal management capability is limited, DPWM may be a better choice, while in high-reliability scenarios, symmetric PWM is more advantageous. This paper takes symmetric PWM as an example. The module generates a reference voltage vector at the AC terminals of the three-phase voltage source inverter, which is defined in the coordinate system as a reference voltage. This reference voltage is defined in the coordinate system as: The output, marked as “sw”, consists of three switching control signals [Sa, Sb, Sc], which control the upper and lower switches of the inverter branches A, B, and C, respectively. Each switching signal controls the upper and lower switches in its corresponding branch. Unlike calculating the conduction times of switch vectors and zero vectors, this module uses an equivalent index-based modulation method to manipulate the three-phase sinusoidal modulation indices through various zero-sequence injection patterns, thereby achieving different SVPWM modulation strategies.
The module is implemented as a series connection of a modulation module based on three-phase indices and a symmetric PWM module. The symmetric PWM module is configured to use a conventional sampling scheme (minimum single update), where the incoming modulation indices are sampled only at the minimum points of the symmetric triangular carrier waveform. The module allows setting different modulation strategies, including Symmetrical, DPWM0, DPWM1, DPWM2, DPWM3, DPWMMIN, and DPWMMAX. The symmetrical strategy always uses two zero vectors (V0 and V7), placing one in the center of the period and evenly spacing the other at the start and end of the period. DPWM1, DPWM2, and DPWMMAX produce identical switching patterns within 30-degree intervals, using only one zero vector (V7) in this interval, evenly distributed at the start and end of the period. DPWM0, DPWM3, and DPWMMIN also generate identical switching patterns within the 30-degree intervals, using a single zero vector (V0), which is placed at the center of the period. All these strategies adhere to the same space vector modulation theory, with the primary differences lying in how the two available zero vectors (V0 and V7) are distributed within each switching cycle across different sector intervals.
The output switching values alternate between high and low states. The selection of these values should match the gate control logic of the inverter, where a high value turns on the upper switch in the bridge arm, and a low value turns on the lower switch. The default values are [−1, 1]. Calculations show that the amplitudes of the four sinusoidal waveforms input to the SVPWM module are: Im × R, −2 × fg × Im × Lf × pi, 2 × fg × Im × Lf × pi, Im × R; all frequencies are fg, and the phases are 90°, 0°, 90°, and 90°, respectively.
As shown in Figure 2b, the internal structure of the three-phase bridge arm module incorporates six IGBTs with anti-parallel diodes. The parameters can be set according to the transfer characteristic curves, output characteristic curves, and other data provided in the datasheets of the IGBT modules. Through simulation, the conduction losses and switching losses of the IGBT module can be obtained.
3. Results
When building a simulation model in PLECS based on the manufacturer-provided datasheet, the typical characteristic curves of the IGBT module can be used to construct a loss model.
The simulation parameters are set as follows: switching frequency of 10 kHz, DC voltage of 500 V, AC current amplitude of 30 A, load inductance of 1 mH, and load resistance of 1 Ω.
For device losses, the specific loss values can then be obtained by consulting the three-dimensional loss table built into the software based on these operating condition data.
The energy losses Eon and Eoff of IGBT during a switching process are not constant; they depend on the collector current and the junction temperature. From the switching characteristics, it is evident that Eon and Eoff increase with higher current. When the current is constant, higher junction temperatures also result in larger Eon and Eoff, indicating a positive temperature coefficient. Therefore, establishing an accurate switching model in PLECS is essential, as illustrated in Figure 3 and Figure 4. Figure 3 and Figure 4 show the turn-on losses and turn-off losses of the IGBT module in different states during simulation. Variations in thermal resistance and capacitance typically affect conduction losses and switching losses, but for a typical IGBT module, these variations have an acceptable effect on losses and junction temperature. Through these results, we can closely observe the loss behavior of the IGBT module under specific operating conditions, particularly the impact of temperature and current variations on switching losses.
Figure 3.
Turn-on loss of IGBT module in PLECS.
Figure 4.
Turn-off loss of IGBT module in PLECS.
Figure 3 shows the loss curve of the IGBT module during the turn-on process. The shape of the curve indicates that the turn-on losses increase gradually as the collector current increases. This relationship can be explained by the positive temperature coefficient in the thermal model, where the turn-on losses of the IGBT significantly increase under high-temperature conditions.
Figure 4 illustrates the loss characteristics of the IGBT module during the turn-off process. Similar to turn-on losses, turn-off losses also increase with rising current and temperature. These simulation results demonstrate the significant impact of temperature and current on the switching performance of the IGBT module, providing data support for subsequent optimization efforts.
A detailed analysis of the simulation results reveals distinct differences in the loss characteristics of the IGBT module under different switching states. Specifically, as the temperature rises, both the turn-on and turn-off losses of the IGBT increase, which is related to the nonlinear coupling effect between thermal resistance and current. Moreover, the data from Figure 3 and Figure 4 indicate that higher junction temperatures will significantly increase power losses, posing greater challenges for thermal management design in electric vehicle systems. Therefore, with the precise calculations of the PLECS simulation model, we can provide effective guidance and optimization strategies for managing the losses of IGBT modules under various operating conditions.
To gain a deeper understanding of the causes of changes in IGBT module losses, we also need to investigate its internal electrical parameters, particularly the interaction between the collector-emitter voltage (VCE), temperature, current, and other conditions on the overall loss characteristics. The collector-emitter voltage (VCE) is a key factor affecting IGBT losses, and we will further analyze its characteristics and variation patterns below.
The collector-emitter voltage (VCE) continuously varies and is associated with its current and junction temperature. Its output characteristic curve in the thermal loss model in PLECS is shown in Figure 5. From its characteristics, it can be seen that when the current is higher, the junction temperature under the same current is also higher, and the collector-emitter voltage is larger, indicating a positive temperature coefficient. Conversely, a lower collector-emitter voltage corresponds to a negative temperature coefficient. At a given junction temperature, the larger the current, the greater the collector-emitter voltage, indicating a positive correlation between VCE and current. Therefore, it is essential to establish an accurate thermal model in PLECS to calculate the collector-emitter voltage.
Figure 5.
Conduction loss of IGBT module in PLECS.
The results show that the positive temperature coefficient characteristic of the IGBT module significantly affects the loss behavior under high temperature conditions. Figure 4 shows the variation of switching losses with increasing junction temperature, indicating that switching losses increase by about 15% when the junction temperature increases from 125 °C to 150 °C. This significant positive temperature coefficient effect highlights the importance of optimizing the cooling system. In a real system, a cooling system that does not respond quickly enough to changes in junction temperature could trigger thermal runaway and impair module performance.
The conduction loss of the IGBT module can be obtained using the Periodic Average module in the PLECS library browser, while the switching loss can be calculated using the Periodic Impulse Average module, as shown in Figure 6.
Figure 6.
Losses of IGBT and diode.
A validation analysis was conducted by comparing the theoretical results with the PLECS simulation results.
Based on the modulation principle of Space Vector Pulse Width Modulation (SVPWM) [13,14,15,16], taking the upper IGBT module (T and D1) of phase a bridge arm in the inverter as an example, the conduction time ton of this semiconductor device in one switching cycle is as follows:
The conduction duty cycle D of the upper IGBT module in the phase-a bridge arm can be calculated as follows:
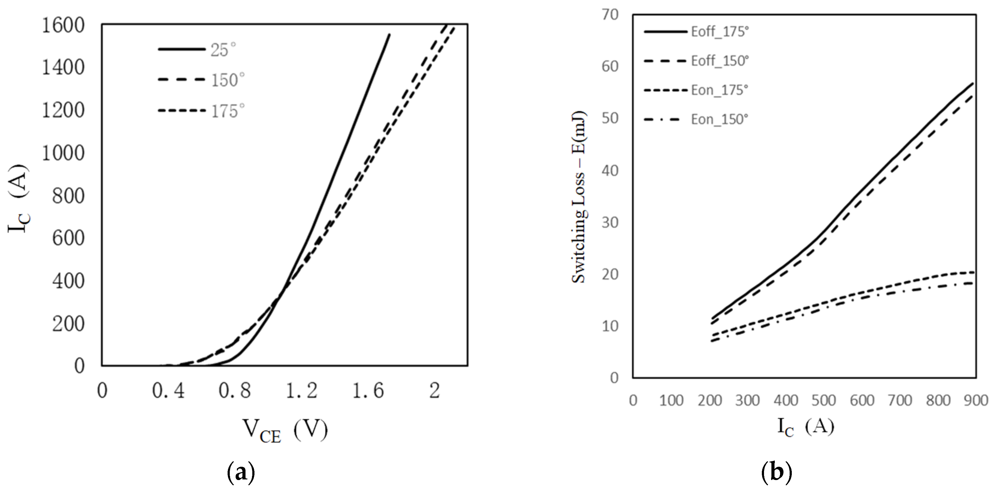
In the formula, represents the switching period, is the time from the peak of the modulation wave to the edge of the switching wave. The parameter curves of the IGBT module can be extracted from the IGBT datasheet, as shown in the figure:
The relationship curve between the conduction voltage drop VCE, the conduction current IC, and the junction temperature Tj is shown in Figure 7a.
Figure 7.
SGM820PB8B3TFM model IGBT module parameter curves: (a) IGBT output characteristic curve and (b) IGBT switching loss and collector current curve.
The conduction loss is calculated by integrating the product of the on-state voltage drop and the on-state current of the IGBT, and its mathematical expression is as follows:
Switching loss is mainly composed of turn-on loss and turn-off loss , which represent the energy loss in the turn-on and turn-off process of IGBT, respectively. Its calculation formula is as follows:
where is the collector-emitter voltage, is the collector current, and and are the turn-on and turn-off times, respectively.
In order to calculate the switching loss , we combine the switching frequency and the switching loss energy formula as follows:
In addition to switching losses, dynamic losses also have a significant impact on the efficiency and thermal performance of the system. Dynamic losses are mainly caused by parasitic inductance and capacitance, which are calculated as follows:
where and are the parasitic inductance and capacitance, and and are the rates of change of current and voltage, respectively.
In addition, at high switching frequencies, the effects of current fluctuations and voltage fluctuations are more pronounced, so the rate of change of inductor current needs to be considered [17]. Its maximum rate of change can be expressed as follows:
where is the minimum duty cycle, is the maximum value of the input voltage, is the inductance, and is the switching frequency.
The relationship between VCE, IC, and Tj can be obtained through interpolation and curve fitting, expressed as follows:
The relationship between the energy consumed during one turn-on (Eon) and turn-off (Eoff) of the IGBT module and IC can be fitted based on Figure 7b, expressed as follows:
The relationship between Eon, Eoff, and the junction temperature Tj can be expressed as follows:
Here, Eon-125 represents the energy loss for one turn-on at 125 °C, and Eoff-125 represents the energy loss for one turn-off at 125 °C. Similarly, the same principle applies to the diode, and based on this, the loss calculation model for the IGBT module can be established.
The conduction loss of the IGBT during one turn-on and turn-off cycle can be expressed as follows:
Here, represents the instantaneous current flowing through the IGBT.
The switching loss generated during each turn-on and turn-off of the IGBT is as follows:
The conduction loss of the FWD (freewheeling diode) during one turn-on and turn-off cycle is as follows:
Here, Dd represents the conduction duty cycle of the FWD within the period.
The reverse recovery loss generated by the FWD during each turn-on and turn-off is as follows:
The simulation model results and theoretical calculation results are shown in the Table 1.
Table 1.
Comparison of loss theoretical calculation and simulation results.
To verify the validity of the simulation model proposed in this paper, a comparative analysis was conducted between the simulation results and the typical algorithm. Table 1 shows the deviations between the simulation results and the datasheet-based calculations, where the relative errors are all within 4%. Although the deviations are small, their sources deserve further exploration. The datasheet calculations are based on idealized steady-state assumptions that do not take into account the dynamic changes in temperature and current, whereas the simulation model is able to reflect these dynamic behaviors, and thus the deviations may mainly come from: 1. errors in the fitting of datasheet parameters; 2. unmodeled nonlinear effects under extreme conditions (e.g., high temperature, high frequency); 3. simplifying assumptions of the thermal resistance network model.
Typical algorithms usually rely on static parameters provided in the IGBT datasheet and calculate conduction and switching losses using mathematical models. However, because this method fails to fully account for the dynamic changes of IGBT devices under complex operating conditions such as temperature and frequency, its accuracy is limited under extreme conditions like high temperature or high frequency. In contrast, the simulation model proposed in this paper offers significant advantages, meeting more stringent operational requirements in terms of both accuracy and applicability.
4. Discussion
The proposed loss calculation model is not only applicable to conventional three-phase inverters but also exhibits strong scalability, making it adaptable to more complex inverter topologies. The model can introduce loss calculations for each module and individually analyze the conduction and switching losses of each sub-module. Simulation results show that, in a three-level inverter, the model maintains an accuracy within 4%, effectively predicting the loss characteristics when multiple power modules operate in parallel. Furthermore, considering the potential use of redundant designs or modular inverters in electric vehicle systems, the proposed model can be flexibly adjusted to accommodate these designs. For systems with different operating modes and load imbalances, the model can automatically adjust the calculation strategy based on real-time data, ensuring both accuracy and efficiency. As such, the model provides theoretical support for conventional inverter applications and serves as an effective loss prediction tool for inverters with higher power density and more complex topologies.
Although the simulation model presented in this paper focuses on IGBT modules, its fundamental loss calculation framework is highly versatile and can be extended to other power semiconductor devices, such as MOSFETs and SiC devices. MOSFETs, known for their faster switching speed and lower conduction losses, perform excellently in high-frequency applications. To adapt the model for MOSFETs, dynamic capacitance effects, including output capacitance and gate drive losses, need to be incorporated. Additionally, SiC devices are increasingly used in high-voltage and high-temperature scenarios, where their low conduction resistance and switching loss characteristics require more precise thermal resistance network models to simulate dynamic behavior at elevated temperatures. For instance, the switching losses of MOSFETs and SiC devices can be modeled by adjusting the dynamic characteristics of switching voltage and current, while the nonlinear variation of thermal resistance under high-temperature conditions needs particular attention. These extensions will further enhance the model’s applicability in various power device applications, supporting a wide range of uses, from electric vehicle inverters to high-frequency DC-DC converters.
In the process of comparing the simulation results with the typical algorithm, we found that the loss characteristics of the IGBT are influenced by multiple factors simultaneously. These key factors include junction temperature, collector current, voltage, and switching frequency, all of which exhibit complex coupling relationships. Specifically, an increase in junction temperature leads to higher turn-on and turn-off losses as the conductivity of semiconductor materials decreases at elevated temperatures. Similarly, an increase in collector current exacerbates conduction and switching losses because higher current demands more energy to drive the switching operation. Furthermore, an increase in the collector-emitter voltage (VCE) directly results in greater switching losses. These factors are often not independent but interact with and amplify each other’s effects. For example, higher switching frequency not only increases switching losses but also causes further elevation of the junction temperature. Therefore, when optimizing the loss management of IGBT modules, it is essential to comprehensively consider the interactions of these factors to ensure system stability and efficiency. While the PLECS simulation model demonstrates high accuracy under medium switching frequencies and steady-state junction temperatures, its performance still has limitations under high switching frequencies and high junction temperatures. For example, at switching frequencies above 10 kHz, the simulation may not fully capture the impact of parasitic inductance effects and high-speed voltage spikes on losses. Moreover, when the junction temperature exceeds 125 °C, the thermal resistance and thermal capacitance parameters in the existing model, based on steady-state assumptions, may not adequately describe the dynamic thermal behavior. These limitations highlight the need for further improvement, potentially by incorporating experimental data or adopting dynamic thermal resistance network models to enhance simulation accuracy.
5. Conclusions
For the three-phase inverter system of electric vehicles under the SVPWM modulation method, this paper studies the IGBT module losses by using the IGBT datasheet to establish a three-dimensional lookup table model in the PLECS software. The simulation speed has been improved, and the accuracy of loss calculation in the estimation of IGBT module junction temperature in the simulation model has been enhanced. The simulation results indicate that the proposed simulation model achieves high accuracy, with a calculation error of less than 4%. Therefore, this method is suitable for the precise calculation of losses in IGBT modules for electric vehicles. However, despite the high accuracy and efficiency of the proposed PLECS simulation model in loss calculation, some limitations remain under extreme conditions, such as high switching frequencies and elevated junction temperatures. Future work could involve using multiphysics simulation tools (e.g., ANSYS or COMSOL) to improve dynamic thermal modeling or incorporating dynamic thermal resistance network models to enhance simulation accuracy under extreme conditions.
Author Contributions
Conceptualization, F.W. and W.D.; methodology, F.W., W.D., Y.S., Z.Z. and Z.L.; software, F.W. and B.L.; writing—original draft preparation, W.D. and Y.S.; funding acquisition, Z.Z. and J.L. All authors have read and agreed to the published version of the manuscript.
Funding
This research received no external funding.
Data Availability Statement
Data are available from the authors upon reasonable request.
Acknowledgments
This research was supported by the Chongqing technology innovation and application demonstration project (CSTB2022TIAD-DEX0015) and the Key Project of the Chongqing Natural Science Foundation Innovation and Development Joint Fund (CSTB2024NSCQ-LZX0158).
Conflicts of Interest
Author Jun Liu was employed by the company New Energy Research Institute, Chongqing Changan Automobile Co., Ltd. The remaining authors declare that the research was conducted in the absence of any commercial or financial relationships that could be construed as a potential conflict of interest.
References
- Zhang, S.; Zhao, R.; Yan, S.; Xu, Q.; Song, W. Method for Monitoring the Junction Temperature of Power Devices in Three-phase Inverters Based on the Thermal Resistance Model. J. Power Supply 2021, 19, 27–34. [Google Scholar]
- Tang, Y.; Wang, B.; Chen, M. Temperature Characteristics and Electro-Thermal Simulation Model of IGBT Switching Transients. Trans. China Electrotech. Soc. 2012, 27, 146–153. [Google Scholar]
- Mirizadeh, A.; Baroogh, F.A.; Gheydi, M.; Zarrabi, H.; Farhadi, P. Evaluation of Conduction and Switching Losses in Cascaded Multilevel Inverters. In Proceedings of the 2017 10th International Symposium on Advanced Topics in Electrical Engineering (ATEE), Bucharest, Romania, 23–25 March 2017; IEEE: Piscataway, NJ, USA, 2017; pp. 124–127. [Google Scholar]
- Okilly, A.H.; Choi, S.; Kwak, S.; Kim, N.; Lee, J.; Moon, H.; Baek, J. Estimation Technique for IGBT Module Junction Temperature in a High-Power Density Inverter. Machines 2023, 11, 990. [Google Scholar] [CrossRef]
- Shao, L.; Xu, G.; Zheng, L.; Pan, Z.; She, C. IGBT junction temperature extraction via voltage integral over voltage rise period. IEEE J. Emerg. Sel. Top. Power Electron. 2024, 12, 4227–4234. [Google Scholar] [CrossRef]
- Yang, X.; Heng, K.; Dai, X.; Wu, X.; Liu, G. A temperature-dependent Cauer model simulation of IGBT module with analytical thermal impedance characterization. IEEE J. Emerg. Sel. Top. Power Electron. 2022, 10, 3055–3063. [Google Scholar] [CrossRef]
- Yang, X.; Zhai, X.; Long, S.; Li, M.; Dong, H.; He, Y. Insulated Gate Bipolar Transistor Reliability Study Based on Electro-Thermal Coupling Simulation. Electronics 2023, 12, 2116. [Google Scholar] [CrossRef]
- Xue, P.; Davari, P. A temperature-dependent dVCE/dt and dIC/dt model for field-stop IGBT at turn-on transient. IEEE Trans. Power Electron. 2023, 38, 7128–7140. [Google Scholar] [CrossRef]
- Yan, Q.; Sun, P.; Zhao, R. Design of Simulation Experiment for Three-phase Two-level Converter Based on PLECS. Exp. Technol. Manag. 2019, 36, 119–122+127. [Google Scholar]
- Wang, Y.; Dai, X.; Wu, Y.; Steve, J.; Liu, G. Mechanism, Calculation, and Simulation of Power Loss in IGBT Modules. High Power Convert. Technol. 2015, 2, 62–66. [Google Scholar]
- Huang, H.; Bryant, A.T.; Mawby, P.A. Electro-Thermal Modelling of Three-Phase Inverters. In Proceedings of the 14th European Conference on Power Electronics and Applications (EPE), Birmingham, UK, 30 August–1 September 2011; IEEE: Piscataway, NJ, USA, 2011; pp. 1–7. [Google Scholar]
- Yao, F.; Wang, S.; Li, Z. Electro-thermal Coupled Simulation Model of IGBT Power Module in Inverter. Semicond. Technol. 2016, 41, 440–445+472. [Google Scholar]
- Wang, Z.; Li, M.; Liu, Z. Simulation Study on the Electro-thermal Performance of Power Units. Automot. Eng. 2023, 7, 11–15+21. [Google Scholar]
- Du, Y.; Liao, M. Loss Calculation of IGBT Module in Inverter and Its Cooling System Design. Electr. Drive Autom. 2011, 33, 42–46. [Google Scholar]
- Reichl, J.R.; Lai, J.S.; Hefner, A.R.; McNutt, T.R.; Berning, D. Inverter dynamic electro-thermal modeling and simulation with experimental verification. In Proceedings of the 2005 IEEE 36th Power Electronics Specialists Conference, Recife, Brazil, 12–16 June 2005; IEEE: Piscataway, NJ, USA, 2005; pp. 2208–2215. [Google Scholar]
- Bai, B.; Chen, D.; Wang, X. Calculation of IGBT Loss in Inverters and Design of Cooling Devices. Trans. China Electrotech. Soc. 2013, 28, 97–106. [Google Scholar]
- Hu, D.; Yin, A.; Davood, G. A transformer-less single-switch boost converter with high-voltage gain and mitigated-voltage stress applicable for photovoltaic utilizations. Int. Trans. Electr. Energy Syst. 2020, 30, e12569. [Google Scholar] [CrossRef]
Disclaimer/Publisher’s Note: The statements, opinions and data contained in all publications are solely those of the individual author(s) and contributor(s) and not of MDPI and/or the editor(s). MDPI and/or the editor(s) disclaim responsibility for any injury to people or property resulting from any ideas, methods, instructions or products referred to in the content. |
© 2025 by the authors. Licensee MDPI, Basel, Switzerland. This article is an open access article distributed under the terms and conditions of the Creative Commons Attribution (CC BY) license (https://creativecommons.org/licenses/by/4.0/).







