Abstract
The state of charge (SoC) is a critical parameter in lithium-ion batteries and their alternatives. It determines the battery’s remaining energy capacity and influences its performance longevity. Accurate SoC estimation is essential for making informed charging and discharging decisions, mitigating the risks of overcharging or deep discharge, and ensuring safety. Battery management systems rely on SoC estimation, utilising both hardware and software components to maintain safe and efficient battery operation. Existing SoC estimation methods are broadly classified into direct and indirect approaches. Direct methods (e.g., Coulumb counting) rely on current measurements. In contrast, indirect methods (often based on a filter or observer) utilise a model of a battery to incorporate voltage measurements besides the current. While the latter is more accurate, it faces challenges related to sensor drift, computational complexity, and model inaccuracies. The need for more precise and robust SoC estimation without increasing complexity is critical, particularly for real-time applications. Recently, sliding mode observers (SMOs) have gained prominence in this field for their robustness against model uncertainties and external disturbances, offering fast convergence and superior accuracy. Due to increased interest, this review focuses on various SMO approaches for SoC estimation, including first-order, adaptive, high-order, terminal, fractional-order, and advanced SMOs, along with hybrid methods integrating intelligent techniques. By evaluating these methodologies, their strengths, weaknesses, and modelling frameworks in the literature, this paper highlights the ongoing challenges and future directions in SoC estimation research. Unlike common review papers, this work also compares the performance of various existing methods via a comprehensive simulation study in MATLAB 2024b to quantify the difference and guide the users in selecting a suitable version for the applications.
1. Introduction
Energy storage systems (ESSs), particularly lithium-ion batteries (LIBs), are fundamental components of electric vehicles (EVs) and smart grids. The superior energy density, extended cycle life, minimal self-discharge, and absence of memory effect in LIBs make them highly suitable for EV applications, though challenges in safety and performance management remain pivotal areas of research [1]. The continuous decline in LIB prices has enhanced their dominance in the EV sector [2,3], solidifying their position as the preferred option for renewable energy grid integration and clean transportation [4,5]. The rising demand for LIBs is largely driven by the need for cost-effective, high-performance energy storage in EVs [6]. Earlier barriers to EV adoption, such as high costs and limited range due to immature battery technology in the early 2000s, have been gradually mitigated since the 2010s through advancements in battery chemistry, charging speeds, and vehicle range [7]. Continuous research efforts in both academia and industry have accelerated these developments [8], especially in space-constrained sectors where the demand for high-energy-density cells remains critical [9]. Consequently, LIBs have become essential to achieving a sustainable, zero-emission future by supporting transformative changes in the transportation and energy sectors [10].
However, a significant limitation in current LIB technology lies in the complexity of managing temperature, current, and state of charge (SoC)—factors that are closely tied to battery longevity, safety, and performance. The battery management system (BMS) is tasked with monitoring these critical parameters, but limitations in understanding LIB electrochemistry complicate precise prediction and control [11,12]. Accurate SoC estimation is essential to determining the remaining energy capacity of the battery, which directly influences vehicle range and operational safety [13].
SoC is defined as a metric that signifies the available battery capacity as a ratio of the current charge to the maximum charge. It is fundamentally a representation of the concentration of active material in the battery’s cathode. Given that the SoC cannot be directly measured, it must be inferred using mathematical models and estimation techniques. This estimation is vital to the BMS, which relies on it to regulate battery states and optimize both charging and discharging operations [1,14,15]. Without accurate SoC measurements, battery life can degrade, and potential safety risks, such as overcharging or over-discharging, may arise [12,16]. SoC estimation methods are broadly categorized into direct and indirect approaches. Direct methods do not rely on battery models and instead use measurable parameters like voltage, current, and internal resistance [1,17]. Although these methods are straightforward, cost-effective, and easy to implement, their simplicity can limit their accuracy, especially under varying operating conditions. On the other hand, indirect methods include more sophisticated techniques, such as filter-based (observer-based) or purely data-driven (or hybrid) approaches. The Kalman filter (KF) family is an example frequently used in model-based estimators to improve the accuracy of online SoC estimation by integrating feedback mechanisms [18]. The effectiveness of these methods is often contingent on the precision of the underlying models. Purely data-driven methods treat the battery as a “black box” with current, voltage, and temperature as inputs and the SoC as the output. They have emerged as powerful alternatives, leveraging large datasets to estimate state variables without requiring detailed knowledge of the system [19,20,21,22]. Nonetheless, the quality and quantity of data remain critical for them, as poor data (which is mostly the case in real applications due to limitations of sensing and transmission techniques) can severely bias the SoC estimation.
In the last decade, among observer-based methods, sliding mode observers (SMOs) have been increasingly suggested for their robustness in handling model uncertainties and external disturbances [23,24]. Unlike KF-based methods, SMOs exhibit superior stability and faster convergence, making them particularly well-suited for scenarios where computational resources are limited [1,14,15,25]. SMOs, by compensating for model uncertainties, offer a more reliable and computationally efficient solution for SoC estimation in low-cost applications.
Given the acclaimed advantages of SMOs, this review paper systematically examines the performance of various SMOs—ranging from first-order and adaptive SMOs to high-order and fractional-order versions—for SoC estimation. Each version offers distinct advantages, e.g., adaptive SMOs do not require knowledge of the bounds of battery models’ uncertainties, and terminal SMOs can provide finite-time error minimisation. Similarly, high-order SMOs offer smoother estimation profiles and reduced chattering effects [23,24].
Despite these advancements, several challenges remain in the field of SoC estimation with SMOs. The high nonlinearity of LIB systems and the dependency on accurate model parameters can still affect the precision and reliability of SoC estimations. Additionally, while SMOs provide robustness and stability, there is a need for further research into their long-term reliability, particularly in extreme operating conditions and under dynamic load demands.
This article provides a thorough exploration of SoC estimation methodologies, highlighting the strengths and limitations of both direct and indirect approaches, with particular emphasis on SMOs. The critical analysis of these methods underscores the need for further advancements in ensuring robustness, accuracy, and computational efficiency to meet the evolving demands of the electric vehicle industry. The review also identifies several areas requiring continued research, particularly in refining the mathematical models and addressing the computational complexity of these techniques.
2. SoC Estimation
This section reviews the existing methods for estimating the SoC of LIBs, addressing the limitations of these methods, and highlighting the distinctions and benefits of observer-based approaches.
2.1. Estimation Methods
In this paper, SoC estimation methods are categorized as shown in Figure 1. SoC estimation methods can be classified into direct and indirect approaches [26]. Direct methods include techniques such as ampere-hour (Ah) integration, open-circuit voltage (OCV) look-up tables, and impedance measurement-based methods. The Ah counting method, also known as Coulomb counting (CC), estimates SoC by accumulating charge or discharge over time. The OCV method estimates SoC based on the battery’s open-circuit voltage, which requires the battery to be at rest for accurate measurement and is often combined with Ah integration to correct cumulative errors. Impedance measurement systems use sinusoidal excitations at various frequencies to measure voltage and current, calculating cell impedance from their complex quotient. Battery cell impedance spectroscopy is typically approximated as two circles on the Nyquist plane. Electrochemical impedance spectroscopy (EIS) is used to analyze electrochemical processes and diagnose LIBs, as cell chemistry impacts the impedance spectrum curve. Experimental models can predict increases in internal resistance at different temperatures and SoC levels [17,27,28,29].
Figure 1.
Classification of SoC estimation methods.
Indirect methods include filter-based, data-driven, and observer-based techniques [12,22,30]. Filter-based methods include the KF, extended Kalman filter (EKF), unscented Kalman filter (UKF), particle filter (PF), and Gaussian process filtering. KF treats each battery cell as a dynamic system with inputs like current and temperature, and output as terminal voltage. EKF is widely used for SoC estimation, even with an unknown initial SoC. KF is optimal for linear systems, while EKF linearizes nonlinear systems step-by-step. The use of wavelet transform matrices can improve noise handling in harsh environments, enabling adaptive EKF. UKF eliminates the need for Jacobian matrix calculations and offers improved accuracy by capturing the statistical distribution of nonlinear systems [31,32,33].
Data-driven approaches treat the battery as a black box, learning internal dynamics from large amounts of measured data. Inputs such as current, voltage, and temperature are used to estimate the SoC. These methods use algorithms like neural networks (NNs), support vector machines (SVM), fuzzy logic, and deep learning. NNs mimic biological nervous systems and are suitable for nonlinear systems, but require large datasets for training. They are often combined with clustering algorithms or Kalman filters to improve accuracy. SVMs are effective for classification and regression in nonlinear, high-dimensional data and can be combined with Kalman filters for better SoC estimation. Fuzzy logic converts precise inputs into fuzzy variables for SoC estimation and is often paired with other methods to enhance performance. Deep learning models handle complex nonlinear mappings, while genetic algorithms (GAs) optimize estimation parameters, often in conjunction with NNs or other optimization techniques to improve accuracy and robustness [13,34,35,36]. Other specialized methods include remaining discharge energy estimation using pattern recognition and power prediction to estimate vehicle range [37], and state-of-health (SoH) estimation using accelerated testing methods [38].
Among SoC estimation techniques, model-based methods are the most practical for real-time applications, especially in electric vehicles (EVs), where robust and accurate SoC estimation is critical. EVs present complex driving conditions, such as significant current variations and nonlinear terminal voltages, making advanced SoC observers necessary. Observer-based methods, such as H∞ methods, proportional-integral observers, Luenberger observers, and sliding mode observers, provide strong robustness and accuracy even with imprecise sensor data or initial state errors. These methods rely on battery models and are well-suited for nonlinear systems, enhancing adaptability [14,16,17].
Observer methods include proportional-integral observers applied to simple RC battery models [39], adaptive gain nonlinear observers based on Lyapunov stability for EV battery SoC estimation [40], disturbance observer algorithms that reduce computational load for light EVs [41], and nonlinear observers using terminal voltage feedback and Lyapunov stability for handling measurement errors [42,43]. H∞ observers have also been developed for SoC estimation in situations lacking precise statistical data [44].
SMOs are commonly used for SoC estimation due to their robustness against disturbances and uncertainties. SMOs ensure accurate tracking by controlling the sliding regime, making them resilient to model uncertainties and environmental noise. While both Kalman filters and SMOs provide high precision, SMOs are more robust, converge quickly, and are easier to implement [45]. SMO variants include conventional first-order SMOs [15,46,47,48,49], approximated first-order methods [50,51,52,53,54,55,56,57,58,59], and high-order SMOs [60,61,62,63,64] that generate smoother estimation signals. Techniques like adaptive switching sliding mode gain improve robustness by reducing dependence on uncertainties [19,22,65,66,67,68,69,70,71,72,73,74]. Terminal SMOs guarantee finite-time stability in the sliding phase [75,76,77,78], while fractional-order SMOs [79,80,81] and advanced SMOs, such as high-order adaptive SMOs [82], integrate with fuzzy logic [83], radial basis function neural networks [52], and particle swarm optimisation [84]. SMOs can also be combined with EKF for enhanced performance [85].
2.2. Challenges in SoC Estimation Methods
Direct Approaches: The Ah counting method is a straightforward and widely utilised technique for SoC estimation. Its simplicity in hardware implementation and minimal computational demands are advantages. However, it requires precise knowledge of the initial SoC and is susceptible to measurement errors from environmental factors such as noise and temperature fluctuations. Additionally, it necessitates periodic recalibration to address issues stemming from ageing and varying conditions. The method’s accuracy is contingent on the precision of initial SoC determination, sensor accuracy, and sampling frequency. As an open-loop estimator, it can accumulate errors due to sensor noise and current measurement drift and may not be able to establish the initial SoC. This leads to significant SoC estimation errors due to sensor inaccuracies and Coulomb efficiency deviations. The reliance on look-up tables for initial SoC estimation further propagates errors throughout the process. Consequently, this method is less reliable and typically requires integration with model-based techniques to enhance accuracy [14,15,67]. The OCV method necessitates a period of battery rest to stabilise internal electrochemistry, which ensures precise SoC measurements. However, this approach is impractical for real-time SoC estimation due to its dependency on extended rest periods and its sensitivity to sensor inaccuracies. The efficiency of OCV calculations is heavily reliant on the accuracy of the reference tables used, rendering it unsuitable for online applications where real-time requirements are critical. Another drawback of the OCV method is its sensitivity to hysteresis. The internal resistance method is challenging to implement online due to measurement complexities and environmental influences. It offers insights into battery SoC but is limited in high discharge current scenarios typical in EVs and requires bulky, costly equipment, making it impractical for real-world applications. This measurement is also not very applicable in real-time estimations and on-board setups. Impedance spectroscopy is highly sensitive to temperature variations and may not fully capture battery dynamics under high discharge currents. It requires expensive and cumbersome equipment, limiting its applicability for onboard SoC estimation in EVs [28,29,67].
Filter-Based Methods: Filter-based methods, such as the KF and EKF, offer high-precision SoC estimation but are computationally intensive and dependent on accurate system models. KF performs optimally for linear systems, while EKF approximates nonlinear systems by linearising them at each step. Both methods face challenges in real-world implementation, including the need for accurate system models and noise statistics. KF struggles with feedback gain selection and requires perfect system modelling and Gaussian noise assumptions. EKF introduces linearisation errors, which can lead to filter instability in highly nonlinear battery systems. Additionally, both methods require accurate battery model parameters and constant noise covariance values, which are difficult to obtain, leading to potential estimation errors and divergence [12,14,15,74].
Data-Driven Methods: Data-driven methods, including artificial NN [30,35] and fuzzy logic-based methods [36], bypass the need for accurate battery models by treating the system as a black box and using training data to estimate SoC. Despite their ability to handle environmental factors, these methods face challenges such as high computational costs, long processing times, and dependency on the quality of training data. NN-based methods require extensive, reliable training data and advanced processing hardware, while fuzzy-based algorithms depend on precise rule and membership function definitions. Both approaches may become unreliable if discharge current profiles deviate from those represented in the training data, and the intensive computing requirements limit their suitability for real-time applications [14,15].
Observer Based Methods: H∞ observers are characterized by complex calculations and high computational demands. They require a deep understanding of mathematical concepts and rely on accurate system models. The linearization of OCV-SoC characteristics in H∞ observers may lead to suboptimal SoC estimation. Extended-state continuous and discrete-time nonlinear observers have been proposed as alternatives, with SMOs demonstrating superior tracking performance compared to UKF and EKF. However, SMOs require precise parameter selection and a trade-off between smoothness and convergence accuracy. Most SMOs achieve asymptotic rather than finite-time convergence, limiting their practical effectiveness in SoC estimation [86,87,88,89,90,91,92].
Table 1 provides a summary of the challenges in SoC estimation methods. Section 4 will delve into the specific challenges associated with various SMOs for SoC estimation.
Table 1.
Challenges in SoC estimation methods.
3. Models for SoC Estimation
A comprehensive battery model can effectively characterize battery nonlinearities such as OCV, internal resistance, and transient voltage response, thereby enhancing performance prediction and optimizing battery management for safety and longevity. The primary challenge in SoC estimation is developing a model that accurately represents the battery’s internal state, including temperature-dependent resistance and capacity degradation. Estimation accuracy is compromised by modelling imperfections, parametric uncertainties, sensor inaccuracies, and measurement noise, necessitating a trade-off between precision and computational complexity. Battery ageing, influenced by factors such as temperature, time, SoC, cycle number, charge rate, and depth of discharge, further impacts SoC estimation accuracy. For real-time EV applications, models must be simplified while still providing acceptable estimation accuracy. Effective modelling and state estimation are crucial for ensuring stable and optimal battery operation. As illustrated in Figure 2, battery models for SoC estimation include physical electrochemical models [93], electrical equivalent circuit models (ECMs), and data-driven and Volterra equations-based models. Among these, ECMs and data-driven models are commonly employed for EV battery SoC estimation. High-resolution electrochemical models offer high accuracy but are computationally demanding, making them unsuitable for real-time applications. ECMs, which are comprised of components such as capacitors, resistors, diodes, and voltage sources, are favoured for their simpler construction and suitability for real-time use. They capture battery dynamics effectively and are widely used due to their straightforward state equations derived from circuit analysis. However, achieving perfect modelling across all operating conditions remains a significant challenge [15,19,74,94]. Nonlinear integral Volterra equations are another model used for optimal control of the charging and discharging processes and for determining the operating modes of storage batteries. This model accounts for the nonlinear dependence of efficiency on the state of charge [94].
Figure 2.
Classification of battery models for SoC estimation.
The ECM’s main components include resistance and capacitance (RC). The order of ECMs can be defined by increasing or decreasing the number of these components. Some RC models also feature elements to represent battery hysteresis behaviour [95,96].
ECMs are categorized into four types based on their theoretical foundations, with each having distinct expressions and features. A comparative analysis of these four battery modelling methods reveals their respective advantages and limitations.
3.1. First Order RC ECMs
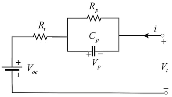
A simple first-order resistor–capacitor model is employed for LIB modelling in [15,84,97,98,99,100]. All the modelling errors, uncertainties, and time-varying elements are considered as external disturbances. A RC ECM of a lithium-polymer battery consists of a nonlinear voltage source Voc as a function of SoC, a capacitance Cp to model chemical diffusion of the electrolyte within the battery, a diffusion resistance Rp as a function of current i, an ohmic resistance Rt, and terminal voltage Vt. The resistor–capacitor electrical model including uncertainties is shown in Figure 3.
Figure 3.
First order resistor-capacitor electrical modelling of a LIB.
This battery model is not linear if its parameters are not linearly proportional to the SoC. As for the temperature variation, the OCV of a LIB generally varies non-linearly over its SoC range, the same as Figure 4 for different temperatures.
Figure 4.
Open circuit voltage vs. SoC of LIB for different temperatures [101].
To develop a piecewise linear model, define:
for some range of SoC. Thus, κ is not a constant but varies depending on SoC. is defined as the Voc linearisation error caused by the piecewise linearisation. The complete state equation is given as follows [15]:
where represent the system’s uncertainties and internal/external disturbances, and and are parameters of this model, defined in [15] based on the ECM resistance and capacitor values.
In [62], the current derivative is also considered as an input, given as:
In [53,60,102], a first-order RC ECM with the hysteresis of a LIB is modelled. The battery ECM is shown in Figure 5. In this model, Vh denotes the hysteresis voltage.
Figure 5.
First order battery equivalent circuit model with hysteresis.
State equations for this model have been defined as:
where is the battery capacity and Vp is the voltage of RpCp network, which represents the polarisation voltage of the electrochemical response inside the battery. The hysteresis voltage can be expressed as:
where k is a decaying factor, H is the maximum amount of hysteresis voltage determined by charging/discharging OCV, and ± represents charging and discharging, respectively.
The hysteresis loop in battery charging/discharging OCV curves is illustrated in Figure 6.
Figure 6.
Hysteresis loop in battery charging/discharging OCV curves [103].
The LIB model used in [57] is similar to the previous model, with the difference that the variations in are considered as follows:
where is the rated capacity of the LIB, and is the capacity fading factor.
In [82], the terminal voltage and SoC are considered the only state variables of the system. The ECM of this paper is shown in Figure 7.
Figure 7.
Simplified first-order ECM of the LIB.
The system’s state equations are defined as follows:
in which the parameter d is given as follows:
3.2. Second Order RC ECMs
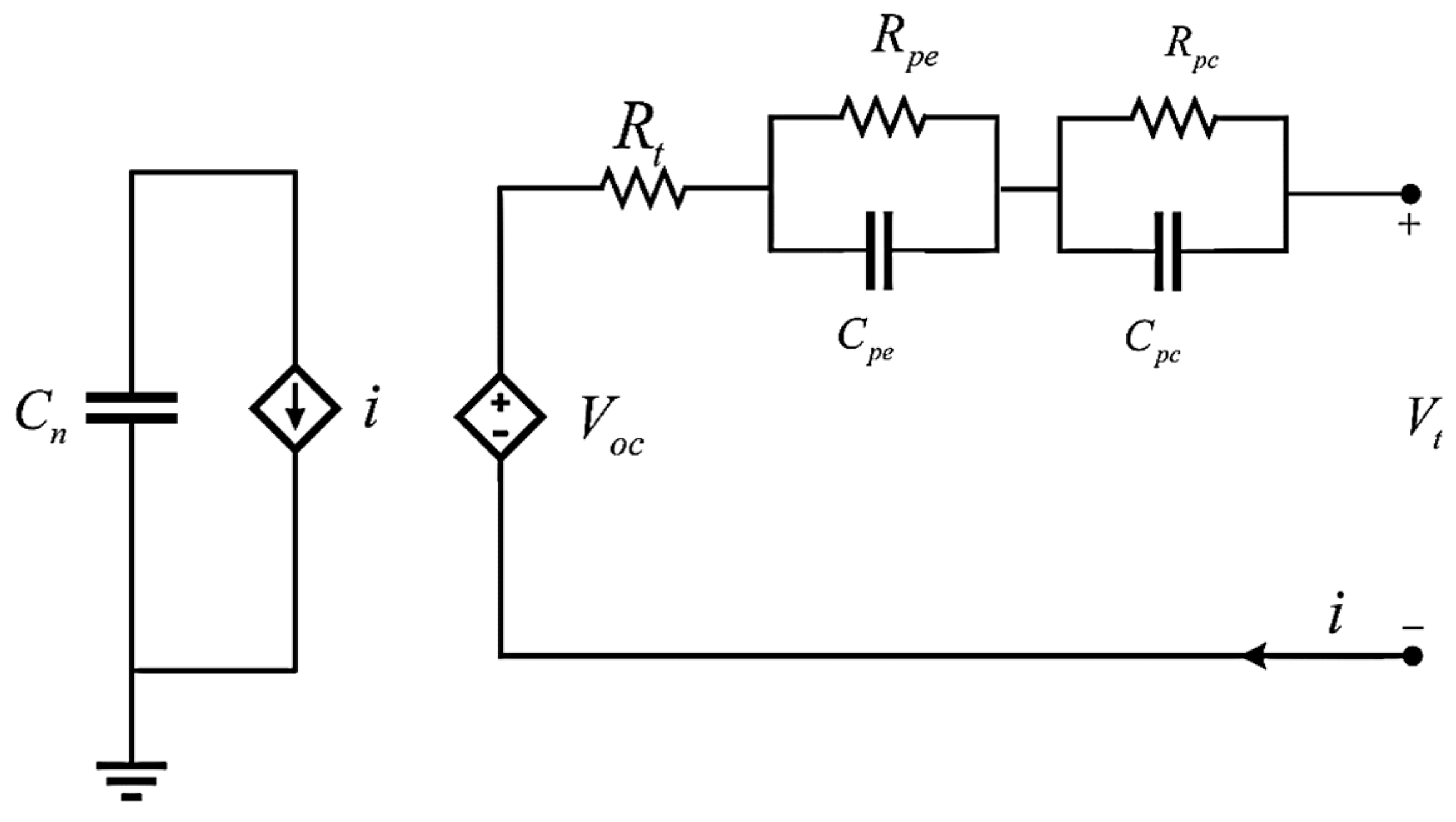
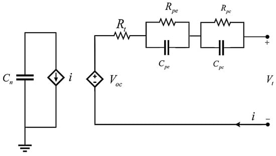
In [22,71,77,84], a second-order RC ECM is presented for LIB dynamics as shown in Figure 8, where the variations in the circuit parameters are also included to represent the modelling errors. In second-order RC ECMs, two parallel resistive and capacitive branches include the electrochemical polarization resistance (Rpe) and capacitance (Cpe), as well as the concentration polarization resistance (Rpc) and capacitance (Cpc). These components reflect the battery’s short-term and long-term transient responses due to its relaxation effect. This relaxation effect describes the gradual stabilization of the battery terminal voltage to the OCV at equilibrium after several hours of rest following charging or discharging. It is primarily caused by diffusion and double-layer charging or discharging effects within the battery.
Figure 8.
Second Order RC ECM.
The battery’s equivalent circuit model uses a capacitor (Cn) to represent stored energy. SoC is shown by the capacitor’s voltage, varying from 0% to 100%. The model includes resistive and capacitive elements for polarization effects and simplifies to an ohmic resistor for energy losses, excluding minimal self-discharge. Variations in circuit parameters, denoted by symbols, arise from modelling errors and disturbances.
The state-space equations of the second-order battery ECM are given as follows:
In [72], the thermal part of the model is added into the equations. In [61], the state equations are as follows:
The and are defined as follows:
where is the constant matrix corresponding to the SoC range and represents the differential error, the modelling error, and uncertain disturbances. is derived from:
In [47], the system’s state equations are defined as follows:
where represents the nonlinear part of the system and the external disturbance, and the total system uncertainties are given by:
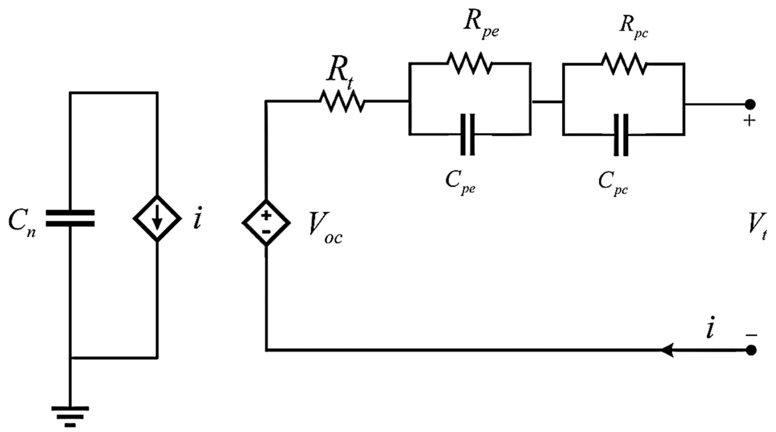
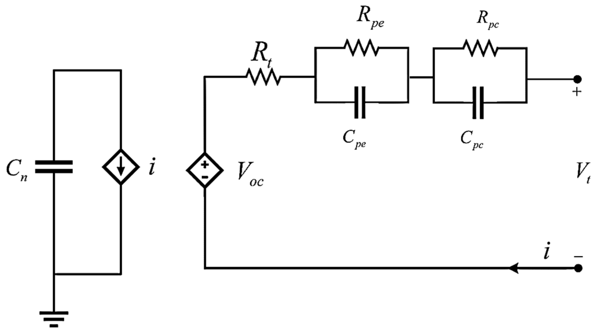
In [104], a second-order RC network equivalent circuit model with the hysteresis of a LIB is modelled. The battery ECM is shown in Figure 9.
Figure 9.
Second order battery ECM with the hysteresis.
The state space model is shown as follows:
where , and .
In [48,50,52], a similar approach to (6) is used, with the difference being that a second-order equivalent RC circuit is utilized, which includes both and .
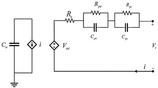
In [83], a second-order RC ECM is introduced with a schematic diagram as shown in Figure 9 without a hysteresis part. The state space equation can be derived as follows:
is the capacity of the battery which could be obtained via a capacity test.
3.3. n-th Order RC ECMs
In [55], the state space equation remains the same as in (6), except that the circuit used is of the nth-order type. Figure 10 illustrates the nth-order Randle circuit model.
Figure 10.
Nth-order Randle battery ECM.
It is assumed that there exists a function relationship Voc = g(SoC) between Voc and the battery SoC; C1, C2, . . . , Cn and R1, R2, . . . , Rn reflect the charge transfer and diffusion effect. Choosing [V1, V2, . . . , Vn, Voc]T as state vector, assuming the battery capacity is Qn, and considering the influence of linearisation error, the errors caused by battery internal and external disturbances, and so on, the nth-order Randle circuit model state space equation can be expressed as:
where are bounded nonlinear uncertain functions.
3.4. Fractional Order RC ECMs
Fractional order derivatives and integrals are powerful tools for describing the memory and hereditary properties of various substances. Fractional order systems can be more accurately represented by fractional order models, which encompass traditional integer order systems and share some of their properties. In [19,51], an RC circuit model is extended to a fractional order equivalent circuit model (FOECM) for LIBs, accounting for time-varying disturbances and nonlinear system characteristics. The model includes OCV, resistances, capacitances, and terminal voltage, with uncertainties depicted in Figure 9 without hysteresis part.
The OCV increases linearly with SoC, modelled the same way as relation (12). The differential equations of the FOECM are shown as:
In [79,80], a fractional order RC equivalent circuit model for LIB is employed, in which a fractional order RC loop is used to model the polarization effect and nonlinear factors, and to approximate the modelling errors. The fractional order RC equivalent circuit model is shown in Figure 11.
Figure 11.
Fractional order RC ECM.
3.5. LIB ECMs Comparision
Comparing different ECM models for LIBs, it can be observed that first-order models are simpler, while second-order models can capture more detailed battery behaviour. Both categories can incorporate hysteresis, temperature effects, and uncertainties due to simplified dynamics, parameter tolerances, and external disturbances. Although higher-order models provide more detail, they also result in more complex relationships.
Fractional order models, compared to conventional integer order models, offer a more precise depiction of real system dynamics. They are more objective and original in revealing the nature of phenomena and provide additional parameters for optimizing model accuracy [19].
A comparison of three ECMs—zeroth, first, and second-order—using an LFP cell showed that the second-order ECM performed best, followed by the first-order ECM [105]. Ref. [95] found that the first-order ECM was preferable for NMC cells, while the first-order ECM with hysteresis was better for LFP cells. Performance comparisons of three widely used ECMs, including a first-order ECM, a second-order ECM, and a first-order ECM with hysteresis in [106], indicate that all three ECMs predicted battery voltage with low errors. ECMs performed better under dynamic current profiles, such as a UDDS cycle, compared to non-dynamic profiles like constant discharge/rest/charge cycles. ECMs performed best for LFP cells and worst for NCA cells, with NMC and LMO cells showing intermediate results. Overall, the best model for LFP and NCA was 1RC with hysteresis, as the accuracy improvement justified the increased computational complexity. For NMC and LMO, the best model was 1RC, offering decent accuracy with the lowest complexity.
Each ECM has its strengths and is suited for different types of LIBs and application scenarios. The choice of model depends on the specific requirements for accuracy, complexity, and computational resources.
4. Existing SMOs for SoC Estimation
This section provides an overview of various SMOs utilized for estimating the SoC in LIBs. SMOs are effective for estimating unobservable variables, such as state variables and disturbances, in dynamic systems. When the unmeasurable variables are observable, SMOs can estimate them based solely on the system’s output. Key characteristics of SMOs include their non-linearity and robustness [23,107]. We compare the performance of different SMO types, including first-order constant-gain, second-order constant-gain, and first-order adaptive-gain SMOs, focusing on design simplicity, estimation accuracy, and anti-chattering capabilities, as discussed in [108]. The comparison covers various SMO types such as conventional, adaptive, high-order, terminal, fractional-order, advanced, and combined sliding mode observers, as shown in Figure 12. Each method’s approach to SoC estimation, chattering reduction, and stability assurance is examined.
Figure 12.
Classification of SMO-based SoC estimation methods.
4.1. Conventional SMOs
In [15], a SoC estimation method for LIBs using an SMO is presented. Unlike conventional methods that rely on complex battery models, this approach employs a simple RC model to minimize calculation time and system resource requirements. The SMO compensates for modelling errors inherent in the simplified model. Despite the straightforward design, this system demonstrates robust control properties against modelling errors and uncertainties. However, the use of a first-order SMO introduces chattering in the estimation data, and only asymptotic stability is confirmed, with no calculation of the zero-error duration.
In [109], a first-order battery ECM, similar to Figure 3, is used as a model, and a first-order sliding mode observer is designed to estimate the state of charge. This observer employs a smooth function instead of the sign function, resulting in smoother estimations. However, this approach does not guarantee high accuracy in the estimations, only proving asymptotic stability and depending on the uncertainty upper bound for its gains. In [46], a second-order ECM for battery SoC estimation, similar to Figure 8, is considered. The conventional sliding mode approach in this study suffers from chattering and relies on system uncertainty bounds for gain adjustments.
In [50], Lyapunov analysis is applied to ensure stability, and several constraints are imposed on the observer’s gains to achieve finite-time stability. The continuous approximation method is used to reduce chattering, but it introduces issues such as steady-state error. In [51], an SMO based on a fractional-order ECM for LIBs is discussed. This approach uses the hyperbolic tangent function instead of the sign function, raising concerns about stability analysis and increasing estimation errors. The method provides stability but does not guarantee finite-time convergence. In [52], stability is confirmed using Lyapunov analysis, but the method imposes numerous restrictions on observer gains to achieve finite-time stability. Chattering is addressed using an approximation of the sign function, though this approach results in steady-state errors. In [53], a first-order RC network ECM incorporating hysteresis characteristics of LIBs is used. An SMO designed for SoC estimation in EVs employs a sign function approximation, which does not guarantee finite-time stability and disregards parametric uncertainties. In [54], Lyapunov analysis is applied, but finite-time stability is not guaranteed. The replacement of the sign function with a saturation function is used to reduce chattering, which raises concerns about stability. In [55], the use of a sign function approximation leads to steady-state errors, impacting estimation accuracy. In [49], a first-order SMO for SoC estimation in EV LIBs is discussed, with robustness proven using the Lyapunov stability theorem. The presence of a sign function results in chattering, and first-order conventional SMOs require an uncertainty bound to ensure robustness. In [56], robustness is demonstrated through Lyapunov stability, but the use of a sign function approximation introduces steady-state errors.
In [57], a dual SMO method for joint SoC and state of health (SoH) estimation is proposed. An ECM with a single resistor-capacitor network represents LIB dynamics, with one observer estimating terminal voltage and SoC and another estimating battery capacity for SoH calculation. The method uses a sign function approximation and does not guarantee finite-time stability. In [59], a time-varying model-based discrete sliding mode observer is proposed and verified using a hardware-in-the-loop platform. However, the use of a saturation function results in smoother estimation but reduces accuracy, achieving only asymptotic convergence. In [47], real-time SoC estimation for LIBs is investigated using an SMO algorithm. The conventional SMO results in chattering issues and only a single Li-ion cell is considered in this study.
In [49], a voltage dynamics model for LIBs is developed by integrating the current-integral principle with the voltage charge curve into an ECM. An SMO designed for low computational power and practical engineering applications suffers from chattering due to the direct use of the sign function. Stability is proven through Lyapunov analysis, but convergence time is not addressed. In [100], an SMO for SoC estimation is proposed without conducting a stability analysis. In [110], a conventional first-order SMO is designed with a non-smooth sign function, ensuring asymptotic stability while considering the uncertainty upper bound.
In [15], first the state space model of the LIB dynamics described in relation (2) is considered as:
where the , , and matrixes can be calculated based on relation (2), and is bounded uncertain part of system.
First, the observability matrix for this system is obtained; then, it is proved that the suggested modelling, as presented in relation (2) is observable, making it possible to estimate the internal state of the battery. Then, a first-order sliding mode observer has been designed for SoC estimation as:
where the gain matrix L and the switching gain ρ are chosen to ensure the stability of the observer system. To ensure the stability, the following Lyapunov candidate is considered:
where is the estimation error vector and P is obtained by solving , where Q is a positive definite matrix, usually considered to be Q = I.
The stability condition is considered as follows:
The stability condition is satisfied by applying the constraint , which is the upper bound of uncertainty.
Remark 1:
The use of the sign function in relation (20) causes chattering in the estimated signal when the output estimation error is close to zero, necessitating smoothing. Additionally, to ensure the stability of this observer, the upper bound of the uncertain parts of the battery dynamics and the estimation error are required. Furthermore, relation (22) only guarantees the stability of the estimation error, whereas finite-time stability is one of the attractive features of first-order sliding mode theory.
In [54], the same calculation is presented to prove the system observability. In [53], the observability of the system is first examined using a nonlinear analysis method.
In [50,52,53,71], the observer is described as below:
and are observer gains and is a parameter for smoothing adjustment. To analyze the convergence of the observer, the state estimation error is defined as and the Lyapunov function is:
Then, the sufficient condition for the stability of the observer is as follows:
This condition is satisfied by imposing certain restrictions on the observer’s gains.
Remark 2:
The observer in relation (23) provides a smooth estimation signal. However, according to relation (25), it only guarantees the stability of the estimation error and does not ensure finite-time stability. Additionally, this method can only bring the system into the boundary layer, but within the boundary layer, it does not guarantee resistance against uncertainties, disturbances, or stability.
In [111], a scheme for joint SoC and SoH estimation for LIBs is introduced, utilizing conventional first-order sliding mode theory applied to electrochemical models. This approach simplifies the estimation process while addressing both SoC and SoH, making it suitable for real-time applications. In [112], a real-time implementation of a conventional first-order SMO for Li-ion battery SoC estimation and fault detection is discussed. This method is noted for its simplicity, ease of real-time implementation, and reduced computational complexity compared to Kalman filter-based techniques.
In [113], a first-order SMO is proposed where switching gains are dynamically adjusted based on output error variance to enhance SoC estimation error convergence speed and mitigate chattering issues. In [114], an implementation of a battery SoC SMO using field-programmable gate array (FPGA) technology is examined. The SMO employed is a conventional first-order type with continuous approximation to produce a smoother estimation signal. In [115], a comparative analysis of the KF and conventional first-order SMO is conducted, evaluating the accuracy, design requirements, and overall performance. The study demonstrates that both methods are competitive in precision. However, the SMO exhibits greater robustness against model uncertainties when the feedback gain is properly selected. From an implementation perspective, while the UKF requires a more powerful computing platform, the SMO offers ease of implementation by focusing solely on feedback gain computation.
4.2. Adaptive SMOs
In [65], a combined SoC and SoH estimation method for multicell Li-ion batteries is introduced. This method integrates an enhanced Coulomb counting algorithm with an electrical circuit model and employs a least squares-based algorithm for parameter identification. An adaptive SMO corrects SoC estimation errors, ensuring robust real-time estimation. The method, validated with a four-cell battery pack, incorporates a boundary layer method to mitigate chattering, which otherwise impacts accuracy and results in only asymptotic convergence of estimation errors.
In [22], an adaptive switching gain SMO for SoC estimation is proposed. Unlike constant gain SMOs, this adaptive approach dynamically adjusts switching gains based on tracking errors, reducing chattering and improving SoC estimation accuracy. However, the use of the sign function introduces chattering and challenges with overestimation, with stability guaranteed only for the sliding variable and estimation error. In [67], an adaptive gain SMO is developed for SoC estimation using a combined battery equivalent circuit model. The Lyapunov stability theory is used to prove error convergence. In [19], a FOECM describes battery characteristics with time-varying elements treated as disturbances. An adaptive method adjusts SMO gains based on estimation errors. To reduce chattering, a continuous hyperbolic tangent function replaces the sign function. While Lyapunov analysis ensures convergence, continuous approximation leads to reduced accuracy and only asymptotic stability is proven under restrictive conditions.
In [30,66], an SMO for SoC estimation in lithium-polymer batteries for EVs integrates online parameter identification using a forgetting factor recursive least squares algorithm and a radial basis function neural network for system uncertainty approximation. Despite using a positive definite Lyapunov function, the derivative is only negative semi-definite, indicating stability but not guaranteeing asymptotic or finite-time stability. The method also requires extensive offline learning due to the neural network component. In [68], an adaptive SMO for SoC and SoH estimation in Li-ion batteries is presented. Although the Lyapunov analysis ensures stability, it only confirms stability without guaranteeing asymptotic or finite-time stability. Replacing the sign function with a continuous approximation increases steady-state error. In [69], an adaptive SMO is proposed for SoC estimation in EVs, but Lyapunov analysis does not guarantee finite-time stability.
In [70], a novel algorithm for online parameter estimation is used to develop an adaptive battery model and an SMO for SoC estimation. The method adapts its parameters to the online estimates. In [71], an adaptive SMO based on the state-space equation for power battery SoC estimation is studied. The Lyapunov analysis is used to ensure stability, but numerous restrictions on observer gains are imposed to achieve finite-time stability. Chattering is reduced using a sign function approximation, which introduces steady-state error. In [72], an ECM combined with a lumped thermal model is used for an online adaptive SMO. The approximation of the sign function leads to steady-state error. In [73], a sliding mode method with adaptive gain is applied, but finite-time stability is not guaranteed, and convergence relations are not provided.
In [116], the performance of an adaptive gain SMO and an artificial neural network for SoC estimation in electric vehicles is compared using processor-in-the-loop tests. The results show both methods are effective, with the adaptive gain SMO slightly outperforming the neural network due to training data limitations. In [117], an adaptive SMO is proposed for estimating the SoC and internal temperature of Li-ion batteries. A continuous approximation method is employed to eliminate chattering. The observer is carefully designed, parameterized, and validated through modelling and experimentation on a commercial 64 Ah Li-ion pouch cell.
In [67], the adaptive SMO equations are as follows:
where are the adaptive switching gains which are adapted according to updating laws. For example, whit , which can be chosen to adjust the speed adaptation for the switching gains function. The stability analysis is conducted using the Lyapunov function, .
By deriving this function, we obtain:
Thus, the terminal voltage error as the sliding variable asymptotically converges to zero as time tends to infinity.
In [22], an adaptive switching gain SMO is presented. The observer is proposed as follows:
where and the adaptive switching gain is updated by the standard adaptive sliding mode law given as . A Lyapunov function candidate including both state errors and adaptive error is considered as follows:
where is the desired switching gain, and P is obtained by solving the Riccati equation.
By taking the derivative of the Lyapunov function, the finite-time stability condition is satisfied by applying the constraint on in which is the upper bound of system uncertainty.
Remark 3:
The observers presented in relations (26) and (28) are independent of the upper bound of the uncertain part. However, similar to first-order sliding mode detectors, they include the sign function, which leads to chattering in the estimated signal. Additionally, the finite time stability of the estimation error is not guaranteed in these methods.
In [68], the discontinuous function sign is substituted by a continuous one to reduce the chattering effect as:
The adaptive gain is as follows:
The Lyapunov candidate function is defined as .The derivative of the Lyapunov function ultimately results in asymptotical stability.
In [69], an adaptive SMO is presented as below:
The switching gain of SMO is adaptively adjusted through . This term can also lead to the smoothing of the estimation signal.
In [72], the battery model can be described as below:
where represents the uncertainty vector. The observer equation is shown as follows:
A candidate for the Lyapunov function V is considered based on estimation and adaptation errors. By choosing an appropriate and , the time derivative of the Lyapunov function will be negative.
4.3. High Order SMOs
In [60], a second-order SMO for battery SoC estimation is introduced. Lyapunov analysis is employed to ensure stability, with numerous constraints imposed on the observer’s gains to achieve finite-time stability. In [61], a super-twisting SMO is proposed for Li-ion battery SoC estimation. The observer design is based on a second-order RC ECM to capture the dynamic behaviour of the battery. The model parameters are identified using a pulse current discharge method. Lyapunov’s stability theory is used to prove the convergence of this SMO.
In [62], a high-order SMO is applied to Li-ion battery SoC estimation. This observer, which involves higher-order derivatives, increases system complexity and potentially introduces greater estimation errors. The paper lacks details on stability analysis and convergence time. In [64], high-order sliding mode techniques are utilized for SoC and SoH estimation. However, this method does not specify the convergence time for the estimates. In [118], a second-order discrete-time SMO is proposed for SoC estimation in Li-ion batteries. This approach effectively eliminates chattering, a common issue with first-order sliding mode methods, thereby improving estimation accuracy. However, the observer’s gains are contingent on the upper bounds of modelling errors.
In [60,61,100], a super-twisting SMO is presented as below:
where . The error dynamic in these papers is obtained as:
The following Lyapunov function is considered for finite-time stability analysis:
By differentiating this function, the following equation is ultimately obtained:
which satisfies the conditions for finite-time stability. is the smallest eigenvalue of , and is the largest eigenvalue of .
In [62], a higher-order SMO with two generalized super-twisting observer-based identification algorithms are presented to estimate SoC and SoH in LIBs.
Remark 4:
The observer in relation (48) is based on the second-order sliding mode theory, providing a smooth estimation signal and guaranteeing finite-time stability of the estimation error. However, in the super-twisting method, to ensure stability, the gains must be adjusted according to the uncertain upper limit.
4.4. Terminal SMOs
In [75], a real-time estimation algorithm for the SoC of LIBs using a terminal SMO is presented. Despite its application, the algorithm still suffers from chattering issues due to the direct use of the sign function, as demonstrated by the simulation results. In [76], the real-time estimation of both the SoC and SoH of LIBs is explored using three distinct terminal SMOs. Each observer estimates one variable of a LIB, and two additional SMOs are introduced for SoH estimation. Although the paper claims to have reduced chattering amplitude, chattering remains an issue, attributable to the continued use of the sign function, as shown in the simulations.
In [78], a terminal SMO based on a hysteresis resistor–capacitor ECM is employed for precise SoC estimation. This method requires tuning of the observer gains using uncertainty bounds and demands more measurements than conventional SMOs. In [119], both the Luenberger algorithm and terminal sliding mode algorithms are utilized to estimate the SoC and SoH of LIBs. The stability and convergence of the estimators are validated using Lyapunov’s theory.
Using the integral terminal SMO concept for SoC estimation, the sliding surfaces are defined as follows:
where , , and are observer gains. The observer’s equations are as follows:
Because the sign function is placed under the integral in relation (55), the estimation signal is smoother than methods that directly include the sign function. However, the challenge of this method relates to the need for the upper bound of the uncertain part of the battery dynamics.
4.5. Fractional-Order SMOs
In [79], a fractional-order SMO is proposed for estimating the SoC of LIBs. The method uses the hyperbolic tangent function instead of the sign function, which raises concerns about stability analysis and introduces increased estimation error. While stability is demonstrated, finite-time convergence is not guaranteed. In [80], the convergence of the fractional-order SMO is further analyzed using Lyapunov’s stability theory. Ensuring stability requires knowledge of the upper bound of the uncertain function. Although a higher value for the switching function can improve robustness, it also exacerbates chattering. To mitigate chattering, the use of the hyperbolic tangent function is suggested, but this approach may lead to increased steady-state error and more complicated stability analysis. In [81], three cascaded fractional-order SMOs are developed to estimate SoC by observing different battery voltages: terminal voltage, polarization voltage, and open-circuit voltage, respectively.
In [51,79,80], the observer is as below:
To guarantee the convergence of the error system, a Lyapunov candidate function is chosen. By calculating the time derivative of , is obtained, and then the system error is converged.
In relation (56), the direct use of the sign function results in an uneven estimation. Additionally, the observer’s gains require the upper limit of the uncertain part and the estimation error to ensure stability.
In [79,80], the hyperbolic tangent function is used instead of the sign function, which may lead to increased steady-state error and ambiguity in the stability analysis. In [79], the observer gain is dependent on Voc estimation error to guarantee the stability.
In [81], the observer equations are as below:
In this observer, due to the signal resulting from the sign function passing through a fractional-order integral, a smoother estimation will be provided.
4.6. Advanced SMOs
In [82], an adaptive observer-based approach for estimating battery SoC using the super-twisting algorithm is presented. This method is nonlinear and robust, and it guarantees finite-time stability while providing smooth estimation. The adaptive super-twisting SMO presented in this paper is as follows:
The is the adaptive gain vector. Considering , and the Lyapunov theory, the finite-time convergence of and is guaranteed.
This observer combines the advantages of both second-order and adaptive methods; however, despite its advantages, the super-twisting method is not entirely smooth and struggles with measurement noise and random processes [120].
In [77], a second-order fast non-singular terminal SMO is proposed for SoC estimation in LIBs, considering a system the same as in (19) and a fast non-singular terminal sliding manifold given as:
The method ensures asymptotic stability, but does not prove finite-time stability or calculate convergence time.
4.7. Combined-SMOs
Ref. [58] integrates an SMO with an H∞ filter to estimate SoC using a second-order RC equivalent circuit model. The method employs the boundary layer technique, replacing the sign function with a saturation function to smooth the estimation signals. However, this approach can lead to steady-state errors and does not ensure finite-time stability. Similarly, in [63], the authors combine a recursive least squares estimation algorithm with a high-order sliding mode differentiation algorithm, but the study lacks a comprehensive stability analysis, convergence time relation, and methods for calculating observer gains.
The use of fuzzy logic in SoC estimation is explored in [83], where a fuzzy logic controller is combined with a second-order RC ECM. Although this method enhances performance, stability is not guaranteed when fuzzy systems are involved. Meanwhile, ref. [30] utilizes an RBF NN to estimate the SoC by learning the upper bound of system uncertainty. While this approach ensures stability with a positive definite Lyapunov function, it does not guarantee asymptotic or finite-time stability, and it involves considerable offline learning time, with potential overestimation issues when the sliding variable is zero.
In [84], a conventional SMO optimised using particle swarm optimization (PSO) is employed. This approach suffers from chattering due to the sign function and lacks detailed stability analysis and convergence time calculations. Another method, discussed in [85], applies a sliding mode method based on EKF for SoC estimation. The replacement of the sign function with a saturation function reduces accuracy and does not guarantee finite-time stability. The self-adaptive super-twisting sliding mode observer proposed in [121] addresses chattering by adjusting the observer’s gain according to the error. This method improves robustness and accuracy. In [122], a combination of fuzzy SMO and grey prediction is used, where gains are adjusted based on predicted future errors and current estimation errors through a grey predictor.
Finally, ref. [123] presents a sliding mode observer for liquid metal battery SoC estimation, utilizing a forgetting factor recursive least squares algorithm for model parameter identification and a ninth-order polynomial to fit the OCV-SoC relationship. The method introduces an adaptive law inspired by the ReLU activation function to enhance convergence and reduce chattering. First, the system state space can be defined similarly to (22). The observer equation is given as:
where the feedback gain matrix, L, and the observer input function, w, can be designed so that the robustness and error convergence of the observer are guaranteed. An RBF NN is adopted to learn the upper bound of system uncertainty, where the estimated state vector is the input of the RBF NN. The input function of this SMO includes an adaptive gain that is tuned using the RBF NN. A candidate of Lyapunov’s function is considered based on estimation and adaptation errors that guarantee the stability of the system.
In [83], a fuzzy logic SMO is designed. The state-space model of the battery in this paper is the same as in (19). The sliding mode observer is formulated as in relation (20), where the parameters L and sliding mode gain need to be designed carefully to ensure the observer is stable. is updated by the fuzzy logic system. A Lyapunov function is considered for stability analysis. By using the upper bound of uncertainties in parameters tuning, stability of estimation error is guaranteed.
5. Simulation Results
In this section, computer simulations in MATLAB are employed to compare the performance of various sliding mode observers in estimating the state of charge of LIBs. Using a widely adopted model taken from [77], different types of sliding mode observers are recreated and simulated. The observers examined include: conventional first-order, adaptive, and terminal SMOs, approximated first-order, adaptive, and terminal SMOs, and second-order super-twisting SMOs. The comparison criteria for the methods in this simulation include the smoothness of the estimation signal, the ability to eliminate chattering, and the accuracy and speed of the estimation error convergence.
To design the observers, a second-order RC model is used to model the LIB dynamics, and its schematic diagram is shown in Figure 13. The left part of the model represents the simulation of SoC changes during battery charging or discharging, while the right part describes the battery’s transient behaviour. To illustrate the nonlinear relationship between open-circuit voltage and SoC, a controlled voltage source, Voc, is employed. Two RC circuits are designed to simulate the electrochemical polarization (Cpe, Rpe) and concentration polarization (Cpc, Rpc) of the battery. Table 2 defines the battery parameters used in this paper. In all simulations, the current has a period of 500 s and an amplitude of 5 amperes. Therefore, the simulations performed in this paper include only one scenario, which is sufficient to evaluate the criteria considered, including smoothness, accuracy, and estimation speed. However, to assess other criteria, additional simulation scenarios should be conducted.
Figure 13.
Considered second-order battery ECM for the simulation test.
Table 2.
Battery model parameter at room temperature [77].
The relationship between and SoC consists of linear and nonlinear parts. This relationship is assumed as [72], where the values of k and d are the constants in a certain range of SoC. The state-space model of the battery can be considered as a relation (10) in which .
To design the proposed second-order sliding mode observer for estimating SoC, first consider the system model dynamics in the following form:
where and are nonlinear functions in and dynamics, respectively. Considering , we have:
And in vector form, we have:
where , , , and .
5.1. Performance of Various SMOs in SoC Estimation
For dynamic system (48), a conventional first-order sliding mode observer [124,125,126] can be designed as follows:
where and are observer gains. To address stability, we first introduce the estimation error dynamics as follows:
The error dynamics can be calculated as follows:
Let us consider the following candidate for the Lyapunov function:
This function is positive definite. When computing the time derivative of the Lyapunov function, the following result is derived:
where . By selecting such that and where , and , , , and are the upper bounds of , , , and , respectively, , and Equation (53) will take the following form:
And for yields:
Hence, the error dynamics are finite-time stable [23]. The convergence time is calculated as follows:
Remark 5:
The observer proposed in Equation (51) is of the first-order SMO type and is able to estimate Voc in a finite time in the presence of uncertainties. However, it involves chattering in the estimation signal, and needs to be smoothed for implementation. Additionally, this observer needs the uncertainty upper bound to tune observer gains.
Table 3 shows the conventional first-order SMO gain values in simulation.
Table 3.
Conventional first-order SMO gains values.
In Figure 14, the open-circuit voltage and SoC estimated by the conventional SMO are plotted. It is observed that in the conventional first-order SMO, chattering has occurred, although this method has estimated the variables with high accuracy, as seen in the filtered estimation error signal. Due to the high chattering in the control signal, the estimate obtained using this method is not usable and requires smoothing. It should be noted that a low-pass filter, modelled as a first-order transfer function with a time constant of , has been used to check the accuracy of the tracking error in this simulation.
Figure 14.
Estimation results using the conventional first-order sliding mode observer.
A simple method to remove chattering is to use the continuous approximation method. In this method, within a boundary layer near the origin, the sign function is replaced by smooth functions, such as the saturation function and the hyperbolic tangent function. Therefore, the first-order SMO (51) can be approximated as:
where sat(.) is the saturation function and is tuned to adjust boundary layer thickness.
Remark 6:
The observer proposed in Equation (57) can estimate Voc and produces a smooth estimation signal. However, this method needs a tradeoff between smooth estimation and accuracy.
Table 4 shows the approximated first-order SMO gains values in simulation.
Table 4.
Approximated first-order SMO gains values.
In Figure 15, the estimated variables by the approximated first-order SMO are plotted. It is observed that in this method, chattering has not occurred, and smooth estimation is performed. However, this method has observed the variables with lower accuracy than the conventional first-order SMO, as seen in the curve related to SoC estimation error.
Figure 15.
Estimation results using the approximated first-order sliding mode observer.
The adaptive sliding mode theory has been introduced to eliminate the need for knowing the upper bound of uncertainties and to reduce chattering. Based on conventional adaptive SMO theory, relation (51) will modify to:
where is the adaptive gain, and is a positive constant.
Remark 7:
The observer proposed in Equation (58) does not need an uncertainty upper bound, and in it, the gain will converge to . However, this observer, similarly to a conventional first-order SMO, does not generate a smooth estimation signal and needs a smoothing process before implementation.
Table 5 shows the conventional adaptive SMO gain values in simulation.
Table 5.
Conventional adaptive SMO gain values.
In Figure 16, the estimated variables by the conventional adaptive SMO are plotted. It is observed that in this method, chattering has occurred, and a smoothing process is needed. However, this method does not need the uncertainties upper bound to adjust observer’s gain, and is able to estimate with high accuracy, which can be seen in the filtered estimation error signal. In Figure 17, the estimated variables by the approximated adaptive SMO are plotted. It can be seen that this method obtains smoother observed variables, but with lower accuracy than conventional adaptive SMO. In this method, the boundary layer is tuned by .
Figure 16.
Estimation results using the conventional adaptive sliding mode observer.
Figure 17.
Estimation results using the approximated adaptive sliding mode observer.
In order to have smooth estimation without approximating and decreasing accuracy, based on second-order super-twisting sliding mode theory, the SoC observer can be designed as:
where L, γ, δ, and ρ are the observer gains, and δ and ρ must be tuned dependent on uncertainty and its first derivative upper bound.
Remark 8:
The second-order SMO in Equation (59) reduces chattering in the estimation signal. However, there is a need to have uncertainty and its first derivative bounds to tune the observer’s gains.
Table 6 shows the second-order super-twisting SMO gain values in simulation.
Table 6.
Second order super-twisting SMO gains values.
In Figure 18, the estimated variables by the second-order super-twisting SMO are plotted. It is observed that in this method, chattering has not occurred, and smooth estimation is provided. In addition, the SoC estimation error curve shows that the convergence accuracy of the estimation error using this observer is higher than that of approximation methods. It should also be noted that while the estimation signal in this method is smoother than standard first-order methods, it is not completely smooth due to the use of the sign function below an integrator, resulting in high-frequency changes in the estimation signal.
Figure 18.
Estimation results using the second-order super-twisting sliding mode observer.
Finally, based on terminal sliding mode theory, to design a SoC observer, the sliding variable can be designed as:
This sliding variable guarantees finite time stability of estimation error in the sliding phase. Then, the terminal SMO is:
where , , , and are the observer gains, and must be tuned dependent on the uncertainty upper bound. Additionally, , are parameters to adjust convergence time in the sliding phase.
Remark 9:
The conventional terminal SMO in Equation (61) guarantees finite time stability of estimation error in the sliding phase but is not able to reduce chattering in the estimation signal. Additionally, there is a need to have uncertainty bounds to tune the observer’s gains.
Table 7 shows the conventional terminal SMO gain values in simulation.
Table 7.
Conventional terminal SMO gain values.
In Figure 19, the estimated variables by the conventional terminal SMO are plotted. It is observed that in this method, chattering exists, and this method needs modification to be smooth. In Figure 20, the estimated variables by the approximated terminal SMO are plotted for . It is observed that in this method, chattering does not occur, although this method observes the variables with lower accuracy than a conventional terminal SMO.
Figure 19.
Estimation results using the conventional terminal sliding mode observer.
Figure 20.
Estimation results using the approximated terminal sliding mode observer.
5.2. SMOs Performance Comparision
In this section, the performance of conventional and approximated SMOs are compared with super-twisting SMOs in terms of convergence rate, accuracy, and smoothness.
Figure 21 and Figure 22 show Voc and SoC estimations using conventional first-order, adaptive, and terminal SMOs and the super-twisting method. As can be seen, the conventional first-order SMO has a faster response, and the estimation signal oscillation is high at the beginning of the simulation using the conventional terminal SMO. Second-order behaviour can be seen in the plot related to the super-twisting SMO. Additionally, the conventional adaptive SMO has a lower chattering amplitude in comparison to conventional SMOs. The frequency of chattering in the terminal SMO is lower than in these two conventional methods. Furthermore, we have smooth estimation signals when using the super-twisting SMO; however, this method has a small overshot at the beginning of estimation.
Figure 21.
Comparison of the Voc estimation by the conventional first-order, adaptive, and terminal SMOs and the super-twisting method at the beginning of simulation.
Figure 22.
Comparison of the SoC estimation by the conventional first-order, adaptive, and terminal SMOs and super-twisting method.
Figure 23 shows SoC estimation using approximated first-order, adaptive, and terminal SMOs and the super-twisting method. As can be seen, all methods have smooth estimation, but accuracy in the super-twisting method is higher than in other methods. Additionally, estimation accuracy in terminal SMOs is higher than in the two other approximated methods due to the use of an integral of estimation error in introducing terminal sliding variables. It can be said that the super-twisting SMO has a smoother estimation signal with higher accuracy; however, this method needs uncertainties of the upper bound and more complex calculations in comparison with other SMOs.
Figure 23.
Comparison of the SoC estimation by the approximated first-order, adaptive, and terminal SMOs and super-twisting method.
6. Conclusions
In conclusion, this paper offers a comprehensive evaluation of SMO techniques for SoC estimation in LIBs, revealing both their capabilities and constraints. Key takeaways from the review include:
- Observer-Based Techniques: Non-linear observer-based methods, especially SMOs, provide accurate SoC estimates even with model inaccuracies or initial state errors. SMOs are particularly noted for their robustness and stability in the face of system uncertainties and environmental disturbances.
- Traditional SMOs: While conventional SMOs are robust and accurate, they require a precise understanding of uncertainty boundaries for optimal parameter tuning, such as switching gains. These methods can suffer from chattering, which affects their practical application. Continuous approximation SMOs offer smoother estimations but at the cost of reduced precision and potential stability issues.
- High-Order Sliding Mode Theories: These methods offer smooth estimations, but are constrained by the need for high-order derivatives and complex stability analyses. The trade-offs include restrictive observer gains and challenges in balancing convergence time with accuracy.
- Adaptive Switching Gain SMOs: These methods eliminate the need for pre-defined uncertainty bounds, but struggle with chattering and reduced accuracy. They also face limitations in providing finite-time convergence due to reliance on boundary layer methods.
- Terminal SMOs: Designed to ensure finite-time stability, these observers still experience chattering due to the direct use of the sign function. While asymptotic stability is achievable in approximated versions, uncertainty bounds are necessary for tuning observer gains, and convergence time remains uncalculated.
- Fractional Order SMOs: Offering more adjustable parameters than integer-order methods, fractional order SMOs face challenges such as chattering and decreased precision. They require knowledge of uncertainty bounds for stability, and finite-time convergence is not always guaranteed.
- Integration with Intelligent Methods: Combining SMOs with neural networks or fuzzy systems can optimize gain selection, but may lead to issues with stability, convergence time, and chattering. These methods often require extensive offline training and may result in overestimation.
- Recent Advances: Newer SMO techniques, such as adaptive super-twisting, second-order fast non-singular terminal SMOs, and integral terminal SMOs, have significantly improved SoC estimation by addressing the limitations of traditional methods through adaptive gains, higher-order sliding modes, and finite-time stabilization.
The benefits and drawbacks of SMOs in SoC estimation are explained in Table 8.
Table 8.
Benefits and drawbacks of SMO methods for SoC estimation.
Consequently, the following problems need to be addressed for extending the state-of-the-art:
- Enhancing Chattering Reduction: Further development is needed to mitigate chattering while maintaining estimation accuracy and stability.
- Finite-Time Convergence: Research could focus on guaranteeing finite-time convergence across various SMO methods, especially in practical applications.
- Integration with Intelligent Systems: Exploring more robust methods for integrating SMOs with artificial intelligence to enhance stability and performance.
- Practical Implementation: Investigating the real-world implementation challenges and optimizing parameter tuning for SMOs in diverse operational environments.
Future research directions in this area should include:
- Integration of Intelligent Techniques: Incorporating advanced methods such as neural networks for real-time tuning of SMO adaptive gains holds significant promise. This integration could enhance both the accuracy and robustness of SMOs by allowing dynamic adjustment to system changes and uncertainties.
- Development of Advanced Battery Models: Creating more sophisticated battery models that capture complex electrochemical dynamics will improve SoC estimation precision. Such models need to account for non-ideal battery behaviours and interactions, leading to more accurate and reliable estimations.
- Design of Finite-Time, Smooth, and Simple SMOs: There is a need for SMOs that ensure finite-time convergence while maintaining smooth operation and simplicity. Addressing challenges such as discretization, communication delays, and measurement noise during design, along with implementing hardware-in-the-loop simulations for real-time validation, will be beneficial.
Advancements in SMO techniques have substantially improved the reliability and accuracy of SoC estimation in LIBs. These advancements are crucial for effective battery management in EVs and other applications, supporting the wider adoption of renewable energy technologies.
SMO-based methods excel in providing precise SoC estimations despite inherent uncertainties, with their ability to offer finite-time estimation being a notable advantage over other observer and estimator methods. However, challenges remain, particularly in selecting appropriate gains and mitigating chattering effects. Techniques such as high-order sliding mode can help smoothen chattering, but it is also essential to ensure that observer algorithms remain simple for practical implementation. Implementing SMO methods in real-time BMS presents several computational challenges and feasibility considerations. The high computational load due to complex algorithms and the need for real-time processing require high-performance processors and efficient coding practices. Chattering, or high-frequency oscillations, must be mitigated, which adds to the computational demands. Handling large data volumes efficiently is also crucial. Feasibility considerations include the need for high-performance hardware, optimized algorithms, and real-time operating systems to manage timing and scheduling. Ensuring compatibility with existing systems and scalability for future advancements is essential. Practical application involves extensive simulation, testing, and industry collaboration to refine and standardize SMO methods for wider adoption and improved performance in battery management systems.
Continued research in these areas will drive further advancements in accurate and efficient SoC estimation, enhancing battery management systems and their applications. These areas of future research could lead to more effective and reliable SoC estimation techniques for LIBs, advancing their application in electric vehicles and energy storage systems.
Funding
This research has received no external funding.
Conflicts of Interest
The authors declare no conflict of interests.
Nomenclature
| Symbol | Description |
| Voc | Open Circuit Voltage |
| Cp | Diffusion Capacitance |
| Rp | Diffusion Resistance |
| i | Current |
| Rt | Ohmic Resistance |
| Vt | Terminal Voltage |
| Voc Dynamic Uncertainty | |
| Vt Dynamic Uncertainty | |
| Vp Dynamic Uncertainty | |
| SoC Dynamic Uncertainty | |
| Model Parameters | |
| Battery Capacity | |
| Vp | RpCp Network Voltage |
| Rated Capacity | |
| Capacity Fading Factor | |
| Constant Matrix Corresponding to the SoC Range | |
| Modelling Error, and Uncertainty | |
| Nonlinear Part of the System | |
| Total System Uncertainties | |
| Cn | Stored Energy |
| H | Maximum Amount of Hysteresis Voltage |
| k | Decaying Factor |
| Rpe | Electrochemical Polarization Resistance |
| Cpe | Electrochemical Polarization Capasitance |
| Rpc | Concentration Polarization Resistance |
| Cpc | Concentration Polarization Capacitance |
| Vpe | Electrochemical Polarization Voltage |
| Vpc | Concentration Polarization Voltage |
| Vh | Hysteresis Voltage |
| h | Upper Bound of Uncertainty |
| First Order SMO Gains | |
| Boundary Layer Thickness Adjustment Gain | |
| Adaptive Switching Gains | |
| Speed Adaptation Adjustment Gains | |
| Desired Switching Gain | |
| Nonlinear Functions in Dynamics | |
| Nonlinear Functions in Dynamics | |
| Time Constant of Low Pass Filter | |
| Nonlinear Function Upper Bound | |
| Uncertainty Upper Bound | |
| γ, δ | High Order SMO Gains |
| , , | Terminal SMO Gains |
References
- Rivera-Barrera, J.P.; Muñoz-Galeano, N.; Sarmiento-Maldonado, H.O. SoC estimation for lithium-ion batteries: Review and future challenges. Electronics 2017, 6, 102. [Google Scholar] [CrossRef]
- Meng, J.; Ricco, M.; Luo, G.; Swierczynski, M.; Stroe, D.-I.; Stroe, A.-I.; Teodorescu, R. An overview and comparison of online implementable SOC estimation methods for lithium-ion battery. IEEE Trans. Ind. Appl. 2017, 54, 1583–1591. [Google Scholar] [CrossRef]
- Román-Ramírez, L.; Apachitei, G.; Faraji-Niri, M.; Lain, M.; Widanage, D.; Marco, J. Effect of coating operating parameters on electrode physical characteristics and final electrochemical performance of lithium-ion batteries. Int. J. Energy Environ. Eng. 2022, 13, 943–953. [Google Scholar] [CrossRef]
- Hidalgo, M.; Apachitei, G.; Dogaru, D.; Faraji-Niri, M.; Lain, M.; Copley, M.; Marco, J. Design of experiments for optimizing the calendering process in Li-ion battery manufacturing. J. Power Sources 2023, 573, 233091. [Google Scholar] [CrossRef]
- Niri, M.F.; Reynolds, C.; Ramírez, L.A.R.; Kendrick, E.; Marco, J. Systematic analysis of the impact of slurry coating on manufacture of Li-ion battery electrodes via explainable machine learning. Energy Storage Mater. 2022, 51, 223–238. [Google Scholar] [CrossRef]
- Grant, P.S.; Greenwood, D.; Pardikar, K.; Smith, R.; Entwistle, T.; Middlemiss, L.A.; Murray, G.; Cussen, S.A.; Lain, M.J.; Capener, M. Roadmap on Li-ion battery manufacturing research. J. Phys. Energy 2022, 4, 042006. [Google Scholar] [CrossRef]
- Demirci, O.; Taskin, S.; Schaltz, E.; Demirci, B.A. Review of battery state estimation methods for electric vehicles-Part I: SOC estimation. J. Energy Storage 2024, 87, 111435. [Google Scholar] [CrossRef]
- Niri, M.F.; Apachitei, G.; Lain, M.; Copley, M.; Marco, J. Machine learning for investigating the relative importance of electrodes’ N: P areal capacity ratio in the manufacturing of lithium-ion battery cells. J. Power Sources 2022, 549, 232124. [Google Scholar] [CrossRef]
- Faraji Niri, M.; Apachitei, G.; Lain, M.; Copley, M.; Marco, J. The Impact of Calendering Process Variables on the Impedance and Capacity Fade of Lithium-Ion Cells: An Explainable Machine Learning Approach. Energy Technol. 2022, 10, 2200893. [Google Scholar] [CrossRef]
- Haghi, S.; Hidalgo, M.F.V.; Niri, M.F.; Daub, R.; Marco, J. Machine learning in lithium-ion battery cell production: A comprehensive mapping study. Batter. Supercaps 2023, 6, e202300046. [Google Scholar] [CrossRef]
- Niri, M.F.; Aslansefat, K.; Haghi, S.; Hashemian, M.; Daub, R.; Marco, J. A review of the applications of explainable machine learning for lithium–ion batteries: From production to state and performance estimation. Energies 2023, 16, 6360. [Google Scholar] [CrossRef]
- How, D.N.; Hannan, M.; Lipu, M.H.; Ker, P.J. State of charge estimation for lithium-ion batteries using model-based and data-driven methods: A review. IEEE Access 2019, 7, 136116–136136. [Google Scholar] [CrossRef]
- Faraji-Niri, M.; Rashid, M.; Sansom, J.; Sheikh, M.; Widanage, D.; Marco, J. Accelerated state of health estimation of second life lithium-ion batteries via electrochemical impedance spectroscopy tests and machine learning techniques. J. Energy Storage 2023, 58, 106295. [Google Scholar] [CrossRef]
- Espedal, I.B.; Jinasena, A.; Burheim, O.S.; Lamb, J.J. Current trends for state-of-charge (SoC) estimation in lithium-ion battery electric vehicles. Energies 2021, 14, 3284. [Google Scholar] [CrossRef]
- Kim, I.-S. The novel state of charge estimation method for lithium battery using sliding mode observer. J. Power Sources 2006, 163, 584–590. [Google Scholar] [CrossRef]
- Meng, J.; Luo, G.; Ricco, M.; Swierczynski, M.; Stroe, D.-I.; Teodorescu, R. Overview of lithium-ion battery modeling methods for state-of-charge estimation in electrical vehicles. Appl. Sci. 2018, 8, 659. [Google Scholar] [CrossRef]
- Zhou, W.; Zheng, Y.; Pan, Z.; Lu, Q. Review on the battery model and SOC estimation method. Processes 2021, 9, 1685. [Google Scholar] [CrossRef]
- Sun, L.; Li, G.; You, F. Combined internal resistance and state-of-charge estimation of lithium-ion battery based on extended state observer. Renew. Sustain. Energy Rev. 2020, 131, 109994. [Google Scholar] [CrossRef]
- Zhong, F.; Li, H.; Zhong, S.; Zhong, Q.; Yin, C. An SOC estimation approach based on adaptive sliding mode observer and fractional order equivalent circuit model for lithium-ion batteries. Commun. Nonlinear Sci. Numer. Simul. 2015, 24, 127–144. [Google Scholar] [CrossRef]
- Ma, D.; Gao, K.; Mu, Y.; Wei, Z.; Du, R. An adaptive tracking-extended Kalman filter for SOC estimation of batteries with model uncertainty and sensor error. Energies 2022, 15, 3499. [Google Scholar] [CrossRef]
- Sun, D.; Yu, X.; Wang, C.; Zhang, C.; Huang, R.; Zhou, Q.; Amietszajew, T.; Bhagat, R. State of charge estimation for lithium-ion battery based on an Intelligent Adaptive Extended Kalman Filter with improved noise estimator. Energy 2021, 214, 119025. [Google Scholar] [CrossRef]
- Chen, X.; Shen, W.; Cao, Z.; Kapoor, A. A novel approach for state of charge estimation based on adaptive switching gain sliding mode observer in electric vehicles. J. Power Sources 2014, 246, 667–678. [Google Scholar] [CrossRef]
- Behnamgol, V.; Vali, A.; Mohammadi, A. A new observer-based chattering-free sliding mode guidance law. Proc. Inst. Mech. Eng. Part G J. Aerosp. Eng. 2016, 230, 1486–1495. [Google Scholar] [CrossRef]
- Ali Akbar Semnani, M.; Vali, A.; Hakimi, S.; Behnamgol, V. Modelling and design of observer based smooth sliding mode controller for heart rhythm regulation. Int. J. Dyn. Control 2021, 10, 828–842. [Google Scholar] [CrossRef]
- Zhang, R.; Xia, B.; Li, B.; Cao, L.; Lai, Y.; Zheng, W.; Wang, H.; Wang, W. State of the art of lithium-ion battery SOC estimation for electrical vehicles. Energies 2018, 11, 1820. [Google Scholar] [CrossRef]
- Zhao, F.; Guo, Y.; Chen, B. A review of lithium-ion battery state of charge estimation methods based on machine learning. World Electr. Veh. J. 2024, 15, 131. [Google Scholar] [CrossRef]
- Xiong, R.; Cao, J.; Yu, Q.; He, H.; Sun, F. Critical review on the battery state of charge estimation methods for electric vehicles. IEEE Access 2017, 6, 1832–1843. [Google Scholar] [CrossRef]
- Srivastav, S.; Lacey, M.J.; Brandell, D. State-of-charge indication in Li-ion batteries by simulated impedance spectroscopy. J. Appl. Electrochem. 2017, 47, 229–236. [Google Scholar] [CrossRef]
- Zhang, M.; Fan, X. Design of battery management system based on improved ampere-hour integration method. Int. J. Electr. Hybrid Veh. 2022, 14, 1–29. [Google Scholar] [CrossRef]
- Chen, X.; Shen, W.; Cao, Z.; Kapoor, A. Robust sliding mode observer using RBF neural network for lithium-ion battery state of charge estimation in electric vehicles. In Proceedings of the 2014 9th IEEE Conference on Industrial Electronics and Applications, Hangzhou, China, 9–11 June 2014; pp. 42–47. [Google Scholar] [CrossRef]
- Chang, W.-Y. The state of charge estimating methods for battery: A review. Int. Sch. Res. Not. 2013, 2013, 953792. [Google Scholar] [CrossRef]
- Xu, H.; Xu, Q.; Duanmu, F.; Shen, J.; Jin, L.; Gou, B.; Wu, F.; Zhang, W. State of Charge Estimation of Lithium-ion Batteries Based on EKF Integrated with PSO-LSTM for Electric Vehicles. IEEE Trans. Transp. Electrif. 2024. [Google Scholar] [CrossRef]
- Yang, T.; Li, Y.; Zeng, Y. Secure state of charge estimation for lithium-ion batteries under deception attacks based on attack-resilient fractional-order extended Kalman filter. J. Energy Storage 2024, 95, 112438. [Google Scholar] [CrossRef]
- Geevarghese, P.A.; Suresh, L.P.; Thankachan, A.P. Methods for Estimating SOC of LiBs in Electric Vehicles: A Review. In Proceedings of the 2023 International Conference on Circuit Power and Computing Technologies (ICCPCT), Kollam, India, 10–11 August 2023; pp. 1–7. [Google Scholar] [CrossRef]
- How, D.N.; Hannan, M.A.; Lipu, M.S.H.; Sahari, K.S.; Ker, P.J.; Muttaqi, K.M. State-of-charge estimation of li-ion battery in electric vehicles: A deep neural network approach. IEEE Trans. Ind. Appl. 2020, 56, 5565–5574. [Google Scholar] [CrossRef]
- Xu, C.; Zhang, E.; Jiang, K.; Wang, K. Dual fuzzy-based adaptive extended Kalman filter for state of charge estimation of liquid metal battery. Appl. Energy 2022, 327, 120091. [Google Scholar] [CrossRef]
- Hatherall, O.; Niri, M.F.; Barai, A.; Li, Y.; Marco, J. Remaining discharge energy estimation for lithium-ion batteries using pattern recognition and power prediction. J. Energy Storage 2023, 64, 107091. [Google Scholar] [CrossRef]
- Rashid, M.; Faraji-Niri, M.; Sansom, J.; Sheikh, M.; Widanage, D.; Marco, J. Dataset for rapid state of health estimation of lithium batteries using EIS and machine learning: Training and validation. Data Brief 2023, 48, 109157. [Google Scholar] [CrossRef]
- Xu, J.; Mi, C.C.; Cao, B.; Deng, J.; Chen, Z.; Li, S. The state of charge estimation of lithium-ion batteries based on a proportional-integral observer. IEEE Trans. Veh. Technol. 2013, 63, 1614–1621. [Google Scholar] [CrossRef]
- Tian, Y.; Chen, C.; Xia, B.; Sun, W.; Xu, Z.; Zheng, W. An adaptive gain nonlinear observer for state of charge estimation of lithium-ion batteries in electric vehicles. Energies 2014, 7, 5995–6012. [Google Scholar] [CrossRef]
- Messier, P.; Nguyễn, B.-H.; LeBel, F.-A.; Trovao, J.P.F. Disturbance observer-based state-of-charge estimation for Li-ion battery used in light electric vehicles. J. Energy Storage 2020, 27, 101144. [Google Scholar] [CrossRef]
- Liu, Y.; Ma, R.; Pang, S.; Xu, L.; Zhao, D.; Wei, J.; Huangfu, Y.; Gao, F. A nonlinear observer SOC estimation method based on electrochemical model for lithium-ion battery. IEEE Trans. Ind. Appl. 2020, 57, 1094–1104. [Google Scholar] [CrossRef]
- Xia, B.; Chen, C.; Tian, Y.; Sun, W.; Xu, Z.; Zheng, W. A novel method for state of charge estimation of lithium-ion batteries using a nonlinear observer. J. Power Sources 2014, 270, 359–366. [Google Scholar] [CrossRef]
- Chen, Y.; Li, R.; Sun, Z.; Zhao, L.; Guo, X. SOC estimation of retired lithium-ion batteries for electric vehicle with improved particle filter by H-infinity filter. Energy Rep. 2023, 9, 1937–1947. [Google Scholar] [CrossRef]
- Souaihia, M.; Belmadani, B.; Chabni, F.; Gadoum, A. A Comparison State of Charge Estimation Between Kalman Filter and Sliding Mode Observer for Lithium Battery. In Proceedings of the Advances in Green Energies and Materials Technology: Selected Articles from the Algerian Symposium on Renewable Energy and Materials (ASREM-2020); Springer Proceedings in Energy; Springer: Singapore, 2021; pp. 107–114. [Google Scholar]
- Chen, X.; Shen, W.; Cao, Z.; Kapoor, A. Sliding mode observer for state of charge estimation based on battery equivalent circuit in electric vehicles. Aust. J. Electr. Electron. Eng. 2012, 9, 225–234. [Google Scholar] [CrossRef]
- Nath, A.; Gupta, R.; Mehta, R.; Bahga, S.S.; Gupta, A.; Bhasin, S. Attractive ellipsoid sliding mode observer design for state of charge estimation of lithium-ion cells. IEEE Trans. Veh. Technol. 2020, 69, 14701–14712. [Google Scholar] [CrossRef]
- He, L.; Wang, G.; Hu, B.; Liu, X.; Liu, J.; Shi, M. State-of-charge estimation by extended sliding mode observer based on lithium-ion battery voltage dynamics. J. Power Sources 2024, 611, 234718. [Google Scholar] [CrossRef]
- Chen, Q.; Jiang, J.; Liu, S.; Zhang, C. A novel sliding mode observer for state of charge estimation of EV lithium batteries. J. Power Electron. 2016, 16, 1131–1140. [Google Scholar] [CrossRef]
- Wu, T.Z.; Wang, M.Y.; Xiao, Q. State of Charge Estimation of Power Lithium-Ion Battery Based on Sliding Mode Observer. Adv. Mater. Res. 2013, 805, 1692–1699. [Google Scholar] [CrossRef]
- Zhong, F.; Li, H.; Zhong, Q. An approach for SOC estimation based on sliding mode observer and fractional order equivalent circuit model of lithium-ion batteries. In Proceedings of the 2014 IEEE International Conference on Mechatronics and Automation, Tianjin, China, 3–6 August 2014; pp. 1497–1503. [Google Scholar]
- Mao, J.; Zhao, L.; Lin, Y. State-of-charge estimation of lithium-ion polymer battery based on sliding mode observer. In Proceedings of the 33rd Chinese Control Conference, Nanjing, China, 28–30 July 2014; pp. 269–273. [Google Scholar]
- Ma, Y.; Li, B.; Xie, Y.; Chen, H. Estimating the state of charge of lithium-ion battery based on sliding mode observer. IFAC-Pap. 2016, 49, 54–61. [Google Scholar] [CrossRef]
- Gong, X.; Huang, Z.; Li, L.; Lu, H.; Liu, S.; Wu, Z. A new state of charge estimation for lithium-ion battery based on sliding-mode observer and battery status. In Proceedings of the 2016 35th Chinese Control Conference (CCC), Chengdu, China, 27–29 July 2016; pp. 8693–8697. [Google Scholar]
- Chen, Q.; Jiang, J.; Ruan, H.; Zhang, C. A new double sliding mode observer for EV lithium battery SOC estimation. Math. Probl. Eng. 2016, 2016, 8048905. [Google Scholar] [CrossRef]
- Chen, Q.; Jiang, J.; Ruan, H.; Zhang, C. Simply designed and universal sliding mode observer for the SOC estimation of lithium-ion batteries. IET Power Electron. 2017, 10, 697–705. [Google Scholar] [CrossRef]
- Chen, Y.; Ma, Y.; Chen, H. State of charge and state of health estimation for lithium-ion battery through dual sliding mode observer based on AMESim-Simulink co-simulation. J. Renew. Sustain. Energy 2018, 10, 034103. [Google Scholar] [CrossRef]
- Zhang, H.; Fu, Z.; Tao, F. Improved sliding mode observer-based SOC estimation for lithium battery. AIP Conf. Proc. 2019, 2122, 020058. [Google Scholar]
- Dai, K.; Wang, J.; He, H. An improved SOC estimator using time-varying discrete sliding mode observer. IEEE Access 2019, 7, 115463–115472. [Google Scholar] [CrossRef]
- Han, H.; Xu, H.; Yuan, Z.; Zhao, Y. State of Charge estimation of Li-ion battery in EVs based on second-order sliding mode observer. In Proceedings of the 2014 IEEE Conference and Expo Transportation Electrification Asia-Pacific (ITEC Asia-Pacific), Beijing, China, 31 August–3 September 2014; pp. 1–5. [Google Scholar]
- Huangfu, Y.; Xu, J.; Zhao, D.; Liu, Y.; Gao, F. A novel battery state of charge estimation method based on a super-twisting sliding mode observer. Energies 2018, 11, 1211. [Google Scholar] [CrossRef]
- Obeid, H.; Petrone, R.; Chaoui, H.; Gualous, H. Higher order sliding-mode observers for state-of-charge and state-of-health estimation of lithium-ion batteries. IEEE Trans. Veh. Technol. 2022, 72, 4482–4492. [Google Scholar] [CrossRef]
- Fornaro, P.; Puleston, T.; Puleston, P.; Serra-Prat, M.; Costa-Castelló, R.; Battaiotto, P. Redox flow battery time-varying parameter estimation based on high-order sliding mode differentiators. Int. J. Energy Res. 2022, 46, 16576–16592. [Google Scholar] [CrossRef]
- Fornaro, P.; Puleston, P.; Battaiotto, P. State-of-Charge and State-of-Health variable-gain estimation based on tracking sliding mode differentiators for an electric vehicle Lithium-ion battery. J. Energy Storage 2023, 65, 107298. [Google Scholar] [CrossRef]
- Kim, T.; Qiao, W.; Qu, L. Online SOC and SOH estimation for multicell lithium-ion batteries based on an adaptive hybrid battery model and sliding-mode observer. In Proceedings of the 2013 IEEE Energy Conversion Congress and Exposition, Denver, CO, USA, 15–19 September 2013; pp. 292–298. [Google Scholar]
- Chen, X.; Shen, W.; Dai, M.; Cao, Z.; Jin, J.; Kapoor, A. Robust adaptive sliding-mode observer using RBF neural network for lithium-ion battery state of charge estimation in electric vehicles. IEEE Trans. Veh. Technol. 2015, 65, 1936–1947. [Google Scholar] [CrossRef]
- Chen, X.; Shen, W.; Cao, Z.; Kapoor, A. Adaptive gain sliding mode observer for state of charge estimation based on combined battery equivalent circuit model. Comput. Chem. Eng. 2014, 64, 114–123. [Google Scholar] [CrossRef]
- Du, J.; Liu, Z.; Wang, Y.; Wen, C. An adaptive sliding mode observer for lithium-ion battery state of charge and state of health estimation in electric vehicles. Control Eng. Pract. 2016, 54, 81–90. [Google Scholar] [CrossRef]
- Huangfu, Y.; Xu, J.; Zhuo, S.; Xie, M.; Liu, Y. A novel adaptive sliding mode observer for SOC estimation of lithium batteries in electric vehicles. In Proceedings of the 2017 7th International Conference on Power Electronics Systems and Applications-Smart Mobility, Power Transfer & Security (PESA), Hong Kong, China, 12–14 December 2017; pp. 1–6. [Google Scholar]
- Ning, B.; Cao, B.; Wang, B.; Zou, Z. Adaptive sliding mode observers for lithium-ion battery state estimation based on parameters identified online. Energy 2018, 153, 732–742. [Google Scholar] [CrossRef]
- Wang, Q.; Jiang, J.; Gao, T.; Ren, S. State of charge estimation of li-ion battery based on adaptive sliding mode observer. Sensors 2022, 22, 7678. [Google Scholar] [CrossRef] [PubMed]
- Fereydooni, A.; Vafa, E.; Pishvaie, M.R.; Choobar, B.G. Robust adaptive sliding mode observer for core temperature and state of charge monitoring of Li-ion battery: A simulation study. J. Energy Storage 2023, 70, 107960. [Google Scholar] [CrossRef]
- Qian, W.; Li, W.; Guo, X.; Wang, H. A switching gain adaptive sliding mode observer for SoC estimation of lithium-ion battery. Energy 2024, 292, 130585. [Google Scholar] [CrossRef]
- Jiani, D.; Youyi, W.; Changyun, W. Li-ion battery SOC estimation using particle filter based on an equivalent circuit model. In Proceedings of the 2013 10th IEEE International Conference on Control and Automation (ICCA), Hangzhou, China, 12–14 June 2013; pp. 580–585. [Google Scholar]
- Feng, Y.; Du, J.; Xue, C.; Han, F.; Yu, X. Estimation of SoC of batteries using terminal sliding-mode observer. In Proceedings of the 2018 IEEE 8th Annual International Conference on CYBER Technology in Automation, Control, and Intelligent Systems (CYBER), Tianjin, China, 19–23 July 2018; pp. 1260–1263. [Google Scholar]
- Feng, Y.; Xue, C.; Han, Q.-L.; Han, F.; Du, J. Robust estimation for state-of-charge and state-of-health of lithium-ion batteries using integral-type terminal sliding-mode observers. IEEE Trans. Ind. Electron. 2019, 67, 4013–4023. [Google Scholar] [CrossRef]
- Rezaei, O.; Moghaddam, H.A.; Papari, B. A fast sliding-mode-based estimation of state-of-charge for Lithium-ion batteries for electric vehicle applications. J. Energy Storage 2022, 45, 103484. [Google Scholar] [CrossRef]
- Chen, M.; Han, F.; Shi, L.; Feng, Y.; Xue, C.; Gao, W.; Xu, J. Sliding mode observer for state-of-charge estimation using hysteresis-based Li-ion battery model. Energies 2022, 15, 2658. [Google Scholar] [CrossRef]
- Yin, C.; Zhong, Q.; Chen, Y.; Zhong, S.-m. Estimating the state of charge of lithium batteries based on fractional-order sliding-mode observer. In Proceedings of the ICFDA’14 International Conference on Fractional Differentiation and Its Applications 2014, Catania, Italy, 23–25 June 2014; pp. 1–6. [Google Scholar]
- Zhong, Q.; Zhong, F.; Cheng, J.; Li, H.; Zhong, S. State of charge estimation of lithium-ion batteries using fractional order sliding mode observer. ISA Trans. 2017, 66, 448–459. [Google Scholar] [CrossRef]
- Zhou, M.; Wei, K.; Wu, X.; Weng, L.; Su, H.; Wang, D.; Zhang, Y.; Li, J. Fractional-order sliding-mode observers for the estimation of state-of-charge and state-of-health of lithium batteries. Batteries 2023, 9, 213. [Google Scholar] [CrossRef]
- Sethia, G.; Nayak, S.K.; Majhi, S. An approach to estimate lithium-ion battery state of charge based on adaptive Lyapunov super twisting observer. IEEE Trans. Circuits Syst. I Regul. Pap. 2020, 68, 1319–1329. [Google Scholar] [CrossRef]
- Zheng, W.; Xia, B.; Wang, W.; Lai, Y.; Wang, M.; Wang, H. State of charge estimation for power lithium-ion battery using a fuzzy logic sliding mode observer. Energies 2019, 12, 2491. [Google Scholar] [CrossRef]
- Rezaei, O.; Alinejad, M.; Nejati, S.A.; Chong, B. An optimized adaptive estimation of state of charge for Lithium-ion battery based on sliding mode observer for electric vehicle application. In Proceedings of the 2020 8th International Conference on Intelligent and Advanced Systems (ICIAS), Kuching, Malaysia, 13–15 July 2021; pp. 1–6. [Google Scholar]
- Feng, L.; Ding, J.; Han, Y. Improved sliding mode based EKF for the SOC estimation of lithium-ion batteries. Ionics 2020, 26, 2875–2882. [Google Scholar] [CrossRef]
- Meng, S.; Meng, F.; Chi, H.; Chen, H.; Pang, A. A robust observer based on the nonlinear descriptor systems application to estimate the state of charge of lithium-ion batteries. J. Frankl. Inst. 2023, 360, 11397–11413. [Google Scholar] [CrossRef]
- Sakile, R.; Sinha, U.K. Lithium-Ion Battery State of Charge Estimation Using a New Extended Nonlinear State Observer. Adv. Theory Simul. 2022, 5, 2100552. [Google Scholar] [CrossRef]
- Sakile, R.; Sinha, U.K. Estimation of lithium-ion battery state of charge for electric vehicles using a nonlinear state observer. Energy Storage 2022, 4, e290. [Google Scholar] [CrossRef]
- Li, W.; Liang, L.; Liu, W.; Wu, X. State of charge estimation of lithium-ion batteries using a discrete-time nonlinear observer. IEEE Trans. Ind. Electron. 2017, 64, 8557–8565. [Google Scholar] [CrossRef]
- Tian, Y.; Li, D.; Tian, J.; Xia, B. A comparative study of state-of-charge estimation algorithms for lithium-ion batteries in wireless charging electric vehicles. In Proceedings of the 2016 IEEE PELS Workshop on Emerging Technologies: Wireless Power Transfer (WoW), Knoxville, TN, USA, 4–6 October 2016; pp. 186–190. [Google Scholar]
- Munisamy, S.; Wu, W. State of charge estimation of lithium sulfur batteries using sliding mode observer. In Proceedings of the 2022 IEEE 7th International Energy Conference (ENERGYCON), Riga, Latvia, 9–12 May 2022. [Google Scholar]
- Feng, Y.; Xue, C.; Han, F.; Cao, Z.; Yang, R.J. State-of-Charge and State-of-Health Estimation in Li-Ion Batteries Using Cascade Electrochemical Model-Based Sliding-Mode Observers. Batteries 2024, 10, 290. [Google Scholar] [CrossRef]
- Lin, C.; Xing, J.; Tang, A. Lithium-ion battery state of charge/state of health estimation using SMO for EVs. Energy Procedia 2017, 105, 4383–4388. [Google Scholar] [CrossRef]
- Karamov, D.; Sidorov, D.; Muftahov, I.; Zhukov, A.; Liu, F. Optimization of isolated power systems with renewables and storage batteries based on nonlinear Volterra models for the specially protected natural area of lake Baikal. J. Phys. Conf. Ser. 2021, 1847, 012037. [Google Scholar] [CrossRef]
- Hu, X.; Li, S.; Peng, H. A comparative study of equivalent circuit models for Li-ion batteries. J. Power Sources 2012, 198, 359–367. [Google Scholar] [CrossRef]
- Karimi, D.; Behi, H.; Van Mierlo, J.; Berecibar, M. Equivalent circuit model for high-power lithium-ion batteries under high current rates, wide temperature range, and various state of charges. Batteries 2023, 9, 101. [Google Scholar] [CrossRef]
- Song, Y.; Liu, W.; Li, H.; Zhou, Y.; Huang, Z.; Jiang, F. Robust and accurate state-of-charge estimation for lithium-ion batteries using generalized extended state observer. In Proceedings of the 2017 IEEE International Conference on Systems, Man, and Cybernetics (SMC), Banff, AB, Canada, 5–8 October 2017; pp. 2146–2151. [Google Scholar]
- Sandoval-Chileño, M.A.; Castañeda, L.A.; Luviano-Juárez, A.; Gutiérrez-Frías, O.; Vazquez-Arenas, J. Robust State of Charge estimation for Li-ion batteries based on Extended State Observers. J. Energy Storage 2020, 31, 101718. [Google Scholar] [CrossRef]
- Kim, W.; Lee, P.-Y.; Kim, J.; Kim, K.-S. A robust state of charge estimation approach based on nonlinear battery cell model for lithium-ion batteries in electric vehicles. IEEE Trans. Veh. Technol. 2021, 70, 5638–5647. [Google Scholar] [CrossRef]
- Feng, Y.; Bai, F.; Xue, C.; Han, F. State-of-Charge and State-of-Energy Estimation for Lithium-ion Batteries Using Sliding-Mode Observers. In Proceedings of the 2021 40th Chinese Control Conference (CCC), Shanghai, China, 26–28 July 2021; pp. 2382–2385. [Google Scholar]
- Niri, M.F.; Bui, T.M.; Dinh, T.Q.; Hosseinzadeh, E.; Yu, T.F.; Marco, J. Remaining energy estimation for lithium-ion batteries via Gaussian mixture and Markov models for future load prediction. J. Energy Storage 2020, 28, 101271. [Google Scholar] [CrossRef]
- Rahimi-Eichi, H.; Chow, M.-Y. Adaptive parameter identification and state-of-charge estimation of lithium-ion batteries. In Proceedings of the IECON 2012-38th Annual Conference on IEEE Industrial Electronics Society, Montreal, QC, Canada, 25–28 October 2012; pp. 4012–4017. [Google Scholar]
- Zhu, L.; Sun, Z.; Dai, H.; Wei, X. A novel modeling methodology of open circuit voltage hysteresis for LiFePO4 batteries based on an adaptive discrete Preisach model. Appl. Energy 2015, 155, 91–109. [Google Scholar] [CrossRef]
- Ma, Y.; Li, B.; Li, G.; Zhang, J.; Chen, H. A nonlinear observer approach of SOC estimation based on hysteresis model for lithium-ion battery. IEEE/CAA J. Autom. Sin. 2017, 4, 195–204. [Google Scholar] [CrossRef]
- He, H.; Xiong, R.; Guo, H.; Li, S. Comparison study on the battery models used for the energy management of batteries in electric vehicles. Energy Convers. Manag. 2012, 64, 113–121. [Google Scholar] [CrossRef]
- Tran, M.-K.; DaCosta, A.; Mevawalla, A.; Panchal, S.; Fowler, M. Comparative study of equivalent circuit models performance in four common lithium-ion batteries: LFP, NMC, LMO, NCA. Batteries 2021, 7, 51. [Google Scholar] [CrossRef]
- Ehsani, M.; Oraee, A.; Abdi, B.; Behnamgol, V.; Hakimi, M. Adaptive dynamic sliding mode controller based on extended state observer for brushless doubly fed induction generator. Int. J. Dyn. Control 2024, 12, 3719–3732. [Google Scholar] [CrossRef]
- Sui, X.; He, S.; Stroe, D.-I.; Huang, X.; Meng, J.; Teodorescu, R. A review of sliding mode observers based on equivalent circuit model for battery SoC estimation. In Proceedings of the 2019 IEEE 28th international symposium on industrial electronics (ISIE), Vancouver, BC, Canada, 12–14 June 2019; pp. 1965–1970. [Google Scholar]
- Zhang, F.; Liu, G.; Fang, L. A battery state of charge estimation method using sliding mode observer. In Proceedings of the 2008 7th World Congress on Intelligent Control and Automation, Chongqing, China, 25–27 June 2008; pp. 989–994. [Google Scholar]
- Xiong, B.; Zhao, J.; Su, Y.; Wei, Z.; Skyllas-Kazacos, M. State of charge estimation of vanadium redox flow battery based on sliding mode observer and dynamic model including capacity fading factor. IEEE Trans. Sustain. Energy 2017, 8, 1658–1667. [Google Scholar] [CrossRef]
- Dey, S.; Ayalew, B.; Pisu, P. Combined estimation of state-of-charge and state-of-health of Li-ion battery cells using SMO on electrochemical model. In Proceedings of the 2014 13th International Workshop on Variable Structure Systems (VSS), Nantes, France, 29 June–2 July 2014; pp. 1–6. [Google Scholar]
- Tudoroiu, N.; Elefterie, L.; Tudoroiu, E.-R.; Kecs, W.; Dobritoiu, M.; Ilias, N. Real-time sliding mode observer estimator integration in hybrid electric vehicles battery management systems. In Proceedings of the Information Systems Architecture and Technology: Proceedings of 37th International Conference on Information Systems Architecture and Technology–ISAT 2016–Part III, Karpacz, Poland, 18–20 September 2017; pp. 15–28. [Google Scholar]
- Wang, C.; Cui, N.; Liu, M.; Zhang, C. A new state of charge estimation method for lithium-ion battery based on sliding mode observer. In Proceedings of the 2017 IEEE Energy Conversion Congress and Exposition (ECCE), Cincinnati, OH, USA, 1–5 October 2017; pp. 5625–5630. [Google Scholar]
- Vicidomini, G.; Petrone, G.; Monmasson, E.; Spagnuolo, G. FPGA based implementation of a sliding-mode observer for battery state of charge estimation. In Proceedings of the 2017 IEEE 26th International Symposium on Industrial Electronics (ISIE), Edinburgh, UK, 19–21 June 2017; pp. 1268–1273. [Google Scholar]
- Sassi, H.B.; Errahimi, F.; Es-Sbai, N.; Alaoui, C. A comparative study of Kalman filtering based observer and sliding mode observer for state of charge estimation. IOP Conf. Ser. Mater. Sci. Eng. 2018, 353, 012012. [Google Scholar]
- Mazzi, Y.; Ben Sassi, H.; Errahimi, F.; Es-Sbai, N. PIL implementation of adaptive gain sliding mode observer and ANN for SOC estimation. In Proceedings of the Artificial Intelligence and Industrial Applications: Artificial Intelligence Techniques for Cyber-Physical, Digital Twin Systems and Engineering Applications, Meknes, Morocco, 19–20 March 2021; pp. 270–278. [Google Scholar]
- Choobar, B.G.; Hamed, H.; Safari, M. Sliding mode observer with adaptive switching gain for estimating state of charge and internal temperature of a commercial Li-ion pouch cell. J. Energy Storage 2024, 96, 112628. [Google Scholar] [CrossRef]
- Kim, D.; Koo, K.; Jeong, J.J.; Goh, T.; Kim, S.W. Second-order discrete-time sliding mode observer for state of charge determination based on a dynamic resistance li-ion battery model. Energies 2013, 6, 5538–5551. [Google Scholar] [CrossRef]
- Feng, Y.; Duan, J.; Xue, C.; Han, F. State-of-charge and state-of-health estimation algorithms of lithium-ion batteries using SMO. In Proceedings of the 2021 IEEE 5th Conference on Energy Internet and Energy System Integration (EI2), Taiyuan, China, 22–24 October 2021; pp. 2104–2108. [Google Scholar]
- Behnamgol, V.; Vali, A.; Mohammadi, A. Lyapunov-basedAdaptive SmoothSecond-order Sliding Mode Guidance Law with Proving Finite Time Stability. Space Sci. Technol. 2018, 11, 33–39. [Google Scholar]
- Zhang, S.; Wang, X.; Li, C.; Xiao, D. Robust State of Charge Estimation for Battery with Self-Adaptive Super Twisting Sliding Mode Observer. In Proceedings of the IECON 2023-49th Annual Conference of the IEEE Industrial Electronics Society, Singapore, 16–19 October 2023; pp. 1–6. [Google Scholar]
- Kim, D.; Goh, T.; Park, M.; Kim, S.W. Fuzzy sliding mode observer with grey prediction for the estimation of the state-of-charge of a lithium-ion battery. Energies 2015, 8, 12409–12428. [Google Scholar] [CrossRef]
- Xu, C.; Zhang, E.; Yan, S.; Jiang, K.; Wang, K.; Wang, Z.; Cheng, S. State of charge estimation for liquid metal battery based on an improved sliding mode observer. J. Energy Storage 2022, 45, 103701. [Google Scholar] [CrossRef]
- Ali Akbar Semnani, M.; Vali, A.; Hakimi, S.M. Heartbeat ECG tracking systems using observer based nonlinear controller. J. Appl. Dyn. Syst. Control 2021, 1, 69. [Google Scholar]
- Omrani, G.; Abdi, B.; Derakhshan, G. Control of permanent magnet synchronous motor using observer based vector nonlinear controller. J. Iran. Assoc. Electr. Electron. Eng. 2022, 19, 237–246. [Google Scholar] [CrossRef]
- Siahi, K.; Arvan, M.R.; Behnamgol, V.; Mosayebi, M. Design of observer-based nonlinear controller for tracking maximum power point in the solar cell. In Proceedings of the 2022 30th International Conference on Electrical Engineering (ICEE), Tehran, Iran, 17–19 May 2022. [Google Scholar]
Disclaimer/Publisher’s Note: The statements, opinions and data contained in all publications are solely those of the individual author(s) and contributor(s) and not of MDPI and/or the editor(s). MDPI and/or the editor(s) disclaim responsibility for any injury to people or property resulting from any ideas, methods, instructions or products referred to in the content. |
© 2024 by the authors. Licensee MDPI, Basel, Switzerland. This article is an open access article distributed under the terms and conditions of the Creative Commons Attribution (CC BY) license (https://creativecommons.org/licenses/by/4.0/).






















