Next Article in Journal
Dual Sagnac Interferometer Distributed Optical Fiber Localization Method Based on Hilbert–Huang Transform
Next Article in Special Issue
An Experimental Investigation and Numerical Simulation of Photovoltaic Cells with Enhanced Surfaces Using the Simcenter STAR-CCM+ Software
Previous Article in Journal
Review on Self-Decoupling Topology of Bearingless Switched Reluctance Motor
Previous Article in Special Issue
Adsorption Solar Air Conditioning System for Singapore Climate
 
 
Font Type:
Arial Georgia Verdana
Font Size:
Aa Aa Aa
Line Spacing:
Column Width:
Background:
Article

Application of Heat Pumps in New Housing Estates in Cities Suburbs as an Means of Energy Transformation in Poland

by
Dorota Chwieduk
1,* and
Bartosz Chwieduk
2
1
Institute of Heat Engineering, Faculty of Power and Aeronautical Engineering, Warsaw University of Technology, ul. Nowowiejska 21/25, 00665 Warsaw, Poland
2
SPS Engineering, ul. Pulawska 405, 02501 Warsaw, Poland
*
Author to whom correspondence should be addressed.
Energies 2023, 16(8), 3495; https://doi.org/10.3390/en16083495
Submission received: 21 March 2023 / Revised: 11 April 2023 / Accepted: 12 April 2023 / Published: 17 April 2023

Abstract

This paper presents possible applications of heat pumps in buildings during the energy transformation and decarbonization of a country whose energy sector is highly centralized and based on coal. Contemporary cities are spreading beyond the existing borders and new areas cannot be supplied by the existing centralized district heating system. The only form of energy that is available on the outskirts of cities is electricity, which means that it must be used for all energy needs, including heating. In such a case, the use of heat pumps is perfectly justified in terms of energy, economy and environment, especially when they are coupled with photovoltaic systems. Hypothetical micro housing estate energy systems based on photovoltaics and heat pumps are analyzed in the paper. New options for configuration and operation of the energy systems are considered. Results of a simulation study show that by creating a common local electricity network and a local heating network powered by a central heat pump, the direct use of electricity generated in the local photovoltaic systems increases from 25% to at least 35%, thanks to enabling more even storing and consuming of solar energy during a day, compared to the independent operation of energy systems at individual houses.

1. Introduction

Currently, there is a need to take extensive and rapid actions to protect the climate. This means the transformation of the economies of most countries, including the energy sector, in order to move from an energy-intensive economy with a high consumption of conventional fuels, and consequently high environmental pollution, to an economy that guarantees sustainable consumption of raw materials and protection of the environment. Every country should decide how to change its own energy sector and make domestic economy less energy intensive. In the European Union such strategic directions are determined by the relevant EU directives, which primarily include: the Directive of the European Parliament and of the Council on the energy performance of buildings [1], the Directive of the European Parliament and of the Council on the Energy Efficiency [2] and the Directive of the European Parliament and of the Council on the promotion of renewable energies [3]. EU Member States are obliged to develop their energy and environmental policies in accordance with the EU’s strategic objectives and shape their legislation accordingly so that it corresponds to the objectives and scope of actions set out in the directives.
A sustainable resource-saving economy means using energy resources available on site, i.e., renewable sources and waste sources. However, energy and resource-saving policy can mean something different in different countries, even in the same geographical location. Pro-environmental and energy savings behaviors differ even if there is common energy and climate policy, as in the EU countries [4]. Life Cycle Assessment (LCA) analysis is an analytical technique which aims to analyze the sustainability benefits of complex systems, such as buildings and their energy systems [5]. However, the results of the analysis can differ a lot between countries if they differ in their energy mix. In the LCA method particular emphasis is put on embodied energy. Embodied energy is the energy required to extract and transport resources used for production processes of different products, and then the energy necessary to produce those final products, which may be, for example, final construction materials, devices, or systems. This problem is especially important for buildings, including the residential sector, if we are going to build fully low-energy houses [6]. The LCA method is usually used to demonstrate sustainability of building materials, and it includes not only embodied energy, but also embodied carbon as well [7].
The energy and environmental costs of extracting natural resources and their transport and distribution, in particular fossil fuels, are usually very high and in most cases discredit their use in favor of renewable energy or waste energy sources available on site. Furthermore, there are devices which can operate very effectively using renewable heat sources or waste heat sources depending on the situation, i.e., on availability of a heat source and its operational parameters (temperature, thermal capacity, energy performance, etc.). The heat pump is such a device, and it is becoming more and more popular nowadays in modern low-energy buildings. The heat pump is the only device that can significantly reduce the consumption of final energy in relation to the heating demand, and if it is properly selected and dimensioned for the given conditions of operation (conditions of heat extraction from a lower heat source and heat use by the end-user at an upper heat source, i.e., a heat sink) [8,9], it can also greatly reduce primary energy consumption. We can talk about the high energy performance of a heat pump, when the required heating demand is supplied to the end-user using a small amount of (electrical) energy needed to power the heat pump. According to the heat pump’s energy balance, the more energy is taken from the heat source, the less driving energy the heat pump needs to provide a required heating load. This is expressed by a higher value of the coefficient of performance (COP) of a heat pump in standard operation conditions and by its seasonal coefficient of performance (SCOP) in the actual conditions and running time of the heat pump system [10,11]. Furthermore, thanks to the use of heat pumps, it is possible to achieve net-zero energy buildings, especially if we use the ground as the heat source of the heat pump [12], and not only for heating but also for space cooling [13].
Rational use of final energy necessitates first reducing the demand for energy, and then ensuring high effectiveness of its use through properly operating energy generation and distribution systems, as well as all components of energy systems located with end-users. Therefore, it is important to convert primary energy into final energy with high efficiency first, and then to properly manage distribution and use of the final energy by end-users [14]. It is necessary to underline that it is especially important for the end-user to control energy consumption on his/her own, including efficient operation of his/her installations and devices. The behavior of end-users plays an important role in the actual reduction of energy consumption, and therefore it is necessary to develop mechanisms motivating end-users to take direct actions to save energy and the environment [15]. Thus, a global extended view of energy extraction, conversion, transmission and use, starting from the energy producer, through its distributor and ending with the user, is necessary to reduce energy consumption significantly and conserve the environment.
Currently, changes in energy consumption are not possible without the active role of society and its support for climate protection. An important element is the role of energy consumers in developing conscious energy-saving and pro-environmental actions. Such actions must include different categories of energy producers and consumers, both people managing industry, transport and buildings, as well as residents of cities and villages. It can be done through encouragement of residents, the final energy consumers, to engage in energy conservation and environmental protection measures that will enable the implementation of the low-emission goals of the economy. Society should be enabled to play the role of an active energy prosumer; the easiest way to achieve this is to use its own renewable energy sources in a building sector.
In Poland as in other former socialist countries of Europe, the final consumers had no influence on the energy economy. Everything was centrally organized and managed, and the concept of energy saving and environmental protection was non-existent. Therefore, countries like Poland are currently facing a huge economic, organizational and ideological challenge to transform the economy of these countries and ensure energy security and decarbonization of the economy by 2050.
The paper presents possible application of heat pumps in buildings in Poland as devices which can help to reduce final energy consumption, and thanks to coupling their operation with photovoltaic systems, they can also significantly reduce the consumption of primary energy contained in fossil fuels. However, the application of heat pumps is not so easy to realize, especially in large cities where heat is supplied to nearly all buildings by centralized district heating systems based on coal fired plants. This problem is also considered in the paper, as it has a strong impact regarding the possible applications of heat pumps in large cities.
In Section 2 the present state of the Polish energy sector is presented to show how huge a challenge it is to move from a centrally managed economy based on coal to distributed energy systems based on renewable energies and heat pumps.
Section 3 describes the present state of application of heat pumps in Poland. In particular, the description concerns the possible applications of heat pumps coupled with photovoltaic systems in new distributed energy systems.
Section 4 presents the new trend of spreading cities beyond the existing borders, which means not only crossing the administrative borders of cities, but also the borders of access to centrally managed energy systems, especially to central district heating networks.
Section 5 analyzes the operation of a hypothetical example of heat pumps and photovoltaic PV systems applied in a new small residential area of Warsaw’s suburbs and analyzes the operation of such energy systems in given conditions.
Finally, Section 6 presents conclusions emphasizing the purposefulness of the application of modern low-temperature heating networks using renewable energies, i.e., photovoltaic systems, and heat pumps at micro scale in the outskirts of cities. As determined by the results of simulation studies of the operation of micro energy systems consisting of a photovoltaic installation and a heat pump, their combination significantly reduces the consumption of final and primary energy. Electricity generated by PV systems can supply annually at least about 25 or 35% demand directly on site depending on the configuration and modes of operation of the local energy system in Polish climatic conditions. Results of the study show that by creating a common local electricity network and a local heating network powered by a central heat pump, the direct use of electricity generated in the local photovoltaic systems corresponds to at least 35%. Such a large share of solar energy results from the relatively even use of the solar energy gained during a day, because different energy consumption profiles by different consumers achieve a more even averaged course. The presented idea of a photovoltaic system combined with a heat pump, which acts as the only heating device that supplies heat to end users through a central micro heating network, seems to be an energy-efficient solution for new areas emerging on the outskirts of cities.

2. Present State of the Polish Energy Sector

Poland, like many former socialist countries, has a well-developed centralized energy system. Such a system is based on the central national electricity grid and the central district heating systems that generate and deliver heat to end users mainly in large cities. In small towns and villages, local heating plants and individual heat sources are used, the latter being typical for non-urban areas. Although overall the energy situation looks good, in practice there are a number of problems related to the efficiency of the energy conversion in power and heating plants, quality and effectiveness of electricity grid and thermal heating networks, the security of supplying energy and rational use of the final energy. In addition, the Polish energy system is based mostly on old, inefficient energy conversion technologies using coal (hard and brown) as the primary fuel, which means that the energy sector is highly energy-intensive and results in serious environmental problems. The use of energy from renewable sources has noticeably increased in the last decade. However, their future role in the national energy policy is still underestimated and mostly concerns small distributed energy systems and micro individual energy consumers, only.
Figure 1 presents the structure of final energy consumption by carrier in the year 2010 and 2020 in Poland. The structure is taken from Polish official statistics [16]. It should be mentioned that in such a structure of domestic final energy consumption, coal is not only an independent energy carrier, but it also dominates in the generation of electricity and heat. It can be seen that over the last ten years the share of heat has decreased, while the share of electricity has increased, and the share of so-called “others”, which are mainly renewable energies, also increased.
Over 2010–2020, the share of transport and industry in final energy consumption increased, while the share of households, services and agriculture decreased. The share of transport increased from 25.7% to 30.4%, which was the largest change in the period in question, and the share of industry from 21.8% to 24.2%. The share of households decreased from 33.3% to 29.6%, agriculture from 5.8% to 5.5% and services from 13.5% to 10.3% [16]. The structure of energy consumption in households is still dominated by the demand for heat for space heating; however, its share is gradually decreasing (from 71% in 2010 to 66% in 2020) thanks to the refurbishment of buildings. On the other hand, electricity consumption (for lighting and household appliances) is on the rise and currently accounts for around 10% of final energy. The Table 1 shows changes (percentages) in the structure of energy consumption in households.
In 2021, 173.6 TWh of electricity was produced in Poland and 174.4 TWh was consumed. The structure of electricity production is dominated by hard coal and lignite as fuel, and in September 2022 their shares were 51.3% and 28.7%, respectively [17]. Gas-fired power plants provided only 3.68% of electricity, and renewable energy plants almost 15%, of which the share of wind farms was 8.08%. Recently, energy production by coal fired plants has been decreasing by an average of 5–8% annually, while domestic consumption is increasing accordingly (the difference is not large, but energy export is slowly increasing).
At the beginning of 2023, the share of hard coal in electricity production fell below 50%, as shown in Figure 2. This figure shows structure of the electricity generation in the country in relation to licensed large power plants, at the beginning of the current year (January–February 2023; data for Figure 2 are taken from [17]). However, it should be noted that this structure does not take into account micro-installations (mainly photovoltaic) generating electricity for the producers’ own needs. If all systems and installations (not only licensed ones) are taken into account, then the share of renewable energy in electricity production in the country is higher. In 2022, it amounted to 21%, of which wind energy accounted for 10.8%, photovoltaics 4.5%, bioenergy (biomass and biogas) 4.2% [18]. With regard to the installed capacity, the share of systems using renewable energy sources was 37.6%. The structure of electricity production in relation to all energy generation systems in the country is presented in Figure 3. Comparing Figure 2 and Figure 3, we can see differences in the structure of electricity generation. This is mainly due to the fact that in the case of the entire national power system, which includes small distributed energy systems, the operation of which does not require a concession for energy production, the use of own local RES resources is increasing.
As can be seen, the power sector is based mainly on fuels that are inefficient and harmful to the environment, being the main source of greenhouse gas emissions. Transmission grids are already outdated and require relatively quick modernization and upgrading, especially since more and more new systems based on renewable energy (which is stochastic in nature), are being connected to those grids. In addition, the new renewable energy systems are of both low capacity of a few kilowatts—coming from micro-installations installed directly in the end users’ houses, the so-called prosumers—and of large capacity power systems of hundreds and even thousands of megawatts, as wind and photovoltaic energy farms.
The situation is similar in the heating sector, where the use of coal as a fuel for heat generation also dominates and its share is usually at around 70%. It is true that in the case of local heating plants, and especially individual heat sources, gas is increasingly used. Unfortunately, coal is still a dominant fuel in individual households, and unfortunately its role will probably continue as a result of the growing energy crisis in the country and the government’s support mechanisms for this fuel for individual consumers, which have recently been put into force (in connection with the decision not to import fuels from Russia). In 2020, small and large heating companies held a concession to generate heat, producing 393,800 TJ of heat in the country (including heat recovered in technological processes) [19]. Unfortunately, customers connected to the network received only 57% of the heat generated, because the rest was used to meet the companies’ own heating needs, and moreover, the remaining part was lost during heat transmission. This shows how inefficient district heating networks are nowadays. However, it can be mentioned that energy efficiency of operation of the heating plants can be improved by using co-generation; on average, over 65% of heat is produced in co-generation. However, only 30% of the total number of co-generation power plants (and energy generated by these plants) meet the requirements of the EU Directive on energy efficiency [3,20], allowing these power plants to be considered energy efficient. This means that these power plants will have to be quickly modernized or gradually taken out of operation.
The total length of heating networks in the country is over 22,100 km, with the longest heating network located in Warsaw. It is 1860 km long and supplies heat to 19,000 buildings in Warsaw, covering 80% of the total heating needs. It is the largest district heating system in the European Union. Unfortunately, this is an old generation thermal energy system that supplies high-temperature heat to consumers, partly in the form of steam generated in two main co-generation power plants (located in the city at the left bank of Wistula river). The problem of how to modernize such an outdated system into a modern low-temperature system, both in terms of heat generation and its transmission, becomes obvious [21,22].
The Polish Energy Policy until 2040 [23] indicates the necessity of transformation of energy sector. According to that document, the share of hard and brown coal in electricity generation will be reduced from 80% to 60% by 2030. The role of using renewable energy sources will grow to reach the level of 23% of final gross energy consumption by the year 2030 and at least 28.5% by the year 2040. However, the provisions introduced into the official document of the strategic development of the energy sector in the country are criticized and raise a number of doubts. This applies, among others, to the development of renewable energy in the country, which has been poorly estimated. The document entered into force in April 2021. In 2022, the share of electricity generation from renewable sources reached 21% (Figure 2 according to [17]), while in the official government strategy in 2030 it is to be only 23% [23], which proves a clear underestimation of this energy sector. In fact, as already mentioned, the whole process may be slowed down significantly because of the present energy crisis in the country and newly introduced regulations supporting using coal to overcome the fuel shortage problems. Therefore, implementation of the long-term energy policy focused on reduction of greenhouse gas emissions and air pollution seems questionable.
According to The Polish Energy Policy until 2040 [23], application of heat pumps will be supported, but it is considered only in micro scale for individual users, as single-family houses. The possibility of using large-scale heat pumps and medium scale ones, including their integration into central district heating and cooling systems, is not envisaged at all. This, of course, results from the lack of practical technical possibilities to integrate low-temperature heat pumps based on renewable energy sources in the existing high-temperature district heating networks. On the other hand, there are no specific mechanisms and regulations enabling the gradual integration of centralized energy systems with distributed energy systems, including low-temperature heating systems.
The national energy sector faces a huge challenge of how to change an inefficient energy colossus into a modern, highly effective and safe heat and electricity supply system, where heat pumps could play an important role.

3. Application of Heat Pumps in Poland—Development of a Heat Pump Market

The heat pump market has been developing very dynamically recently in Poland, especially in the last 3 years. Such development is supported by the introduced support mechanisms (currently primarily the “Clean Air” program and the “My current” program, 4th edition) subsidizing investments in ecological heat sources, including heat pumps [24]. As a result of changes in the structure of energy prices, as well as due to the increase in the ecological awareness of the society and the implementation of support mechanisms, the sale of heat pumps dominates the Polish energy market, giving the primacy to photovoltaic systems. According to PORT PC [25] in 2021, almost 93,000 heat pumps were sold in the country. These were mainly air-to-water heat pumps for space heating and domestic hot water heating, and then ground (brine-to-water) heat pumps. In 2022 the sales of heat pumps has been estimated to be around 203,300 units, including 188,200 air–water heat pumps for space heating. In recent years, it has been difficult to find in official statistics how many heat pumps have been installed annually in the country. Only information obtained from companies selling heat pumps can be used. Based on the collected information, PORT PC Society compiles statistics on the development of the heat pump market in the country. The data collected by PORT PC have been presented recently [26] and are shown in the Figure 4. It is evident that there has been a very dynamic increase in sales of heat pumps in the last few years, especially air-to-water heat pumps for space heating.
In 2022 a new regulation was put into force [27] and all energy users are now obliged to submit a declaration to the Central Building Emissions Register (CEEB) regarding the heating source used. According to CEEB data, by the end of July 2022, the use of 233,500 heat pumps was reported in Poland (this value is slightly different from the value reported by PORT), but these are not final data because 30% of heat sources have not yet been registered in the records [28]. Currently, 218,000 are heat pumps installed in residential buildings, and approximately 15,500 are heat pumps in non-residential buildings [28]. Most of the heat pumps have a capacity from five to a dozen or sometimes several dozen kilowatts. They are micro-scale devices working for the particular needs of individual households. Of course, heat pumps with higher capacity can be also found. However, there are not many of them and they work mainly in geothermal plants [29], using low-enthalpy geothermal waters as a lower heat source, and in municipal wastewater treatment plants, using the heat contained in wastewater [30].
Therefore, the present use of heat pumps concerns mainly micro-scale systems installed in residential buildings on the outskirts of cities and in the countryside, where there is no central heating network and no access to gas. Until recently, in non-urban areas with access to gas pipelines, individual consumers invested primarily in gas boilers, but recently, due to the drop in heat pump prices and rising gas prices, heat pumps have increasingly successfully competed with gas boilers. The attractiveness of the use of heat pumps has increased with the use of support mechanisms that promote the simultaneous use of heat pumps and photovoltaic installations. An example just mentioned supporting such investments is the “Clean Air” [24] program, which is aimed at owners and co-owners of single-family residential buildings (with a specified limit of annual financial income) who decide to exchange a heat source device (e.g., coal boiler) as part of thermo-modernization measures.
The existing supporting programs are part of the implementation of the provisions stated in the PEP document [23] indicating the need to cover the heating needs of all households by 2040 by district heating systems and by zero- or low-emission individual sources, which include heat pumps. Thus, in accordance with the state energy policy, the use of heat pumps is recommended as the use of individual heat sources for the low-emission transformation of the economy. However, the question arises whether support only through the use of individual low-emission heat sources of small power, such as heat pumps used in single-family buildings, will allow implementation of the long-term strategic goal of a zero-emission energy system by 2050. It seems that certain systemic procedures and measures, and a comprehensive approach to energy management should be introduced with regard to generation and consumption of heat, cold and electricity. This will enable the creation of modern low-energy smart housing estates in cities and on their outskirts, which will implement their own local energy management based on the idea of sharing the obtained energy and creating energy-positive districts in which the use of renewable energy sources and heat pumps of various capacity will become the basic rule.

4. Current Trend of Spreading Cities beyond the Traditional Borders

Contemporary cities are spreading beyond the existing borders. People are increasingly moving out of cities to their outskirts. Cities are becoming too burdensome to live in due to the hustle and noise, both due to the crowds of moving people, as well as the increasing car traffic, the prevailing rush and the deteriorating psychological comfort of people. People are becoming more and more anonymous and invisible, forming the background of the city, no longer the fundamental unit for which cities were created. Living on the outskirts of cities usually provides a calm atmosphere without stress, a clean environment, a sense of harmony with the surrounding nature and belonging to a local community that can be influenced and in which residents can actively participate if they feel the need. Such new housing estates are something new in the Polish residential building stock and they need a new approach when modeling dynamics of buildings and energy system operation [31].
The basic problem of new housing estates on the borders of cities is the lack of access to energy media and networks. First of all, there is no access to the central district heating systems and gas networks. The possibility of extending central heating networks to new customers is practically impossible, both for technical and economic reasons. The technical conditions of the old central district networks are bad; they are corroded, poorly thermally insulated, their failure rate is high and the capacity of the transferred heat is limited. As the length of the network increases, thermal losses increase and the temperature of the heat drops, which makes the transmission of heat very ineffective. The cost of construction of new networks distant from city centers and CHP locations is very high. It is much cheaper to invest in local heat sources and a network of small distributed systems, which gives priority to the construction of local energy systems using locally available energy sources, and thus primarily energy from renewable and waste sources.
The power grid (low voltage) is usually available on the outskirts of cities, and access to electricity is the basic criterion for choosing a place for the location of new suburban housing estates. These estates are therefore based on electricity as the only available form of energy, which affects the choice of appropriate energy installations in buildings and gives an undeniable priority to the use of heat pumps and the use of renewable energy available locally. In this way, distributed energy systems are developing on the borders of cities, using modern energy-saving and environmentally friendly technologies, where the heat pump can play an important and even fundamental role. An example of a typical new housing estate in the suburbs of Warsaw is shown in Figure 5.
Figure 5 shows an example of a micro estate of semi-detached houses near Warsaw, where each user (a family) has their own independent heating system and is connected to the power grid. On the roofs of some of the buildings the photovoltaic modules can be seen (unfortunately covered with snow).
As mentioned in the previous section, in new residential areas in the suburbs of cities, due to the widespread availability of the electricity grid, the use of heat pumps to meet heating needs can be considered relatively simple and economically effective. Due to the need to meet the demand for energy by local distributed energy systems based on local, mainly renewable energy sources, it is advisable that electricity comes from local resources as much as possible and is generated on site.
Currently, the most common and economically justified is the use of photovoltaic installations, in which the generated electricity can be used directly to drive heat pumps and to power domestic appliances and lighting, and any surplus electricity (if it exists) can be transferred to the grid. This situation results from the current electricity billing mechanism between the prosumer generating energy in his own photovoltaic installation and the energy distribution company. This mechanism is called net-billing and consists in valuable, not quantitative, settlement of energy production. The prosumer sells surpluses at a specific average monthly price (lower than the purchase price of energy), and pays for energy like other consumers, including distribution fees. This mechanism was introduced in connection with the update of the Renewable Energy Act [32] and is valid from April 2022. Of course, when the photovoltaic system is not operating then electricity is taken from the grid. In Poland the peak of energy demand is during the heating season in winter, when the availability of solar radiation is the lowest, which makes energy needs and solar energy gained to be opposed in both time and quantity.
Photovoltaic technologies in Poland have become the main modern, most accessible and relatively cheap renewable energy technology. The dominance of photovoltaics on the renewable energy market was indisputably supported by the national support mechanisms for the use of micro-installations in buildings [32]. Over the last few years, Poland has become the fastest growing photovoltaic market in Europe, as seen in Figure 6 (data are found in [33]). It should be noted that the graph in Figure 6 has been drawn on a logarithmic scale. Without such a scale, it would be difficult (or rather not possible) to show the increase in installed power in photovoltaic systems in the country in the last two decades.

5. Analysis of Application of Heat Pumps and Photovoltaic PV Systems in a New Small Residential Area of Warsaw’s Suburbs

Previous research for a single-family house in Polish climatic conditions [34] has proved that the distribution of electrical energy needs of the heat pump throughout the heating season and the distribution of electrical energy generated by the PV system are characterized by a rather poor match between the space heating demand and energy supplied by the PV system on the winter time. Even if the building is really a low-energy house (in the performed research the final seasonal energy consumption index of the house was at a level of 22 kWh/m2 and the driving power of the heat pump was only 2 kW), the share of energy gained by the PV system to meet the needs of the heat pump during the heating season was 25%. It can be mentioned that in that study the total annual electrical energy gained by the selected PV system (capacity of 2.7 kW) was equal to 2859 kWh. The study also showed that the use of batteries to store excess energy obtained during winter days increases the share of solar energy use by only a few percent. Moreover, this slightly increased share of solar energy is practically negligible if the storage efficiency of the batteries is taken into account. Therefore, in the current climatic conditions of Poland, with available technical solutions and mainly due to the costs of batteries, the use of solar energy storage in installations with peak energy loads in winter is not recommended.
In the case of new housing estates built on the outskirts of cities, it is possible to use heating systems with heat pumps and photovoltaic systems installed individually for each end user (resident). In this way generation and consumption of energy for each end user is accomplished independently. This case has been described above briefly and analyzed in details in the paper [34]. It is a standard way of using PV systems and heat pumps by individual end-users in single-family houses. Such single-family houses constitute the new housing estates on the outskirts of cities and they are springing up like mushrooms after rain. As mentioned, they are built in areas where there are no traditional energy media, apart from access to the low-voltage power grid.
An example of a typical micro housing estate energy system is presented in Figure 7. The micro energy systems are equipped with individual energy systems and devices: photovoltaic systems and heat pumps, which are located at every house of the housing estate. Every house is also equipped with individual inverter and a heat storage tank (it is usually assumed that 150 or 200 L of storage volume are used for a family depending on their life style). Photovoltaic systems and electrical internal systems of every house are connected with the central low-voltage grid through two-way energy meters.
Currently it is also possible to jointly use photovoltaic systems by all residents of the housing estate. In such a case, photovoltaic systems are usually installed on the roofs of all buildings and they supply energy to the local grid, from which electricity can be sent to the central low-voltage grid or to individual users to power individual electrical appliances and heat pumps.
However, one more option is also possible when all photovoltaic systems can supply electricity to their own internal grids in houses and/or to the local low voltage power grid in the housing estate and then if necessary to the central grid. An example of such a system is presented in Figure 8. In this case, electricity from the local grid can power one or more heat pumps, which are located centrally in a heat pump house. The number of heat pumps in operation depends on the energy demand of the end users. In case of a very small energy demand, only one heat pump can be used. Heating needs of end-users are met through the local micro district heating network. The heat pump house is similar to a traditional boiler house, but there is no boiler and the central hot water storage tank or tanks are located there.
The energy system presented in Figure 7 presents a possible configuration of an energy system that enables sharing of individually generated electrical energy and heat gained from one common central heat pump. This option presents the innovative idea of the mini-housing estate focused on utilization own renewable energy systems, i.e., photovoltaic systems and a heat pump (based on ground or ambient air—the low temperature heat source) operating in a micro district heating system.
To analyze the two options (presented in Figure 6 and Figure 7) of possible configuration and operation of heat pumps powered by the PV systems in a micro housing estate located in the suburbs of the city of Warsaw, the same methodology of consideration and simulation the operation of energy systems as described in the paper [34] was applied.
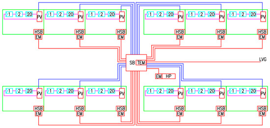
In this study, the application of heat pumps and PV systems in the new micro residential area was considered for the climatic conditions of Warsaw [35]. It was assumed that the micro residential area consists of six blocks of semi-detached houses, similar to those shown in Figure 5. Each of the 12 houses has a floor area of 120 m2 (of heating space) and two floors. The houses are on an east–west axis. South facades and roofs are well exposed to solar radiation and there are no shading obstacles in the vicinity. PV modules are located on those south facing roofs of 30° inclinations. The electricity generated by the PV systems can be used directly on site at home or transferred to the grid. Priority is given for consumption on site and therefore it is assumed that the working time of the devices is adjusted to the time of electricity generation by the photovoltaic systems. The electricity can be used for lighting and electrical appliances, and to drive heat pumps. Heat pumps can supply heating energy for space heating and domestic hot water individually (option 1, presented in Figure 7, a heat pump in every building) or through local micro heating network (option 2, presented in Figure 8, a central heat pump in a heat pump house with a storage tank of 1800 L volume; due to the large size of the tank, the use of two tanks, each with a volume of 900 L, was assumed). In order to present the connections of the electrical system in the considered housing estate in more detail, Figure 9 has been included. This figure shows a block diagram of the electrical installation (the symbols marked in the figure are described below it). The numbers refer to numbers of photovoltaic modules.
To determine the electricity needed for household appliances and lighting, two different electricity consumption profiles were assumed, depending on the lifestyle of the household members. One profile (profile A) assumes practically constant presence of residents (or most of them) at home during the day, while the other one (profile B) assumes discontinuous occupancy, when there are no household members at home during working hours. The first profile (A) is responsible for energy consumption in 25% of households, the second (B) for 75%. They are presented in Figure 10 in a case of spring/autumn season. In those seasons the electricity consumption profiles represent the average daily electricity consumption for summer and winter and they account approximately for 12 kWh per day. For simulation studies, two profiles of electricity consumption for using regular domestic electrical appliances were taken into account (profile A and B), as well as four seasons of a year with some differences in energy consumption during the days of the seasons. In summer the electricity consumption is the lowest (the day time is the longest and there is no need for space cooling) and in winter the electricity consumption is the highest (the day time is the shortest).
To determine the electricity needed to drive the heat pump, two components of heating demand were considered, one for domestic hot water and another one for space heating. In the case of heating demand for domestic hot water, the similar two distribution profiles of electricity consumption for powering household receivers and lighting were assumed. The demand for domestic hot water assumes that every member of the family consumes 40 L of domestic hot water daily. Daily averaged demand for heating the water for one family of four people corresponds to about 9.3 kWh. Figure 11 presents the hourly distribution of DHW consumption for two different daily profiles of the water use (dark color is for continuous occupancy, bright color is the profile when residents are not at home during working hours). These daily profiles are based on considerations reviewing different domestic hot water consumption profiles applied in buildings in the residential sector [36].
Calculations of the space heating demand for the houses under consideration were conducted using official meteorological data. These meteorological data, i.e., hourly ambient air temperatures and hourly solar irradiations (diffuse and direct irradiations) averaged for every month of an averaged year were taken from official data base for Warsaw [35]. Using these data, the solar radiation gains for buildings were calculated using the anisotropic HDKR diffuse solar radiation model [37]. Different orientations (there are south and north windows only) and inclinations (all windows are vertical) together with the surface area of windows and their solar transmissivity were taken into account. Solar gains were calculated with a time step equal to one hour. Internal heat gains were assumed to be constant in time.
Taking into account the dimensions of partitions of the houses (walls, floor on the ground, windows, roof) and their structure, and the hourly ambient air temperature distribution and the constant indoor air temperature, the heat transfer coefficients and the heat losses through all considered partitions were calculated. The calculated values of heat transfer coefficients for all partitions were compared with the limiting values of these coefficients specified in the regulation on the Technical Conditions for buildings and their surrounding [26], if they are not greater than the limit values set in 2021. Next, knowing the cubic capacity of the houses and required hourly air exchange rate on the base of average hourly ambient air temperature, the hourly value of the heat loss through ventilation was determined.
Finally, the energy balance for every building and for the entire housing estate was formulated and solved with an hour time step. The window area for one entire row of six houses is 144 m2. The surface of the walls is 408 m2 and the floor on the ground is 360 m2. The heat loss coefficient for all partitions was equal to 733 W/K and for ventilation to 660 W/K. Figure 12 shows the results of the calculations and presents the distribution of the daily space heating demand (for the clarity of the drawing the hourly values of space heating demand were summed up for each day). The negative values indicate cooling energy demand, but cooling has not been considered, as the use of external shading devices has been assumed.
As calculated, the total heat demand for space heating during the heating season is nearly 125 MWh. It has been assumed that the heating needs are provided by the low temperature underfloor water heating system. The annual heat demand for domestic hot water is approximately 41 MWh (the total number of all residents of the housing estate is 48). All heating needs can be accomplished by a heat pump, which uses 37.2 MWh electricity annually to drive a heat pump compressor. It turns out that annual consumption of electricity to power household appliances and lighting is higher than space heating demand and accounts for 52.8 MWh. In total, around 90 MWh of electricity can be used annually by the considered housing estate.
To determine the heating power of the heat pump, the winter conditions must be taken into account, when the space heating demand is the highest and the heat pump is working to cover the high space heating demand and the demand for domestic hot water. The calculated value of the total heating power of a heat pump appropriate for the considered housing estate should be about 28–30 kW. However, taking into account the large differences in the demand for heating energy in summer and winter, it has been assumed that two heat pumps with a total power of 28–30 kW should be used. Both heat pumps should operate during the heating season, and only one in the summer season for heating domestic water.
It has been assumed that the entire surface of the roofs on the south side (of all houses) can be used to install photovoltaic modules. Currently, the most common photovoltaic modules (dimension of a module is 1 × 1.64 m2) can have a peak power of about 350 Wp. On the southern roofs of two rows of houses, 240 modules with a power of 84 kWp can be installed. Having the hourly data of solar radiation on a horizontal surface in Warsaw (the same data as for calculations of solar gains for windows [35]) and using the anisotropic HDKR diffuse solar radiation model [37], the solar irradiation on surfaces of the PV modules tilted at angle of 30° was calculated with a time step equal to one hour. The calculations show that the considered modules can generate 84 to 96 MWh energy annually (from 1 to 1.15 MWh of energy per year can be obtained from 1 kWp of the installed power), depending on solar irradiation conditions. Figure 13 presents the daily distribution of electricity generated by the considered PV system with modules installed on the south roofs of all 12 houses. Figure 13 presents the distribution of energy produced by the PV system for every day of the whole year. These energy values were obtained after summing up the hourly values of generated energy for a given day.
As mentioned above, the PV modules can generate 84 to 96 MWh energy annually. This means that theoretically the electricity generated by the PV system can provide all energy needs of the households. Of course, the annual data do not show the real situation in the real operating time of the PV systems. Results of the calculations performed have shown that, in a case of the first option of configuration and operation of the heat pump powered by the PV system installed individually at every single-family house presented in Figure 7, energy generated by the PV system can directly cover about 25% of electrical energy demand (electrical energy is consumed at the same time as it is generated). In the case of the second option of the energy system configuration and operation presented in Figure 8, the energy generated by the PV systems can cover directly about 35% of electrical energy demand. The second option results in a more even consumption of electricity throughout the day. The share of the lack of energy needs during the day (during working hours) of a certain group of energy consumers decreases due to the use of available electricity (generated by the photovoltaic system) by consumers staying at home all the time. It can be noted that in the two options considered, it was assumed that if solar energy is available during the day, the heat pump operates at the same time. The obtained heat is directly transferred to the recipients through the local heating network or stored in a central local heat accumulator. When the PV systems and heat pumps operate in an integrated way such that they can be treated as integrated energy systems which provides energy needs through common households’ power grid and local district heating system, then the share of direct use of electricity generated by the photovoltaic may increase to around 35%, what is a very good result in Polish climatic conditions.

6. Conclusions

The necessity of development of energy-efficient buildings and energy supply systems is obvious nowadays if we are going to conserve environment and implement the principles of sustainable development [38,39,40,41]. To protect the natural environment, it is necessary to transform the energy system based on fossil fuels into a low-emission or even zero-emission energy system, modernize the urban infrastructure to ensure buildings are low-emission and finally fully decarbonized buildings (e.g., as an energy efficient Building Energy Cluster (BEC) [31]). The most convenient situation for creating such an energy efficient Building Energy Cluster is when a new housing estate is built on the outskirts of the city and only has access to electrical energy from the grid. This provides the basis for the use of modern systems based on renewable energies, using a heat pump as the main heating device.
The analysis performed for the study showed that in the case of new housing estates on the outskirts of the city, the appropriate solution is to use the photovoltaic systems to generate electricity for lighting and electrical appliances and to drive the heat pumps. Until the end of April this year, a mechanism supporting prosumers of micro photovoltaic installations with an installed capacity of up to 50 kW was in force in the country. It enabled the use of the national power grid as a virtual energy storage with an efficiency of 70% (at power above 10 kW and 80% at power below 10 kW) [32]. Currently, this mechanism (so called net-metering) no longer applies to new installations. The investor must negotiate and then set the terms and price of the energy fed into the grid with the electricity distributor, and a so-called net-billing mechanism is used (described briefly at the end of Section 4).
Until recently, thanks to official regulation allowing the grid to be used as a virtual storage, the photovoltaic systems coupled with heat pumps could have been regarded as completely energy self-sufficient systems. Unfortunately, changes in the national energy regulation system have reduced the attractiveness of using photovoltaic systems. However, this does not mean that application of PV systems is not the right option for newly built housing estates on the outskirts of cities. The use of a combination of photovoltaics and heat pumps remains a very good energy-saving and environmentally friendly solution, and at the same time it is the only solution that ensures a large reduction in final energy consumption compared to the heating energy needs. The electricity required to drive the heat pump is smaller than the heating energy needs. In addition, the share of electricity used by the heat pump in the annual energy balance of a building or housing estate is lower than the annual demand for electricity to power lighting and household electricity receivers. Of course, it is true that a demand for space heating is highest in winter, and during the heating season both electrical energy needs and heating needs could be at the same level. Furthermore, in severe winters the space heating demand may even be seasonally larger.
As a result of the recent change to the Act on Renewable Energy [32], the power grid can no longer be used as a virtual energy storage and new energy storage solutions are being sought more and more intensively. The electricity gained thanks to the operation of photovoltaic systems can be stored in a form of heat. This can be done directly through conversion of electricity into heat, thanks to the use of an electric heater inserted into a water storage tank, or indirectly through the use of a heat pump and then storing the heat gained in a storage tank. As research has shown, the use of a heat pump as the main element of the heating system in centralized micro heating systems can give very good results, among others, thanks to the use of a central storage tank. The volume of storage significantly affects the temperature of the heat obtained and the efficiency of the entire heating system, including the share of solar energy to cover the heating demand. Therefore, it is necessary to carry out further research, which will focus on determining the optimal volume of storage tanks for given operating conditions using micro-centralized energy systems based on the cooperation of photovoltaic systems with heat pumps.
It is to be expected that with the growing number of local energy networks on the outskirts of cities, it will be possible to gradually interconnect them from central large energy systems, giving the base for development of new energy efficient building districts which shortly become fully decarbonized housing areas. The next step should be the gradual replacement of traditional central district heating networks with such integrated new networks based on RES in the cities, particularly since the existing energy systems are very outdated and inefficient. The modernization of such systems will become unprofitable compared to the costs of a modern low-temperature heating system with heat pumps.

Author Contributions

Conceptualization, D.C.; Methodology, B.C.; Software, B.C.; Validation, B.C.; Formal analysis, D.C.; Resources, D.C.; Writing—original draft, D.C.; Writing—review and editing, D.C.; Visualization, B.C.; Supervision, D.C.; Project administration, D.C.; Funding acquisition, D.C. All authors have read and agreed to the published version of the manuscript.

Funding

The research was carried out as part of statutory work at the Warsaw University of Technology by D. Chwieduk and elaboration of the doctoral dissertation by B Chwieduk.

Data Availability Statement

The data that support the findings of this study are available within the article.

Conflicts of Interest

The authors declare no conflict of interest.

References

  1. Directive (EU) 2018/2002 of the European Parliament and of the Council of 11 December 2018 Amending Directive 2012/27/EU on Energy Efficiency. Available online: https://eur-lex.europa.eu/eli/dir/2018/2002/oj (accessed on 15 March 2023).
  2. Directive 2010/31/EU of the European Parliament and of the Council of 19 May 2010 on the Energy Performance of Buildings (Recast). Available online: https://eur-lex.europa.eu/eli/dir/2010/31/oj/ (accessed on 15 March 2023).
  3. Directive (EU) 2018/2001 of the European Parliament and of the Council of 11 December 2018 on the Promotion of the Use of Energy from Renewable Sources (Recast). Available online: https://eur-lex.europa.eu/eli/dir/2018/2001 (accessed on 15 March 2023).
  4. Liobikienė, G.; Minelgaitė, A. Energy and resource-saving behaviours in European Union countries: The Campbell paradigm and goal framing theory approaches. Sci. Total Environ. 2021, 750, 141745. [Google Scholar] [CrossRef]
  5. Ciacci, L.; Passarini, F. Life Cycle Assessment (LCA) of Environmental and Energy Systems. Energies 2020, 13, 5892. [Google Scholar] [CrossRef]
  6. Anderson, N.; Wedawatta, G.; Rathnayake, I.; Domingo, N.; Azizi, Z. Embodied Energy Consumption in the Residential Sector: A Case Study of Affordable Housing. Sustainability 2022, 14, 5051. [Google Scholar] [CrossRef]
  7. Asdrubali, F.; Grazieschi, G.; Roncone, M.; Thiebat, F.; Carbonaro, C. Sustainability of Building Materials: Embodied Energy and Embodied Carbon of Masonry. Energies 2023, 16, 1846. [Google Scholar] [CrossRef]
  8. Evens, M.; Mugnini, A.; Arteconi, A. Design energy flexibility characterization of a heat pump and thermal energy storage in a Comfort and Climate Box. Appl. Therm. Eng. 2022, 216, 119154. [Google Scholar] [CrossRef]
  9. Reda, F. Solar Assisted Ground Source Heat Pumps Solutions: Effective Energy Flows Climate Management; Springer: Berlin/Heidelberg, Germany, 2017. [Google Scholar]
  10. Bayer, P.; Saner, D.; Bolay, S.; Rybach, L.; Blum, P. Greenhouse gas emission savings of ground source heat pump systems in Europe: A review. Renew. Sustain. Energy Rev. 2012, 16, 1256–1267. [Google Scholar] [CrossRef]
  11. Carroll, P.; Chesser, M.; Lyons, P. Air Source Heat Pumps field studies: A systematic literature review. Renew. Sustain. Energy Rev. 2020, 134, 110275. [Google Scholar] [CrossRef]
  12. D’Agostino, D.; Mele, L.; Minichiello, F.; Renno, C. The Use of Ground Source Heat Pump to Achieve a Net Zero Energy Building. Energies 2020, 13, 3450. [Google Scholar] [CrossRef]
  13. Ratchawang, S.; Chotpantarat, S.; Chokchai, S.; Takashima, I.; Uchida, Y.; Charusiri, P. A Review of Ground Source Heat Pump Application for Space Cooling in Southeast Asia. Energies 2022, 15, 4992. [Google Scholar] [CrossRef]
  14. Chwieduk, D. Towards modern options of energy conservation in Buildings. Renew Energy 2017, 101, 1194–1202. [Google Scholar] [CrossRef]
  15. Vasseur, V.; Marique, A.-F.; Udalov, V. A Conceptual Framework to Understand Households’ Energy Consumption. Energies 2019, 12, 4250. [Google Scholar] [CrossRef]
  16. Statistics Poland. Energy Efficiency in Poland in Years 2010–2020; Statistical Analyses; GUS: Warsaw, Poland; Statistics Poland: Warsaw, Poland; Enterprises Department, 2022. [Google Scholar]
  17. Available online: https://www.rynekelektryczny.pl/produkcja-energii-elektrycznej-w-polsce/ (accessed on 30 March 2023).
  18. Available online: https://globenergia.pl/ponad-21-energii-pochodzilo-z-oze-miks-energetyczny-i-struktura-produkcji-energii-w-polsce-w-2022-r (accessed on 30 March 2023).
  19. Available online: https://www.ure.gov.pl/pl/cieplo/charakterystyka-rynku/ (accessed on 20 November 2022).
  20. Directive 2018/844 of The European Parliament and of The Council of 30 May 2018 Amending Directive 2010/31/EU on The Energy Performance of Buildings and Directive 2012/27/EU on Energy Efficiency. 2012. Available online: http://data.europa.eu/eli/dir/2018/844/oj (accessed on 20 November 2022).
  21. Chwieduk, D.; Bujalski, W.; Chwieduk, B. Possibilities of Transition from Centralized Energy Systems to Distributed Energy Sources in Large Polish Cities. Energies 2020, 13, 2020. [Google Scholar] [CrossRef]
  22. Jedrzejuk, H.; Chwieduk, D. Possibilities of Upgrading Warsaw Existing Residential Area to Status of Positive Energy Districts. Energies 2021, 14, 5984. [Google Scholar] [CrossRef]
  23. Polityka Energetyczna Polski 2040. Monitor Polski 2021 r. poz.264. Available online: https://www.dziennikustaw.gov.pl/MP/2021/264 (accessed on 18 September 2022).
  24. Available online: https://czystepowietrze.gov.pl/ (accessed on 20 November 2022).
  25. Available online: https://portpc.pl/ponad-dwukrotny-wzrost-sprzedazy-powietrznych-pomp-ciepla-w-i-pol-2022-roku/ (accessed on 20 November 2022).
  26. Lachman, P. Rok 2022—Rok Pomp Ciepła w Europie. In The Year 2022—Year of Heat Pumps in Europe; PORT PC Congress: Cracow, Poland, 2023. [Google Scholar]
  27. Rozporządzenie Ministra Infrastruktury w Sprawie Warunków Technicznych, Jakim Powinny Odpowiadać Budynki i ich Usytuowanie. National Regulation on Technical Conditions for Buildings and Their Location with Amendments. Dz. Ustaw 2013, 926. Available online: https://sip.lex.pl/akty-prawne/dzu-dziennik-ustaw/warunki-techniczne-jakim-powinny-odpowiadac-budynki-i-ich-usytuowanie-16964625 (accessed on 10 August 2022).
  28. Available online: https://termomodernizacja.pl/ile-jest-pomp-ciepla-w-polsce-analizujemy-dane-z-ceeb/ (accessed on 20 March 2023).
  29. Kępinska, B. Wykorzystanie energii geotermalnej w Polsce w latach 2019–2021. Geothermal energy applications in Poland in 2019–2021. Prz. Geol. 2021, 69, 559–565. (In Polish) [Google Scholar]
  30. Iwaszczuk, N.; Posłuszny, K. Gospodarka o obiegu zamkniętym, modele, narzędzia, wskaźniki. In Circular Economy, Models, Tools, Indicators; Wydawnictwa AGH: Kraków, Poland, 2021. (In Polish) [Google Scholar]
  31. Zygmunt, M.; Gawin, D. Application of Artificial Neural Networks in the Urban Building Energy Modelling of Polish Residential Building Stock. Energies 2021, 14, 8285. [Google Scholar] [CrossRef]
  32. ISAP. Dz.U. 2021 Poz. 2376. Ustawa z Dnia 29 Października 2021 r. o Zmianie Ustawy o Odnawialnych Źródłach Energii Oraz Niektórych Innych Ustaw; 2021. [Google Scholar]
  33. Available online: https://globenergia.pl/kategoria/fotowoltaika/ (accessed on 20 November 2022).
  34. Chwieduk, B.; Chwieduk, D. Analysis of operation and energy performance of a heat pump driven by a PV system for space heating of a single family house in Polish conditions. Renew Energy 2021, 165, 117–126. [Google Scholar] [CrossRef]
  35. Available online: https://dane.gov.pl/dataset/797,typowe-lata-meteorologiczne-i-statystyczne-dane-klimatyczne-dla-obszaru-polski-do-obliczen-energetycznych-budynkow/ (accessed on 20 November 2022).
  36. Fuentes, E.; Arce, L.; Salom, J. A review of domestic hot water consumption profiles for application in systems and buildings energy performance analysis. Renew. Sustain. Energy Rev. 2018, 81, 1530–1547. [Google Scholar] [CrossRef]
  37. Duffie, J.A.; Beckman, W.A. Solar Engineering of Thermal Processes; John Wiley & Sons: Hoboken, NJ, USA, 2013. [Google Scholar]
  38. Chel, A.; Kaushik, G. Renewable energy technologies for sustainable development of energy efficient building. Alex. Eng. J. 2018, 57, 655–669. [Google Scholar] [CrossRef]
  39. Ionescu, C.; Baracu, T.; Vlad, G.A.; Necula, H.; Badea, A. The historical evolution of the energy efficient buildings. Renew. Sustain. Energy Rev. 2015, 49, 243–253. [Google Scholar] [CrossRef]
  40. Wilberforce, T.; Olabi, A.G.; Sayed, E.T.; Elsaid, K.; Maghrabie, H.M.; Abdelkareem, M.A. A review on zero energy buildings—Pros and cons. Energy Built Environ. 2023, 4, 25–38. [Google Scholar] [CrossRef]
  41. Vijayan, D.S.; Sivasuriyan, A.; Patchamuthu, P.; Jayaseelan, R. Thermal performance of energy-efficient buildings for sustainable development. Environ. Sci. Pollut. Res. 2022, 29, 51130–51142. [Google Scholar] [CrossRef] [PubMed]
Figure 1. Structure of final energy consumption by carrier in 2010 and 2020 in Poland.
Figure 1. Structure of final energy consumption by carrier in 2010 and 2020 in Poland.
Energies 16 03495 g001
Figure 2. Structure of the electricity generation in the licensed large power plants in Poland at the beginning of 2023 (during two months: I–II).
Figure 2. Structure of the electricity generation in the licensed large power plants in Poland at the beginning of 2023 (during two months: I–II).
Energies 16 03495 g002
Figure 3. Structure of the electricity generation in all energy systems in 2022 in Poland.
Figure 3. Structure of the electricity generation in all energy systems in 2022 in Poland.
Energies 16 03495 g003
Figure 4. Development of the heat pump market in Poland in last 13 years (A/W—air-to-water for space heating; B/W—brine-to-water for space heating; A/W (DHW)—air-to-water for Domestic Hot Water heating).
Figure 4. Development of the heat pump market in Poland in last 13 years (A/W—air-to-water for space heating; B/W—brine-to-water for space heating; A/W (DHW)—air-to-water for Domestic Hot Water heating).
Energies 16 03495 g004
Figure 5. An example of a typical new micro housing estate in the suburbs of Warsaw.
Figure 5. An example of a typical new micro housing estate in the suburbs of Warsaw.
Energies 16 03495 g005
Figure 6. Development of photovoltaic market in Poland with regard to changes of installed capacity in the last 20 years.
Figure 6. Development of photovoltaic market in Poland with regard to changes of installed capacity in the last 20 years.
Energies 16 03495 g006
Figure 7. Schematic diagram of an example of a typical micro housing estate with individual energy system for every building of the estate.
Figure 7. Schematic diagram of an example of a typical micro housing estate with individual energy system for every building of the estate.
Energies 16 03495 g007
Figure 8. Schematic diagram of a modern energy system with common local district heating system based on a central heat pump (or heat pumps) powered by electricity generated by local photovoltaic systems in micro housing estate.
Figure 8. Schematic diagram of a modern energy system with common local district heating system based on a central heat pump (or heat pumps) powered by electricity generated by local photovoltaic systems in micro housing estate.
Energies 16 03495 g008
Figure 9. A block diagram of the electrical system in the considered housing estate. PV—disconnector DC, inverter, energy produced meter. HP—heat pump. SB—main switchboard (400/230 V). HSB—house switchboard. EM—energy meter. TEM—two-way energy meter. LVG—low voltage grid. 1, 2, … 20—PV modules in a string.
Figure 9. A block diagram of the electrical system in the considered housing estate. PV—disconnector DC, inverter, energy produced meter. HP—heat pump. SB—main switchboard (400/230 V). HSB—house switchboard. EM—energy meter. TEM—two-way energy meter. LVG—low voltage grid. 1, 2, … 20—PV modules in a string.
Energies 16 03495 g009
Figure 10. Hourly electricity consumption (appliances and lighting) in households during spring and autumn days.
Figure 10. Hourly electricity consumption (appliances and lighting) in households during spring and autumn days.
Energies 16 03495 g010
Figure 11. Hourly distribution of DHW consumption for two different daily profiles of the water use.
Figure 11. Hourly distribution of DHW consumption for two different daily profiles of the water use.
Energies 16 03495 g011
Figure 12. Distribution of daily space heating demand in the considered micro housing estate.
Figure 12. Distribution of daily space heating demand in the considered micro housing estate.
Energies 16 03495 g012
Figure 13. Daily changes of electricity generation of the considered PV system during a whole year.
Figure 13. Daily changes of electricity generation of the considered PV system during a whole year.
Energies 16 03495 g013
Table 1. Structure of energy consumption in households by end use (%).
Table 1. Structure of energy consumption in households by end use (%).
Specification200220092012201520162017201820192020
Space heating71.370.268.865.566.265.865.166.466.0
Water heating15.014.414.816.216.016.316.616.116.1
Cooking7.18.28.38.58.38.38.58.08.2
Lightning2.31.81.59.89.69.69.89.49.6
Electrical appliances4.35.46.6
Total100.0100.0100.0100.0100.0100.0100.0100.0100.0
Disclaimer/Publisher’s Note: The statements, opinions and data contained in all publications are solely those of the individual author(s) and contributor(s) and not of MDPI and/or the editor(s). MDPI and/or the editor(s) disclaim responsibility for any injury to people or property resulting from any ideas, methods, instructions or products referred to in the content.

Share and Cite

MDPI and ACS Style

Chwieduk, D.; Chwieduk, B. Application of Heat Pumps in New Housing Estates in Cities Suburbs as an Means of Energy Transformation in Poland. Energies 2023, 16, 3495. https://doi.org/10.3390/en16083495

AMA Style

Chwieduk D, Chwieduk B. Application of Heat Pumps in New Housing Estates in Cities Suburbs as an Means of Energy Transformation in Poland. Energies. 2023; 16(8):3495. https://doi.org/10.3390/en16083495

Chicago/Turabian Style

Chwieduk, Dorota, and Bartosz Chwieduk. 2023. "Application of Heat Pumps in New Housing Estates in Cities Suburbs as an Means of Energy Transformation in Poland" Energies 16, no. 8: 3495. https://doi.org/10.3390/en16083495

APA Style

Chwieduk, D., & Chwieduk, B. (2023). Application of Heat Pumps in New Housing Estates in Cities Suburbs as an Means of Energy Transformation in Poland. Energies, 16(8), 3495. https://doi.org/10.3390/en16083495

Note that from the first issue of 2016, this journal uses article numbers instead of page numbers. See further details here.

Article Metrics

Back to TopTop