Electrification of Offshore Oil and Gas Production: Architectures and Power Conversion
Abstract
1. Introduction
2. Efficiency Improvement of Platform Power Generation
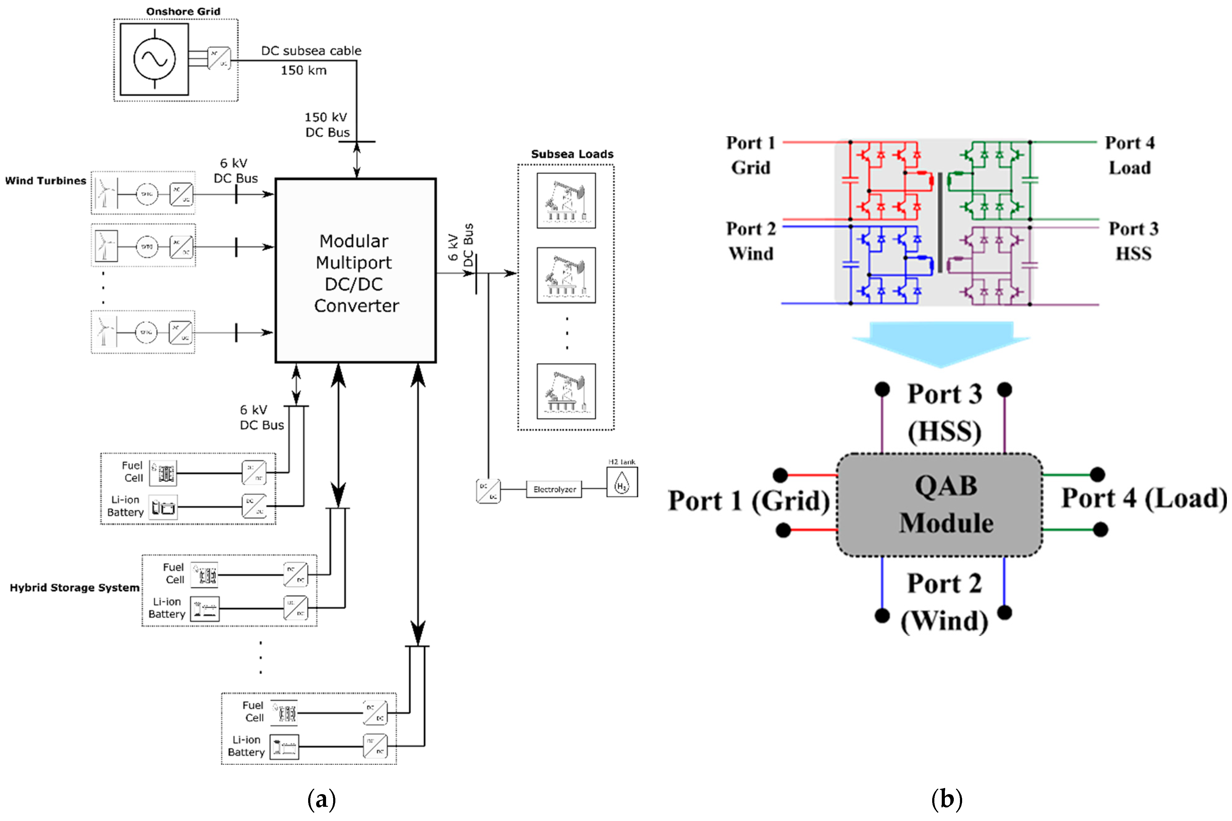
3. Integration of Offshore Renewable Energy Sources to Power Offshore Loads
4. Powering Offshore Loads from Onshore Using Long-Distance Transmission
4.1. HVAC Transmission
- Type-I architecture: In a type-I HVAC system, the variable speed drives are located in the topside vessel or onshore. Usually, no step-down subsea transformer is deployed. Type-I systems are utilized for short transmission up to 25 km with a total load of 10–20 MVA, such as the BP King multi-booster project. In this project, the subsea loads (2 × 1 MW pumps and 2 × 2.5 MVA VSDs) are located at water depths of 1700 m and 1800 m. Two subsea cables of 24 km and 28 km in length are deployed [41].
 - Type-II architecture: Type-II architecture uses a step-down subsea transformer, and the VSDs are located on the topside. This system can cater to more subsea loads and is suitable for a longer transmission distance of up to 50 km. A common example of a type-II HVAC system is the Asgard subsea compression unit. In this compression station, the power transmission to subsea motors takes place through a 40 MVA VSD topside unit and four subsea transformers, as shown in Figure 8a,b [41].
 - Type-III architecture: This architecture is widely utilized for long tie-back subsea fields such as Ormen Lange [41] and Martin Linge [36]. Usually, the transmission voltage level is 132 kV, and multiple step-down transformers may be required to supply several VSD loads. The tie-back cable length is 163 km in length for the Martin Linge field, which demands reactive power compensator installation at the topside grid.
 

4.2. LFAC Transmission
4.3. HVDC Transmission
4.4. Fault Protection in Subsea HVDC Systems
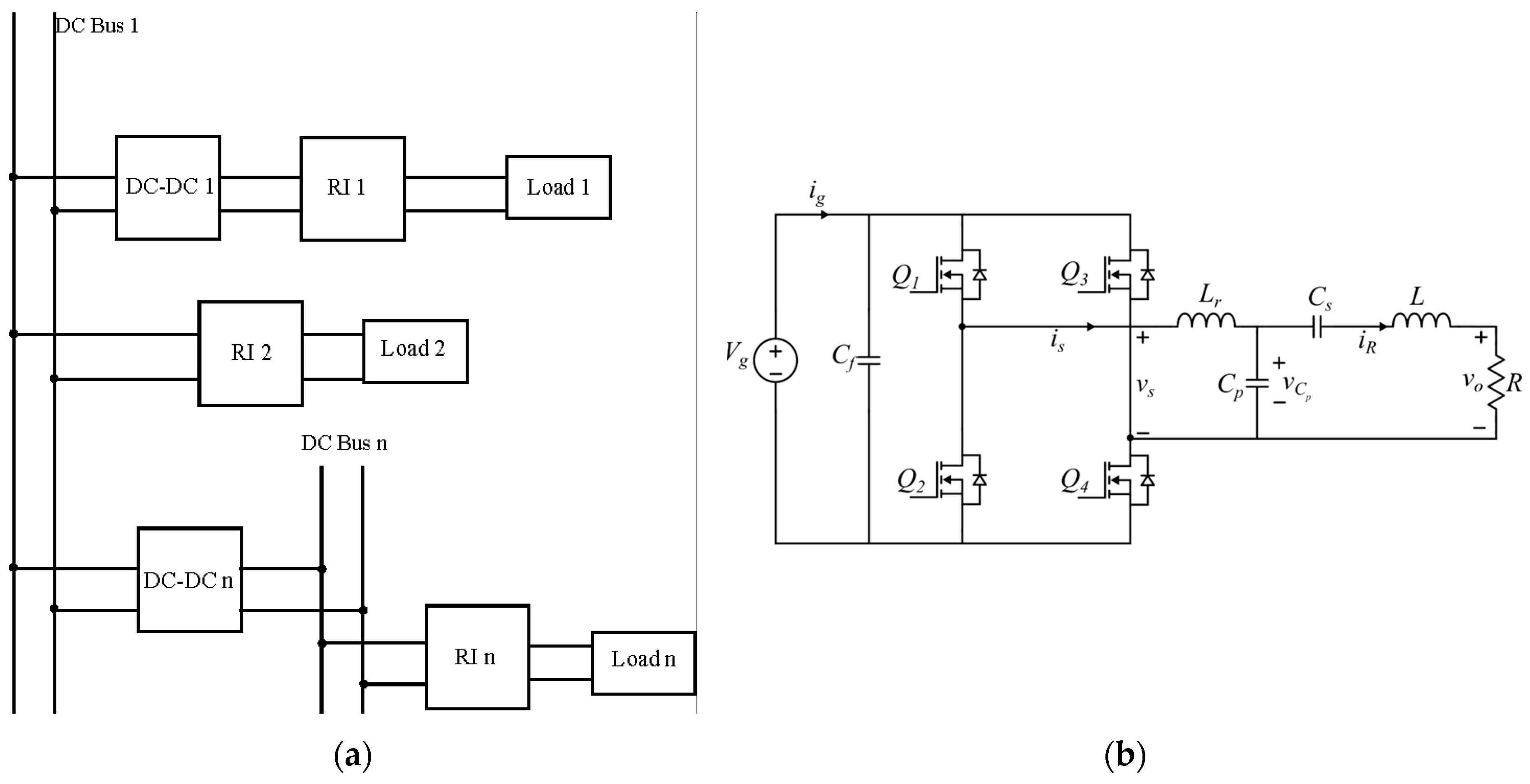
5. Power Processing Architectures for Direct Electric Heating
6. Discussions
7. Conclusions
Author Contributions
Funding
Data Availability Statement
Conflicts of Interest
References
- Rajashekara, K.; Krishnamoorthy, H.S.; Naik, B.S. Electrification of subsea systems: Requirements and challenges in power distribution and conversion. CPSS Trans. Power Electron. Appl. 2017, 2, 259–266. [Google Scholar] [CrossRef]
 - Chokhawala, R. Powering platforms Connecting oil and gas platforms to mainland power grids. ABB Rev. 2008, 1, 52–56. [Google Scholar]
 - Offshore Oil and Gas platforms: Electrification Technologies. Available online: https://www.sia-partners.com/en/insights/publications/offshore-oil-and-gas-platforms-electrification-technologies (accessed on 20 May 2023).
 - Norwegian Petroleum Directorate, Norwegian Pollution Control Authority, and Norwegian Energy Directorate. Power from Onshore to the Norwegian Continental; Shell: Tananger, Norway, 2018. [Google Scholar]
 - Emissions to Air. Available online: https://www.norskpetroleum.no/en/environment-and-technology/emissions-to-air/ (accessed on 20 May 2023).
 - Nguyen, T.V.; Tock, L.; Breuhaus, P.; Marechal, F.; Elmegaard, B. CO2-mitigation options for the offshore oil and gas sector. Appl. Energy 2016, 161, 673–694. [Google Scholar] [CrossRef]
 - He, W.; Uhlen, K.; Hadiya, M.; Chen, Z.; Shi, G.; Rio, E.D. Case Study of Integrating an Offshore Wind Farm with Offshore Oil and Gas Platforms and with an Onshore Electrical Grid. J. Renew. Energy 2013, 2013, 607165. [Google Scholar] [CrossRef]
 - Grainger, B.M.; Reed, G.F.; McDermott, T.E.; Mao, Z.; Kounev, V.; Tipper, D. Analysis of an offshore medium voltage DC microgrid environment—Part I: Power sharing controller design. In Proceedings of the 2014 IEEE PES T&D Conference and Exposition, Chicago, IL, USA, 14–17 April 2014; pp. 1–5. [Google Scholar]
 - Roberts, A.; Thomas, B.; Sewell, P.; Khan, Z.; Balmain, S.; Gillman, J. Current tidal power technologies and their suitability for applications in coastal and marine areas. J. Ocean Eng. Mar. Energy 2016, 2, 227–245. [Google Scholar] [CrossRef]
 - Pelamis Wave Power. Available online: http://www.emec.org.uk/about-us/wave-clients/pelamis-wave-power/ (accessed on 20 May 2023).
 - Lendenmann, H.; Ingebrigtsen, S.; Vatland, S. All Electrical Subsea System-Flexibility is Key to Enable Low Emission and Cost Efficient Field Developments. In Proceedings of the Offshore Technology Conference, Houston, TX, USA, 2–5 May 2022. [Google Scholar] [CrossRef]
 - Nargeszar, A.; Ghaedi, A.; Nafar, M.; Simab, M. Reliability evaluation of the renewable energy-based microgrids considering resource variation. IET Renew. Power Gener. 2023, 17, 507–527. [Google Scholar] [CrossRef]
 - Nguyen, T.V.; Voldsund, M.; Breuhaus, P.; Elmegaard, B. Energy efficiency measures for offshore oil and gas platforms. Energy 2016, 117, 325–340. [Google Scholar] [CrossRef]
 - Sanchez, Y.A.C.; Oliviera, S.D., Jr. Exergy analysis of offshore primary petroleum processing plant with CO2 capture. Energy 2015, 88, 46–56. [Google Scholar] [CrossRef]
 - Rajashekara, K. Hybrid fuel-cell strategies for clean power generation. IEEE Trans. Ind. Appl. 2005, 41, 682–689. [Google Scholar] [CrossRef]
 - Steinfeld, G.; Maru, H.C.; Sanderson, R.A. High efficiency carbonate fuel cell/turbine hybrid power cycle. In Proceedings of the 31st Intersociety Energy Conversion Engineering Conference (IECEC’96), Washington, DC, USA, 11–16 August 1996; Volume 2, pp. 1123–1127. [Google Scholar]
 - Fard, R.N.; Tedeschi, E. Integration of distributed energy resources into offshore and subsea grids. CPSS Trans. Power Electron. Appl. 2018, 3, 36–45. [Google Scholar] [CrossRef]
 - Electrification of Offshore Oil and Gas Assets Using Renewable Offshore Wind Energy—Project Neos: Public Report. June 2022. Available online: Chrome-extension://efaidnbmnnnibpcajpcglclefindmkaj/http://www.the-tlb.com/pdf/Orsted%20Neptune%20Goal7%20-%20Project%20Neos%20Public%20Report.pdf (accessed on 20 May 2023).
 - Fernández-Guillamón, A.; Das, K.; Cutululis, N.A.; Molina-García, Á. Offshore Wind Power Integration into Future Power Systems: Overview and Trends. J. Mar. Sci. Eng. 2019, 7, 399. [Google Scholar] [CrossRef]
 - Equinor Shows Interest in Building 1 GW Floating Offshore Wind off the Western Coast of Norway. Available online: https://w3.windfair.net/wind-energy/news/41146-equinor-norway-offshore-wind-farm-gw-electricity-grid-trollvind-gas-developer-partner-totalenergies-shell-conocophillips-floating (accessed on 20 May 2023).
 - Shell to Start Building Europe’s Largest Renewable Hydrogen Plant. Available online: https://www.shell.com/media/news-and-media-releases/2022/shell-to-start-building-europes-largest-renewable-hydrogen-plant.html (accessed on 20 May 2023).
 - MingYang Smart Energy Launches MySE 16.0-242 Offshore Hybrid Drive Wind Turbine. Available online: https://www.compositesworld.com/news/mingyang-smart-energy-launches-myse-160-242-offshore-hybrid-drive-wind-turbine (accessed on 20 May 2023).
 - U.S. Department of Energy. Offshore Wind Market Report: 2021 Edition; U.S. Department of Energy: Washington, DC, USA, 2021.
 - Hydrogen Production Takes System to New Levels. Available online: https://tractebel-engie.com/en/news/2019/400-mw-offshore-hydrogen-production-takes-system-to-new-levels (accessed on 20 May 2023).
 - Karbozov, A.; Majumder, M.G.; Krishnamoorthy, H.S.; Rajashekara, K. Triple Active Bridge based Multiport Energy Router for Subsea—Renewable Interconnection. IEEE Trans. Ind. Appl. 2023, 59, 4528–4538. [Google Scholar] [CrossRef]
 - Arellano-Prieto, Y.; Chavez-Panduro, E.; Rossi, P.S.; Finotti, F. Energy Storage Solutions for Offshore Applications. Energies 2022, 15, 6153. [Google Scholar] [CrossRef]
 - Shadman, M.; Roldan-Carvajal, M.; Pierart, F.G.; Haim, P.A.; Alonso, R.; Silva, C.; Osorio, A.F.; Almonacid, N.; Carreras, G.; Amiri, M.M.; et al. A Review of Offshore Renewable Energy in South America: Current Status and Future Perspectives. Sustainability 2023, 15, 1740. [Google Scholar] [CrossRef]
 - Statoil. Statoil Launches Batwind: Battery Storage for Offshorewind. 21 March 2016. Available online: www.statoil.com/content/dam/statoil/documents/newsroom-additional-documents/news-attachments/batwind-presentation.pdf (accessed on 28 May 2023).
 - Zhang, H.; Zhang, N.; Cao, X. Conceptualization and dynamic response of an integrated system with a semi-submersible floating wind turbine and two types of wave energy converters. Ocean. Eng. 2023, 269, 113517. [Google Scholar] [CrossRef]
 - Petracca, E.; Faraggiana, E.; Ghigo, A.; Sirigu, M.; Bracco, G.; Mattiazzo, G. Design and Techno-Economic Analysis of a Novel Hybrid Offshore Wind and Wave Energy System. Energies 2022, 15, 2739. [Google Scholar] [CrossRef]
 - Estefen, L.A.S.; Huckerby, J.; Musial, W.; Pontes, T.; Torres-Martinez, J. Ocean energy. In IPCC Special Report on Renewable Energy Sources and Climate Change Mitigation; Cambridge University Press: Cambridge, UK; New York, NY, USA, 2011. [Google Scholar]
 - Macenri, J.; Reed, M.; Thiringer, T. Power quality performance of the tidal energy converter, SeaGen. In Proceedings of the International Conference on Offshore Mechanics and Arctic Engineering (ASME 2011), Rotterdam, The Netherlands, 19–24 June 2011; Volume 5, pp. 529–536. [Google Scholar]
 - Karbozov, A.; Majumder, M.G.; Krishnamoorthy, H.; Rajashekara, K. Medium Frequency SST Based Multiport Energy Routers for Subsea—Renewable Interconnection. In Proceedings of the 2022 IEEE Applied Power Electronics Conference and Exposition (APEC), Houston, TX, USA, 20–25 March 2022; pp. 416–421. [Google Scholar]
 - Karbozov, A.; Krishnamoorthy, H.; Rajashekara, K. Modular Multiport Converter based Offshore Grid Architecture for Integrating Renewables and HVDC Grid. In Proceedings of the IEEE International Symposium on Power Electronics for Distributed Generation Systems (PEDG 2023), Shanghai, China, 9–12 June 2023. [Google Scholar]
 - Fjellstedt, C.; Ullah, M.I.; Forslund, J.; Jonasson, E.; Temiz, I.; Thomas, K. A Review of AC and DC Collection Grids for Offshore Renewable Energy with a Qualitative Evaluation for Marine Energy Resources. Energies 2022, 15, 5816. [Google Scholar] [CrossRef]
 - Plan B Energy Storage Website. Available online: http://www.pbes.com (accessed on 28 May 2023).
 - Hasan, T.; Emami, K.; Shah, R.; Hassan, N.M.S.; Belokoskov, V.; Ly, M. Techno-economic assessment of a Hydrogen-based Islanded Microgrid in North-east. Energy Rep. 2023, 9, 3380–3396. [Google Scholar] [CrossRef]
 - Kumar, S.; Baalisampang, T.; Arzaghi, E.; Garaniya, V.; Abbassi, R.; Salehi, F. Synergy of green hydrogen sector with offshore industries: Opportunities and challenges for a safe and sustainable hydrogen economy. J. Clean. Prod. 2023, 384, 135545. [Google Scholar] [CrossRef]
 - Hazel, T.; Baerd, H.H.; Legeay, J.J.; Bremnes, J.J. Taking Power Distribution Under the Sea: Design, Manufacture, and Assembly of a Subsea Electrical Distribution System. IEEE Ind. Appl. Mag. 2013, 19, 58–67. [Google Scholar] [CrossRef]
 - Baker, P. Long Distance Subsea Power Transmission and Distribution. Available online: https://www.woodplc.com/ (accessed on 2 June 2023).
 - Normann, T. Ultra-Long Subsea Power Transmission Using Frequency Step-Up Equipment; MCE Deepwater Development: Madrid, Spain, 2014. [Google Scholar]
 - Ray, A. HVDC Power Distribution and Protection Architectures for Subsea Electrical Systems. Ph.D. Thesis, University of Houston, Houston, TX, USA, 2020. [Google Scholar]
 - Thibaut, E.; Leforgeais, B. Martin Linge World Longest AC Power from Shore Development. In Proceedings of the Petroleum and Chemical Industry Technical Conference, Berlin, Germany, 14–16 June 2016. [Google Scholar]
 - Chen, H.; Johnson, M.H.; Aliprantis, D.C. Low-Frequency AC Transmission for Offshore Wind Power. IEEE Trans. Power Deliv. 2013, 28, 2236–2244. [Google Scholar] [CrossRef]
 - Fischer, W.; Braun, R.; Erlich, I. Low-frequency high voltage offshore grid for transmission of renewable power. In Proceedings of the 2012 3rd IEEE PES Innovative Smart Grid Technologies Europe (ISGT Europe), Berlin, Germany, 14–17 October 2012; pp. 1–6. [Google Scholar]
 - Mau, C.N.; Rudion, K.; Orths, A.; Eriksen, P.B.; Abildgaard, H.; Styczynski, Z.A. Grid connection of offshore wind farm based DFIG with low-frequency AC transmission system. In Proceedings of the 2012 IEEE Power and Energy Society General Meeting, San Diego, CA, USA, 22–26 July 2012; pp. 1–7. [Google Scholar]
 - Bahrman, M.P.; Johnson, B.K. The ABCs of HVDC transmission technologies. IEEE Power Energy Mag. 2007, 5, 32–44. [Google Scholar] [CrossRef]
 - Myhre, J.C. Electrical Power Supply to Offshore Oil Installations by High Voltage Direct Current Transmission. Ph.D. Thesis, Norwegian University of Science and Technology, Trondheim, Norway, 2001. [Google Scholar]
 - Soares, T.C.A.; Lima, A.C.S.; Oliveira, S.E.M. Feasibility Analysis of Subsea DC Distribution Grid for Oil Processing Projects. In Proceedings of the International Conference on Power Systems Transients, Cavtat, Croatia, 15–18 June 2015; pp. 1–6. [Google Scholar]
 - High Voltage Direct Current Transmission Solutions. Available online: https://new.siemens.com/global/en/products/energy/high-voltage/high-voltage-direct-current-transmission-solutions.html (accessed on 6 April 2023).
 - Liang, J.; Gomis-Bellmunt, O.; Ekanayake, J.; Jenkins, N.; An, W. A multi-terminal HVDC transmission system for offshore wind farms with induction generators. Int. J. Electr. Power Energy Syst. 2012, 43, 54–62. [Google Scholar] [CrossRef]
 - Huang, X.; McJunkin, S.T. AC Ring distribution: Architecture for subsea power distribution. In Proceedings of the 29th International Conference on Ocean, Offshore and Arctic Engineering, Shanghai, China, 16–17 February 2010; Volume 1. [Google Scholar]
 - Dong, D.; Zhang, D.; Lai, R.; Chi, S.; Todorovic, M.H. Operational study of a modular direct current power system for subsea power delivery. In Proceedings of the 2014 IEEE Energy Conversion Congress and Exposition (ECCE), Pittsburgh, PA, USA, 15–18 September 2014; pp. 4345–4352. [Google Scholar]
 - Sapkota, R.; Kolluri, S.; Adhikari, J.; Panda, S.K. MMC based multi-terminal HVDC subsea power transmission system with the integration of offshore renewable energy. In Proceedings of the 2017 IEEE Innovative Smart Grid Technologies—Asia (ISGT-Asia), Auckland, New Zealand, 4–7 December 2017; pp. 1–6. [Google Scholar]
 - Tomren, M. Modular Stacked DC Power System for Offshore Electrification. Master’s Thesis, Norwegian University of Science and Technology, Trondheim, Norway, 2013. [Google Scholar]
 - Song-Manguelle, J.; Todorovic, M.H.; Gupta, R.K.; Zhang, D.; Chi, S.; Garcés, L.J.; Lai, R. A Modular Stacked DC Transmission and Distribution System for Long Distance Subsea Applications. IEEE Trans. Ind. Appl. 2014, 50, 3512–3524. [Google Scholar] [CrossRef]
 - Ray, A.; Rajashekara, K.; Krishnamoorthy, H. Novel HVDC Power Transmission Architectures for Subsea Grid. In Proceedings of the Offshore Technology Conference, Houston, TX, USA, 6–9 May 2019. [Google Scholar]
 - Magalhaes, A.P.C.; Salvador, J.P.L.; Lima, A.C.S.; de Barros, M.T.C. Identification of incipient faults in subsea HVDC systems. In Proceedings of the 2016 Power Systems Computation Conference (PSCC), Genoa, Italy, 20–24 June 2016; pp. 1–7. [Google Scholar]
 - Building Reliable Electronics to Achieve Kilovolt Effective Ratings Safely. 2018. Available online: https://arpa-e.energy.gov/?q=arpa-e-programs/breakers (accessed on 15 March 2023).
 - Qi, L.; Antoniazzi, A.; Raciti, L. DC Distribution Fault Analysis, Protection Solutions, and Example Implementations. IEEE Trans. Ind. Appl. 2018, 54, 3179–3186. [Google Scholar] [CrossRef]
 - Meyer, C.; Kowal, M.; De Doncker, R.W. Circuit breaker concepts for future high-power DC-applications. In Proceedings of the Fourtieth IAS Annual Meeting. Conference Record of the 2005 Industry Applications Conference, Hong Kong, China, 2–6 October 2005; Volume 2, pp. 860–866. [Google Scholar]
 - Gu, C.; Wheeler, P.; Castellazzi, A.; Waston, A.J.; Effah, F. A survey on configurations of current-limiting circuit breakers (CL-CB). In Proceedings of the 2016 18th European Conference on Power Electronics and Applications (EPE’16 ECCE Europe), Karlsruhe, Germany, 5–9 September 2016; pp. 1–13. [Google Scholar]
 - Sano, K.; Takasaki, M. A Surgeless Solid-State DC Circuit Breaker for Voltage-Source-Converter-Based HVDC Systems. IEEE Trans. Ind. Appl. 2014, 50, 2690–2699. [Google Scholar] [CrossRef]
 - Meyer, C.; Schroder, S.; De Doncker, R.W. Solid-state circuit breakers and current limiters for medium-voltage systems having distributed power systems. IEEE Trans. Power Electron. 2004, 19, 1333–1340. [Google Scholar] [CrossRef]
 - Shukla, A.; Demetriades, G.D. A Survey on Hybrid Circuit-Breaker Topologies. IEEE Trans. Power Deliv. 2015, 30, 627–641. [Google Scholar] [CrossRef]
 - Pei, X.; Cwikowski, O.; Vilchis-Rodriguez, D.S.; Barnes, M.; Smith, A.C.; Shuttleworth, R. A review of technologies for MVDC circuit breakers. In Proceedings of the 42nd Annual Conference of the IEEE Industrial Electronics Society (IECON 2016), Florence, Italy, 23–26 October 2016; pp. 3799–3805. [Google Scholar]
 - Heidemann, M.; Nikolic, G.; Schnettler, A.; Qawasmi, A.; Soltau, N.; De Donker, R.W. Circuit-breakers for medium-voltage DC grids. In Proceedings of the 2016 IEEE PES Transmission & Distribution Conference and Exposition-Latin America (PES T&D-LA), Morelia, Mexico, 21–24 September 2016; pp. 1–6. [Google Scholar]
 - Mokhberdoran, A.; Carvalho, A.; Leite, H.; Silva, N. A review on HVDC circuit breakers. In Proceedings of the 3rd Renewable Power Generation Conference (RPG 2014), Naples, Italy, 24–25 September 2014; pp. 1–6. [Google Scholar]
 - Kim, B.C. DC Circuit Breaker. U.S. Patent US2018/0019084 A1, 22 January 2018. [Google Scholar]
 - Greenwood, A.N.; Lee, T.H. Theory and Application of the Commutation Principle for HVDC Circuit Breakers. IEEE Trans. Power Appar. Syst. 1972, 91, 1570–1574. [Google Scholar] [CrossRef]
 - Wu, Y.; Rong, M.; Wu, Y.; Yang, F.; Yi, Q. Damping HVDC Circuit Breaker with Current Commutation and Limiting Integrated. IEEE Trans. Ind. Electron. 2020, 67, 10433–10441. [Google Scholar] [CrossRef]
 - Nysveen, A.; Kulbotten, H.; Lervik, J.K.; Bornes, A.H.; Hoyer-Hansen, M.; Bremnes, J.J. Direct Electrical Heating of Subsea Pipelines-Technology Development and Operating Experience. IEEE Trans. Ind. Appl. 2007, 43, 118–129. [Google Scholar] [CrossRef]
 - Angays, P. High efficiency heating method for subsea pipelines heating. In Proceedings of the 2011 Record of Conference Papers Industry Applications Society 58th Annual IEEE Petroleum and Chemical Industry Conference (PCIC), Toronto, ON, Canada, 19–21 September 2011; pp. 1–8. [Google Scholar]
 - Candelier, C.; Durica, S.; Beys, F. Subsea Pipeline Electrical Heat Trace (EHT)—Active Heating—Application for a Deep Water Brown Field Development. In Proceedings of the Offshore Mediterranean Conference, Ravenna, Italy, 25–27 March 2015. [Google Scholar]
 - Lervik, J.K.; Bornes, A.H.; Nysveen, A.; Hoyer-Hansen, M. Electromagnetic Modelling of Steel Pipelines for DEH Applications. In Proceedings of the International Society of Offshore and Polar Engineers, Lisbon, Portugal, 1–6 July 2007. [Google Scholar]
 - Eliassen, S. Power Electronics Converter for use in Direct Electrical Heating Application. Master’s Thesis, Norwegian University of Science and Technology, Trondheim, Norway, 2012. [Google Scholar]
 - Ray, A.; Rajashekara, K. A Resonant Current Regulator for Direct Electrical Heating of Subsea Pipelines. In Proceedings of the 2020 IEEE Energy Conversion Congress and Exposition (ECCE), Detroit, MI, USA, 11–15 October 2020; pp. 5256–5262. [Google Scholar] [CrossRef]
 - Ray, A.; Rajashekara, K. Design and Evaluation of a High Current Gain Resonant Inverter for Subsea Electrical Heating. IEEE Trans. Ind. Appl. 2022, 58, 5093–5103. [Google Scholar] [CrossRef]
 - Eze, O.; Guile, G.R.; Wang, W. Detecting the Faults of Subsea Power Cables of Wind Farms with Boosting Ensemble Methods. In Proceedings of the 2022 International Conference on Electrical, Computer, Communications and Mechatronics Engineering (ICECCME), Male, Maldives, 16–18 November 2022; pp. 1–6. [Google Scholar] [CrossRef]
 - Cullinane, M.; Judge, F.; O’Shea, M.; Thandayutham, K.; Murphy, J. Subsea superconductors: The future of offshore renewable energy transmission? Renew. Sustain. Energy Rev. 2022, 156, 111943. [Google Scholar] [CrossRef]
 - Greaves, D.; Jin, S.; Wong, P.; White, D.; Jeffrey, H.; Scott, B.; Wigg, R. UK perspective research landscape for offshore renewable energy and its role in delivering Net Zero. Prog. Energy 2022, 4, 042012. [Google Scholar] [CrossRef]
 












| Parameters | Platform Efficiency Improvement | Offshore Renewable Integration | Onshore Power Transmission | 
|---|---|---|---|
| Efficiency | Low to medium | High | High | 
| Emission reduction | Low | High | High | 
| Power quality | Low | High | High | 
| Intermittency | No | Yes | No | 
| Reliability | Medium | Medium to high | Medium to high | 
Disclaimer/Publisher’s Note: The statements, opinions and data contained in all publications are solely those of the individual author(s) and contributor(s) and not of MDPI and/or the editor(s). MDPI and/or the editor(s) disclaim responsibility for any injury to people or property resulting from any ideas, methods, instructions or products referred to in the content.  | 
© 2023 by the authors. Licensee MDPI, Basel, Switzerland. This article is an open access article distributed under the terms and conditions of the Creative Commons Attribution (CC BY) license (https://creativecommons.org/licenses/by/4.0/).
Share and Cite
Ray, A.; Rajashekara, K. Electrification of Offshore Oil and Gas Production: Architectures and Power Conversion. Energies 2023, 16, 5812. https://doi.org/10.3390/en16155812
Ray A, Rajashekara K. Electrification of Offshore Oil and Gas Production: Architectures and Power Conversion. Energies. 2023; 16(15):5812. https://doi.org/10.3390/en16155812
Chicago/Turabian StyleRay, Anindya, and Kaushik Rajashekara. 2023. "Electrification of Offshore Oil and Gas Production: Architectures and Power Conversion" Energies 16, no. 15: 5812. https://doi.org/10.3390/en16155812
APA StyleRay, A., & Rajashekara, K. (2023). Electrification of Offshore Oil and Gas Production: Architectures and Power Conversion. Energies, 16(15), 5812. https://doi.org/10.3390/en16155812
        
                                                