Design and Optimization Method with Independent Radial and Axial Capacity for 3-DOF Magnetic Bearings in Flywheel
Abstract
1. Introduction
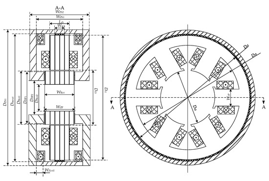
2. Mathematical Model of the Six-Pole RAHMB
3. Design Method with Independent Radial and Axial Bearing Capacity
3.1. Relationship between Radial and Axial Bearing Capacity and Flux Density
3.2. Design Principle
4. The Biased Flux Density Optimization
4.1. Objective Function
4.2. Constraints
4.3. Optimization of Axial Biased Flux Density
5. FE Simulation and Analysis
5.1. Biased Flux Density Analysis
5.2. Radial Maximum Suspension Force Analysis
5.3. Axial Maximum Suspension Force Analysis
6. Experimental Validation
7. Conclusions
- For a six-pole RAHMB, there are three functions and eight variables in the relationship between the bearing capacity, flux density and section area of magnetic poles. The values of five variables can be determined freely. The axial and radial bearing capacities are the main requirements for the six-pole RAHMB; they are determined by the operating conditions. If the axial bearing capacity is smaller than twice the radial bearing capacity, the radial saturation flux density is determined by the saturation flux density of the material, and the radial biased flux density is half the saturated flux density. The value of the axial biased flux density should be optimized to obtain a smaller volume and larger bearing capacity; otherwise, the axial saturation and biased flux density should be determined according to the material, and the radial biased flux density should be optimized.
- A specific application example is used to illustrate how to optimize the biased flux density. There are two conditions that restrict the value of biased flux density: (1) the larger the biased flux density is, the smaller the volume of the bearing is; (2) the smaller the biased flux density is, the larger the bearing capacity is when the rotor is eccentric. The final optimal value of the axial flux density was 0.377 T, which is a little smaller than half the saturated flux density of the material.
- The simulation results have shown that the radial biased flux density was 0.4 T and the axial biased flux density was 0.377 T, consistent with the design values. The experimental results have shown that the radial bearing capacity was 202 N and the axial bearing capacity was 105 N, which meet the requirements. The total volume of the six-pole RAHMB was reduced by 24% by using the proposed optimization method.
Author Contributions
Funding
Institutional Review Board Statement
Informed Consent Statement
Data Availability Statement
Conflicts of Interest
References
- Wang, K.; Ma, X.; Liu, Q.; Chen, S.H.; Liu, X.Q. Multiphysics global design and experiment of the electric machine with a flexible rotor supported by active magnetic bearing. IEEE/ASME Trans. Mechatron. 2019, 24, 820–831. [Google Scholar] [CrossRef]
- Han, B.C.; Xu, Q.J.; Yuan, Q. Multiobjective Optimization of a combined radial-axial magnetic bearing for magnetically suspended compressor. IEEE Trans. Ind. Electron. 2016, 63, 2284–2293. [Google Scholar]
- Martynenko, G.; Martynenko, V. Modeling of the dynamics of rotors of an energy gas turbine installation using an analytical method for analyzing active magnetic bearing circuits. In Proceedings of the 2020 IEEE KhPI Week on Advanced Technology (KhPIWeek), Kharkiv, Ukraine, 5–10 October 2020. [Google Scholar]
- Toh, C.S.; Chen, S.L. Design and control of a ring-type flywheel battery system with hybrid halbach magnetic bearings. In Proceedings of the 2014 IEEE/ASME International Conference on Advanced Intelligent Mechatronics (AIM), Besancon, France, 8–11 July 2014. [Google Scholar]
- Han, B.C.; Zheng, S.Q.; Le, Y.; Xu, S. Modeling and analysis of coupling performance between passive magnetic bearing and hybrid magnetic radial bearing for magnetically suspended flywheel. IEEE Trans. Magn. 2013, 49, 5356–5370. [Google Scholar] [CrossRef]
- Han, B.C.; Zheng, S.Q.; Wang, Z.; Le, Y. Design, modeling, fabrication, and test of a large-scale single-gimbal magnetically suspended control moment gyro. IEEE Trans. Ind. Electron. 2015, 62, 7424–7435. [Google Scholar] [CrossRef]
- Christopher, D.A.; Beach, R. Flywheel technology development program for aerospace applications. IEEE Aerosp. Electron. Syst. Mag. 1998, 13, 9–14. [Google Scholar] [CrossRef] [PubMed]
- Thelen, R.F.; Herbst, J.D.; Caprio, M.T. A 2MW flywheel for hybrid locomotive power. In Proceedings of the IEEE 58th Vehicular Technology Conference, Orllando, FL, USA, 6–9 October 2003. [Google Scholar]
- Li, X.J.; Palazzolo, A.; Wang, Z.Y. A combination 5-DOF active magnetic bearing for energy storage flywheels. IEEE Trans. Transport. Electron. 2021, 7, 2344–2355. [Google Scholar] [CrossRef]
- Han, B.C.; Zheng, S.Q.; Li, H.T.; Liu, Q. Weight-reduction design based on integrated radial-axial magnetic bearing of a large scale MSCMG for space station application. IEEE Trans. Ind. Electron. 2017, 64, 2205–2214. [Google Scholar] [CrossRef]
- Smirnov, A.; Uzhegov, N.; Sillanpää, T.; Pyrhönen, J.; Pyrhönen, O. High-speed electrical machine with active magnetic bearing system optimization. IEEE Trans. Ind. Electron. 2017, 64, 9876–9885. [Google Scholar] [CrossRef]
- Zhu, R.Z.; Xu, W.; Ye, C.Y.; Zhu, J.G.; Lei, G.; Li, X. Design optimization of a novel heteropolar radial hybrid magnetic bearing using magnetic circuit model. IEEE Trans. Magn. 2018, 54, 8201105. [Google Scholar] [CrossRef]
- Tuysuz, A.; Achtnich, T.; Zwyssig, C.; Kolar, J. A 300,000-r/min magnetically levitated reaction wheel demonstrator. IEEE Trans. Ind. Electron. 2019, 66, 6404–6407. [Google Scholar] [CrossRef]
- Wu, M.Y.; Zhu, H.Q.; Zhang, W.Y. Parameter design of six-pole hybrid magnetic bearing considering variable stiffness. IEEE Trans. Appl. Supercond. 2020, 30, 3603305. [Google Scholar] [CrossRef]
- Hemenway, N.R.; Severson, E.L. Three-pole magnetic bearing design and actuation. IEEE Trans. Ind. Appl. 2020, 56, 6348–6359. [Google Scholar] [CrossRef]
- Jin, Z.J.; Sun, X.D.; Cai, Y.F.; Zhu, J.G.; Lei, G.; Guo, Y.G. Comprehensive sensitivity and cross-factor variance analysis-based multi-objective design optimization of a 3-DOF hybrid magnetic bearing. IEEE Trans. Magn. 2020, 57, 8000204. [Google Scholar] [CrossRef]
- Jørgensen, F.T.; Andersen, T.O.; Rasmussen, P.O. The cycloid permanent magnetic gear. IEEE Trans. Ind. Appl. 2008, 44, 1659–1665. [Google Scholar] [CrossRef]
- McMullen, P.T.; Huynh, C.S.; Hayes, R.J. Combination radial-axial magnetic bearing. In Proceedings of the Seventh International Symposium on Magnetic Bearings, ETH, Zurich, Switzerland, 23–25 August 2000. [Google Scholar]









| Parameters | Value |
|---|---|
| Radial and axial air gap length δr, δZ/mm | 0.5 |
| Radial saturation flux density BrS/T | 0.8 |
| Radial biased flux density Br0/T | 0.4 |
| The area of radial magnetic poles SrP/mm2 | 524 |
| The max ampere-turns of radial coils Nrirmax/At | 160 |
| Outer diameter of rotor DRot1/mm | 67 |
| Inner diameter of rotor DRot2/mm | 34 |
| Axial width of rotor WRot/mm | 33 |
| The axial length of radial stator LrS/mm | 23 |
| Outer diameter of radial stator yoke Dr1/mm | 111 |
| Inner diameter of radial stator yoke Dr2/mm | 88 |
| Outer diameter of permanent magnet Dmout/mm | 119 |
| Axial width of control coils WZcoil/mm | 6 |
| Parameters | Value of the Proposed Design Method | Value without Independent Radial and Axial Bearing Capacity |
|---|---|---|
| Axial biased flux density BZ0/T | 0.377 | 0.4 |
| Axial saturation flux density BZS/T | 0.677 | 0.8 |
| The area of axial magnetic poles SZP/mm2 | 1096 | 1572 |
| Width of axial stator WZS2/mm | 70 | 63 |
| Outer diameter of axial stator DZS1/mm | 127 | 153 |
| Results | Radial Bearing Capacity (N) | Axial Bearing Capacity (N) |
|---|---|---|
| Experiment | 208 | 110 |
| FE analysis | 210 | 115 |
| Calculation | 200 | 100 |
Disclaimer/Publisher’s Note: The statements, opinions and data contained in all publications are solely those of the individual author(s) and contributor(s) and not of MDPI and/or the editor(s). MDPI and/or the editor(s) disclaim responsibility for any injury to people or property resulting from any ideas, methods, instructions or products referred to in the content. |
© 2023 by the authors. Licensee MDPI, Basel, Switzerland. This article is an open access article distributed under the terms and conditions of the Creative Commons Attribution (CC BY) license (https://creativecommons.org/licenses/by/4.0/).
Share and Cite
Ju, J.; Xu, P.; Li, S.; Xu, T.; Ju, F.; Du, J. Design and Optimization Method with Independent Radial and Axial Capacity for 3-DOF Magnetic Bearings in Flywheel. Energies 2023, 16, 483. https://doi.org/10.3390/en16010483
Ju J, Xu P, Li S, Xu T, Ju F, Du J. Design and Optimization Method with Independent Radial and Axial Capacity for 3-DOF Magnetic Bearings in Flywheel. Energies. 2023; 16(1):483. https://doi.org/10.3390/en16010483
Chicago/Turabian StyleJu, Jintao, Peng Xu, Shuqing Li, Tong Xu, Fangming Ju, and Jiahui Du. 2023. "Design and Optimization Method with Independent Radial and Axial Capacity for 3-DOF Magnetic Bearings in Flywheel" Energies 16, no. 1: 483. https://doi.org/10.3390/en16010483
APA StyleJu, J., Xu, P., Li, S., Xu, T., Ju, F., & Du, J. (2023). Design and Optimization Method with Independent Radial and Axial Capacity for 3-DOF Magnetic Bearings in Flywheel. Energies, 16(1), 483. https://doi.org/10.3390/en16010483
