Control Strategies Applied to a Heat Transfer Loop of a Linear Fresnel Collector
Abstract
:1. Introduction
2. Materials and Methods
2.1. Modelling
- (m· s) is the volumetric flow;
- (°C) is the inlet absorber temperature;
- (°C) is the outlet absober temperature.
2.1.1. ISO-Based Modelling
- (W · m) is the radiative income on the outer absorber wall, reflected by the primary and secondary reflectors;
- is the area of the primary optics (184.32 m), made of 288 mirros (0.32 m × 2 m each [29]);
- (C) is the ambient measured temperature;
- (C) is the average between and ;
- (W · m· K), (W · m· K), (J · m· K) are the heat loss coefficients that are relevant for concentration technologies with evacuated tubes in the ISO9806.
- is the nominal optical efficiency;
- is the incidence angle modifier;
- is the longitudinal angle;
- is the transversal angle;
- is the measured direct normal irradiation (DNI, W · m).
2.1.2. RealTrackEff
- is the average cleanness state of the primary optics;
- is a polynomial function of the incidence angles ().
2.1.3. CARNOT Modelling
- (J·m) is heat capacity of the collector per unit surface area;
- (W·m· K) is sky temperature dependence of the heat loss coefficient;
- (C) is sky temperature;
- (J·m· K) is the wind speed dependence of the heat loss coefficient;
- (m · s) is the mean wind speed;
- (kg· s) is the mass flow rate.
- is the optical losses coefficient;
- is the tracking error coefficient.
- is the incidence angle;
- X (m) is the mean distance between primary mirrors and the receiver;
- (m) is the length of the receiver tube.
2.1.4. The Oil Loop Elements
- (m) is the volume of the HTF entering into the tank;
- (m) is the average temperature of the tank at the step k;
- (m) is the volume of the tank at the step k, where m.
2.1.5. Comparison
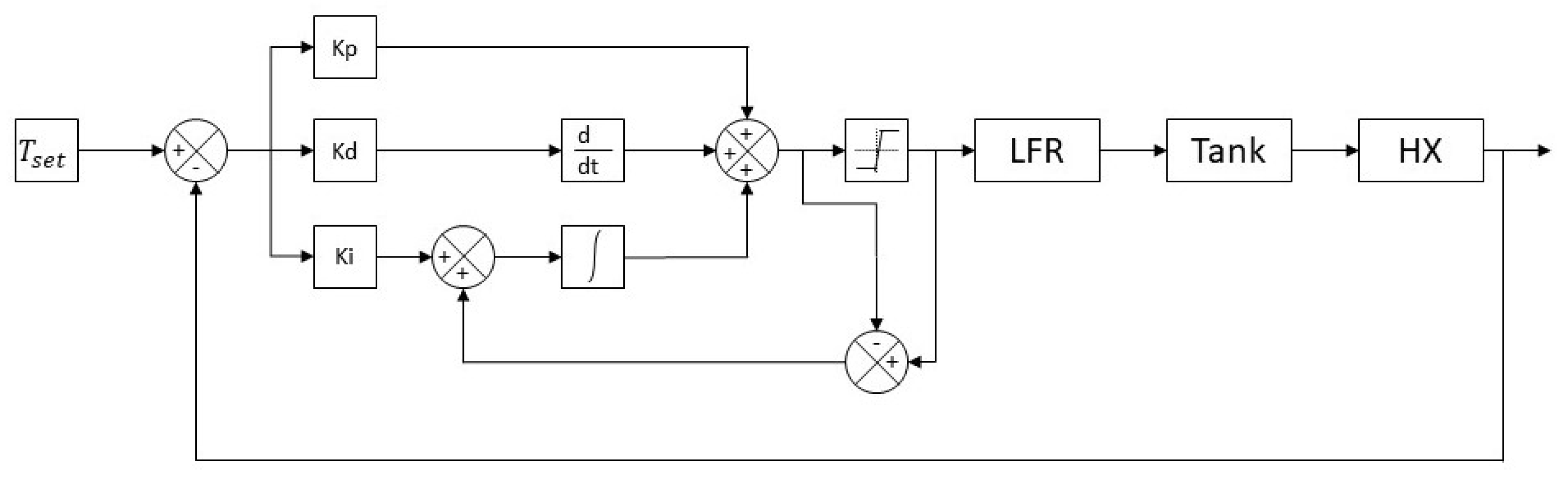
2.2. Controller
- (kg · m· s) is the dynamic viscosity, as specified by the HTF manufacturer;
- D is the inner diameter of the absorber, which is 66 mm;
- (kg · m) is the density of the HTF.
3. Results
4. Conclusions
Author Contributions
Funding
Institutional Review Board Statement
Informed Consent Statement
Acknowledgments
Conflicts of Interest
Abbreviations
| DNI | Direct Normal Irradiance |
| HTF | Heat Transfer Fluid |
| IAM | Incidence Angle Modifier |
| LFC | Linear Fresnel Collector |
| PID | Proportional–Integral–Derivative |
| RMS | Root Mean Square |
References
- Pitz-Paal, R. Chapter 19—Concentrating solar power. In Future Energy, 3rd ed.; Letcher, T.M., Ed.; Elsevier: Amsterdam, The Netherlands, 2020; pp. 413–430. [Google Scholar]
- Albarbar, A.; Arar, A. Performance Assessment and Improvement of Central Receivers Used for Solar Thermal Plants. Energies 2019, 12, 3079. [Google Scholar] [CrossRef] [Green Version]
- Guarino, S.; Catrini, P.; Buscemi, A.; Lo Brano, V.; Piacentino, A. Assessing the Energy-Saving Potential of a Dish-Stirling Con-Centrator Integrated Into Energy Plants in the Tertiary Sector. Energies 2021, 14, 1163. [Google Scholar] [CrossRef]
- Haberle, A. Linear Fresnel Collectors; Springer: New York, NY, USA, 2013; pp. 72–78. [Google Scholar] [CrossRef]
- Jebasingh, V.; Herbert, G.J. A review of solar parabolic trough collector. Renew. Sustain. Energy Rev. 2016, 54, 1085–1091. [Google Scholar] [CrossRef]
- Desai, N.; Bandyopadhyay, S. Line-focusing concentrating solar collector-based power plants: A review. Clean Technol. Environ. Policy 2017, 19, 9–35. [Google Scholar] [CrossRef]
- Sun, J.; Zhang, Z.; Wang, L.; Zhang, Z.; Wei, J. Comprehensive Review of Line-Focus Concentrating Solar Thermal Technologies: Parabolic Trough Collector (PTC) vs. Linear Fresnel Reflector (LFR). J. Therm. Sci. 2020, 29, 1097–1124. [Google Scholar] [CrossRef]
- Schenk, H.; Hirsch, T.; Fabian Feldhoff, J.; Wittmann, M. Energetic Comparison of Linear Fresnel and Parabolic Trough Collector Systems. J. Sol. Energy Eng. 2014, 136, 041015. [Google Scholar] [CrossRef]
- Montes, M.J.; Abbas, R.; Muñoz, M.; Muñoz-Antón, J.; Martínez-Val, J.M. Advances in the linear Fresnel single-tube receivers: Hybrid loops with non-evacuated and evacuated receivers. Energy Convers. Manag. 2017, 149, 318–333. [Google Scholar] [CrossRef]
- Mokhtar, M.; Zahler, C.; Stieglitz, R. Experimental Investigation of Direct Steam Generation Dynamics in Solar Fresnel Collectors. J. Sol. Energy Eng. 2021, 143, 054504. [Google Scholar] [CrossRef]
- Pulido-Iparraguirre, D.; Valenzuela, L.; Fernández-Reche, J.; Galindo, J.; Rodríguez, J. Design, Manufacturing and Characterization of Linear Fresnel Reflector’s Facets. Energies 2019, 12, 2795. [Google Scholar] [CrossRef] [Green Version]
- Abbas, R.; Sebastián, A.; Montes, M.; Valdés, M. Optical features of linear Fresnel collectors with different secondary reflector technologies. Appl. Energy 2018, 232, 386–397. [Google Scholar] [CrossRef]
- Lillo, I.; Pérez, E.; Moreno, S.; Silva, M. Process Heat Generation Potential from Solar Concentration Technologies in Latin America: The Case of Argentina. Energies 2017, 10, 383. [Google Scholar] [CrossRef] [Green Version]
- Ahmadi, M.H.; Ghazvini, M.; Sadeghzadeh, M.; Alhuyi Nazari, M.; Kumar, R.; Naeimi, A.; Ming, T. Solar power technology for electricity generation: A critical review. Energy Sci. Eng. 2018, 6, 340–361. [Google Scholar] [CrossRef] [Green Version]
- Montenon, A.C.; Papanicolas, C. Economic Assessment of a PV Hybridized Linear Fresnel Collector Supplying Air Conditioning and Electricity for Buildings. Energies 2021, 14, 131. [Google Scholar] [CrossRef]
- Kramer, K.; Mehnert, S.; Geimer, K.; Reinhardt, M.; Fahr, S.; Thoma, C.; Kovacs, P.; Ollas, P. Guide to Standard ISO 9806:2017 A Resource for Manufacturers, Testing Laboratories, Certification Bodies and Regulatory Agencies; European Union: Bruxelles, Belgium, 2017. [Google Scholar] [CrossRef]
- Hofer, A.; Valenzuela, L.; Janotte, N.; Burgaleta, J.I.; Arraiza, J.; Montecchi, M.; Sallaberry, F.; Osório, T.; Carvalho, M.J.; Alberti, F.; et al. State of the art of performance evaluation methods for concentrating solar collectors. AIP Conf. Proc. 2016, 1734, 020010. [Google Scholar] [CrossRef] [Green Version]
- Perers, B.; Kovacs, P.; Pettersson, U.; Björkman, J.; Martinsson, C.; Eriksson, J. Validation of a dynamic model for unglazed collectors including condensation. Application for standardized testing and simulation in TRNSYS and IDA. In Proceedings of the 30th ISES Biennial Solar World Congress 2011, SWC 2011, Kassel, Germany, 28 August–2 September 2011. [Google Scholar]
- Zirkel-Hofer, A.; Lohmeier, D.; Kramer, K.; Fahr, S.; Heimsath, A.; Platzer, W.; Scholl, S. Comparison of Two Different (Quasi-) Dynamic Testing Methods for the Performance Evaluation of a Linear Fresnel Process Heat Collector. Energy Procedia 2015, 69, 84–95. [Google Scholar] [CrossRef]
- Perers, B. An improved dynamic solar collector test method for determination of non-linear optical and thermal characteristics with multiple regression. Solar Energy 1997, 59, 163–178. [Google Scholar] [CrossRef]
- Bermejo, P.; Pino, F.J.; Rosa, F. Solar absorption cooling plant in Seville. Solar Energy 2010, 84, 1503–1512. [Google Scholar] [CrossRef]
- Robledo, M.; Escaño, J.M.; Núñez, A.; Bordons, C.; Camacho, E.F. Development and Experimental Validation of a Dynamic Model for a Fresnel Solar Collector. IFAC Proc. Vol. 2011, 44, 483–488. [Google Scholar] [CrossRef] [Green Version]
- Platzer, W.; Dinter, F.; Cuevas, F. Low-Cost Linear Fresnel Collector, Deliverable D.6.2; STEAGE-STE Project; European Union: Bruxelles, Belgium, 2016. [Google Scholar]
- Montenon, A.C.; Fylaktos, N.; Montagnino, F.; Paredes, F.; Papanicolas, C.N. Concentrated solar power in the built environment. AIP Conf. Proc. 2017, 1850, 040006. [Google Scholar] [CrossRef] [Green Version]
- Papanicolas, C.; Lange, M.A.; Fylaktos, N.; Montenon, A.; Kalouris, G.; Fintikakis, N.; Fintikaki, M.; Kolokotsa, D.; Tsirbas, K.; Pavlou, C.; et al. Design, construction and monitoring of a near-zero energy laboratory building in Cyprus. Adv. Build. Energy Res. 2015, 9, 140–150. [Google Scholar] [CrossRef]
- Isakson, P. Matched Flow Solar Collector Model for TRNSYS, TRNSYS Users and Programmers Manual. 1991. Available online: https://www.iea-shc.org/data/sites/1/publications/T44A38_Rep_C2_B_Collectors_Final_Draft.pdf (accessed on 29 March 2022).
- Schöttl, P.; Montenon, A.C.; Papanicolas, C.; Perry, S.; Heimsath, A. Comparison of Advanced Parameter Identification Methods for Linear Fresnel Collectors in Application to Measurement Data; Fraunhofer: Munich, Germany, 2020. [Google Scholar]
- Hafner, B.; Plettner, J.; Wemhöner, C. CARNOT Blockset: Conventional and Renewable Energy Systems Optimization Blockset—User’s Guide; Solar-Institut Jülich, Aachen University of Applied Sciences: Aachen, Germany, 1999. [Google Scholar]
- Montenon, A.; Tsekouras, P.; Tzivanidis, C.; Bibron, M.; Papanicolas, C. Thermo-optical modelling of the linear Fresnel collector at the Cyprus institute. AIP Conf. Proc. 2019, 2126, 100004. [Google Scholar] [CrossRef]
- Meligy, R.; Rady, M.; El-Samahy, A.; Mohamed, W.; Paredes, F.; Montagnino, F.M. Simulation and Control of Linear Fresnel Reflector Solar Plant. Int. J. Renew. Energy Res. 2019, 9, 805–818. [Google Scholar]
















| Item | Value | Materials |
|---|---|---|
| Absorber tube diameter | 70 mm | |
| Absorber tube thickness | 2 mm | Stainless steel |
| Absorber tube length | 4.06 m | |
| Glass tube diameter | 125 mm | |
| Glass tube thickness | 3 mm | Borosilicate glass |
| Glass tube length | 3.9 m |
Publisher’s Note: MDPI stays neutral with regard to jurisdictional claims in published maps and institutional affiliations. |
© 2022 by the authors. Licensee MDPI, Basel, Switzerland. This article is an open access article distributed under the terms and conditions of the Creative Commons Attribution (CC BY) license (https://creativecommons.org/licenses/by/4.0/).
Share and Cite
Montenon, A.C.; Meligy, R. Control Strategies Applied to a Heat Transfer Loop of a Linear Fresnel Collector. Energies 2022, 15, 3338. https://doi.org/10.3390/en15093338
Montenon AC, Meligy R. Control Strategies Applied to a Heat Transfer Loop of a Linear Fresnel Collector. Energies. 2022; 15(9):3338. https://doi.org/10.3390/en15093338
Chicago/Turabian StyleMontenon, Alaric Christian, and Rowida Meligy. 2022. "Control Strategies Applied to a Heat Transfer Loop of a Linear Fresnel Collector" Energies 15, no. 9: 3338. https://doi.org/10.3390/en15093338
APA StyleMontenon, A. C., & Meligy, R. (2022). Control Strategies Applied to a Heat Transfer Loop of a Linear Fresnel Collector. Energies, 15(9), 3338. https://doi.org/10.3390/en15093338
