Integral Sliding-Mode Control-Based Direct Power Control for Three-Level NPC Converters
Abstract
1. Introduction
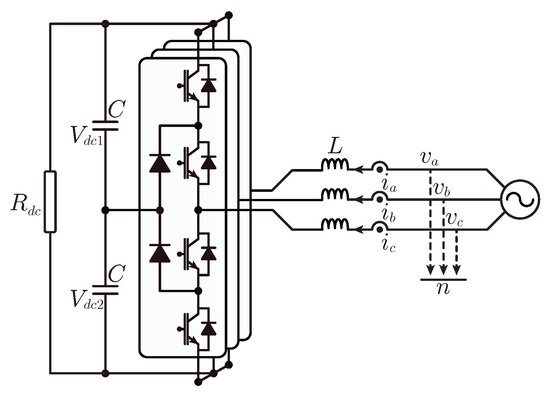
2. System Description and Preliminaries
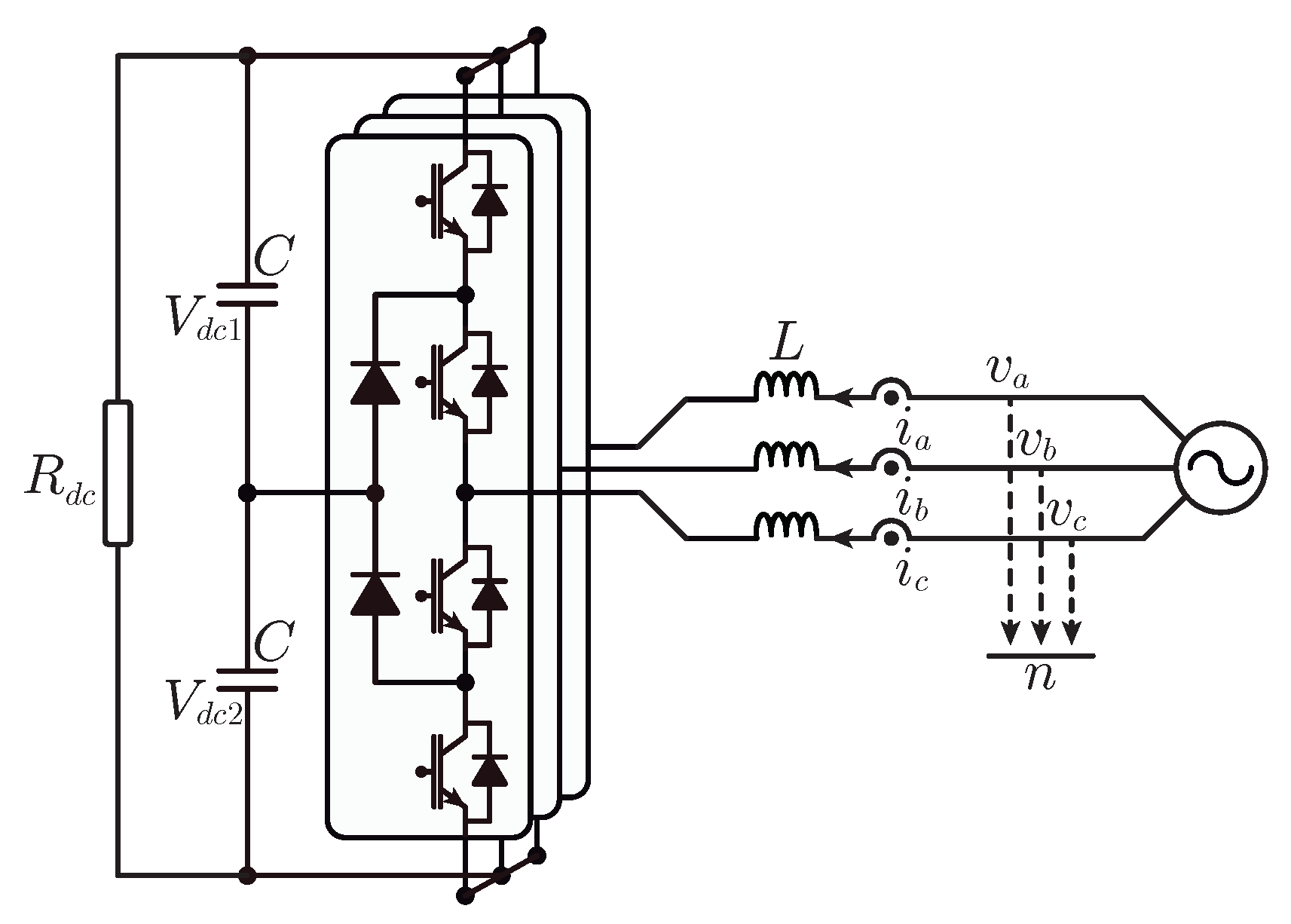
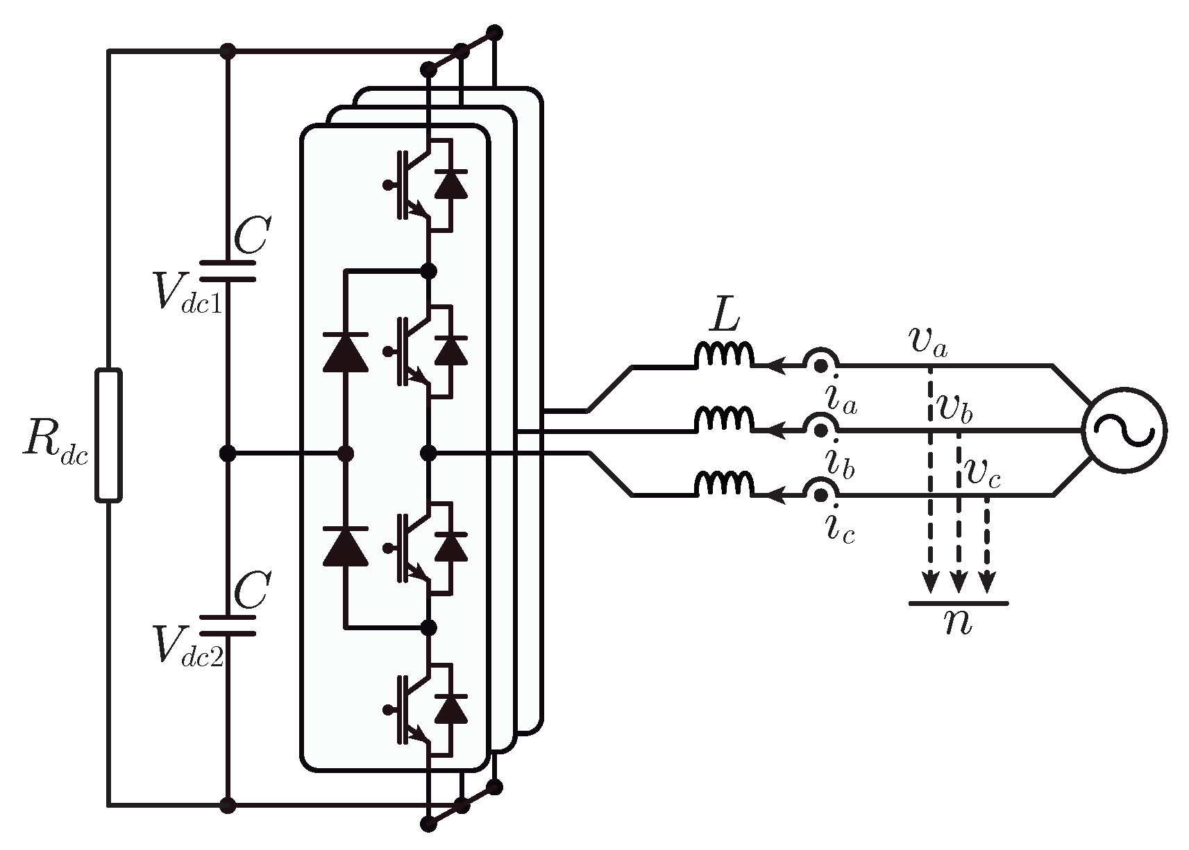
2.1. System Description and Modeling
2.2. Control Objectives
- The instantaneous reactive power q and active power p should be enforced to their reference values and , respectively.
- The sum voltage of the two DC-link capacitors should track its reference value defined by the operator.
- The voltages of the two DC-link capacitors should be balanced which means the voltage difference should be regulated to zero.
2.3. RBFNN Preliminaries
3. Controller Design
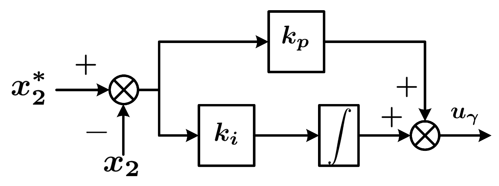
3.1. Power Tracking Loop
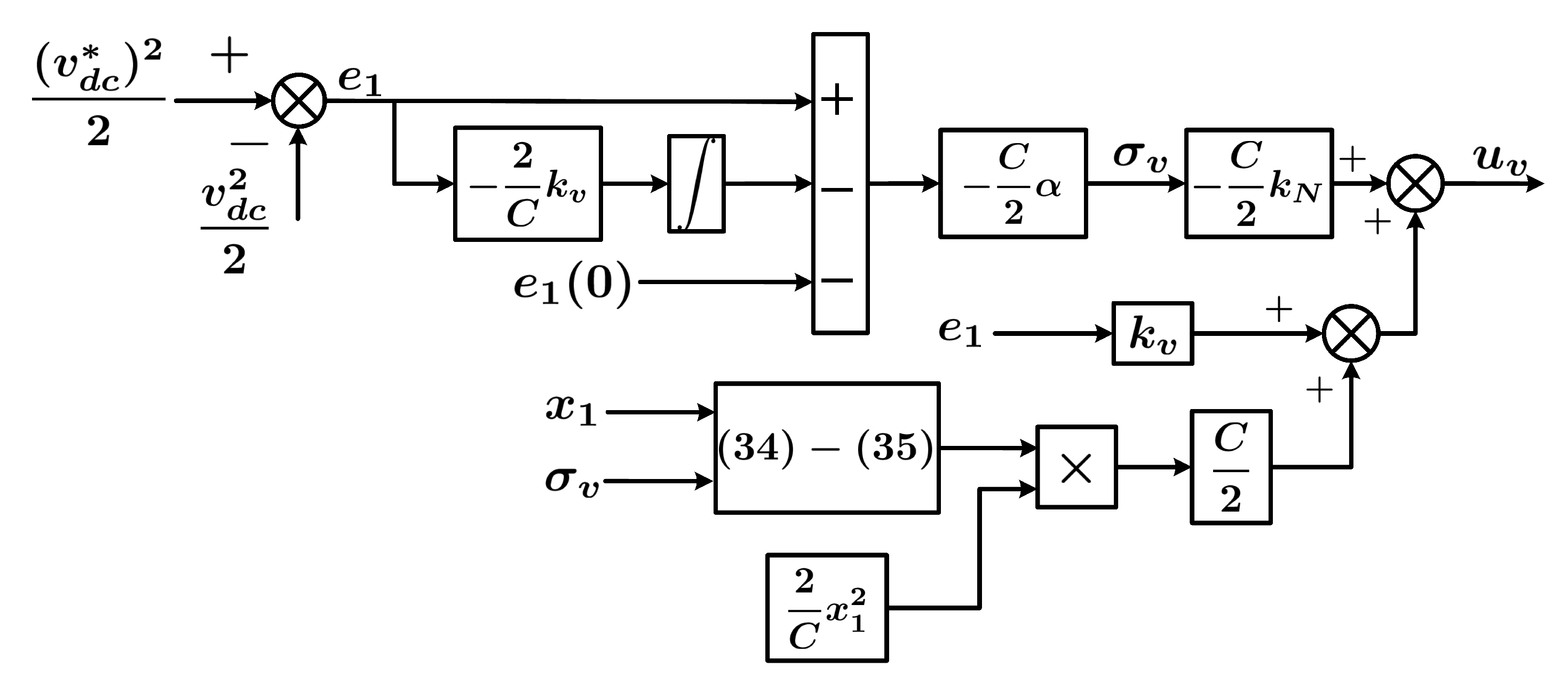
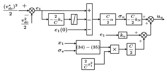
3.2. Voltage Regulation Loop
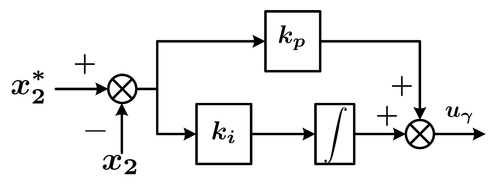
3.3. Voltage Balancing Loop
4. Parameters Tuning of ISMC-Based DPC
- Define the convergence time and (or and ).
- Define the error band of (or e), then the maximum value of steady-state voltage regulation error (or steady-state maximum power tracking error ) can be obtained.
5. Experimental Results
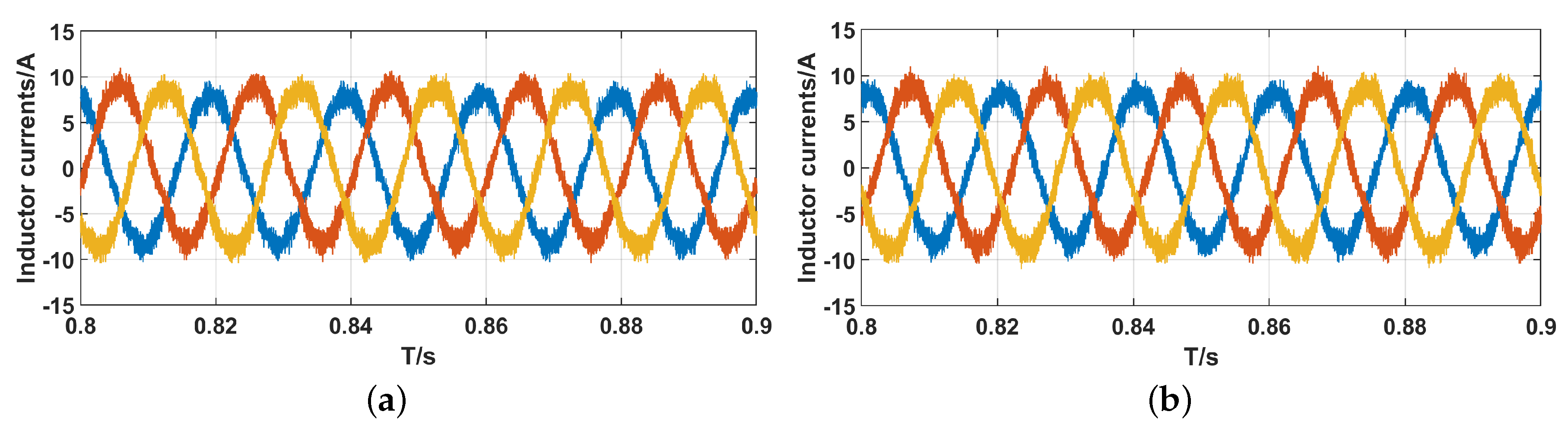
5.1. Dynamic Performance Experiment
5.2. Steady-State Performance Experiment
6. Conclusions
Author Contributions
Funding
Conflicts of Interest
Abbreviations
| AFE | active front end |
| NPC | Neutral-point-clamped |
| ISMC | Integral sliding-mode control |
| SMC | Sliding-mode control |
| ESO | Extended state observer |
| DPC | Direct power control |
| RBFNN | Radial basis function neural network |
| PI | Proportional-integral |
| LS-PWM | level shifted-pulse width modulation |
| THD | Total harmonic distortion |
Appendix A. PI-Based DPC for NPC Converter



References
- Sayed-Ahmed, A.; Seibel, B.; Kerkman, R.J. Active front end motor-drive system operation under power and phase loss. In Proceedings of the 2018 IEEE Applied Power Electronics Conference and Exposition (APEC), San Antonio, TX, USA, 4–8 March 2018; pp. 552–559. [Google Scholar]
- Vazquez, S.; Leon, J.I.; Franquelo, L.G.; Rodriguez, J.; Young, H.A.; Marquez, A.; Zanchetta, P. Model predictive control: A review of its applications in power electronics. IEEE Ind. Electron. Mag. 2014, 8, 16–31. [Google Scholar] [CrossRef]
- Vazquez, S.; Marquez, A.; Aguilera, R.; Quevedo, D.; Leon, J.I.; Franquelo, L.G. Predictive optimal switching sequence direct power control for grid-connected power converters. IEEE Trans. Ind. Electron. 2015, 62, 2010–2020. [Google Scholar] [CrossRef]
- Prakash P, S.; Kalpana, R.; Singh, B.; Bhuvaneswari, G. Design and implementation of sensorless voltage control of front-end rectifier for power quality improvement in telecom system. IEEE Trans. Ind. Appl. 2018, 54, 2438–2448. [Google Scholar] [CrossRef]
- Rodriguez, J.R.; Dixon, J.W.; Espinoza, J.R.; Pontt, J.; Lezana, P. PWM regenerative rectifiers: State of the art. IEEE Trans. Ind. Electron. 2005, 52, 5–22. [Google Scholar] [CrossRef]
- Marzoughi, A.; Burgos, R.; Boroyevich, D. Optimum design guidelines for the modular multilevel converter in active front-end applications: Considerations for passive component reduction. IEEE Power Electron. Mag. 2018, 5, 56–65. [Google Scholar] [CrossRef]
- Leon, J.I.; Vazquez, S.; Franquelo, L.G. Multilevel converters: Control and modulation techniques for their operation and industrial applications. Proc. IEEE 2017, 105, 2066–2081. [Google Scholar] [CrossRef]
- Marzoughi, A.; Burgos, R.; Boroyevich, D.; Xue, Y. Investigation and design of modular multilevel converter in AFE mode with minimized passive elements. In Proceedings of the 2015 IEEE Energy Conversion Congress and Exposition (ECCE), Montreal, QC, Canada, 20–24 September 2015; pp. 6770–6776. [Google Scholar]
- Leon, J.I.; Kouro, S.; Franquelo, L.G.; Rodriguez, J.; Wu, B. The essential role and the continuous evolution of modulation techniques for voltage-source inverters in the past, present, and future power electronics. IEEE Trans. Ind. Electron. 2016, 63, 2688–2701. [Google Scholar] [CrossRef]
- Portillo, R.; Vazquez, S.; Leon, J.I.; Prats, M.M.; Franquelo, L.G. Model based adaptive direct power control for three-Level NPC converters. IEEE Trans. Ind. Inform. 2013, 9, 1148–1157. [Google Scholar] [CrossRef]
- Akagi, H.; Kanazawa, Y.; Nabae, A. Instantaneous reactive power compensators comprising switching devices without energy storage components. IEEE Trans. Ind. Appl. 1984, IA-20, 625–630. [Google Scholar] [CrossRef]
- Malinowski, M.; Jasinski, M.; Kazmierkowski, M.P. Simple direct power control of three-phase PWM rectifier using space-vector modulation (DPC-SVM). IEEE Trans. Ind. Electron. 2004, 51, 447–454. [Google Scholar] [CrossRef]
- Aurtenechea, S.; Rodriguez, M.A.; Oyarbide, E.; Torrealday, J.R. Predictive direct power control—A new control strategy for DC/AC Converters. In Proceedings of the IECON 2006—32nd Annual Conference on IEEE Industrial Electronics, Paris, France, 6–10 November 2006; pp. 1661–1666. [Google Scholar]
- Raviraj, V.S.C.; Sen, P.C. Comparative study of proportional-integral, sliding mode, and fuzzy logic controllers for power converters. IEEE Trans. Ind. Appl. 1997, 33, 518–524. [Google Scholar] [CrossRef]
- Kazmierkowski, M.P.; Malesani, L. Current control techniques for three-phase voltage-source PWM converters: A survey. IEEE Trans. Ind. Electron. 1998, 45, 691–703. [Google Scholar] [CrossRef]
- Ríos, H.; Kamal, S.; Fridman, L.M.; Zolghadri, A. Fault tolerant control allocation via continuous integral sliding-modes: A HOSM-observer approach. Automatica 2015, 51, 318–325. [Google Scholar] [CrossRef]
- Subramaniam, R.; Joo, Y.H. Passivity-based fuzzy ISMC for wind energy conversion systems with PMSG. IEEE Trans. Syst. Man Cybern. Syst. 2019, 1–10. [Google Scholar] [CrossRef]
- Pan, Y.; Yang, C.; Pan, L.; Yu, H. Integral sliding mode control: Performance, modification, and improvement. IEEE Trans. Ind. Inform. 2018, 14, 3087–3096. [Google Scholar] [CrossRef]
- Hamayun, M.; Edwards, C.; Alwi, H. Fault Tolerant Control Schemes Using Integral Sliding Modes; Springer: Berlin/Heidelberg, Germany, 2016. [Google Scholar]
- Sun, G.; Wu, L.; Kuang, Z.; Ma, Z.; Liu, J. Practical tracking control of linear motor via fractional-order sliding mode. Automatica 2018, 94, 221–235. [Google Scholar] [CrossRef]
- Shtessel, Y.; Taleb, M.; Plestan, F. A novel adaptive-gain supertwisting sliding mode controller: Methodology and application. Automatica 2012, 48, 759–769. [Google Scholar] [CrossRef]
- Rezaie, B.; Ghasemi, H. Terminal sliding mode controller tuned using evolutionary algorithms for finite-time robust tracking control in a class of nonholonomic systems. Inf. Technol. Control. 2018, 47, 26–44. [Google Scholar] [CrossRef]
- Liu, J.; Gao, Y.; Su, X.; Wack, M.; Wu, L. Disturbance-observer-based control for air management of PEM fuel cell systems via sliding mode technique. IEEE Trans. Control. Syst. Technol. 2018, 27, 1129–1138. [Google Scholar] [CrossRef]
- An, H.; Liu, J.; Wang, C.; Wu, L. Disturbance observer-based antiwindup control for air-breathing hypersonic vehicles. IEEE Trans. Ind. Electron. 2016, 63, 3038–3049. [Google Scholar] [CrossRef]
- Godbole, A.A.; Kolhe, J.P.; Talole, S.E. Performance analysis of generalized extended state observer in tackling sinusoidal Disturbances. IEEE Trans. Control. Syst. Technol. 2013, 21, 2212–2223. [Google Scholar] [CrossRef]
- Chen, W.; Yang, J.; Guo, L.; Li, S. Disturbance-observer-based control and related methods—An overview. IEEE Trans. Ind. Electron. 2016, 63, 1083–1095. [Google Scholar] [CrossRef]
- Jiang, T.; Huang, C.; Guo, L. Control of uncertain nonlinear systems based on observers and estimators. Automatica 2015, 59, 35–47. [Google Scholar] [CrossRef]
- Liu, N.; Fei, J. Adaptive fractional sliding mode control of active power filter based on dual RBF neural networks. IEEE Access 2017, 5, 27590–27598. [Google Scholar] [CrossRef]
- Simone, G.; Morabito, F.C. RBFNN-based hole identification system in conducting plates. IEEE Trans. Neural Netw. 2001, 12, 1445–1454. [Google Scholar] [CrossRef]
- Yin, Y.; Liu, J.; Sánchez, J.A.; Wu, L.; Vazquez, S.; Leon, J.I.; Franquelo, L.G. Observer-based adaptive sliding mode control of NPC converters: An RBF neural network Approach. IEEE Trans. Power Electron. 2019, 34, 3831–3841. [Google Scholar] [CrossRef]
- Elanayar V.T., S.; Shin, Y.C. Radial basis function neural network for approximation and estimation of nonlinear stochastic dynamic systems. IEEE Trans. Neural Netw. 1994, 5, 594–603. [Google Scholar] [CrossRef]
- Han, J. From PID to active disturbance rejection control. IEEE Trans. Ind. Electron. 2009, 56, 900–906. [Google Scholar] [CrossRef]
- Franklin, G.F.; Powell, J.D.; Emami-Naeini, A. Feedback Control of Dynamic Systems; Prentice Hall Press: Bergen County, NJ, USA, 2014. [Google Scholar]











| Variable | Description |
|---|---|
| Inductor currents in reference frame | |
| Grid voltages in reference frame | |
| Average duty cycles in reference frame | |
| Inductor currents in reference frame | |
| Grid voltages in reference frame | |
| Average duty cycles in reference frame | |
| Phase inductor and DC-link capacitor | |
| Load resistance | |
| DC-link capacitor voltages | |
| Grid frequency |
| Description | Parameter | Value |
|---|---|---|
| Phase inductor | L (mH) | 2 |
| DC-link capacitor | C (mF) | 6 |
| Load resistance | ||
| Grid frequency | (Hz) | 50 |
| Sampling frequency | (Hz) | 6400 |
| Grid line voltage | 400 | |
| Desired DC-link voltage | (V) | 750 |
| PI-Based DPC Strategy | ISMC-Based DPC Strategy | |
|---|---|---|
| Power tracking loop | , , | |
| , , | ||
| Voltage regulation loop | , , | , |
| , , | ||
| Voltage balancing loop |
© 2020 by the authors. Licensee MDPI, Basel, Switzerland. This article is an open access article distributed under the terms and conditions of the Creative Commons Attribution (CC BY) license (http://creativecommons.org/licenses/by/4.0/).
Share and Cite
Lin, H.; Leon, J.I.; Luo, W.; Marquez, A.; Liu, J.; Vazquez, S.; Franquelo, L.G. Integral Sliding-Mode Control-Based Direct Power Control for Three-Level NPC Converters. Energies 2020, 13, 227. https://doi.org/10.3390/en13010227
Lin H, Leon JI, Luo W, Marquez A, Liu J, Vazquez S, Franquelo LG. Integral Sliding-Mode Control-Based Direct Power Control for Three-Level NPC Converters. Energies. 2020; 13(1):227. https://doi.org/10.3390/en13010227
Chicago/Turabian StyleLin, Hao, Jose I. Leon, Wensheng Luo, Abraham Marquez, Jianxing Liu, Sergio Vazquez, and L. G. Franquelo. 2020. "Integral Sliding-Mode Control-Based Direct Power Control for Three-Level NPC Converters" Energies 13, no. 1: 227. https://doi.org/10.3390/en13010227
APA StyleLin, H., Leon, J. I., Luo, W., Marquez, A., Liu, J., Vazquez, S., & Franquelo, L. G. (2020). Integral Sliding-Mode Control-Based Direct Power Control for Three-Level NPC Converters. Energies, 13(1), 227. https://doi.org/10.3390/en13010227

