Spatial Distribution and Migration Characteristics of Heavy Metals in Grassland Open-Pit Coal Mine Dump Soil Interface
Abstract
:1. Introduction
2. Materials and Methods
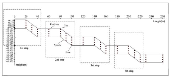
2.1. Study Area
2.2. Sample Collections and Concentration Determination
2.3. Statistical Analysis
2.4. Evaluation of Heavy Metal Pollution
2.5. Spatial Analysis
2.6. Soil Erosion Simulation
2.7. Hyperspectral Inversion of Soil Interface’s Heavy Metal Concentration
3. Results and Discussion
3.1. Evaluation of Heavy Metal Concentration and Pollution Degree
3.1.1. Mine Dump Materials
3.1.2. Mine Dump Soil Interface
3.1.3. Mine Dump Occupied Soil Interface with Different Discharge Ages
3.2. Spatial Distribution of Heavy Metals in the Soil Interface of Mine Dump
3.2.1. Spatial Heterogeneity
3.2.2. Horizontal Distribution
3.2.3. Vertical Distribution
3.3. Distribution of Heavy Metals in the Soil Interface around Mine Dump
4. Conclusions
Author Contributions
Funding
Institutional Review Board Statement
Informed Consent Statement
Data Availability Statement
Acknowledgments
Conflicts of Interest
References
- Li, M.S. Ecological restoration of mineland with particular reference to the metalliferous mine wasteland in China: A review of research and practice. Sci. Total Environ. 2006, 357, 38–53. [Google Scholar] [CrossRef] [PubMed]
- Petlovanyi, M.V.; Medianyk, V.Y. Assessment of coal mine mine dumps development priority. Науковий вісник Національного гірничого університету 2018, 4, 28–35. [Google Scholar]
- Petlovanyi, M.V.; Lozynskyi, V.H.; Saik, P.B.; Sai, K.S. Modern experience of low-coal seams underground mining in Ukraine. Int. J. Min. Sci. Technol. 2018, 28, 917–923. [Google Scholar] [CrossRef]
- Ciesielczuk, J.; Misz-Kennan, M.; Hower, J.C.; Fabiańska, M.J. Mineralogy and geochemistry of coal wastes from the Starzykowiec coal-mine dump (Upper Silesia, Poland). Int. J. Coal Geol. 2014, 127, 42–55. [Google Scholar] [CrossRef]
- Zhong, B.; Liang, T.; Wang, L.; Li, K. Applications of stochastic models and geostatistical analyses to study sources and spatial patterns of soil heavy metals in a metalliferous industrial district of China. Sci. Total Environ. 2014, 490, 422–434. [Google Scholar] [CrossRef]
- Srivastava, V.; Sarkar, A.; Singh, S.; Singh, P. Agroecological responses of heavy metal pollution with special emphasis on soil health and plant performances. Front. Environ. Sci. 2017, 5, 64. [Google Scholar] [CrossRef] [Green Version]
- Liang, Y.; Yi, X.; Dang, Z.; Wang, Q.; Luo, H.; Tang, L. Heavy metal contamination and health risk assessment in the vicinity of a tailing pond in Guangdong, China. Int. J. Environ. Res. Public Health 2017, 14, 1557. [Google Scholar] [CrossRef] [Green Version]
- Bian, Z.; Miao, X.; Lei, S.; Cheng, S.; Wang, W.; Struthers, S. The challenges of reusing mining and mineral-processing wastes. Science 2012, 337, 702–703. [Google Scholar] [CrossRef]
- Lindberg, T.T.; Bernhardt, E.S.; Bier, R.; Helton, A.M.; Merola, R.B.; Vengosh, A.; Giulio, R.T. Cumulative impacts of mountaintop mining on an Appalachian watershed. Proc. Natl. Acad. Sci. USA 2011, 108, 20929–20934. [Google Scholar] [CrossRef] [Green Version]
- Palmer, M.A.; Bernhardt, E.S.; Schlesinger, W.H.; Eshleman, K.N.; Foufoula-Georgiou, E.; Hendryx, M.S.; Lemly, A.D.; Likens, G.E.; Loucks, O.L.; Power, M.E.; et al. Mountaintop mining consequences. Science 2010, 327, 148–149. [Google Scholar] [CrossRef] [Green Version]
- Dubey, C.S.; Sahoo, B.K.; Nayak, N.R. Chromium (VI) in waters in parts of Sukinda chromite valley and health hazards, Orissa, India. Bull. Environ. Contam. Toxicol. 2001, 67, 541–548. [Google Scholar] [CrossRef] [PubMed]
- Hua, C.; Zhou, G.; Yin, X.; Wang, C.; Chi, B.; Cao, Y.; Wang, Y.; Zheng, Y.; Cheng, Z.; Li, R. Assessment of heavy metal in coal gangue, distribution, leaching characteristic and potential ecological risk. Environ. Sci. Pollut. Res. 2018, 25, 32321–32331. [Google Scholar] [CrossRef] [PubMed]
- Sun, Y.; Xiao, K.; Wang, X.; Wang, X.; Lv, Z.; Mao, M. Evaluating the distribution and potential ecological risks of heavy metal in coal gangue. Environ. Sci. Pollut. Res. 2021, 28, 18604–18615. [Google Scholar] [CrossRef] [PubMed]
- Li, S.; Wu, J.; Huo, Y.; Zhao, X.; Xue, L. Profiling multiple heavy metal contamination and bacterial communities surrounding an iron tailing pond in Northwest China. Sci. Total Environ. 2021, 752, 141827. [Google Scholar] [CrossRef]
- Hou, D.; O’Connor, D.; Nathanail, P.; Tian, L. Integrated GIS and multivariate statistical analysis for regional scale assessment of heavy metal soil contamination, A critical review. Environ. Pollutio 2017, 231, 1188–1200. [Google Scholar] [CrossRef]
- Hu, B.; Shao, S.; Ni, H.; Fu, L.; Hu, L.; Zhou, Y.; Min, X.; She, S.; Chen, S.; Huang, M.; et al. Current status, spatial features, health risks, and potential driving factors of soil heavy metal pollution in China at province level. Environ. Pollut. 2020, 266, 114961. [Google Scholar] [CrossRef]
- Marrugo-Negrete, J.; Pinedo-Hernández, J.; Díez, S. Assessment of heavy metal pollution, spatial distribution and origin in agricultural soils along the Sinú River Basin, Colombia. Environ. Res. 2017, 154, 380–388. [Google Scholar] [CrossRef]
- Yang, H.J.; Jeong, H.J.; Bong, K.M.; Jin, D.R.; Kang, T.; Ryu, H.; Han, J.R.; Yang, W.J.; Jung, H.; Hwang, S.H.; et al. Organic matter and heavy metal in river sediments of southwestern coastal Korea, Spatial distributions, pollution, and ecological risk assessment. Mar. Pollut. Bull. 2020, 159, 111466. [Google Scholar] [CrossRef]
- Shi, T.; Guo, L.; Chen, Y.; Wang, W.; Shi, Z.; Li, Q.; Wu, G. Proximal and remote sensing techniques for mapping of soil contamination with heavy metals. Appl. Spectrosc. Rev. 2018, 53, 783–805. [Google Scholar] [CrossRef]
- Tan, K.; Wang, H.; Chen, L.; Du, Q.; Du, P.; Pan, C. Estimation of the spatial distribution of heavy metal in agricultural soils using airborne hyperspectral imaging and random forest. J. Hazard. Mater. 2020, 382, 120987. [Google Scholar] [CrossRef]
- Yang, Q.; Li, Z.; Lu, X.; Duan, Q.; Huang, L.; Bi, J. A review of soil heavy metal pollution from industrial and agricultural regions in China, Pollution and risk assessment. Sci. Total Environ. 2018, 642, 690–700. [Google Scholar] [CrossRef]
- Ying, L.; Shaogang, L.; Xiaoyang, C. Assessment of heavy metal pollution and human health risk in urban soils of a coal mining city in East China. Hum. Ecol. Risk Assess. Int. J. 2016, 22, 1359–1374. [Google Scholar] [CrossRef]
- Kawamura, K.; Akiyama, T.; Yokota, H.; Tsutsumi, M.; Yasuda, T.; Watanabe, O.; Wang, S. Quantifying grazing intensities using geographic information systems and satellite remote sensing in the Xilingol steppe region, Inner Mongolia, China. Agric. Ecosyst. Environ. 2005, 107, 83–93. [Google Scholar] [CrossRef]
- Chi, D.; Wang, H.; Li, X.; Liu, H.; Li, X. Assessing the effects of grazing on variations of vegetation NPP in the Xilingol Grassland, China, using a grazing pressure index. Ecol. Indic. 2018, 88, 372–383. [Google Scholar] [CrossRef]
- Kim, C.S.; Anthony, T.L.; Goldstein, D.; Rytuba, J.J. Windborne transport and surface enrichment of arsenic in semi-arid mining regions, Examples from the Mojave Desert, California. Aeolian Res. 2014, 14, 85–96. [Google Scholar] [CrossRef]
- Fu, Z.; Wu, F.; Mo, C.; Deng, Q.; Meng, W.; Giesy, J.P. Comparison of arsenic and antimony biogeochemical behavior in water, soil and tailings from Xikuangshan, China. Sci. Total Environ. 2016, 539, 97–104. [Google Scholar] [CrossRef]
- Dubbert, M.; Werner, C. Water fluxes mediated by vegetation, emerging isotopic insights at the soil and atmosphere interfaces. New Phytologist 2019, 221, 1754–1763. [Google Scholar] [CrossRef]
- Cheng, W.; Lei, S.; Bian, Z.; Zhao, Y.; Li, Y.; Gan, Y. Geographic distribution of heavy metals and identification of their sources in soils near large, open-pit coal mines using positive matrix factorization. J. Hazard. Mater. 2020, 387, 121666. [Google Scholar] [CrossRef]
- Ma, C.; Wang, Q.; Cai, Q. Evaluation of Heavy Metal Pollution in Large Opencast Mine. Min. Saf. Environ. Prot. 2007, 34. Available online: https://www.frontiersin.org/articles/10.3389/fenvs.2020.557302/full (accessed on 24 February 2022).
- Chen, T.; Liu, X.; Li, X.; Zhao, K. Heavy metal sources identification and sampling uncertainty analysis in a field-scale vegetable soil of Hangzhou, China. Environ. Pollut. 2009, 157, 1003–1010. [Google Scholar] [CrossRef]
- Guan, Q.; Wang, L.; Pan, B.; Guan, W.; Sun, W.; Cai, A. Distribution features and controls of heavy metals in surface sediments from the riverbed of the Ningxia-Inner Mongolian reaches, Yellow River, China. Chemosphere 2016, 144, 29–42. [Google Scholar] [CrossRef] [PubMed]
- Muller, G. Index of geoaccumulation in sediments of the Rhine River. Geojournal 1969, 2, 108–118. [Google Scholar]
- Haris, H.; Looi, L.J.; Aris, A.Z.; Mokhtar, N.F.; Ayob, N.A.A.; Yusoff, F.M.; Salleh, A.B.; Praveena, S.M. Geo-accumulation index and contamination factors of heavy metals (Zn and Pb) in urban river sediment. Environ. Geochem. Health 2017, 39, 1259–1271. [Google Scholar] [CrossRef] [PubMed]
- Hakanson, L. An ecological risk index for aquatic pollution control. A sedimentological approach. Water Res. 1980, 14, 975–1001. [Google Scholar] [CrossRef]
- Lu, X.; Wu, X.; Wang, Y.; Chen, H.; Gao, P.; Fu, Y. Risk assessment of toxic metals in street dust from a medium-sized industrial city of China. Ecotoxicol. Environ. Saf. 2014, 106, 154–163. [Google Scholar] [CrossRef]
- Suresh, G.; Sutharsan, P.; Ramasamy, V.; Venkatachalapathy, R. Assessment of spatial distribution and potential ecological risk of the heavy metals in relation to granulometric contents of Veeranam lake sediments, India. Ecotoxicol. Environ. Saf. 2012, 84, 117–124. [Google Scholar] [CrossRef]
- Marchant, B.P.; Saby NP, A.; Lark, R.M.; Bellamy, P.H.; Jolivet, C.C.; Arrouays, D. Robust analysis of soil properties at the national scale, cadmium content of French soils. Eur. J. Soil Sci. 2010, 61, 144–152. [Google Scholar] [CrossRef]
- Cambardella, C.A.; Moorman, T.B.; Parkin, T.B.; Karlen, D.L.; Turco, R.F.; Konopka, A.E. Field-scale variability of soil properties in central Iowa soils. Soil Sci. Soc. Am. J. 1994, 58, 1501–1511. [Google Scholar] [CrossRef]
- Li, H.; Lei, S.; Huang, Y. Reshaping slope form of grassland coal mine dump based on natural slope model. J. China Coal Soc. 2019, 44, 3830–3838. [Google Scholar]
- Yao, Q.; Xia, Z.; Tang, C.; Zhu, L.; Wang, W.; Chen, T.; Tan, Y. Characteristics of Heavy Metal Ion Adsorption by Silty Mudstones in Coal Mine Goafs. Geofluids 2020, 2020, 8560151. [Google Scholar] [CrossRef]
- Xu, S.; Tao, S. Coregionalization analysis of heavy metals in the surface soil of Inner Mongolia. Sci. Total Environ. 2004, 320, 73–87. [Google Scholar] [CrossRef]
- Gao, Y.; Liu, H.; Liu, G. The spatial distribution and accumulation characteristics of heavy metals in steppe soils around three mining areas in Xilinhot in Inner Mongolia, China. Environ. Sci. Pollut. Res. 2017, 24, 25416–25430. [Google Scholar] [CrossRef]
- Hu, Z.; Wang, C.; Li, K.; Zhu, X. Distribution characteristics and pollution assessment of soil heavy metals over a typical nonferrous metal mine area in Chifeng, Inner Mongolia, China. Environ. Earth Sci. 2018, 77, 638. [Google Scholar] [CrossRef]
- Liu, D.; Quan, Y.; Ren, Z.; Wu, G. Assessment of heavy metal contamination in soil associated with Chinese coal-fired power plants, a case study in Xilingol, Inner Mongolia. Int. J. Sustain. Dev. World Ecol. 2017, 24, 439–443. [Google Scholar] [CrossRef]
- Wang, F.; Wang, J.; Wang, Y. Using multi-fractal and joint multi-fractal methods to characterize spatial variability of reconstructed soil properties in an opencast coal-mine dump in the Loess area of China. Catena 2019, 182, 104111. [Google Scholar] [CrossRef]
- Zhang, L.; Wang, J.; Bai, Z.; Lv, C. Effects of vegetation on runoff and soil erosion on reclaimed land in an opencast coal-mine dump in a loess area. Catena 2015, 128, 44–53. [Google Scholar] [CrossRef]
- Kainthola, A.; Verma, D.; Gupte, S.S.; Singh, T.N. A Coal Mine Dump Stability Analysis—A Case Study. Geomaterials 2011, 1, 1–13. [Google Scholar] [CrossRef] [Green Version]
- Gong, C.; Lei, S.; Bian, Z.; Liu, Y.; Zhang, Z.; Cheng, W. Analysis of the development of an erosion gully in an open-pit coal mine dump during a winter freeze-thaw cycle by using low-cost UAVs. Remote Sens. 2019, 11, 1356. [Google Scholar] [CrossRef] [Green Version]
- Cao, Y.; Wang, J.; Bai, Z.; Zhou, W.; Zhao, Z.; Ding, X.; LI, Y. Differentiation and mechanisms on physical properties of reconstructed soils on open-cast mine dump of loess area. Environ. Earth Sci. 2015, 74, 6367–6380. [Google Scholar] [CrossRef]
- Wang, J.; Zhang, M.; Bai, Z.; Guo, L. Multi-fractal characteristics of the particle distribution of reconstructed soils and the relationship between soil properties and multi-fractal parameters in an opencast coal-mine dump in a loess area. Environ. Earth Sci. 2015, 73, 4749–4762. [Google Scholar] [CrossRef]
- Wei, S.; da Silva JA, T.; Zhou, Q. Agro-improving method of phytoextracting heavy metal contaminated soil. J. Hazard. Mater. 2008, 150, 662–668. [Google Scholar] [CrossRef]
- Li, X.; Yang, H.; Zhang, C.; Zeng, G.; Liu, Y.; Xu, W.; Wu, Y.; Lan, S. Spatial distribution and transport characteristics of heavy metals around an antimony mine area in central China. Chemosphere 2017, 170, 17–24. [Google Scholar] [CrossRef]











| Lithology | Heavy Metal Concentration (mg/kg) | |||||||
|---|---|---|---|---|---|---|---|---|
| Cr | Mn | Ni | Cu | Zn | Pb | Cd | As | |
| Fine sandstone | 62.70 | 469.00 | 26.30 | 32.80 | 93.90 | 19.60 | 0.13 | 21.60 |
| Medium sandstone | 63.50 | 537.00 | 26.90 | 32.90 | 121.00 | 21.80 | 0.11 | 41.60 |
| Claystone (gray) | 63.80 | 565.00 | 27.30 | 35.30 | 119.00 | 22.80 | 0.15 | 13.40 |
| Shale | 36.40 | 142.00 | 24.40 | 32.10 | 99.20 | 21.80 | 0.17 | 46.10 |
| Claystone (brown and gray) | 56.90 | 228.00 | 18.80 | 22.90 | 80.30 | 20.60 | 0.12 | 5.72 |
| Inner Mongolia | 41.40 | 520.00 | 19.50 | 12.90 | 48.60 | 15.00 | 0.04 | 6.30 |
| Heavy Metal Concentration (mg/kg) | ||||||||
|---|---|---|---|---|---|---|---|---|
| Cr | Mn | Ni | Cu | Zn | Pb | Cd | As | |
| Minimum | 28.53 | 159.12 | 5.75 | 4.42 | 15.18 | 10.06 | 0.03 | 2.43 |
| Mean | 58.24 | 500.17 | 23.58 | 18.11 | 55.40 | 16.82 | 0.09 | 8.80 |
| Median | 54.87 | 492.61 | 20.36 | 15.95 | 47.93 | 16.33 | 0.07 | 9.13 |
| Maximum | 149.69 | 1623.77 | 79.69 | 39.22 | 121.64 | 23.70 | 0.80 | 17.70 |
| Standard deviation | 20.79 | 185.14 | 12.30 | 6.51 | 22.18 | 2.47 | 0.11 | 2.97 |
| Coefficient of variation | 0.36 | 0.37 | 0.52 | 0.36 | 0.40 | 0.15 | 1.18 | 0.34 |
| Inner Mongolia | 41.40 | 520.00 | 19.50 | 12.90 | 48.60 | 15.00 | 0.04 | 6.30 |
| China | 61.00 | 582.00 | 27.00 | 23.00 | 74.00 | 27.00 | 0.10 | 11.00 |
| Chinese soil criteria | 350.00 | 1200.00 | 190.00 | 100.00 | 200.00 | 200.00 | 0.60 | 25.00 |
| Risk Grade | Frequency Distribution% | ||||||||
|---|---|---|---|---|---|---|---|---|---|
| Cr | Mn | Ni | Cu | Zn | Pb | Cd | As | ||
| < 40 | Low | 100.00 | 100.00 | 100.00 | 100.00 | 100.00 | 100.00 | 4.17 | 100.00 |
| < 80 | Moderate | 0.00 | 0.00 | 0.00 | 0.00 | 0.00 | 0.00 | 79.17 | 0.00 |
| < 160 | High | 0.00 | 0.00 | 0.00 | 0.00 | 0.00 | 0.00 | 11.11 | 0.00 |
| < 320 | Higher | 0.00 | 0.00 | 0.00 | 0.00 | 0.00 | 0.00 | 0.00 | 0.00 |
| ≥ 320 | Serious | 0.00 | 0.00 | 0.00 | 0.00 | 0.00 | 0.00 | 0.00 | 0.00 |
| Range of ecological risk factor | 1.38–4.07 | 0.00–1.34 | 1.47–8.40 | 1.71–15.20 | 0.32–2.50 | 0.00–7.68 | 24.58–148.69 | 5.29–28.10 | |
| Mean of ecological risk factor | 2.62 | 0.90 | 5.16 | 6.74 | 1.11 | 5.45 | 59.39 | 13.93 | |
| < 100 | < 200 | < 400 | ≥ 400 | ||||||
| Frequencies | 77.78 | 22.22 | 0.00 | 0.00 | |||||
| Risk grade | Low | Moderate | High | Serious | |||||
| 27.31–197.80 | |||||||||
| 89.78 | |||||||||
| Optimal Model | C0/(C0 + C) | R2 | RSS | |
|---|---|---|---|---|
| Cr | Gaussian | 0.87 | 0.35 | 0.22 |
| Mn | Gpherical | 0.10 | 0.16 | 76.50 |
| Ni | Eexponential | 0.65 | 0.24 | 0.15 |
| Cu | Spherical | 0.10 | 0.65 | 0.07 |
| Zn | Spherical | 0.87 | 0.36 | 2.34 |
| Pb | Linear | 0.00 | 0.10 | 4.45 × 10−3 |
| Cd | Exponential | 0.97 | 0.04 | 2.17 × 10−3 |
Publisher’s Note: MDPI stays neutral with regard to jurisdictional claims in published maps and institutional affiliations. |
© 2022 by the authors. Licensee MDPI, Basel, Switzerland. This article is an open access article distributed under the terms and conditions of the Creative Commons Attribution (CC BY) license (https://creativecommons.org/licenses/by/4.0/).
Share and Cite
Cai, Z.; Lei, S.; Zhao, Y.; Gong, C.; Wang, W.; Du, C. Spatial Distribution and Migration Characteristics of Heavy Metals in Grassland Open-Pit Coal Mine Dump Soil Interface. Int. J. Environ. Res. Public Health 2022, 19, 4441. https://doi.org/10.3390/ijerph19084441
Cai Z, Lei S, Zhao Y, Gong C, Wang W, Du C. Spatial Distribution and Migration Characteristics of Heavy Metals in Grassland Open-Pit Coal Mine Dump Soil Interface. International Journal of Environmental Research and Public Health. 2022; 19(8):4441. https://doi.org/10.3390/ijerph19084441
Chicago/Turabian StyleCai, Zhen, Shaogang Lei, Yibo Zhao, Chuangang Gong, Weizhong Wang, and Changchun Du. 2022. "Spatial Distribution and Migration Characteristics of Heavy Metals in Grassland Open-Pit Coal Mine Dump Soil Interface" International Journal of Environmental Research and Public Health 19, no. 8: 4441. https://doi.org/10.3390/ijerph19084441
APA StyleCai, Z., Lei, S., Zhao, Y., Gong, C., Wang, W., & Du, C. (2022). Spatial Distribution and Migration Characteristics of Heavy Metals in Grassland Open-Pit Coal Mine Dump Soil Interface. International Journal of Environmental Research and Public Health, 19(8), 4441. https://doi.org/10.3390/ijerph19084441

