Sign in to use this feature.

Years

Between: -

Subjects

remove_circle_outline
remove_circle_outline
remove_circle_outline
remove_circle_outline
remove_circle_outline
remove_circle_outline
remove_circle_outline
remove_circle_outline
remove_circle_outline

Journals

remove_circle_outline
remove_circle_outline
remove_circle_outline
remove_circle_outline
remove_circle_outline

Article Types

Countries / Regions

remove_circle_outline
remove_circle_outline
remove_circle_outline
remove_circle_outline

Search Results (414)

Search Parameters:
Keywords = parasitic elements

Order results
Result details
Results per page
Select all
Export citation of selected articles as:
17 pages, 3331 KB  
Article
Internal Power Loss Modeling and Efficiency Evaluation of Full-Bridge DC–DC Converters Based on Load-Current-Dependent Loss Coefficients
by Houngkun Joung, Taeyoung Ahn and Myeonghun Cho
Energies 2026, 19(4), 899; https://doi.org/10.3390/en19040899 - 9 Feb 2026
Abstract
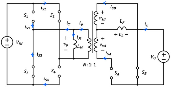
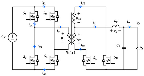
In this paper, a theoretical methodology is proposed for the systematic analysis of the power conversion efficiency of a full-bridge converter. Using the steady-state analysis results derived from the equivalent circuit, we introduced the concept of “loss coefficients” by categorizing parameters based on [...] Read more.
In this paper, a theoretical methodology is proposed for the systematic analysis of the power conversion efficiency of a full-bridge converter. Using the steady-state analysis results derived from the equivalent circuit, we introduced the concept of “loss coefficients” by categorizing parameters based on their correlation with load power and current. In particular, the loss factors for key components were organized in a tabular format according to their respective contributions to the load current. Furthermore, this study presented the contribution of the rectifier’s internal loss and overall power conversion efficiency through graphical representations to facilitate intuitive understanding. Finally, to verify the validity of the efficiency analysis incorporating the proposed loss factors, a loss and efficiency analysis was conducted on a 300 W-class full-bridge converter, and the results were compared with measured data from an experimental prototype. The results demonstrate that, at maximum load power, the discrepancy between the experimental and theoretical power conversion efficiency values ranged from a maximum of 1%. Consequently, it was confirmed that the proposed analysis method based on effective currents of key components and loss coefficients reflecting internal parasitic elements provides a valid approach for characterizing internal power loss and conversion efficiency relative to load current. Full article
(This article belongs to the Section F: Electrical Engineering)
Show Figures

Figure 1

19 pages, 891 KB  
Review
Trichinella-Derived Extracellular Vesicles: Implications and Future Prospects
by Dalia S. Ashour, Ahmad A. Othman and Hager S. Zoghroban
Pathogens 2026, 15(2), 136; https://doi.org/10.3390/pathogens15020136 - 26 Jan 2026
Viewed by 362
Abstract
Parasite extracellular vesicles (EVs) are concise and versatile messages for parasite–parasite and parasite–host crosstalk. These vesicles are loaded with a cargo of diverse heterogeneous molecules, some of which are of potent immunomodulatory nature, and others have specific functions. Those EVs carrying the Trichinella [...] Read more.
Parasite extracellular vesicles (EVs) are concise and versatile messages for parasite–parasite and parasite–host crosstalk. These vesicles are loaded with a cargo of diverse heterogeneous molecules, some of which are of potent immunomodulatory nature, and others have specific functions. Those EVs carrying the Trichinella signature are no exception. They play pivotal roles in the establishment of the parasite inside its niche within the host, ensuring better survival for both. They can also serve as biomarkers for diagnosis, follow-up, and prognosis of Trichinella infection. Owing to their immunogenicity and durability, they are excellent candidates for vaccine development. Moreover, enriched by the parasite’s elements, these intriguing EVs could protect the host from a wide array of inflammatory conditions associated with immune dysregulation such as inflammatory bowel disease and airway hyperreactivity, as evidenced by well-conducted experimental preclinical research. In sum, the potentials of Trichinella EVs seem enormous, awaiting only to be better characterized and conditioned for use in diagnostics and therapeutics. Detailed proteomic and transcriptomic analyses of the nature of these parasite-derived elements could provide invaluable insights into parasite biology and its interplay with the host at the same time. Full article
(This article belongs to the Special Issue Molecular Aspects of Host-Parasite Interactions)
Show Figures

Figure 1

16 pages, 4501 KB  
Article
Millimeter-Level MEMS Actuators Based on Multi-Folded Beams and Harmful Mode-Suppression Structures
by Hangyu Zhou, Wei Bian and Rui You
Micromachines 2026, 17(1), 144; https://doi.org/10.3390/mi17010144 - 22 Jan 2026
Viewed by 151
Abstract
Module-level free-space optical interconnects require actuators to combine both large stroke and high stability. To address this core trade-off that plagues traditional folded-beam actuators, we have developed a millimeter-scale MEMS electromagnetic actuator integrating a Differential Motion Rejection (DMR) unit with a rigid frame. [...] Read more.
Module-level free-space optical interconnects require actuators to combine both large stroke and high stability. To address this core trade-off that plagues traditional folded-beam actuators, we have developed a millimeter-scale MEMS electromagnetic actuator integrating a Differential Motion Rejection (DMR) unit with a rigid frame. Its performance was systematically evaluated through magnetic–structural coupling modeling, finite element simulation, and experiments. The actuator achieved millimeter-scale stroke under sinusoidal drive, with a primary resonant frequency of approximately 31 Hz. The introduction of the DMR and frame proved highly effective: the out-of-plane displacement at resonance was reduced by about 97%, the static Z-direction stiffness increased by over 50 times, and the displacement crosstalk decreased to 0.265%. Optical testing yielded a stable deflection angle of approximately ±21°. These results demonstrate that this design successfully combines large stroke with high stability, significantly suppressing out-of-plane parasitic motion and crosstalk, making it suitable for module-level optical interconnect systems with stringent space and stability requirements. Full article
Show Figures

Figure 1

25 pages, 9529 KB  
Article
Biological Assessment of Mining Pollution in the Lufira River System (Haut-Katanga, Democratic Republic of the Congo) Using Monopisthocotylan Parasites of the Blunt-Toothed African Catfish
by Gyrhaiss K. Kasembele, Clément Kalombo Kabalika, Emmanuel Abwe, Bauchet Katemo Manda, Tine Huyse, Emmanuel J. W. M. N. Vreven, Jos Snoeks, Wilmien J. Luus-Powell, Willem J. Smit, Lieven Bervoets and Maarten P. M. Vanhove
Sustainability 2026, 18(2), 1080; https://doi.org/10.3390/su18021080 - 21 Jan 2026
Viewed by 203
Abstract
This study examined the effects of pollution from the Shituru hydrometallurgic complex on the Upper Lufira Basin, Democratic Republic of the Congo, between September 2015 and September 2017. Physico-chemical water variables and trace metal elements in water and sediment, as well as diversity [...] Read more.
This study examined the effects of pollution from the Shituru hydrometallurgic complex on the Upper Lufira Basin, Democratic Republic of the Congo, between September 2015 and September 2017. Physico-chemical water variables and trace metal elements in water and sediment, as well as diversity and infection parameters of monopisthocotylan parasites infesting Clarias ngamensis, were assessed at three sites: the Lufira River, Panda River, and Lake Tshangalele. We hypothesised that low pollution would correlate with greater ectoparasite species richness and higher infection parameters. Results indicated severe ecological degradation in the highly polluted Panda River (with high concentrations of TMEs; e.g., 510.830 ± 0.86; 82.470 ± 0.200 µg/L for Co2+ and Cu2+ in water; 15,771 ± 7068 and 1585 ± 1450 µg/g for Cu2+ and Zn2+ in the sediment), where neither fish nor parasites were present. Across the other sites, eight parasite species were identified. Seven species occurred on fish from the slightly polluted Lufira River (mean intensity (MI) of 31.28 ± 28.95 parasites per infested fish), while five were found in Lake Tshangalele (MI: 3.23 ± 2.89 parasites per infested fish), confirming the hypothesis. Three species, Quadriacanthus halajiani, Q. domatanai, and Macrogyrodactylus clarii, demonstrated potential as sensitive bioindicators of aquatic pollution in the region. Full article
Show Figures

Figure 1

28 pages, 7890 KB  
Article
Ectoparasite- and Vector-Borne-Related Dermatoses: A Single-Centre Study with Practical Diagnostic and Management Insights in a One Health Perspective
by Giovanni Paolino, Barbara Moroni, Antonio Podo Brunetti, Anna Cerullo, Carlo Mattozzi, Giovanni Gaiera, Manuela Cirami, Dino Zilio, Mario Valenti, Andrea Carugno, Giuseppe Esposito, Nicola Zerbinati, Carmen Cantisani, Franco Rongioletti, Santo Raffaele Mercuri and Matteo Riccardo Di Nicola
J. Clin. Med. 2026, 15(2), 851; https://doi.org/10.3390/jcm15020851 - 20 Jan 2026
Viewed by 253
Abstract
Background: Parasitic skin-related conditions represent a frequent and evolving challenge in human dermatology, as they often mimic other dermatoses, and are increasingly complicated by therapeutic resistance. With this study, we aimed to provide a practical, clinician-oriented overview of our experience, contextualising it [...] Read more.
Background: Parasitic skin-related conditions represent a frequent and evolving challenge in human dermatology, as they often mimic other dermatoses, and are increasingly complicated by therapeutic resistance. With this study, we aimed to provide a practical, clinician-oriented overview of our experience, contextualising it within the current literature. Materials and Methods: We conducted a retrospective, single-centre observational study, reporting a case series of 88 patients diagnosed with parasitic or arthropod-related skin infestations at the San Raffaele Hospital Dermatology Unit (Milan) between 2019 and 2024, and integrated a concise narrative review of contemporary evidence on diagnosis, non-invasive imaging and management. For each case, we documented clinical presentation, dermoscopic or reflectance confocal microscopy (RCM) findings, and treatment response. Non-invasive tools (dermoscopy, videodermoscopy, RCM) were used when appropriate. Results: The spectrum of conditions included flea bites, bed bug bites, cutaneous larva migrans, subcutaneous dirofilariasis, Dermanyssus gallinae dermatitis, pediculosis, tick bites (including Lyme disease), myiasis, scabies, and cutaneous leishmaniasis. One case of eosinophilic dermatosis of haematologic malignancy was also considered due to its possible association with arthropod bites. Non-invasive imaging was critical in confirming suspected infestations, particularly in ambiguous cases or when invasive testing was not feasible. Several cases highlighted suspected therapeutic resistance: a paediatric pediculosis and three adult scabies cases required systemic therapy after standard regimens failed, raising concerns over putative resistance to permethrin and pyrethroids. In dirofilariasis, the persistence of filarial elements visualised by RCM justified the extension of antiparasitic therapy despite prior surgical removal. Conclusions: Our findings underline that accurate diagnosis, early intervention, and tailored treatment remain essential for the effective management of cutaneous infestations. The observed vast spectrum of isolated parasites reflects broader health and ecological dynamics, including zoonotic transmission, international mobility, and changing environmental conditions. At the same time, diagnostic delays, inappropriate treatments, and neglected parasitic diseases continue to pose significant risks. To address these challenges, clinicians should remain alert to atypical presentations, and consider a multidisciplinary approach including the consultation with parasitologists and veterinarians, as well as the incorporation of high-resolution imaging and alternative therapeutic strategies into their routine practice. Full article
(This article belongs to the Section Dermatology)
Show Figures

Figure 1

18 pages, 5093 KB  
Article
Compact IC-Fed Cavity-Backed CP Crossed-Dipole Antenna with Wide Bandwidth and Wide Beamwidth for SatCom Mobile Terminals
by Kunshan Mo, Xing Jiang, Ling Peng, Qiushou Liu, Zhengde Li, Rui Fang and Qixiang Zhao
Sensors 2026, 26(2), 647; https://doi.org/10.3390/s26020647 - 18 Jan 2026
Viewed by 196
Abstract
This paper presents a compact wide bandwidth, wide beamwidth circularly polarized (CP) antenna for satellite communication (SatCom) mobile terminals. The radiator is based on a cavity-backed crossed dipole, while a commercial quadrature power-divider/phase-shifter IC replaces conventional quarter-wavelength phase-delay lines to suppress dispersion-induced phase [...] Read more.
This paper presents a compact wide bandwidth, wide beamwidth circularly polarized (CP) antenna for satellite communication (SatCom) mobile terminals. The radiator is based on a cavity-backed crossed dipole, while a commercial quadrature power-divider/phase-shifter IC replaces conventional quarter-wavelength phase-delay lines to suppress dispersion-induced phase errors and maintain stable CP performance over a broad frequency range. To broaden the beam, a tightly coupled arc-shaped parasitic strip encircles the tapered semicircular arms, and the cavity cross-section is reduced to enhance lateral radiation. In addition, the cavity sidewalls are electrically connected to the parasitic element to increase the effective electrical length, downshift the operating frequency, and enable miniaturization. A prototype was fabricated and measured. The measured impedance bandwidth (IMBW, |S11| < −10 dB) is 1.76–3.08 GHz, fully covered by the AR < 3 dB bandwidth. The peak gain remains above 2 dBic over 1.7–3.1 GHz, while the half-power beamwidth (HPBW) stays around 114–142° and the 3 dB axial-ratio beamwidth (ARBW, AR < 3 dB) is around 114–144° across the entire operating band. These results indicate that the proposed antenna is a promising candidate for integrated multi-band SatCom terminals requiring wide bandwidth operation and wide-angle coverage. Full article
(This article belongs to the Section Communications)
Show Figures

Figure 1

20 pages, 17607 KB  
Article
Parasitic Inductance Assessment of E-GaN DPT Circuit Through Finite Element Analysis
by Xing-Rou Chen, Huang-Jen Chiu, Yun-Yen Chen, Yi-Xuan Yang and Yu-Chen Liu
Energies 2026, 19(2), 383; https://doi.org/10.3390/en19020383 - 13 Jan 2026
Viewed by 256
Abstract
This article explores the high-frequency characteristics of gallium nitride (GaN) power-switching devices and evaluates their application performance using a double-pulse test (DPT) circuit model. With the increasing adoption of GaN power-switching devices in high-performance and miniaturized electronic products, their low junction capacitance makes [...] Read more.
This article explores the high-frequency characteristics of gallium nitride (GaN) power-switching devices and evaluates their application performance using a double-pulse test (DPT) circuit model. With the increasing adoption of GaN power-switching devices in high-performance and miniaturized electronic products, their low junction capacitance makes them highly suitable for high-frequency applications. However, parasitic inductance in the power loop can introduce resonance phenomena, impacting system stability and switching performance. To address this, this study integrates the parasitic parameters of printed circuit boards (PCBs) with the nonlinear junction capacitance characteristics of GaN devices. Finite element analysis (FEA) is employed to extract PCB parasitic inductance values and analyze their effects on GaN power-switching behavior. The findings indicate that precise extraction and analysis of parasitic inductance are critical for optimizing the performance of GaN switching devices. Additionally, this study investigates mitigation strategies to minimize parasitic inductance, ultimately enhancing GaN device design and reliability. The insights from this research provide valuable guidance for the development of GaN power devices in high-frequency applications. Full article
(This article belongs to the Section F3: Power Electronics)
Show Figures

Figure 1

18 pages, 3932 KB  
Article
Drain-Voltage Assessment-Based RC Snubber Design Approach for GaN HEMT Flyback Converters
by Byeong-Je Park, Chae-Jeong Hwang, Geon-Ung Park, Min-Su Park and Daeyong Shim
Electronics 2026, 15(2), 271; https://doi.org/10.3390/electronics15020271 - 7 Jan 2026
Viewed by 365
Abstract
Conventional RC snubber design relies on oscillation frequency-based estimation, which is often influenced by uncontrolled parasitic elements and can therefore limit the accuracy of surge voltage prediction in GaN HEMT flyback converters. To overcome this limitation, a drain-voltage assessment-based design approach is introduced, [...] Read more.
Conventional RC snubber design relies on oscillation frequency-based estimation, which is often influenced by uncontrolled parasitic elements and can therefore limit the accuracy of surge voltage prediction in GaN HEMT flyback converters. To overcome this limitation, a drain-voltage assessment-based design approach is introduced, in which the snubber parameters are extracted directly from the measured voltage characteristics during the turn off transition. This method allows the surge voltage to be modeled more precisely and enables the snubber capacitance to be selected without unnecessary oversizing. Simulation results using the GaN Systems GS66516T device show that the proposed approach reduces the total power loss by 27.67% and 21.84% relative to two empirical design methods and achieves up to 53.64% lower loss compared with other RC combinations in the explored design space. The method suppresses the surge voltage from 877 V to 556 V, which closely aligns with the design target of 550 V, whereas the empirical methods result in maximum voltages of 637 V and 603 V. Finally, the thermal feasibility of the snubber resistor is analytically assessed, indicating that the estimated temperature rise remains within the safe operating range of commercial components. Full article
Show Figures

Figure 1

23 pages, 1212 KB  
Review
Iron Regulatory Mechanism IRE/IRP-like in Two Protozoa of Importance to Human Health, Entamoeba histolytica and Giardia duodenalis
by Jesús Gabriel León-Beltrán, Sarita Montaño, Rossana Arroyo, Daniela Estrada-Ramírez, Nidia León-Sicairos, Adrián Canizalez-Román, María Angélica Sánchez-González, José Antonio Garzón-Tiznado and Claudia León-Sicairos
Pathogens 2026, 15(1), 57; https://doi.org/10.3390/pathogens15010057 - 7 Jan 2026
Viewed by 462
Abstract
Protozoa use iron to grow, feed, and cause harm through elaborate mechanisms to obtain it from the host. In addition, expression of virulence genes is affected by iron. In Entamoeba histolytica, the parasite that causes amoebic dysentery and complications in human organs, our [...] Read more.
Protozoa use iron to grow, feed, and cause harm through elaborate mechanisms to obtain it from the host. In addition, expression of virulence genes is affected by iron. In Entamoeba histolytica, the parasite that causes amoebic dysentery and complications in human organs, our group have previously reported the presence of an IRE/IRP-like (Iron Responsive Element/Iron Regulatory Protein) mechanism. Giardia duodenalis is another parasite of medical interest that causes giardiasis, including nutrient malabsorption syndrome and dysbiosis, among other complications, such as anemia in children with giardiasis. Moreover, expression of many putative giardial virulence factors by free-iron levels has been reported. Recently, we have reported stem-loop structures in some mRNAs coding virulence proteins from both parasites. However, much remains to be studied about the role of iron in pathogenesis. In this review, we summarize several aspects of gene expression regulation by iron in these protozoa as well as an iron regulatory mechanism in E. histolytica and discuss the possibility of an iron regulatory IRE/IRP-like mechanism in G. duodenalis. Full article
Show Figures

Figure 1

17 pages, 3633 KB  
Article
New Copper (II) Complexes Based on 1,4-Disubstituted-1,2,3-Triazole Ligands with Promising Antileishmanial Activity
by João P. C. Nascimento, Natali L. Faganello, Karolina F. Freitas, Leandro M. C. Pinto, Amarith R. das Neves, Diego B. Carvalho, Carla C. P. Arruda, Sidnei M. Silva, Rita C. F. Almeida, Amilcar M. Júnior, Davi F. Back, Lucas Pizzuti, Sumbal Saba, Jamal Rafique, Adriano C. M. Baroni and Gleison A. Casagrande
Pharmaceutics 2026, 18(1), 64; https://doi.org/10.3390/pharmaceutics18010064 - 4 Jan 2026
Viewed by 654
Abstract
Background/Objectives: Leishmaniasis constitutes one of the most fatal parasitic diseases globally, adversely impacting the health of individuals residing in both intertropical and temperate zones. In these geographical areas, the administration of treatment is often inconsistent and largely ineffective with the available pharmaceuticals, as [...] Read more.
Background/Objectives: Leishmaniasis constitutes one of the most fatal parasitic diseases globally, adversely impacting the health of individuals residing in both intertropical and temperate zones. In these geographical areas, the administration of treatment is often inconsistent and largely ineffective with the available pharmaceuticals, as these exhibit more pronounced side effects than the therapeutic advantages they purport to provide. Methods: Consequently, the current investigation seeks to engage in molecular modeling of novel pharmacological candidates incorporating 1,2,3 disubstituted triazole moieties, coordinated with CuII metal centers, in pursuit of promising bioactive properties. Results: Two complexes were prepared and X-ray analysis revealed a comparable structural configuration surrounding the copper (II) atom. The planar square coordination geometry was elucidated through the assessment of the τ4=0 (tau four) parameters. The comprehensive characterization encompasses HRMS-ESI (+), NMR, elemental analyses, mid-infrared, and UV-vis spectroscopic techniques. Time-dependent density functional theory (TD-DFT) analyses will substantiate the findings obtained through UV-vis spectroscopy. Crucially, the biological assays against Leishmania (L.) amazonensis revealed that Complex 1 exhibited outstanding potency against the intracellular amastigote form, demonstrating a half-maximal inhibitory concentration (IC50) of 0.4 µM. This activity was 6-fold higher than that of amphotericin B (IC50 = 2.5 µM) and 33-fold higher than pentamidine (IC50 = 13.3 µM). Furthermore, Complex 1 showed a promising selectivity index (SI = 9.7) against amastigotes, surpassing the reference drugs and meeting the criteria for a lead compound. While less active on promastigotes, both complexes demonstrated high stability in DMSO solution, a prerequisite for biological testing. Conclusions: These results unequivocally identify Complex 1 as a highly promising candidate for the development of new antileishmanial therapies, warranting further in vivo studies. Full article
Show Figures

Figure 1

12 pages, 3559 KB  
Article
Coupling Reduction and Bandwidth Enhancement of a MIMO Antenna with a Parasitic Element
by Ahmad H. Abdelgwad and Mohammed A. Hassan
Electronics 2026, 15(1), 158; https://doi.org/10.3390/electronics15010158 - 29 Dec 2025
Viewed by 264
Abstract
This work presents a compact printed MIMO antenna specifically designed for portable wireless applications, offering strong isolation between its elements. The antenna consists of two ultra-low-profile inverted-F antenna (IFA) elements placed back to back with a close spacing of just 0.05λ at the [...] Read more.
This work presents a compact printed MIMO antenna specifically designed for portable wireless applications, offering strong isolation between its elements. The antenna consists of two ultra-low-profile inverted-F antenna (IFA) elements placed back to back with a close spacing of just 0.05λ at the resonance frequency (2.4 GHz). To improve isolation, a parasitic structure is strategically positioned between the two IFAs. Additionally, a slot is introduced into the ground plane, which excites an extra resonance, effectively broadening the antenna’s operational bandwidth. The proposed design was successfully fabricated and tested, with measurement results closely matching the simulations. The antenna demonstrates a good impedance bandwidth ranging from 2.28 to 2.85 GHz, maintaining a return loss better than 10 dB, and achieving excellent isolation levels exceeding 40 dB. It also delivers a high peak efficiency of 90% and a realized gain pattern of around 2 dBi over the band of interest. In addition, the inclusion of the parasitic element further enhances the antenna’s performance by promoting pattern diversity and reducing the correlation between radiation patterns, ensuring robust MIMO and diversity characteristics. Full article
Show Figures

Figure 1

23 pages, 2630 KB  
Article
RMLP-Cap: An End-to-End Parasitic Capacitance Extraction Flow Based on ResMLP
by Xinya Zhou, Jiacheng Zhang, Bin Li, Wenchao Liu, Zhaohui Wu and Bing Lu
Electronics 2026, 15(1), 36; https://doi.org/10.3390/electronics15010036 - 22 Dec 2025
Viewed by 261
Abstract
With continued transistor scaling and increasing interconnect density in very large-scale integration (VLSI) circuits, the parasitic capacitance of interconnect has become a major contributor to circuit delay and signal integrity degradation. Fast and accurate parasitic capacitance extraction is therefore essential in the back-end-of-line [...] Read more.
With continued transistor scaling and increasing interconnect density in very large-scale integration (VLSI) circuits, the parasitic capacitance of interconnect has become a major contributor to circuit delay and signal integrity degradation. Fast and accurate parasitic capacitance extraction is therefore essential in the back-end-of-line (BEOL) stage. Currently, 2.5D parasitic capacitance extraction flow based on the pattern matching method is widely used by commercial tools, which still suffer from lengthy pattern library construction, cross-section preprocessing, pattern mismatch, and poor accuracy for small capacitance extraction. To overcome these limitations, this work proposes an end-to-end parasitic capacitance extraction workflow, named residual multilayer perceptron interconnect parasitic capacitance extraction (RMLP-Cap), which leverages a residual multilayer perceptron (ResMLP) to enhance traditional workflow. RMLP-Cap integrates parasitic extraction (PEX) window acquisition, pattern definition, feature extraction, dataset generation, ResMLP model training, and capacitance aggregation into a unified flow. Experimental results show that RMLP-Cap can automatically define and model complex 2D patterns with 100% matching accuracy. Compared with a field solver based on the boundary element method (BEM), the ResMLP model achieves an average relative error below 0.9%, a standard deviation under 0.2%, and less than 0.5% error for small capacitances, while providing a 900% speed improvement for extraction speed. Full article
(This article belongs to the Section Microelectronics)
Show Figures

Figure 1

16 pages, 5350 KB  
Article
A Scalable Ultra-Compact 1.2 kV/100 A SiC 3D Packaged Half-Bridge Building Block
by Junhong Tong, Wei-Jung Hsu, Qingyun Huang and Alex Q. Huang
Electronics 2026, 15(1), 29; https://doi.org/10.3390/electronics15010029 - 22 Dec 2025
Viewed by 424
Abstract
This work presents a highly compact and scalable 1.2-kV SiC MOSFET half-bridge building-block module enabled by a die-integrated 3D PCB packaging technology. Compared with conventional DBC-based or TO-247-based SiC half-bridge modules, the proposed design reduces the physical volume and weight by more than [...] Read more.
This work presents a highly compact and scalable 1.2-kV SiC MOSFET half-bridge building-block module enabled by a die-integrated 3D PCB packaging technology. Compared with conventional DBC-based or TO-247-based SiC half-bridge modules, the proposed design reduces the physical volume and weight by more than 90% while maintaining full compatibility with standard PCB manufacturing processes. The vertically laminated DC+/DC− conductors and symmetric PCB–die–PCB stack establish a tightly confined commutation loop, resulting in a measured power-loop inductance of 2.2 nH and a 3.8 nH gate-loop inductance—representing up to 94% and 89% reduction relative to discrete device implementations. Because the parasitic parameters are intrinsically well-balanced across replicated units and the mutual inductance between adjacent modules remains extremely small, the structure naturally supports current sharing during parallel operation. Thermal and insulation evaluations further confirm the suitability of copper filling via high-Tg laminated PCB substrates for high-power SiC applications, achieving withstand voltages exceeding twice the rated bus voltage. The proposed module is experimentally validated through finite-element parasitic extraction and 950 V double-pulse testing, demonstrating controlled dv/dt behavior and robust switching performance. This work establishes a manufacturable and parallel-friendly packaging approach for high-density SiC power conversion systems. Full article
Show Figures

Figure 1

9 pages, 1212 KB  
Communication
Prevalence of Lungworm Infections in Hedgehogs (Erinaceus roumanicus) in Greece and a Novel Therapeutic Approach for Treatment
by Grigorios Markakis, Isaia Symeonidou, Anastasia Komnenou, Frederic Beugnet, Maria Ganoti and Elias Papadopoulos
Pathogens 2026, 15(1), 11; https://doi.org/10.3390/pathogens15010011 - 21 Dec 2025
Viewed by 660
Abstract
The most common causes of respiratory diseases in wild hedgehogs are the lungworms Crenosoma striatum and Capillaria aerophila, which can lead to life-threatening pneumonia. The aim of the current study was (A) to assess the prevalence of common lungworm infections in northern [...] Read more.
The most common causes of respiratory diseases in wild hedgehogs are the lungworms Crenosoma striatum and Capillaria aerophila, which can lead to life-threatening pneumonia. The aim of the current study was (A) to assess the prevalence of common lungworm infections in northern white-breasted hedgehogs (Erinaceus roumanicus) in Greece and (B) to identify an efficient and easy to administer treatment option. (A) Fifty-six hedgehogs were admitted to a Greek wildlife rehabilitation center and included in the present study. Fecal tests were performed using the flotation method (ZnSO4 33.2%) combined with the Baermann technique. In total, 49 hedgehogs excreted Crenosoma spp. larvae (87.5%), and 27 of them were also infected with Capillaria spp. (48.2%). One of them died, and the necropsy and lung histopathology confirmed the diagnosis of crenosomosis. (B) Fourteen animals with mixed infections were treated using NexGard® Combo (esafoxolaner, eprinomectin, praziquantel) administered orally at a dose rate of 0.2 mL/kg body weight, once. On days 10 and 14 post-treatment, no parasitic elements were detected in the feces of the infected animals. All the animals had gained weight by day 14, and their biochemical parameters were normal. It was concluded that this combination given orally was safe and successful against hedgehog respiratory nematodes. Full article
(This article belongs to the Special Issue Parasitic Helminths and Control Strategies)
Show Figures

Figure 1

18 pages, 1692 KB  
Article
Turnover, Uniqueness, and Environmental Filtering Shape Helminth Parasite Metacommunities in Freshwater Fish Pseudoxiphophorus bimaculatus (Cyprinodontiformes: Poeciliidae)
by Ivonne López-del-Monte, Oscar Rico-Chávez, Juan Manuel Caspeta-Mandujano, Edgar Fernando Mendoza-Franco, Norman Mercado-Silva, Jesús Montoya-Mendoza, Miguel Rubio-Godoy, Ismael Guzmán-Valdivieso, Benjamín Quiroz-Martínez and Guillermo Salgado-Maldonado
Diversity 2025, 17(12), 864; https://doi.org/10.3390/d17120864 - 17 Dec 2025
Viewed by 681
Abstract
Understanding the processes that shape parasite community structure across spatial scales is essential for linking ecological theory with host–parasite dynamics. Using a metacommunity framework, we examined the metacommunity of helminth parasites infecting the freshwater fish Pseudoxiphophorus bimaculatus across 11 sites along the La [...] Read more.
Understanding the processes that shape parasite community structure across spatial scales is essential for linking ecological theory with host–parasite dynamics. Using a metacommunity framework, we examined the metacommunity of helminth parasites infecting the freshwater fish Pseudoxiphophorus bimaculatus across 11 sites along the La Antigua River basin (Veracruz, Mexico). We combined β-diversity partitioning, local and species contributions to diversity, elements of metacommunity structure (EMS), and variance partitioning to identify the mechanisms underlying spatial variation in parasite composition. Helminth metacommunity was dominated by a few widespread taxa, with balanced variation in species abundances—indicative of turnover—emerging as the main driver of β-diversity at both host and site levels. Both rare and common species contributed disproportionately to regional diversity. EMS analyses revealed coherent, non-random community structures that varied from nested to quasi-Gleasonian and quasi-Clementsian types among sites and guilds, suggesting that species respond individually to shared environmental gradients. Variance partitioning indicated that environmental filtering, particularly through habitat structure, explained most of the variation in community composition, exceeding the effects of water quality and host size. Overall, our results demonstrate that turnover, species uniqueness, and environmental filtering interact to shape helminth parasite metacommunities in tropical freshwater systems, highlighting the integrative role of environmental heterogeneity and dispersal limitation in parasite community assembly. Full article
(This article belongs to the Section Freshwater Biodiversity)
Show Figures

Figure 1

Back to TopTop