Drain-Voltage Assessment-Based RC Snubber Design Approach for GaN HEMT Flyback Converters
Abstract
1. Introduction
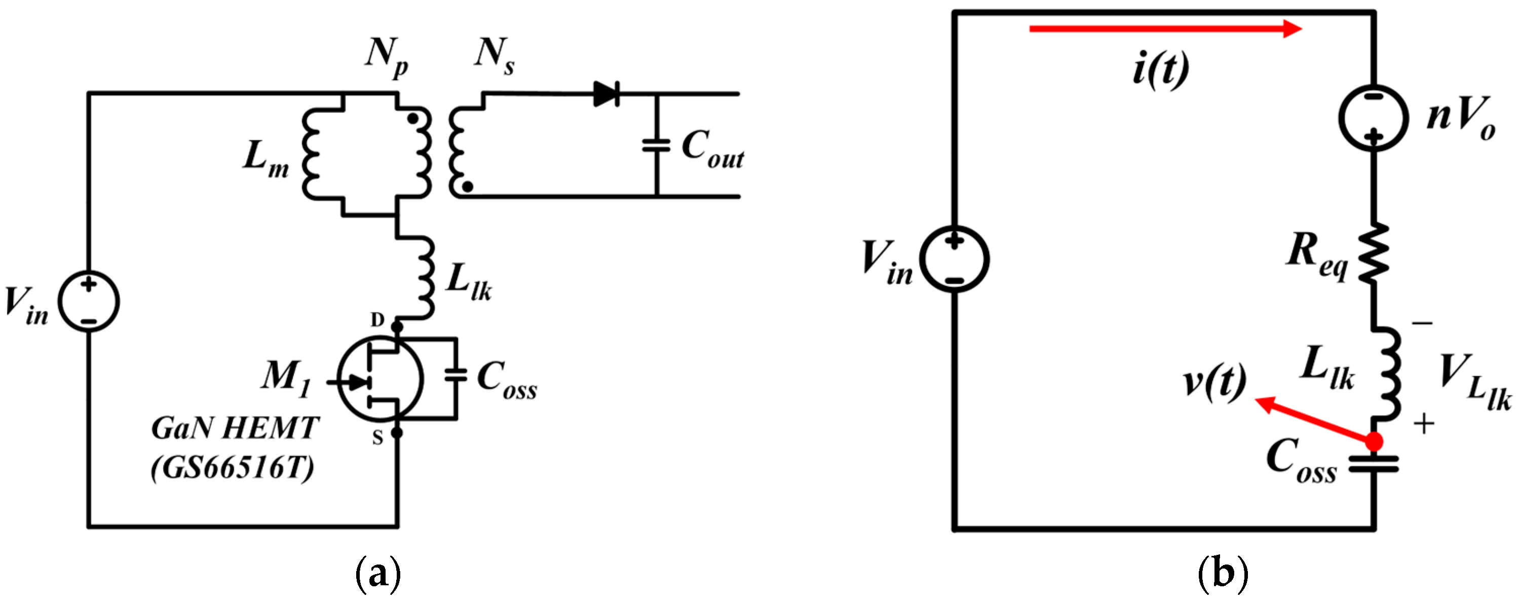
2. Analysis of Surge Voltage Origins
3. Proposed Design Method for RC Snubber
3.1. Calculation of the Amplitude Constant
3.2. Calculation of the Snubber Capacitance
3.3. Calculation of the Snubber Resistance
3.4. Parameter Calculation Based on Post Turn-Off Approximation
4. Simulation Result and Analysis
4.1. Analysis of Surge Voltage Suppression Characteristics
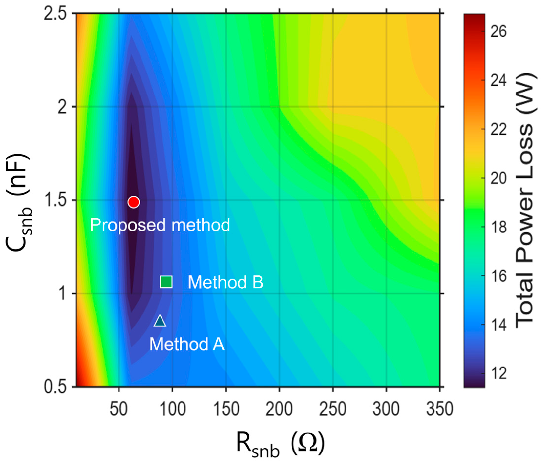
4.2. Power Loss Characteristics and Trade-Off
4.3. Comparison with the Conventional Design Method A and B
4.4. Thermal Analysis and Design Considerations of the RC Snubber
5. Conclusions
Author Contributions
Funding
Data Availability Statement
Conflicts of Interest
References
- Ambacher, O.; Baines, Y.; Beam, B.; Borga, M.; Bouchet, T.; Chalker, P.R.; Charles, M.; Chen, K.J.; Chowdhury, N.; Chu, R.; et al. GaN-Based Power Devices—Physics, Reliability and Technology. J. Phys. D Appl. Phys. 2018, 51, 163001. [Google Scholar]
- Mishra, U.K.; Parikh, P.; Wu, Y.F. AlGaN/GaN HEMTs—An Overview of Device Operation and Applications. Proc. IEEE 2002, 90, 1022–1031. [Google Scholar] [CrossRef]
- Zulauf, G.; Guacci, M.; Kolar, J.W. Dynamic On-Resistance in GaN-on-Si HEMTs: Origins, Dependencies, and Future Characterization Frameworks. IEEE Trans. Power Electron. 2020, 35, 5581–5588. [Google Scholar] [CrossRef]
- Wang, W.; Liang, Y.; Zhang, M.; Lin, F.; Wen, F.; Wang, H. Mechanism Analysis of Dynamic On-State Resistance Degradation for a Commercial GaN HEMT Using Double Pulse Test. Electronics 2021, 10, 1202. [Google Scholar] [CrossRef]
- Thönnessen, A.; Baumgärtner, J.; Fronczek, C.; De Doncker, R.W. Comparison of Switching Losses and Dynamic on Resistance of 600 V-Class GaN HEMTs. In Proceedings of the PCIM Europe 2024—International Exhibition and Conference for Power Electronics, Intelligent Motion, Renewable Energy and Energy Management, Nuremberg, Germany, 11–13 June 2024. [Google Scholar] [CrossRef]
- Wang, B.; Dong, S.; Jiang, S.; He, C.; Hu, J.; Ye, H.; Ding, X. A Comparative Study on the Switching Performance of GaN and Si Power Devices for Bipolar Complementary Modulated Converter Legs. Energies 2019, 12, 1146. [Google Scholar] [CrossRef]
- Sun, B. Does GaN Have a Body Diode? Understanding the Third Quadrant Operation of GaN. In Texas Instruments Application Report; Texas Instruments Inc.: Dallas, TX, USA, 2019; Available online: https://www.ti.com/lit/an/snoaa36/snoaa36.pdf (accessed on 27 November 2025).
- Medinceanu, P.C.; Antonescu, A.M.; Enachescu, M. Is GaN the Enabler of High Power Density Converters? An Overview of the Technology, Devices, Circuits, and Applications. Preprints 2025. [Google Scholar] [CrossRef]
- Mortazavizadeh, S.A.; Palazzo, S.; Amendola, A.; De Santis, E.; Di Ruzza, D.; Panariello, G.; Sanseverino, A.; Velardi, F.; Busatto, G. High Frequency, High Efficiency, and High Power Density GaN-Based LLC Resonant Converter: State-of-the-Art and Perspectives. Appl. Sci. 2021, 11, 11350. [Google Scholar] [CrossRef]
- Tanrikulu, U.; Akboy, E.; Akin, B. Design and Analysis of a Flyback Converter with Improved Snubber Cells. Sigma J. Eng. Nat. Sci. 2020, 38, 2205–2216. [Google Scholar]
- Papanikolaou, N.P.; Tatakis, E.C. Active Voltage Clamp in Flyback Converters Operating in CCM Mode under Wide Load Variation. IEEE Trans. Ind. Electron. 2004, 51, 632–640. [Google Scholar] [CrossRef]
- Park, H.P.; Jung, J.H. Design Methodology of Quasi-Resonant Flyback Converter with a Divided Resonant Capacitor. IEEE Trans. Ind. Electron. 2021, 68, 10796–10805. [Google Scholar] [CrossRef]
- Cheng, C.-A.; Lee, C.-M.; Chang, E.-C.; Lin, C.-K.; Lan, L.-F.; Hou, S.-H. Analysis and Reduction of Radiated EMI in High-Frequency GaN IC-Based Active Clamp Flyback Converters. In Proceedings of the Workshop on Wide Bandgap Power Devices and Applications in Asia (WiPDA-Asia 2023), Hsinchu, Taiwan, 27–29 August 2023; pp. 1–3. [Google Scholar]
- Varadarajan, K.; Singamaneni, S.; Kappala, S. Surge-Robust Flyback Power Supplies with GaN. In Proceedings of the IEEE Applied Power Electronics Conference and Exposition (APEC), New Orleans, LA, USA, 15–19 March 2020; pp. 2584–2586. [Google Scholar]
- Tang, S.; Xi, J.; He, L. A GaN-Based MHz Active Clamp Flyback Converter with Adaptive Dual Edge Dead Time Modulation for AC-DC Adapters. In Proceedings of the IEEE International Conference on Power Electronics and Applications, Shenzhen, China, 7–10 November 2025; pp. 547–554. [Google Scholar]
- Meng, P.; Wu, X.; Yang, J.; Chen, H.; Qian, Z. Analysis and Design Considerations for EMI and Losses of RCD Snubber in Flyback Converter. In Proceedings of the IEEE Applied Power Electronics Conference and Exposition (APEC), Palm Springs, CA, USA, 21–25 February 2010; pp. 642–647. [Google Scholar] [CrossRef]
- Zhang, Y.; Chen, M.; Jin, Z.; Ding, Q. Study of CM EMI and RCD-L-RC Snubber in a Multi-Winding Flyback Converter. In Proceedings of the IEEE International Symposium on Energy Storage and Conversion (ISESC), Xi’an, China, 8–11 November 2024; pp. 1160–1164. [Google Scholar] [CrossRef]
- Yang, X.; Li, J.; Ding, Y.; Xu, M.; Zhu, X.-F.; Zhu, J. Observation of Transient Parity-Time Symmetry in Electronic Systems. Phys. Rev. Lett. 2022, 128, 065701. [Google Scholar] [CrossRef] [PubMed]
- Lin, B.-R.; Chiang, H.-K.; Chen, K.-C.; Wang, D. Analysis, Design and Implementation of an Active Clamp Flyback Converter. In Proceedings of the International Conference on Power Electronics and Drives Systems, Kuala Lumpur, Malaysia, 28 November–1 December 2005; Volume 1, pp. 424–429. [Google Scholar]
- Sarkar, A.; Vankayalapati, B.T.; Anand, S. GaN-Based Multiple Output Flyback Converter with Independently Controlled Outputs. IEEE Trans. Ind. Electron. 2022, 69, 2565–2576. [Google Scholar] [CrossRef]
- Yao, Y.; Wang, C.; Sun, D.; Gu, W.; Sheng, C. An Accurate Output Current Prediction Scheme for Primary-Side Regulation Active-Clamp Flyback Converter. In Proceedings of the IEEE Energy Conversion Congress and Exposition (ECCE), Detroit, MI, USA, 9–13 October 2022; pp. 1–5. [Google Scholar] [CrossRef]
- Lindström, E.O.; Garcia-Rodriguez, L.A.; Oliva, A.R.; Balda, J.C. Designing an Optimum Non-Dissipative LC Snubber for Step-Up Flyback Converters in DCM. In Proceedings of the IEEE 8th Latin American Symposium on Circuits and Systems (LASCAS), Bariloche, Argentina, 20–23 February 2017; pp. 1–4. [Google Scholar] [CrossRef]
- Liu, S.; Zhang, F.; Zhang, Q. Optimal Design of RCD Parameters in Flyback Converter. In Proceedings of the International Symposium on Computer, Consumer and Control (IS3C), Xi’an, China, 4–6 July 2016; pp. 582–585. [Google Scholar] [CrossRef]
- McMurray, W. Selection of Snubbers and Clamps to Optimize the Design of Transistor Switching Converters. IEEE Trans. Ind. Appl. 1980, IA-16, 513–529. [Google Scholar] [CrossRef]
- Jin, S.; Choi, J. Analysis and Design of Damping Resistor for Mitigating Surge Voltage and Oscillation in Flyback Converter. IEEE Access 2024, 12, 163671–163683. [Google Scholar] [CrossRef]
- Kizilyalli, I.C.; Bui-Quang, P.; Disney, D.; Bhatia, H.; Aktas, O. Reliability Studies of Vertical GaN Devices Based on Bulk GaN Substrates. Microelectron. Reliab. 2015, 55, 1654–1661. [Google Scholar] [CrossRef]
- Bahl, S.R.; Brohlin, P. A New Approach to Validate GaN FET Reliability to Power-Line Surges under Use-Conditions. In Proceedings of the IEEE International Reliability Physics Symposium (IRPS), Monterey, CA, USA, 31 March–4 April 2019; pp. 1–7. [Google Scholar] [CrossRef]
- Ma, Y. EPC GaN Transistor Application Readiness: Phase One Testing; EPC Reliability Report; Efficient Power Conversion Corporation: El Segundo, CA, USA, 2019. [Google Scholar]
- Hou, P.C.; Hsieh, T.E.; Cheng, S.; del Alamo, J.A.; Chang, E.Y. Comprehensive Dynamic On-Resistance Assessments in GaN-on-Si MIS-HEMTs for Power Switching Applications. MIT Open Access Articles. Available online: https://hdl.handle.net/1721.1/126201 (accessed on 27 November 2025).
- Gajare, S.; Li, D.; Garcia, R.; Espinoza, A.; Green, J.; Tieu, P.; Wong, C.; Nguyen, A.; Wu, D.; Zhang, S. GaN Reliability and Lifetime Projections: Phase 17; Phase 17 Reliability Report; Efficient Power Conversion Corporation: El Segundo, CA, USA, 2025. [Google Scholar]
- Betten, J. Power Tips: Calculate an R–C Snubber in Seven Steps. Texas Instruments Technical Article; 2016; SSZTBC7. Available online: https://www.ti.com/lit/pdf/SSZTBC7 (accessed on 27 November 2025).
- Krellner, J. MC34670 Usage and Configuration. Freescale Semiconductor Application Note AN3279 Rev. 3.0. 2009. Available online: https://www.nxp.com/docs/en/application-note/AN3279.pdf (accessed on 27 November 2025).
- Li, Z.; Wang, X.; Zhang, Y.; Chen, H.; Qian, Z. Analytical Technique for Designing an RC Snubber Circuit for Ringing Suppression in a Phase-Leg Configuration. IEEE Trans. Power Electron. 2017, 32, 2876–2886. [Google Scholar] [CrossRef]
- Meng, P.; Chen, H.; Zheng, S.; Wu, X.; Qian, Z. Optimal Design for the Damping Resistor in RCD-R Snubber to Suppress Common-Mode Noise. In Proceedings of the IEEE Applied Power Electronics Conference and Exposition (APEC), Palm Springs, CA, USA, 21–25 February 2010; pp. 691–697. [Google Scholar] [CrossRef]
- GaN Systems Inc. GS66516T Top-Side Cooled 650 V E-Mode GaN Transistor; Datasheet, Rev. 210727; GaN Systems Inc.: Ottawa, ON, Canda, 2021. [Google Scholar]
- Halder, T. Comprehensive Power Loss Model of the Main Switch of the Flyback Converter. In Proceedings of the IEEE International Conference on Power, Energy and Control (ICPEC), Dindigul, India, 6–8 February 2013; pp. 792–797. [Google Scholar] [CrossRef]
- Isabellenhütte Heusler GmbH & Co. KG. Low-Ohmic Precision and Power Resistors; Technical Catalogue BE-E-03-2019; Isabellenhütte Heusler GmbH & Co. KG: Dillenburg, Germany, 2019; pp. 7–18. Available online: https://www.isabellenhuette.de (accessed on 27 November 2025).
- C&B Electronics Shenzhen Co., Ltd. TPAN0220 50 W TO-220 Non-Inductive High-Power Resistor; Datasheet No. E20004, Version V1; C&B Electronics Shenzhen Co., Ltd.: Shenzhen, China, 2024. [Google Scholar]












| Parameter | Value |
|---|---|
| Switching device (M1) | GS66516T |
| Switching frequency (fsw) | 100 kHz |
| Duty (D) | 0.24 |
| Output Voltage (Vout) | 15 V |
| Leakage inductance (Llk) | 6.75 μH |
| Operating mode | CCM |
| Proposed | Method A | Method B | |
|---|---|---|---|
| Rsnb (Ω) | 212 | 224 | 160 |
| Csnb (nF) | 0.467 | 0.180 | 0.285 |
| Target Vmax (V) | 550 | 550 | 550 |
| Vmax (V) | 556 | 637 | 603 |
| (V) | 129 | 243 | 210 |
| Conduction loss (W) | 0.387 | 0.529 | 0.629 |
| Switching loss (W) | 1.893 | 2.626 | 2.289 |
| Total loss (W) | 2.281 | 3.155 | 2.918 |
Disclaimer/Publisher’s Note: The statements, opinions and data contained in all publications are solely those of the individual author(s) and contributor(s) and not of MDPI and/or the editor(s). MDPI and/or the editor(s) disclaim responsibility for any injury to people or property resulting from any ideas, methods, instructions or products referred to in the content. |
© 2026 by the authors. Licensee MDPI, Basel, Switzerland. This article is an open access article distributed under the terms and conditions of the Creative Commons Attribution (CC BY) license.
Share and Cite
Park, B.-J.; Hwang, C.-J.; Park, G.-U.; Park, M.-S.; Shim, D. Drain-Voltage Assessment-Based RC Snubber Design Approach for GaN HEMT Flyback Converters. Electronics 2026, 15, 271. https://doi.org/10.3390/electronics15020271
Park B-J, Hwang C-J, Park G-U, Park M-S, Shim D. Drain-Voltage Assessment-Based RC Snubber Design Approach for GaN HEMT Flyback Converters. Electronics. 2026; 15(2):271. https://doi.org/10.3390/electronics15020271
Chicago/Turabian StylePark, Byeong-Je, Chae-Jeong Hwang, Geon-Ung Park, Min-Su Park, and Daeyong Shim. 2026. "Drain-Voltage Assessment-Based RC Snubber Design Approach for GaN HEMT Flyback Converters" Electronics 15, no. 2: 271. https://doi.org/10.3390/electronics15020271
APA StylePark, B.-J., Hwang, C.-J., Park, G.-U., Park, M.-S., & Shim, D. (2026). Drain-Voltage Assessment-Based RC Snubber Design Approach for GaN HEMT Flyback Converters. Electronics, 15(2), 271. https://doi.org/10.3390/electronics15020271

