Sign in to use this feature.

Years

Between: -

Subjects

remove_circle_outline
remove_circle_outline
remove_circle_outline
remove_circle_outline
remove_circle_outline
remove_circle_outline

Journals

Article Types

Countries / Regions

Search Results (114)

Search Parameters:
Keywords = inter-turn-short fault

Order results
Result details
Results per page
Select all
Export citation of selected articles as:
16 pages, 3344 KB  
Article
Detection of PMSM Inter-Turn Winding Faults Using DC Link Current in Field-Oriented Variable-Frequency Drives
by Fu-Sheng Pai and Chun-Kai Chiang
Energies 2026, 19(1), 248; https://doi.org/10.3390/en19010248 - 1 Jan 2026
Viewed by 393
Abstract
This paper presents a method for detecting inter-turn short-circuit faults in motor windings using the inverter’s DC link current. The proposed approach leverages the fact that the second harmonic component of the DC bus current increases significantly under abnormal conditions. By analyzing the [...] Read more.
This paper presents a method for detecting inter-turn short-circuit faults in motor windings using the inverter’s DC link current. The proposed approach leverages the fact that the second harmonic component of the DC bus current increases significantly under abnormal conditions. By analyzing the dynamic behavior of this second harmonic signal, the method enables fast, easily integrated fault diagnosis without requiring any hardware modifications. The experimental results verify the method’s effectiveness. At 500 rpm, a 5% partial short circuit produces a second harmonic component about 2.8 times larger than that of a healthy motor, while a 30% fault raises the ratio to about 3.6. The close match between theory and experiment confirms the accuracy and practicality of the proposed technique. Full article
(This article belongs to the Special Issue Advances in DC-DC Converters)
Show Figures

Figure 1

32 pages, 3300 KB  
Article
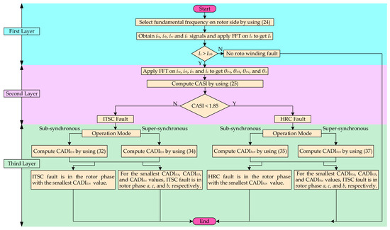
Detection, Discrimination, and Localization of Rotor Winding Faults in Doubly Fed Induction Generators Using a Three-Layer ZSC–CASI–CADI Framework
by Muhammad Shahzad Aziz, Jianzhong Zhang, Sarvarbek Ruzimov, Xu Huang and Anees Ahmad
Sensors 2026, 26(1), 273; https://doi.org/10.3390/s26010273 - 1 Jan 2026
Viewed by 370
Abstract
Reliable detection of the rotor winding faults in the doubly fed induction generator (DFIG) is crucial for the resilience of the variable speed energy systems. High-resistance connection (HRC) and inter-turn short circuit (ITSC) faults cause current distortions that are remarkably similar, and the [...] Read more.
Reliable detection of the rotor winding faults in the doubly fed induction generator (DFIG) is crucial for the resilience of the variable speed energy systems. High-resistance connection (HRC) and inter-turn short circuit (ITSC) faults cause current distortions that are remarkably similar, and the rapid rotor side dynamics and the DFIG multimode operation ability also make fault diagnosis more difficult. This paper proposes a three-layer diagnostic framework named ZSC-CASI-CADI which leverages three-phase rotor currents in conjunction with rotor zero-sequence current (ZSC) for comprehensive rotor winding fault diagnosis. Fault detection is realized through ZSC magnitude and the Cosine Angle Spread Indicator (CASI) enables the strong discrimination between HRC and ITSC faults using the dispersion of rotor current phasors from the ZSC reference. Fault localization is achieved using the Current Angle Difference Indicator (CADI), which determines the faulty rotor phase through the angular deviations in rotor currents from the ZSC. The methodology is verified with extensive simulation results to demonstrate the accurate, real-time fault detection, discrimination, and localization of DFIG rotor winding faults under different load and rotor speed conditions including sub-synchronous and super-synchronous modes. The results show that the proposed framework provides a light and effective solution for rotor winding fault monitoring of the DFIG systems. Full article
(This article belongs to the Special Issue Feature Papers in Fault Diagnosis & Sensors 2025)
Show Figures

Figure 1

16 pages, 1259 KB  
Article
Impact and Detection of Coil Asymmetries in a Permanent Magnet Synchronous Generator with Parallel Connected Stator Coils
by Nikolaos Gkiolekas, Alexandros Sergakis, Marios Salinas, Markus Mueller and Konstantinos N. Gyftakis
Machines 2026, 14(1), 6; https://doi.org/10.3390/machines14010006 - 19 Dec 2025
Viewed by 262
Abstract
Permanent magnet synchronous generators (PMSGs) are suitable for offshore applications due to their high efficiency and power density. Inter-turn short circuits (ITSCs) stand as one of the most critical faults in these machines due to their rapid evolution in phase or ground short [...] Read more.
Permanent magnet synchronous generators (PMSGs) are suitable for offshore applications due to their high efficiency and power density. Inter-turn short circuits (ITSCs) stand as one of the most critical faults in these machines due to their rapid evolution in phase or ground short circuits. It is therefore necessary to detect ITSCs at an early stage. In the literature, ITSC detection is often based on current signal processing methods. One of the challenges that these methods face is the presence of imperfections in the stator coils, which also affects the three-phase symmetry. Moreover, when the stator coils are connected in parallel, this type of fault becomes important, as circulating currents will flow between the parallel windings. This, in turn, increases the thermal stress on the insulation and the permanent magnets, while also exacerbating the vibrations of the generator. In this study, a finite-element analysis (FEA) model has been developed to simulate a dual-rotor PMSG under conditions of coil asymmetry. To further investigate the impact of this asymmetry, mathematical modeling has been conducted. For fault detection, negative-sequence current (NSC) analysis and torque monitoring have been used to distinguish coil asymmetry from ITSCs. While both methods demonstrate potential for fault identification, NSC induced small amplitudes and the torque analysis was unable to detect ITSCs under low-severity conditions, thereby underscoring the importance of developing advanced strategies for early-stage ITSC detection. The innovative aspect of this work is that, despite these limitations, the combined use of NSC phase-angle tracking and torque harmonic analysis provides, for the first time in a core-less PMSG with parallel-connected coils, a practical way to distinguish ITSC from coil asymmetry, even though both faults produce almost identical signatures in conventional current-based indices. Full article
(This article belongs to the Special Issue Fault Diagnostics and Fault Tolerance of Synchronous Electric Drives)
Show Figures

Figure 1

24 pages, 13336 KB  
Article
Real-Time Zero-Sequence-Voltage Estimation and Fault-Tolerant Control for an Open-Winding Five-Phase Fault-Tolerant Fractional-Slot Concentrated-Winding IPM Motor Under Inter-Turn Short-Circuit Fault
by Ronghua Cui, Qingpeng Ji, Shitao Zhang and Huaxin Li
Sensors 2025, 25(24), 7655; https://doi.org/10.3390/s25247655 - 17 Dec 2025
Viewed by 413
Abstract
Inter-turn short-circuit (ITSC) faults in motor drives can induce substantial circulating currents and localized thermal stress, ultimately degrading winding insulation and compromising torque stability. To enhance the operational reliability of open-winding (OW) five-phase fault-tolerant fractional-slot concentrated-winding interior permanent-magnet (FTFSCW-IPM) motor drive systems, this [...] Read more.
Inter-turn short-circuit (ITSC) faults in motor drives can induce substantial circulating currents and localized thermal stress, ultimately degrading winding insulation and compromising torque stability. To enhance the operational reliability of open-winding (OW) five-phase fault-tolerant fractional-slot concentrated-winding interior permanent-magnet (FTFSCW-IPM) motor drive systems, this paper proposes a real-time fault-tolerant control strategy that provides current suppression and torque stabilization under ITSC conditions. Upon fault detection, the affected phase is actively isolated and connected to an external dissipative resistor, thereby limiting the fault-phase current and inhibiting further propagation of insulation damage. This reconfiguration allows the drive system to uniformly accommodate both open-circuit (OC) and ITSC scenarios without modification of the underlying control architecture. For OC operation, an equal-amplitude modulation scheme based on carrier-based pulse-width modulation (CPWM) is formulated to preserve the required magnetomotive-force distribution. Under ITSC conditions, a feedforward compensation mechanism is introduced to counteract the disturbance generated by the short-circuit loop. A principal contribution of this work is the derivation of a compensation term that can be estimated online using zero-sequence voltage (ZSV) together with measured phase currents, enabling accurate adaptation across varying ITSC severities. Simulation and experimental results demonstrate that the proposed method effectively suppresses fault-phase current, maintains near-sinusoidal current waveforms in the remaining healthy phases, and stabilizes torque production over a wide range of fault and load conditions. Full article
(This article belongs to the Section Fault Diagnosis & Sensors)
Show Figures

Figure 1

18 pages, 6478 KB  
Article
Alternative Diagnostic Approaches for Various Single-Fault Conditions in Direct-Drive Low-Speed Coreless Permanent Magnet Generators
by Alexandros Sergakis, Nikolaos Gkiolekas, Marios Salinas, Markus Mueller and Konstantinos N. Gyftakis
Energies 2025, 18(22), 5973; https://doi.org/10.3390/en18225973 - 13 Nov 2025
Viewed by 368
Abstract
A finite-element model of the direct-drive coreless permanent-magnet generator is used to simulate faults individually. Each fault case—rotor magnet demagnetization, a stator inter-turn short circuit, static eccentricity, and dynamic eccentricity—is introduced into the finite-element analysis (FEA) model separately, rather than in combination. For [...] Read more.
A finite-element model of the direct-drive coreless permanent-magnet generator is used to simulate faults individually. Each fault case—rotor magnet demagnetization, a stator inter-turn short circuit, static eccentricity, and dynamic eccentricity—is introduced into the finite-element analysis (FEA) model separately, rather than in combination. For each isolated fault scenario, the stator current signals are processed using the Extended Park’s Vector Approach (EPVA) and the electromagnetic torque is examined in the frequency domain. The EPVA spectra and torque harmonics exhibit unique features for each fault type, allowing for clear discrimination among faults. These results demonstrate that modeling and analyzing faults one at a time yields distinct diagnostic signatures. Full article
(This article belongs to the Special Issue Condition Monitoring of Electrical Machines Based on Models)
Show Figures

Figure 1

16 pages, 2485 KB  
Article
Experimental Methods and Equivalence Research on Inter-Turn Short Circuits in Power Transformers
by Xuelong Li, Chun Yang, Yuanming Shuai, Dongyang Wu, Zhengyang Zhang and Lanjun Yang
Energies 2025, 18(20), 5453; https://doi.org/10.3390/en18205453 - 16 Oct 2025
Viewed by 546
Abstract
Inter-turn short-circuit faults in power transformers generate enormous short-circuit currents within the affected turns, making full-scale experimental investigations impractical. To address this issue, this study proposes an experimental method utilizing a third external short-circuit winding to simulate inter-turn faults through structural improvements in [...] Read more.
Inter-turn short-circuit faults in power transformers generate enormous short-circuit currents within the affected turns, making full-scale experimental investigations impractical. To address this issue, this study proposes an experimental method utilizing a third external short-circuit winding to simulate inter-turn faults through structural improvements in winding configuration and conductor current-carrying capacity. A simulation calculation model for transformer inter-turn short circuits was first established to investigate the equivalence between the proposed equivalent fault model and actual fault conditions under varying short-circuit positions and proportions. Simulation results demonstrate that both models exhibit consistent primary/secondary winding currents, short-circuit turn currents, and spatial radial leakage magnetic field distributions post-fault, with average errors less than 5%. Subsequently, an experimental platform for inter-turn short-circuit fault simulation was constructed. Current and leakage magnetic field measurements under different fault positions and proportions were validated against simulation data, confirming the proposed method’s equivalence. This approach provides an effective pathway for investigating fault characteristics and monitoring methodologies of transformer inter-turn short circuits. Full article
Show Figures

Figure 1

19 pages, 5147 KB  
Article
Parameter-Free Model Predictive Control of Five-Phase PMSM Under Healthy and Inter-Turn Short-Circuit Fault Conditions
by Yijia Huang, Wentao Huang, Keyang Ru and Dezhi Xu
Energies 2025, 18(17), 4549; https://doi.org/10.3390/en18174549 - 27 Aug 2025
Viewed by 766
Abstract
Model predictive control offers high-performance regulation for multiphase drives but is critically dependent on the accuracy of mathematical models for prediction, making it vulnerable to parameter mismatches and uncertainties. To achieve parameter-independent control across both healthy and faulty operations, this paper proposes a [...] Read more.
Model predictive control offers high-performance regulation for multiphase drives but is critically dependent on the accuracy of mathematical models for prediction, making it vulnerable to parameter mismatches and uncertainties. To achieve parameter-independent control across both healthy and faulty operations, this paper proposes a novel dynamic mode decomposition with control (DMDc)-based model predictive current control (MPCC) scheme for five-phase permanent magnet synchronous motors. The core innovation lies in constructing discrete-time state-space models directly from operational data via the open-loop DMDc identification, completely eliminating reliance on explicit motor parameters. Furthermore, an improved fault-tolerant strategy is developed to mitigate the torque ripple induced by inter-turn short-circuit (ITSC) faults. This strategy estimates the key fault characteristic, the product of the short-circuit ratio and current, through a spectral decomposition of the AC component in the q-axis current variations, bypassing the need for complex parameter-dependent observers. The derived compensation currents are seamlessly integrated into the predictive control loop. Experimental results comprehensively validate the effectiveness of the proposed framework, demonstrating a performance comparable to a conventional MPCC under healthy conditions and a significant reduction in torque ripple under ITSC fault conditions, all achieved without any prior knowledge of motor parameters or the retuning of controller gains. Full article
(This article belongs to the Section E: Electric Vehicles)
Show Figures

Figure 1

20 pages, 5937 KB  
Article
Stator Fault Diagnostics in Asymmetrical Six-Phase Induction Motor Drives with Model Predictive Control Applicable During Transient Speeds
by Hugo R. P. Antunes, Davide. S. B. Fonseca, João Serra and Antonio J. Marques Cardoso
Machines 2025, 13(8), 740; https://doi.org/10.3390/machines13080740 - 19 Aug 2025
Viewed by 793
Abstract
Abrupt speed variations and motor start-ups have been pointed out as critical challenges in the framework of fault diagnostics in induction motor drives, namely inter-turn short circuit faults. Generally, abrupt accelerations influence the typical symptoms of the fault, and consequently, the fault detection [...] Read more.
Abrupt speed variations and motor start-ups have been pointed out as critical challenges in the framework of fault diagnostics in induction motor drives, namely inter-turn short circuit faults. Generally, abrupt accelerations influence the typical symptoms of the fault, and consequently, the fault detection becomes ambiguous, impacting prompt and effective decision-making. To overcome this issue, this study proposes an inter-turn short-circuit fault diagnostic technique for asymmetrical six-phase induction motor drives operating under both smooth and abrupt motor accelerations. A time–frequency domain spectrogram of the AC component extracted from the q-axis reference current signal serves as a reliable fault indicator. This technique stands out for the compromise between robustness and computational effort using only one control variable accessible in the model predictive control algorithm, thus discarding both voltage and current signals. Experimental tests involving various load torques and fault severities, in transient regimes, were performed to validate the proposed methodology’s effectiveness thoroughly. Full article
(This article belongs to the Section Electrical Machines and Drives)
Show Figures

Figure 1

26 pages, 2471 KB  
Article
Fault-Tolerant Tracking Observer-Based Controller Design for DFIG-Based Wind Turbine Affected by Stator Inter-Turn Short Circuit
by Yossra Sayahi, Moez Allouche, Mariem Ghamgui, Sandrine Moreau, Fernando Tadeo and Driss Mehdi
Symmetry 2025, 17(8), 1343; https://doi.org/10.3390/sym17081343 - 17 Aug 2025
Viewed by 1008
Abstract
This paper introduces a novel strategy for the diagnosis and fault-tolerant control (FTC) of inter-turn short-circuit (ITSC) faults in the stator windings of Doubly Fed Induction Generator (DFIG)-based wind turbines. ITSC faults are among the most common electrical issues in rotating machines: early [...] Read more.
This paper introduces a novel strategy for the diagnosis and fault-tolerant control (FTC) of inter-turn short-circuit (ITSC) faults in the stator windings of Doubly Fed Induction Generator (DFIG)-based wind turbines. ITSC faults are among the most common electrical issues in rotating machines: early detection is therefore essential to reduce maintenance costs and prevent severe damage to the wind turbine system. To address this, a Fault Detection and Diagnosis (FDD) approach is proposed to identify and assess the severity of ITSC faults in the stator windings. A state-space model of the DFIG under ITSC fault conditions is first developed in the (d,q) reference frame. Based on this model, an Unknown Input Observer (UIO) structured using Takagi–Sugeno (T-S) fuzzy models is designed to estimate the fault level. To mitigate the impact of the fault and ensure continued operation under degraded conditions, a T-S fuzzy fault-tolerant controller is synthesized. This controller enables natural decoupling and optimal power extraction across a wide range of rotor speed variations. Since the effectiveness of the FTC relies on accurate fault information, a Proportional-Integral Observer (PIO) is employed to estimate the ITSC fault level. The proposed diagnosis and compensation strategy is validated through simulations performed on a 3 kW wind turbine system, demonstrating its efficiency and robustness. Full article
(This article belongs to the Special Issue Symmetry, Fault Detection, and Diagnosis in Automatic Control Systems)
Show Figures

Figure 1

22 pages, 3958 KB  
Article
Detection of Inter-Turn Short-Circuit Faults for Inverter-Fed Induction Motors Based on Negative-Sequence Current Analysis
by Sarvarbek Ruzimov, Jianzhong Zhang, Xu Huang and Muhammad Shahzad Aziz
Sensors 2025, 25(15), 4844; https://doi.org/10.3390/s25154844 - 6 Aug 2025
Cited by 4 | Viewed by 1241
Abstract
Inter-turn short-circuit faults in induction motors might lead to overheating, torque imbalances, and eventual motor failure. This paper presents a fault detection framework for accurately identifying ITSC faults under various operating conditions. The proposed method integrates negative-sequence current analysis utilizing wavelet-based filtering and [...] Read more.
Inter-turn short-circuit faults in induction motors might lead to overheating, torque imbalances, and eventual motor failure. This paper presents a fault detection framework for accurately identifying ITSC faults under various operating conditions. The proposed method integrates negative-sequence current analysis utilizing wavelet-based filtering and symmetrical component decomposition. A fault detection index to effectively monitor motor health and detect faults is presented. Moreover, the fault location is determined by phase angles of fundamental components of negative-sequence currents. Experimental validations were carried out for an inverter-fed induction motor under variable speed and load cases. These showed that the proposed approach has high sensitivity to early-stage inter-turn short circuits. This makes the framework highly suitable for real-time condition monitoring and predictive maintenance in inverter-fed motor systems, thereby improving system reliability and minimizing unplanned downtime. Full article
Show Figures

Figure 1

32 pages, 9710 KB  
Article
Early Detection of ITSC Faults in PMSMs Using Transformer Model and Transient Time-Frequency Features
by Ádám Zsuga and Adrienn Dineva
Energies 2025, 18(15), 4048; https://doi.org/10.3390/en18154048 - 30 Jul 2025
Cited by 3 | Viewed by 1183
Abstract
Inter-turn short-circuit (ITSC) faults in permanent magnet synchronous machines (PMSMs) present a significant reliability challenge in electric vehicle (EV) drivetrains, particularly under non-stationary operating conditions characterized by inverter-driven transients, variable loads, and magnetic saturation. Existing diagnostic approaches, including motor current signature analysis (MCSA) [...] Read more.
Inter-turn short-circuit (ITSC) faults in permanent magnet synchronous machines (PMSMs) present a significant reliability challenge in electric vehicle (EV) drivetrains, particularly under non-stationary operating conditions characterized by inverter-driven transients, variable loads, and magnetic saturation. Existing diagnostic approaches, including motor current signature analysis (MCSA) and wavelet-based methods, are primarily designed for steady-state conditions and rely on manual feature selection, limiting their applicability in real-time embedded systems. Furthermore, the lack of publicly available, high-fidelity datasets capturing the transient dynamics and nonlinear flux-linkage behaviors of PMSMs under fault conditions poses an additional barrier to developing data-driven diagnostic solutions. To address these challenges, this study introduces a simulation framework that generates a comprehensive dataset using finite element method (FEM) models, incorporating magnetic saturation effects and inverter-driven transients across diverse EV operating scenarios. Time-frequency features extracted via Discrete Wavelet Transform (DWT) from stator current signals are used to train a Transformer model for automated ITSC fault detection. The Transformer model, leveraging self-attention mechanisms, captures both local transient patterns and long-range dependencies within the time-frequency feature space. This architecture operates without sequential processing, in contrast to recurrent models such as LSTM or RNN models, enabling efficient inference with a relatively low parameter count, which is advantageous for embedded applications. The proposed model achieves 97% validation accuracy on simulated data, demonstrating its potential for real-time PMSM fault detection. Additionally, the provided dataset and methodology contribute to the facilitation of reproducible research in ITSC diagnostics under realistic EV operating conditions. Full article
(This article belongs to the Special Issue Application of Artificial Intelligence in Power and Energy Systems)
Show Figures

Figure 1

22 pages, 10293 KB  
Article
Inter-Turn Short Circuits in Stator Winding of Permanent Magnet Synchronous Generator Dedicated for Small Hydroelectric Power Plants
by Adam Gozdowiak and Maciej Antal
Energies 2025, 18(14), 3799; https://doi.org/10.3390/en18143799 - 17 Jul 2025
Viewed by 899
Abstract
This article presents the simulation results of inter-turn short circuits in the stator winding of a permanent magnet synchronous generator (PMSG) dedicated for small hydroelectric power plants. During the calculations, a field–circuit model is used via ANSYS software. The simulations were performed for [...] Read more.
This article presents the simulation results of inter-turn short circuits in the stator winding of a permanent magnet synchronous generator (PMSG) dedicated for small hydroelectric power plants. During the calculations, a field–circuit model is used via ANSYS software. The simulations were performed for both a fault-free generator and faulty generator with various degrees of short-circuited turns under various operating conditions. The degree of stator winding damage is modeled by changing the number of shorted turns in one phase. The studied generator has a two-layer stator winding made of winding wire. In addition, it is made of three parallel branches. In this way, a more difficult-to-detect condition is simulated. We analyzed the influences of short-circuit fault on the magnetic field and their impact on generator behavior. The analysis of the obtained results indicates the possibility of using the measurement of the stator current histogram, higher-order harmonics of the stator current, back electromotive force (back EMF), phase current growth, and power factor fluctuations for early detection of an inter-turn short circuit. Full article
(This article belongs to the Section F: Electrical Engineering)
Show Figures

Figure 1

19 pages, 8663 KB  
Article
Digital Twin-Based Online Diagnosis Method for Inter-Turn Short Circuit Fault in Stator Windings of Induction Motors
by Yujie Chen, Leiting Zhao, Liran Li, Kan Liu and Cunxin Ye
Energies 2025, 18(12), 3063; https://doi.org/10.3390/en18123063 - 10 Jun 2025
Cited by 3 | Viewed by 1307
Abstract
Inter-turn short-circuit fault is a common electrical issue in high-speed train traction motors, which can severely degrade motor performance and significantly shorten operational lifespan. Early detection is crucial for ensuring the safety of traction systems. This paper presents a digital twin-based method for [...] Read more.
Inter-turn short-circuit fault is a common electrical issue in high-speed train traction motors, which can severely degrade motor performance and significantly shorten operational lifespan. Early detection is crucial for ensuring the safety of traction systems. This paper presents a digital twin-based method for diagnosing stator winding inter-turn short-circuit faults in induction motors. First, an advanced rapid-solving algorithm is employed to establish a real-time digital twin model of the motor under healthy conditions. Second, a mathematical model characterizing stator winding faults is developed. Subsequently, fault detection and localization are achieved through analyzing three-phase current residuals between the digital twin model and the actual system. Extensive simulations and experiments demonstrate that the proposed method generates a fault index amplitude approximately 20 times larger than traditional sampling-value-based prediction methods, indicating exceptional sensitivity. The approach is minimally invasive, requiring no additional measurement equipment. Moreover, it maintains diagnostic capability even under motor parameter mismatch conditions, outperforming traditional methods. The proposed method demonstrates distinct advantages for high-speed train traction systems. It enables real-time monitoring and predictive maintenance, effectively reducing operational costs while preventing catastrophic failures. Full article
Show Figures

Figure 1

17 pages, 3508 KB  
Article
Zero-Sequence Voltage Outperforms MCSA-STFT for a Robust Inter-Turn Short-Circuit Fault Diagnosis in Three-Phase Induction Motors: A Comparative Study
by Mouhamed Houili, Mohamed Sahraoui, Antonio J. Marques Cardoso and Abdeldjalil Alloui
Machines 2025, 13(6), 501; https://doi.org/10.3390/machines13060501 - 7 Jun 2025
Cited by 4 | Viewed by 1896
Abstract
Three-phase induction motors are widely adopted in industrial systems due to their robustness, ease of maintenance, and simple operation. However, they are prone to various types of faults, notably stator winding faults. Previous research indicates that 20–40% of three-phase induction motor failures are [...] Read more.
Three-phase induction motors are widely adopted in industrial systems due to their robustness, ease of maintenance, and simple operation. However, they are prone to various types of faults, notably stator winding faults. Previous research indicates that 20–40% of three-phase induction motor failures are stator-related, with inter-turn short circuits as a leading cause. These faults can pose significant risks to both the motor and connected equipment. Therefore, the early detection of inter-turn short circuit (ITSC) faults is essential to prevent system breakdowns and improve the safety and reliability of industrial operations. This paper presents a comparative investigation of two distinct diagnostic methodologies for the detection of ITSC faults in induction motors. The first methodology is based on a Motor Current Signature Analysis (MCSA) utilizing the short-time Fourier transform (STFT) for the real-time monitoring of fault-related harmonics. The second methodology is centered around the monitoring of the zero-sequence voltage (ZSV). The findings from several experimental tests performed on a 1.1 kW three-phase induction motor across a range of operating conditions highlight the superior performance of the ZSV method with respect to the MCSA-based STFT method in terms of reliability, rapidity, and precision for the diagnosis of ITSC faults. Full article
(This article belongs to the Section Electrical Machines and Drives)
Show Figures

Figure 1

19 pages, 5766 KB  
Article
Early Detection of Inter-Turn Short Circuits in Induction Motors Using the Derivative of Stator Current and a Lightweight 1D-ResNet
by Carlos Javier Morales-Perez, David Camarena-Martinez, Juan Pablo Amezquita-Sanchez, Jose de Jesus Rangel-Magdaleno, Edwards Ernesto Sánchez Ramírez and Martin Valtierra-Rodriguez
Computation 2025, 13(6), 140; https://doi.org/10.3390/computation13060140 - 4 Jun 2025
Cited by 3 | Viewed by 1406
Abstract
This work presents a lightweight and practical methodology for detecting inter-turn short-circuit faults in squirrel-cage induction motors under different mechanical load conditions. The proposed approach utilizes a one-dimensional convolutional neural network (1D-CNN) enhanced with residual blocks and trained on differentiated stator current signals [...] Read more.
This work presents a lightweight and practical methodology for detecting inter-turn short-circuit faults in squirrel-cage induction motors under different mechanical load conditions. The proposed approach utilizes a one-dimensional convolutional neural network (1D-CNN) enhanced with residual blocks and trained on differentiated stator current signals obtained under different load mechanical conditions. This preprocessing step enhances fault-related features, enabling improved learning while maintaining the simplicity of a lightweight CNN. The model achieved classification accuracies above 99.16% across all folds in five-fold cross-validation and demonstrated the ability to detect faults involving as few as three short-circuited turns. Comparative experiments with the Multi-Scale 1D-ResNet demonstrate that the proposed method achieves similar or superior performance while significantly reducing training time. These results highlight the model’s suitability for real-time fault detection in embedded and resource-constrained industrial environments. Full article
(This article belongs to the Special Issue Diagnosing Faults with Machine Learning)
Show Figures

Figure 1

Back to TopTop