Sign in to use this feature.

Years

Between: -

Subjects

remove_circle_outline
remove_circle_outline
remove_circle_outline
remove_circle_outline
remove_circle_outline

Journals

Article Types

Countries / Regions

Search Results (9)

Search Parameters:
Keywords = bogie angle

Order results
Result details
Results per page
Select all
Export citation of selected articles as:
27 pages, 4248 KB  
Article
Study of the Influence of the Two-Drive-Axle Bogie Parameters on the Three-Axle Vehicle Handling
by Vasyl Mateichyk, Anatolii Soltus, Eduard Klimov, Miroslaw Smieszek, Nataliia Kostian, Liudmyla Tarandushka and Nazar Marchuk
Machines 2025, 13(5), 394; https://doi.org/10.3390/machines13050394 - 9 May 2025
Viewed by 1277
Abstract
The presence of a bogie in three-axle vehicles when moving along a curved trajectory leads to deterioration in its handling and maneuverability. The paper developed a mathematical model of the elastic bogie wheel while moving along a curvilinear trajectory, according to which the [...] Read more.
The presence of a bogie in three-axle vehicles when moving along a curved trajectory leads to deterioration in its handling and maneuverability. The paper developed a mathematical model of the elastic bogie wheel while moving along a curvilinear trajectory, according to which the bogie wheel simultaneously participates in curvilinear and plane-parallel motion with a slip angle. Such movement of the bogie wheels develops significant lateral and longitudinal forces on the steered wheels, which leads to the movement of the steered wheels with slip, redistribution of the load on them, tire twisting, and a decrease in the steering angle of the outside steered wheel due to the elasticity of the steering trapezoid. Based on the mathematical model of the bogie wheel, an analytical dependence was obtained to determine the minimum turning radius of a three-axle vehicle. The reliability of the analytical dependencies characterizing the movement of the bogie wheel along a curvilinear trajectory was determined by comparing the minimum turning radii of a three-axle vehicle with the intermediate axle lowered and raised. It has been established that the minimum turning radius of a vehicle with a bogie increases compared to a two-axle vehicle and depends on the cornering stiffnesses of the tires of the bogie and steered wheels, the bogie and vehicle wheelbases, the kinematic and elastic parameters of the steering trapezoid, the direction of turning of the steered wheels, and the load on the steered and the bogie wheels. Full article
(This article belongs to the Section Vehicle Engineering)
Show Figures

Figure 1

14 pages, 6553 KB  
Article
Prediction of Ply Angles of Air Springs According to Airbag Positions and Their Effects on Lateral and Torsional Stiffness
by Hyoungwook Lee and Chul-Su Kim
Appl. Sci. 2022, 12(22), 11815; https://doi.org/10.3390/app122211815 - 21 Nov 2022
Cited by 5 | Viewed by 2762
Abstract
The stiffness in various directions of air springs have a great influence on the stability of high-speed trains. Due to the change in the bogie structure, the required functions of the air springs have also diversified, and the damping of various loading modes [...] Read more.
The stiffness in various directions of air springs have a great influence on the stability of high-speed trains. Due to the change in the bogie structure, the required functions of the air springs have also diversified, and the damping of various loading modes such as vertical, lateral, and torsional movements is emerging as important. The stiffnesses are affected by the shape of the air bag, the material, and the ply angles. In this paper, the relationship between the ply angle and the radial position is proposed by equations from deformation modes. The variable angles in the plies were compared and demonstrated in air-spring analysis using the rebar elements. The vertical, lateral, and torsional stiffness of air springs without auxiliary springs were compared between constant ply angles and variable ply angles with respect to the positions. When mainly dealing with the vertical stiffness, the effect of the angle variation was small; however, it was found that it had a large effect of more than 24% and 30% on the stiffness in the lateral direction and torsional direction, respectively. Full article
Show Figures

Figure 1

13 pages, 4744 KB  
Article
A Method of Predicting Critical Derailment Speed and Analysis of Derailment Process
by Ruodan Yu, He Ma, Jun Zhang and Yan Niu
Appl. Sci. 2022, 12(21), 11199; https://doi.org/10.3390/app122111199 - 4 Nov 2022
Cited by 1 | Viewed by 3454
Abstract
In order to study the derailment process and dynamic performance-changing rules of vehicles on a curved track, a method of calculating critical derailment speed is proposed, which is the progressive trial method. In terms of their theoretical basis and calculation results, compared with [...] Read more.
In order to study the derailment process and dynamic performance-changing rules of vehicles on a curved track, a method of calculating critical derailment speed is proposed, which is the progressive trial method. In terms of their theoretical basis and calculation results, compared with the two traditional methods (root locus method and limit cycle method) for calculating linear and nonlinear critical speed, the advantages of this method in studying derailment are proved, and its applicable conditions are explained. Taking CRH3 as an example, the critical derailment speed on different radius curves is calculated by the progressive trial method. At the critical derailment speed, the variation laws of wheel lifting, wheel–rail attack angle and dynamic index are analyzed. The discrete elastic contact analysis is used to observe the changes in the wheel–rail contact position and contact spot during derailment. The results show that with the increase in the curve radius and critical speed of derailment, the absolute values of lateral force, vertical forces and derailment coefficient increase at the same position of the line; when the impact angle between the front wheel of the front bogie and the rail increases to more than 0.06 rad, the train is in a critical derailment state. Full article
Show Figures

Figure 1

19 pages, 6417 KB  
Article
Mechanism of Derailment at the Guardrail Position of Turnout and a Reasonable Guardrail Interval Limit
by Pu Wang, Shuguo Wang and Zhenhua Zhao
Appl. Sci. 2022, 12(17), 8496; https://doi.org/10.3390/app12178496 - 25 Aug 2022
Cited by 3 | Viewed by 3729
Abstract
Recently, derailments have been occurring frequently at the guardrail position of double-slip turnouts. In order to provide a theoretical basis for effectively avoiding derailment at the guardrail position of turnouts, this study presented a derailment mechanism, discussed the rationality of the current guardrail [...] Read more.
Recently, derailments have been occurring frequently at the guardrail position of double-slip turnouts. In order to provide a theoretical basis for effectively avoiding derailment at the guardrail position of turnouts, this study presented a derailment mechanism, discussed the rationality of the current guardrail interval limit and its calculation method, and proposed a method for calculating the guardrail interval limit based on the vehicle running attitude and wheelset angle of attack. Based on the established calculation model, this paper calculated the guardrail interval limit for the main types of single turnouts and double-slip turnouts in China, and studied the main factors influencing the interval limit and corresponding patterns. The following conclusions were drawn. (1) In actual maintenance, it suggested to set the guardrail interval limit at 1365 mm, which can meet the requirements of the most turnouts and avoid wear incurred by vehicle–track interactions at the opening section of guardrails and derailment. (2) For single turnouts, the required guardrail interval limit becomes smaller with the decrease of the frog number, radius of the lead curve, and the increase in gage width. Further, the interval limit decreases when the endpoints of the lead curve and gage widening become closer to the buffer segment at the toe end of the guardrail. Adopting straight-track design at the restoring segment of gage widening is more likely to cause a larger twisting angle of the bogie than a curved-track design, and larger twisting angle means requiring a smaller guardrail interval limit. (3) For double-slip turnouts, the required guardrail interval limit is reduced with the decrease in the frog number and increase in gage width. The broken rail comprising the switch rail and stock rail in front of the guardrail can also enable the bogie to approach or reach the inscribing state, resulting in a negative impact not smaller than that produced by a curved rail. The larger the attack angle at the tip of the switch rail and the closer the tip of the switch rail and the end of gage widening to the buffer segment of the guardrail, the smaller the guardrail interval limit. Full article
(This article belongs to the Special Issue Design of Track System and Railway Vehicle Dynamics Analysis)
Show Figures

Figure 1

17 pages, 5677 KB  
Article
Numerical Investigation of the U-Steel Guard Rail Used in Train-to-Train Collision Tests
by Xianliang Xiao, Ping Xu, Shuguang Yao, Benhuai Li, Wei Guo and Hui Zhao
Machines 2022, 10(8), 666; https://doi.org/10.3390/machines10080666 - 8 Aug 2022
Cited by 3 | Viewed by 2455
Abstract
To reduce the occurrence of accidents during the train-to-train collision test, it is necessary to carry out research on derailment protection. According to the characteristics of the train-to-train collision test, a method of using a U-steel as a guard rail is proposed. The [...] Read more.
To reduce the occurrence of accidents during the train-to-train collision test, it is necessary to carry out research on derailment protection. According to the characteristics of the train-to-train collision test, a method of using a U-steel as a guard rail is proposed. The protection range of the guard rail is obtained through the geometric relationship. The protection ability and damage risks of the guard rail in different impact conditions, impact velocities, and installation positions are studied. Additionally, the section shape is optimized for multiple objectives. The results show that the guard rail can effectively reduce the lateral displacement and the rotation angle of the bogie within the protective range and protect the vehicle, but for some conditions, the damage risk of the guard rail itself is greater. The maximum stress of the optimized structure is reduced by 28.19%, which reduces the risk of damage, and the optimized guard rail still has a good protection ability. Full article
(This article belongs to the Section Vehicle Engineering)
Show Figures

Figure 1

14 pages, 4578 KB  
Article
Aerodynamics of High-Speed Trains with Respect to Ground Simulation
by Dennis Weidner, Daniel Stoll, Timo Kuthada and Andreas Wagner
Fluids 2022, 7(7), 228; https://doi.org/10.3390/fluids7070228 - 5 Jul 2022
Cited by 8 | Viewed by 5924
Abstract
Wind tunnel testing is commonly used to assess and optimize the aerodynamic characteristics of high-speed trains. The train model is usually mounted above a static ground plane, but a moving ground is necessary for the correct representation of the relative motion between train [...] Read more.
Wind tunnel testing is commonly used to assess and optimize the aerodynamic characteristics of high-speed trains. The train model is usually mounted above a static ground plane, but a moving ground is necessary for the correct representation of the relative motion between train and ground. This study focuses on the effect of the applied ground simulation on the aerodynamics of a high-speed train. Wind tunnel tests using a stationary and a moving ground were carried out using a 1:20 scale model of a high-speed train’s first car. Numerical simulations for two moving ground configurations are created, and the simulation setup is validated using surface pressure measurements from the wind tunnel tests. It is shown that the ground simulation has a significant effect on the drag in the considered yaw angle range. Additionally, the change in drag due to bogie fairings is evaluated and an impact of the applied ground simulation on the drag reduction is observed. The drag reduction of front and rear bogie fairings is valued similarly using a static ground, however on a moving ground the drag reduction of front bogie fairings is significantly increased. Good agreement between simulations and experiments is achieved. Full article
(This article belongs to the Special Issue Aerodynamics of Road Vehicles and Trains)
Show Figures

Figure 1

18 pages, 5125 KB  
Article
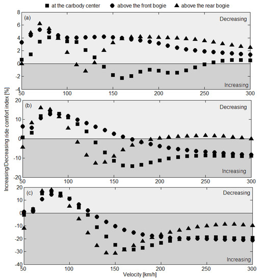
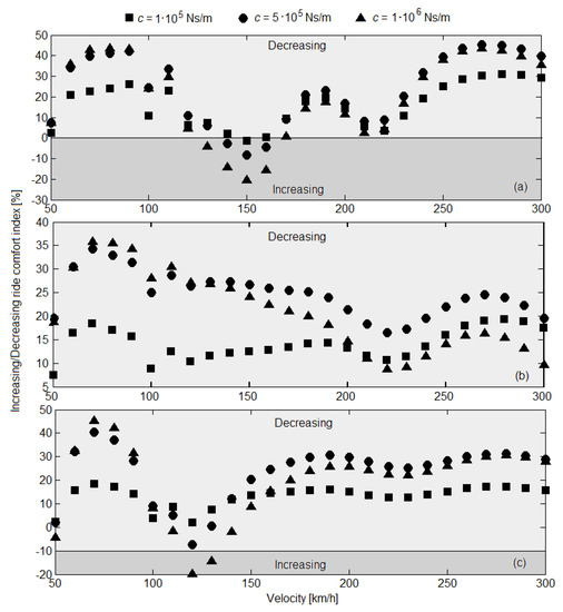
Effect of the Anti-Yaw Damper on Carbody Vertical Vibration and Ride Comfort of Railway Vehicle
by Mădălina Dumitriu and Dragoș Ionuț Stănică
Appl. Sci. 2020, 10(22), 8167; https://doi.org/10.3390/app10228167 - 18 Nov 2020
Cited by 15 | Viewed by 5069
Abstract
The theoretical research on means to reduce the vertical vibrations and improve the ride comfort of the railway vehicle relies on a mechanical model obtained from the simplified representation of the vehicle, while considering the important factors and elements affecting the vibration behaviour [...] Read more.
The theoretical research on means to reduce the vertical vibrations and improve the ride comfort of the railway vehicle relies on a mechanical model obtained from the simplified representation of the vehicle, while considering the important factors and elements affecting the vibration behaviour of the carbody. One of these elements is the anti-yaw damper, mounted longitudinally, between the bogie and the vehicle carbody. The anti-yaw damper reduces the lateral vibrations and inhibits the yaw motion of the vehicle, a reason for which this element is not usually introduced in the vehicle model when studying the vertical vibrations. Nevertheless, due to the position of the clamping points of the anti-yaw damper onto the carbody and the bogie, the damping force is generated not only in the yawing direction but also in the vertical and longitudinal directions. These forces act upon the vehicle carbody, impacting its vertical vibration behaviour. The paper analyzes the effect of the anti-winding damper on the vertical vibrations of the railway vehicle carbody and the ride comfort, based on the results derived from the numerical simulations. They highlight the influence of the damping, stiffness and the damper mounting angle on the power spectral density of the carbody vertical acceleration and the ride comfort index. Full article
(This article belongs to the Section Mechanical Engineering)
Show Figures

Figure 1

19 pages, 6449 KB  
Article
The Dynamic Performance Analysis of a Low-Floor Tram Hydraulic Anti-Kink System Based on Multidisciplinary Collaboration
by Xiaokang Liao, Zili Chen, Yiping Jia and Jianhui Lin
Energies 2020, 13(17), 4335; https://doi.org/10.3390/en13174335 - 21 Aug 2020
Cited by 3 | Viewed by 2641
Abstract
According to the basic principle of the hydraulic anti-kink system and flow continuity equation, this paper takes the low-floor tram as the research object and the four vehicles as the research carrier. Based on the correlation parameters between the vehicle subsystem and the [...] Read more.
According to the basic principle of the hydraulic anti-kink system and flow continuity equation, this paper takes the low-floor tram as the research object and the four vehicles as the research carrier. Based on the correlation parameters between the vehicle subsystem and the hydraulic subsystem, a co-simulation platform of a low-floor tram with hydraulic an anti-kink system is built. The co-simulation results show that the anti-kink system can well maintain the relative yaw angle consistency between the vehicle body and bogie. The anti-kink system restrains the maximum yaw angle and excessive lateral displacement of the vehicle body effectively. The consistency between the experiment results and the simulation results shows the accuracy of the model. The co-simulation model of the low-floor tram with hydraulic anti-kink system can be used to research the dynamic performance when it passes through curve line. Full article
Show Figures

Figure 1

16 pages, 3976 KB  
Article
Analysis on Steering Performance of Active Steering Bogie According to Steering Angle Control on Curved Section
by Hyunmoo Hur, Yujeong Shin and Dahoon Ahn
Appl. Sci. 2020, 10(12), 4407; https://doi.org/10.3390/app10124407 - 26 Jun 2020
Cited by 10 | Viewed by 5113
Abstract
In this paper, prior to the commercialization of a developed active steering bogie, we want to analyze steering performance experimentally according to steering angle level with the aim of obtaining steering performance data to derive practical design specifications for a steering system. In [...] Read more.
In this paper, prior to the commercialization of a developed active steering bogie, we want to analyze steering performance experimentally according to steering angle level with the aim of obtaining steering performance data to derive practical design specifications for a steering system. In other words, the maximum steering performance can be obtained by controlling the steering angle at the 100% level of the target steering angle, but it is necessary to establish the practical control range in consideration of the steering system cost increase, size increase, and consumer steering performance requirements and commercialize. The steering control test using the active steering bogie was conducted in the section of the steep curve with a radius of curvature of R300, and steering performance such as bogie angle, wheel lateral force, and derailment coefficient were analyzed according to the steering angle level. As the steering angle level increased, the bogie indicated that it was aligned with the radial steering position, and steering performance such as wheel lateral force and derailment coefficient was improved. The steering control at 100% level of the target steering angle can achieve the highest performance of 83.6% reduction in wheel lateral force, but it can be reduced to about one-half of the conventional bogie at 25% level control and about one-third at 50% level. Considering cost rise by adopting the active steering system, this result can be used as a very important design indicator to compromise steering performance and cost rise issues in the design stage of the steering system from a viewpoint of commercialization. Therefore, it is expected that the results of the steering performance experiment according to the steering angle level in this paper will be used as very useful data for commercialization. Full article
(This article belongs to the Section Acoustics and Vibrations)
Show Figures

Figure 1

Back to TopTop