The Dynamic Performance Analysis of a Low-Floor Tram Hydraulic Anti-Kink System Based on Multidisciplinary Collaboration
Abstract
:1. Introduction
2. Model of Hydraulic Anti-Kink System
2.1. Structure of Anti-Kink System
2.2. Mathematical Model of Anti-Kink System
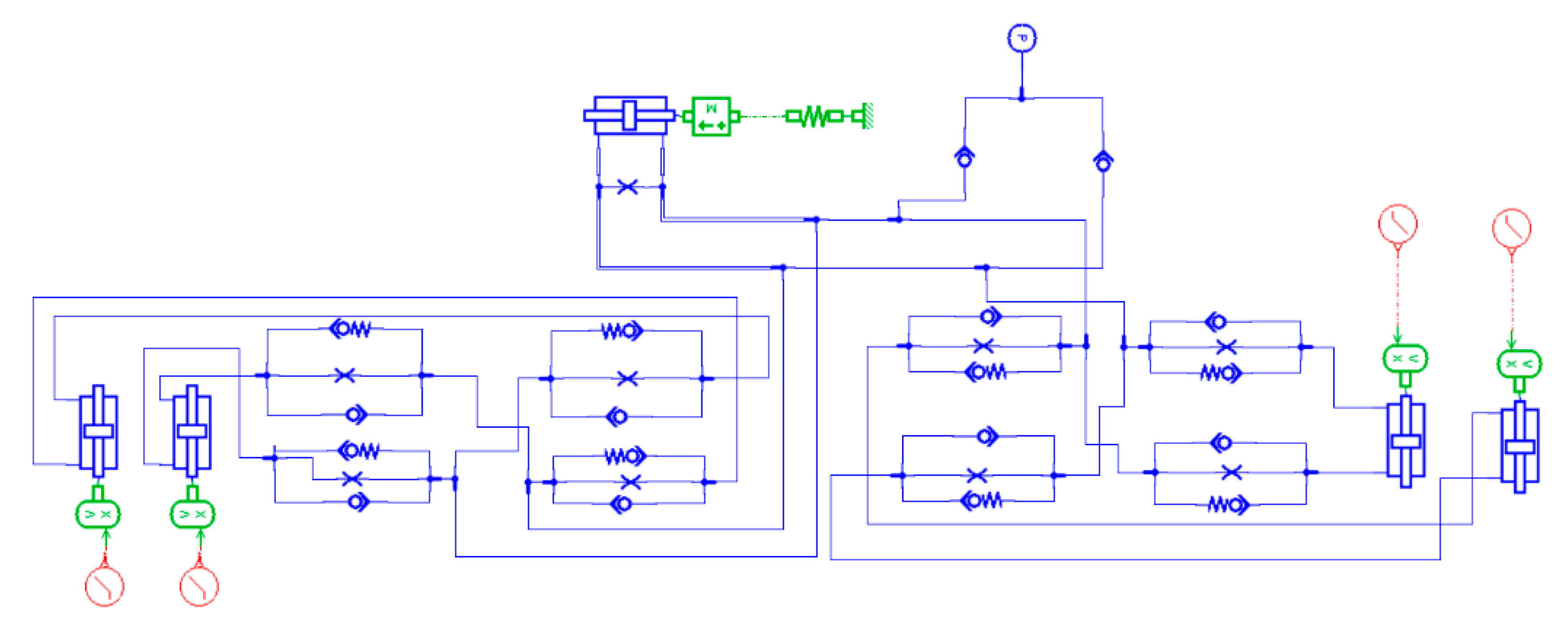
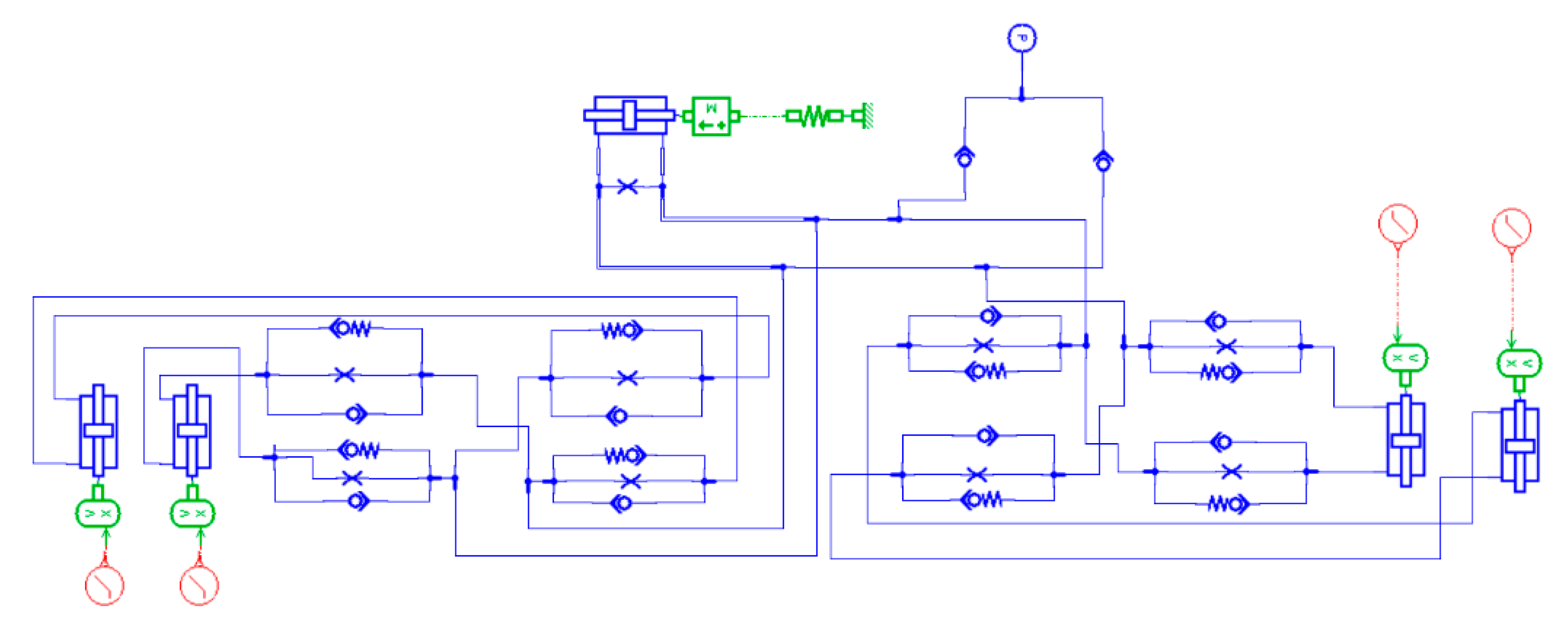
2.3. AMESim Model of Anti-Kink System
3. SIMPACK Model of Low-Floor Tram
4. The Co-Simulation of SIMPACK/AMESim/Simulink
5. Influence of the Anti-Kink System on Vehicle Dynamic Performance
5.1. Evaluation Index of Dynamic Performance
5.1.1. Derailment Coefficient
5.1.2. Wheel Unloading Rate
5.1.3. Wheel–Rail Lateral Force
5.1.4. Vehicle Running Stability Index
5.2. S-Shaped Curve Line
5.3. C-Shaped Curve Line
6. Experiment
7. Discussion
- (1)
- The area of the throttle valve and the size of piston are not very accurate in the hydraulic anti-kink system.
- (2)
- When passing through a small curve, the wheel rail resistance is very large, and the actual running speed cannot be as constant as the simulation environment.
- (3)
- In the actual operation process, M, Mc1, and Mc2 vehicles have power, and the drive system has the ability of traction torque control. However, the simulation process relies on the No. 9 hinge to simulate the vehicle operation conditions, which is different from the real situation.
Author Contributions
Funding
Conflicts of Interest
References
- Goodall, R.M.; Kort, W. Mechatornic developments for railway vehicles of the future. Control Eng. Pract. 2002, 10, 887–888. [Google Scholar] [CrossRef]
- Hoshi, M.; Ookubo, Y.; Nonaka, H.; Yamaguchi, M.; Arai, T.; Kono, H. First 100% Domestic Low Floor Tram. Mitsubishi Heavy Ind. Tech. Rev. 2006, 43, 1–2. [Google Scholar]
- Hondius, H. Three-stage programme put combino tramsback on track. Railw. Grazette Int. 2005, 161, 615–618. [Google Scholar]
- Hondius, H. The development of low-flow trams. J. Adv. Transp. 1993, 27, 79–102. [Google Scholar] [CrossRef]
- Uhl, T.; Chudzikiewicz, A. Analytical and experimental investigation of low-floor tram dynamics. Veh. Syst. Dyn. 2002, 37, 702–713. [Google Scholar] [CrossRef]
- Zhang, X.; Huang, Y.H. Influence of anti-kink system on curve negotiation performance of low-floor tram. Urban Rail Transit Res. 2018, 21, 111–116. [Google Scholar]
- Huang, Y.P.; Ji, Y.J.; Gong, D.; Leng, H.; Ren, L.H. Research on the influence of hydraulic anti-kink system on the curve negotiation performance of trams. J. Mech. Eng. 2019, 55, 162–171. [Google Scholar]
- Zhu, W.L.; Wu, M.L.; Tian, C.; Zuo, J.Y. Integrated simulation platform for rail vehicle braking system based on multidisciplinary collaborative analysis. J. Transp. Eng. 2017, 17, 99–110. [Google Scholar]
- Li, J.; Zhu, X.L.; Ren, L.H. Analysis of damping characteristics of hydraulic anti-kink system for low-floor light rail vehicles. J. Tongji Univ. 2017, 45, 1044–1049. [Google Scholar]
- Wang, Y.Q.; Deng, B.; Yang, F. Design and simulation analysis of anti-kink system based on AMESim. Mach. Tool Hydraul. 2019, 47, 59–61. [Google Scholar] [CrossRef]
- Ding, W.S.; Tian, Y.Q.; Xiong, Y.L. Research on damping characteristics of anti-kink hydraulic system of low-floor light rail vehicle. Mach. Tool Hydraul. 2019, 47, 71–74. [Google Scholar]
- Liu, X.; Fang, Y. Simulation of curving performance of rubber tyred suspended rail vehicles. J. Shanghai Univ. Eng. Technol. 2015, 29, 298–302. [Google Scholar]
- Wang, K.Y.; Zhai, W.M.; Liu, J.X.; Feng, Q.B.; Cai, C.B. Research on lateral dynamic interaction between speed-up train and curved track. China Railw. Sci. 2005, 06, 40–45. [Google Scholar]
- Zboinski, K.; Dusza, M. Bifurcation analysis of 4-axle rail vehicle models in a curved track. Nonlinear Dyn. 2017, 89, 863–885. [Google Scholar] [CrossRef]
- Fulks, W.B.; Guenther, R.B.; Roetman, E.L. Equations of Motion and Continuity for Fluid Flow. Acta Mech. 1971, 12, 121–129. [Google Scholar] [CrossRef]
- Nadal, M.J. Theorie de stabilit’ e des Locomotives, part 2, Mouvement de Lacet. Ann. Mines 1896, 10, 230–232. [Google Scholar]

























| Name | Value |
|---|---|
| Piston diameter of control cylinder (mm) | 50 |
| Piston rod diameter of control cylinder (mm) | 30 |
| Orifice area of throttle valve (mm2) | 1.28 |
| Oil density (kg/m3) | 842 |
| Bulk modulus of oil (GPa) | 1.46 |
| Description | Mc1 | T | M | Mc2 |
|---|---|---|---|---|
| Vehicle body mass (kg) | 10,221 | 9233 | 7793 | 9983 |
| Unspring mass per wheelset (kg) | 720 | 875 | 720 | 720 |
| Bogie mass (Not include unspring mass) (kg) | 3430 | 1540 | 3420 | 3430 |
| Roll inertia of bogie (Not include unspring mass) (kg·m3) | 2500 | 790 | 2500 | 2500 |
| Pitch inertia of bogie (Not include unspring mass) (kg·m3) | 1000 | 500 | 1000 | 1000 |
| Yaw inertia of bogie (Not include unspring mass) (kg·m3) | 3050 | 1200 | 3050 | 3050 |
| Vertical Vibration | Lateral Vibration | ||
|---|---|---|---|
| 0.5–5.9 Hz | 0.5–5.4 Hz | ||
| 5.9–20 Hz | 5.4–26 Hz | ||
| >20 Hz | >26 Hz | ||
| Stability Level | Evaluation Result | Stability Index | |
|---|---|---|---|
| Passenger Train | Freight Train | ||
| Class A | excellent | <2.5 | <3.5 |
| Class B | good | 2.5–2.75 | 3.5–4.0 |
| Class C | qualified | 2.75–3.0 | 4.0–4.25 |
| Line Condition | Data Source | Vehicle | Max (deg) | Min (deg) | Error |
|---|---|---|---|---|---|
| S-shaped curve line | Simulation | Mc1 | +2.42 | −2.34 | 13.1%/1.3% |
| Experiment | Mc1 | +2.14 | −2.31 | ||
| Simulation | T | +1.99 | −2.20 | 5.2%/3.5% | |
| Experiment | T | +2.10 | −2.28 |
| Line Condition | Data Source | Vehicle | Max (deg) | Min (deg) | Error |
|---|---|---|---|---|---|
| R = 25 m | Simulation | Mc1 | +2.29 | −2.33 | 2.1%/3.6% |
| Experiment | Mc1 | +2.34 | −2.25 | ||
| Simulation | T | +2.25 | −1.96 | 2.6%/5.8% | |
| Experiment | T | +2.31 | −2.08 | ||
| C-shaped curve line | Simulation | Mc1 | +2.39 | −2.32 | 16.6%/0.4% |
| Experiment | Mc1 | +2.05 | −2.33 | ||
| Simulation | T | +1.92 | −2.24 | 4.5%/1.8% | |
| Experiment | T | +2.01 | −2.28 |
© 2020 by the authors. Licensee MDPI, Basel, Switzerland. This article is an open access article distributed under the terms and conditions of the Creative Commons Attribution (CC BY) license (http://creativecommons.org/licenses/by/4.0/).
Share and Cite
Liao, X.; Chen, Z.; Jia, Y.; Lin, J. The Dynamic Performance Analysis of a Low-Floor Tram Hydraulic Anti-Kink System Based on Multidisciplinary Collaboration. Energies 2020, 13, 4335. https://doi.org/10.3390/en13174335
Liao X, Chen Z, Jia Y, Lin J. The Dynamic Performance Analysis of a Low-Floor Tram Hydraulic Anti-Kink System Based on Multidisciplinary Collaboration. Energies. 2020; 13(17):4335. https://doi.org/10.3390/en13174335
Chicago/Turabian StyleLiao, Xiaokang, Zili Chen, Yiping Jia, and Jianhui Lin. 2020. "The Dynamic Performance Analysis of a Low-Floor Tram Hydraulic Anti-Kink System Based on Multidisciplinary Collaboration" Energies 13, no. 17: 4335. https://doi.org/10.3390/en13174335
APA StyleLiao, X., Chen, Z., Jia, Y., & Lin, J. (2020). The Dynamic Performance Analysis of a Low-Floor Tram Hydraulic Anti-Kink System Based on Multidisciplinary Collaboration. Energies, 13(17), 4335. https://doi.org/10.3390/en13174335

