Abstract
The systems of poloidal field coils in D-shaped Tokamaks such as ITER, EAST, JET, ASDEX Upgrade, TCV, GLOBUS-M2, DIII-D, SPARC, IGNITOR, JT-60SA, DEMO-9.1, DEMO-1.6, T-15MD, and TRT are analyzed for their efficiency in the application of plasma position, current, and shape control systems in these Tokamaks. The problem of magnetic plasma control in Tokamaks is presented. A methodology for designing hierarchical cascade systems of magnetic plasma control in D-shaped Tokamaks has been developed on the basis of generalizations of existing plasma magnetic control systems. The hierarchical levels are as follows: multivariable robust cascade control level, adaptation level, artificial intelligence level, and decision-making level. To implement these systems in the practice of physical experimentation, it is proposed to use digital twins, the basis of which is a real-time digital testbed created by Lomonosov Moscow State University and the Trapeznikov Institute of Control Sciences of the Russian Academy of Sciences.
1. Introduction
1.1. State-of-the-Art
Toroidal vessels with magnetic coils, namely Tokamaks, are currently the leaders in the fusion race [1,2]. In [3,4,5,6,7], a review of the control systems for the plasma position, current, and shape was made both for Tokamaks with a circular cross-section and for Tokamaks with a vertically elongated cross-section (D-shaped Tokamaks). As a result, it turned out that the generalized scheme of such systems has the form shown in Figure 1. In general, the magnetic plasma control system consists of an internal circuit for controlling currents in the poloidal field (PF) coils, which also includes a current control circuit in the central solenoid (CS) to control plasma current by the transformer principle, and an external current and plasma shape control circuit (see Figure 1). Plasma shape control requires an algorithm for plasma equilibrium reconstruction in the feedback loop. Two different approaches are used: isoflux control (alignment of magnetic signals at the plasma separatrix) and control of gaps between the plasma boundary and the first wall. The first method is used on DIII-D, TCV, MAST-U, NSTX-U, KSTAR, and EAST Tokamaks with various modifications. The second method is used on JET, ASDEX Upgrade, and ITER Tokamaks. This stabilizes the vertical position of the plasma, or its vertical velocity relative to the zero value, as well as the horizontal position of the plasma by means of the two-dimensional controller C1. In the development of any Tokamak, it is necessary to solve many different problems simultaneously, which leads to the need to simultaneously meet many different criteria, i.e., it is a multi-criteria problem.
Figure 1.
Schematic diagram of the magnetic plasma control system of vertically extended Tokamaks: A1 and A2 are actuators, and C1, C2, and C3 are controllers of plasma position, currents in the PF-coils, and plasma shape, respectively. Diagnostics are included in the Tokamak unit.
When designing Tokamaks, it is necessary to consider the following basic provisions related to high-temperature plasma control systems:
- D-shaped Tokamaks without plasma position, current, and shape control systems are inoperable (Figure 1);
- The design of poloidal systems for D-shaped Tokamaks must be carried out together with the control systems of plasma position, current, and shape (a Poloidal system is a system of poloidal field coils located around the vacuum vessel of the Tokamak (PF coils));
- Efficient plasma control systems lead to improved Tokamak operating modes and a reduced risk of major discharge disruptions;
- Further development of integrated systems of magnetic (position, current, and shape) and kinetic (safety factor q, density, pressure, and temperature profiles) plasma control in Tokamaks should lead primarily to the prevention of major plasma disruptions, which is essential for the operation of fusion power plants based on Tokamaks and the optimal modes of their operation.
On the basis of these provisions in this paper, the following tasks are set:
- ✓
- To analyze the poloidal systems of modern Tokamaks and some of their projects;
- ✓
- To pose the problem of magnetic plasma control in Tokamaks;
- ✓
- To develop a methodology for the design of hierarchical cascade magnetic plasma control systems in D-shaped Tokamaks for the purpose of further developing this class of control systems.
1.2. Motivation
The field of plasma magnetic control in modern Tokamaks is very important and complex for their operation because the plasma is gas in a restricted volume with distributed time-varying parameters. In spite of that, during the long history of Tokamaks, 226 Tokamaks were created, and about 50 of them are operating now (http://www.tokamak.info (accessed on 14 December 2022)). Plasma magnetic control systems are of the utmost priority to start and exploit modern Tokamaks, and so far, they require new methods and new ideas to improve their performance and stability, especially for future fusion stations.
1.3. Novelty
In this paper, the new methodology of robust cascade hierarchical plasma control systems is suggested on the basis of some generalizations of plasma magnetic control systems in Tokamaks.
1.4. Paper Structure
After Introduction Section 2 presents a set of poloidal systems for operating D-shaped Tokamaks and some of their projects. In Section 3, a comparative analysis of the presented poloidal systems is carried out. Section 4 describes the plasma magnetic control problems in Tokamaks, namely the plant under control, plasma models, and control itself: performance and stability margin estimation. Section 5 shows a new methodology for designing hierarchical cascade systems of magnetic plasma control in D-shaped Tokamaks. In Section 6, the real-time test bed for plasma magnetic control in Tokamaks is demonstrated, and the results of real-time simulations on the testbed of the plasma position, current, and shape control system with the plasma reconstruction algorithm in the feedback are shown.
2. Poloidal Systems of D-Shaped Tokamaks
First of all, the poloidal system, the system of poloidal field coils around the vacuum vessel, should provide the desired plasma configurations in the discharges at the selected set of coils. This provision is the first priority in the design of Tokamaks. With this, one should start the design of the poloidal system of a D-shaped Tokamak, but this is not enough to provide the necessary quality of control of the plasma position, current, and shape in a closed control system, as well as the necessary sufficiently large margins of robust stability. It is also necessary to take into account ensuring the feedback system’s proper conditionality and internal stability, as well as the minimization of the control power, which is a very difficult task for which one must correctly design the poloidal system. These problems have not been completely solved, and further professional work in these areas is needed for future fusion reactors and fusion power plants. We present the characteristics of the poloidal systems of a number of D-shaped Tokamaks, which allow us to assess the picture of different placements of the coils of the central solenoid and the poloidal field in order to identify patterns that may be useful for the design of new Tokamaks. In the Tokamak labels in Figure 2, Figure 3, Figure 4, Figure 5, Figure 6, Figure 7 and Figure 8, the first number is the value of the major radius of the Tokamak in meters, and the second number is the value of the aspect ratio (ratio of the major radius to the minor radius of the Tokamak).
Figure 2.
Tokamaks (a) ITER–6.2-3.1 and (b) EAST–1.8–4.01. Colors: (a) vacuum vessel is red, PF-coils and CS are yellow, (b) vacuum vessel is green, PF-coils and CS are red.
Figure 3.
Tokamaks (a) JET-2.96–3.08, the magnet is orange, PF-coils are red, toroidal coil is green, vacuum vessel is gray; (b) ASDEX Upgrade-1.65–3.1 Dot line is the axis of the tokamak.
Figure 4.
Tokamaks (a) TCV–0.88–3.5. Level lines are blue, A, B, C, D, E, F are PF-coils, G are horizontal field coils. (b) GLOBUS-M2–0.36–1.5. The TF-coil is yellow, separatrix is red, the magnetic loops are red dots, CS is gray, PF is poloidal field, CC is correction coil, HFC is horizon field coil, VFC is vertical field coil, g1–g6 are gaps, the black arrows are directions of measuring of the gaps, Z is vertical axis, R is horizontal axis.
Figure 5.
Tokamaks (a) DIII-D–1.66–2.48; (b) SPARC-1.85–3.24. The toroidal field coil is light grey. The central solenoid and poloidal field coils are blue. Error-field correction coils are orange-red. The vacuum vessel is dark grey. The ICRH antenna is pink. The divertor and first limiting surfaces are black. Vertical stability plates are green. The plasma separatrix is red.
Figure 6.
Tokamaks (a) IGNITOR–1.32–2.8. PF-coils are blue, the plasma us yellow, HFCU, HFCL are red, VFCU, VFCL are green; (b) JT-60SA–2.96–2.5.
Figure 7.
Tokamaks (a) DEMO-9.1–3.1 and (b) DEMO-1.6–1.7 module on the spherical Tokamak. The module with aspect ratio A = 1.6, elongation K = 3, triangularity = 0.5, major radius R = 1.6 m, magnetic field B(R) = 3.17 T and plasma current Ipl = 6.7 MA. Blanket is green, TF conductor is light blue, PF coils are dark blue, vacuum vessel is blue, the shield is yellow.
Figure 8.
Tokamaks (a) T-15MD-1.48–2.2 и (b) TRT-2.15–3.77.
ITER (Figure 2a). In the original ITER poloidal system, a special design feature was made: with a major Tokamak radius of 6.2 m, the vertical controllability region for vertical plasma instability was very small, only 3–4 cm. Going beyond this area leads to the loss of stability of the plasma control system, which leads to the accident of the installation. To correct that feature, a new engineering solution was found: horizontal magnetic field coils were introduced inside the ITER vacuum vessel [8], which allowed the vertical control region to be expanded by an order of magnitude with a limited voltage on these coils. This is a well-known position in control theory: when the input effect is limited when controlling an unstable plant, the controllability region of the output signal is also limited [9], which was not taken into account in the design of the ITER poloidal system. In the previous version of ITER with a self-sustaining fusion reaction [7,10], this problem did not arise because the plasma in the Tokamak was slower and the present PF-coils were sufficient to stabilize the shape and position of the plasma simultaneously. Anyway, all modern Tokamaks are working in support of ITER to achieve its main goals: starting ITER, providing its basic scenarios, achieving the plasma with a thermonuclear reaction of Q > 10, basic technologies including plasma magnetic and kinetic control, and so on.
EAST (Figure 2b). Tokamak EAST was designed as a reduced, about 3.4 times smaller in major radius (see Figure 2), copy of ITER with the repetition of the introduction of horizontal field coils in the vacuum vessel [11]. The motivation for such a decision is to simulate in a reduced scale all modes of operation of ITER, although without the fusion reaction, because it is the reduced size of EAST and in this case does not allow to overcome the Lawson criterion to achieve ignition.
JET (Figure 3a). JET has a major radius of 3 m, and the D-shaped vacuum vessel is 2.5 m wide and 4.2 m high [1]. The total plasma volume within it is 100 cubic meters. In 1991, the first experiments including tritium were made, allowing JET to run on the production fuel of a 50–50 mix of tritium and deuterium. In 1997, JET set the record for the closest approach to scientific breakeven. It attained Q = 0.67, producing 16 MW of fusion energy while injecting 24 MW of thermal power to heat the fuel, a record that endured until 2021.
ASDEX Upgrade (Figure 3b). This Tokamak has 9 PF-coils, CS in one section, and fast plasma position control coils located between toroidal field (TF) coils and the vacuum vessel [12].
TCV (Figure 4a). Tokamak à Configuration Variable has a set of coils A, B, C, and D that are dedicated to inducing the electric field for driving the plasma current and are commonly referred to as ohmic coils. The G coil located within the vacuum vessel is designed to generate an axisymmetric radial field faster than the unstable growth rate of most elongated plasmas (Figure 4a) [13]. This allows the fast output stage of the G-coil power supply, which is an H-bridge IGBT inverter operating in PWM at a switching frequency of 10 kHz.
GLOBUS-M2 (Figure 4b). The poloidal system of that spherical Tokamak is combined: two PF-coils are located outside the TF-coils, and other PF-coils are inside the TF-coils [14]. There are two control systems with current inverters as actuators for plasma position control and a set of control systems for the control of currents in the PF-coils [15].
DIII-D (Figure 5a). In that Tokamak for plasma shape, the isoflux control is applied to level the magnetic flux on the separatrix. As this takes place, the speed of the plasma’s vertical position is stabilized around zero [16].
SPARC (Figure 5b). The Tokamak project has 8 PF coils, 6 CS coils, 6 correction coils, and 2 coils inside the vessel, for a total of 22 coils. SPARC is the most important next step on the way to the commercial use of fusion energy. SPARC is designed with a strong field (B0 = 12.2 T), as a compact (R0 = 1.85 m, a = 0.57 m), superconducting, D-T Tokamak, in order to obtain for the first time the burning gain Q > 2 from plasma with magnetic confinement [17].
IGNITOR (Figure 6a). The Tokamak project has 16 PF coils, 14 6 CS coils, 2 HFC coils, and 1 VFC coil, for a total of 33 coils. Two new coils, namely HFC and VFC, were introduced into the poloidal system [18]. IGNITOR is the Tokamak project, which is the closest to ignition.
JT-60SA (Figure 6b). Tokamak has 6 PF coils, 4 CS coils, 4 inner vessel coils, and in whole 14 coils. The JT-60 was planned to be disassembled and then upgraded to the JT-60SA by adding niobium-titanium superconducting coils. It was assumed that the JT-60SA would be able to handle the same plasma shape as ITER. The central solenoid was designed to use niobium-tin because of the higher (9 Tesla) field [19]. The JT-60SA Tokamak will be capable of confining break-even equivalent class high-temperature deuterium plasmas at a plasma current Ip of 5.5 MA and a major radius of ∼3 m lasting for a duration longer than the timescales characteristic of plasma processes, pursuing full non-inductive steady-state operation with high plasma beta close to and exceeding no-wall ideal stability limits, and establishing ITER-relevant high density plasma regimes well above the H-mode power threshold.
DEMO-9.1 (Figure 7a). Now there are two roadmaps for creating the first fusion power plant DEMO: on a Tokamak with a large aspect ratio of about 3, and on a modular type on a series of relatively small modules in the form of spherical Tokamaks with a small aspect ratio of about 1.5 [20]. The first roadmap leads to the creation of cyclopean-sized DEMOs with a large radius of the order of 9–10 m and unreasonably expensive power. The leader in the development of such a DEMO is Europe [21], and the terms of commissioning are billed as 2060–2075. A poloidal system copied one-to-one from ITER with horizontal field coils inside the vacuum vessel is proposed for the giant DEMO.
DEMO-1.6 (Figure 7b). The second roadmap says that the DEMO modular type can be created in about 10 years on spherical Tokamaks. In this case, it is proposed to create first one module, on which all the technologies of DEMO will be worked out, and then from a number of modules, assemble a complete fusion power plant. In [20], an estimate of the cost of electricity from such a power plant is made: about 6 US cents per kilowatt-hour of energy.
T-15MD (Figure 8a). The T-15MD poloidal system [22] is copied from ITER and has three CS sections and six PF coils. By placing the PF-coils between the TF coil and the vacuum vessel to stabilize the vertical position of the plasma, it was possible to correct the error of the poloidal system copied from ITER [23,24,25] and get rid of the internal instability of the plasma vertical position control system.
TRT (Figure 8b). This Tokamak project with reactor technologies also has an ITER-like poloidal system: four CS sections and six PF coils [26]. In TRT, fusion neutrons are flown out of the Tokamak and into uranium or thorium in the blanket, causing nuclear reactions in the blanket. It is the symbiosis of a fusion reactor with a nuclear reactor. Then everything happens as in a conventional nuclear power plant: neutrons are produced, and these neutrons can heat water, obtain steam, and rotate the generator to produce electricity. In principle, the hybrid reactor can not only produce electricity but also nuclear fuel for nuclear power as well as the transmutation of minor actinides, which will not need to be buried.
3. Analysis of Poloidal Systems of D-Shaped Tokamaks
From the given data on the Tokamaks poloidal field coils, the tendency to increase the number of these coils is clearly visible. This is explained by the fact that the plasma in Tokamaks is a dynamic plant with distributed parameters, so for greater efficiency in terms of input-output controllability, control quality, and margins of robust stability of magnetic plasma control systems, the poloidal systems should approach the distributed control systems, which leads to an increase in the number of PF-coils surrounding the vacuum vessel.
Comparing and analyzing the poloidal systems of the D-shaped Tokamaks, namely ITER, EAST, JET, ASDEX Upgrade, TCV, GLOBUS-M2, DIII-D, SPARC, IGNITOR, JT-60SA, DEMO-9.1, DeMO-1.6, T-15MD, and TRT, shown in Figure 2, Figure 3, Figure 4, Figure 5, Figure 6, Figure 7 and Figure 8, one can note some regularities:
- (1)
- The initial design of the ITER poloidal system (6 CS sections, 6 PF coils) led to a miserable vertical control area of unstable plasma with a limited control coil voltage, which forced the horizontal field coils to be placed inside the vacuum chamber [8];
- (2)
- Such a poloidal system is repeated in a number of Tokamaks, e.g., EAST [11], DEMO-9.1 [21], JT-60SA [19], etc.;
- (3)
- This poloidal system was not repeated in such current Tokamaks as ASDEX Upgrade, [19] and Globus-M2 [22]. In the ASDEX Upgrade the stabilization of the vertical position of the plasma is achieved by placing the PF coils of the horizontal field between the vessel and the TF-coil, and in the Globus-M2 Tokamak, through 4 HFC coils inside the TF-coil. The same design of plasma poloidal system regarding plasma vertical stabilization as in ASDEX Upgrade has been conducted in T-15MD [24,25];
- (4)
- The most advanced poloidal systems are used in SPARC (Figure 5b), IGNITOR (Figure 6a), and TCV (Figure 4a) because they contain poloidal field coils in sufficiently large numbers and are located fairly evenly around the D-shaped vacuum vessel [18]. The fact is that plasma in a Tokamak (gas in a closed volume) is a plant under control with distributed parameters, so it is best to use a controller with distributed parameters to control it most effectively. An example of such a controller are passive structures located around the plasma, in particular the copper shell for round Tokamaks of the past. In passive structures, Foucault currents are induced and inhibit (dampen) the plasma motion. This is the so-called direct-action controller [27]. This controller is energized not from outside but entirely at the expense of the energy of the controlled plant itself, in this case, plasma. To actively influence the plasma in controlling its position and shape, PF coils are used, which are placed around the plasma either completely inside the vessel (Tokamak MAST), outside the vessel completely, or both inside and outside the vessel. The more PF coils used to control the plasma shape, the closer the control system will be to a control system with distributed parameters;
- (5)
- Tokamaks with a large aspect ratio on the order of 3–5 lead to giant-size fusion power plants with a large radius of 8–10 m and an unreasonably high cost of electricity [20,21];
- (6)
- Spherical Tokamaks with aspect ratios on the order of 1.5–1.7 make it possible to create modular fusion power plants with a competitive cost of electricity on the order of 6 US cents per 1 kWh [20];
- (7)
- Many DEMO projects with a large aspect ratio copy the ITER poloidal system, with few exceptions [6].
4. Statement of Plasma Magnetic Control in Tokamaks
The statement of the problem has four basic directions:
- Time-varying parameters plasma models’ production on the basis of the first principal equations and experimental data from operating Tokamaks;
- Development of plasma control systems in stabilization, tracking, and disturbance rejection regimes in finite time intervals;
- As in ITER, in RF Tokamaks, namely Globus-M2, T-15MD, and TRT, there are four gaps between the separatrix and the first wall and displacements of two strike points of the separatrix. These output signals are reconstructed on-line by the plasma reconstruction code, namely Improved Moving Filaments [28] or FCDI (Flux-Current Distribution Identification) [29]. These signals are the plasma outputs, which are under the control of plasma magnetic control systems. Simulation of control systems when a plasma equilibrium reconstruction code is included in the feedback for online plasma boundary estimation;
- Implementation of plasma control systems on Tokamaks to conduct physical experiments.
4.1. Controlled Plant
The Globus-M2 Tokamak (Figure 4b) is used in this work as an experimental example for the problem of magnetic control of plasma in Tokamaks (Figure 9). The vertical cross-section of the Globus-M2 Tokamak with the locations of PF coils is presented in Figure 4b. The main parameters of this spherical Tokamak are as follows: the major radius R0 = 0.36 m, the minor radius a = 0.24 m, the maximum plasma current IP max = 0.35 MA, the maximum toroidal magnetic field Bt max = 0.6 T, aspect ratio A = 1.5, and an elongation of about 2.2 [14].
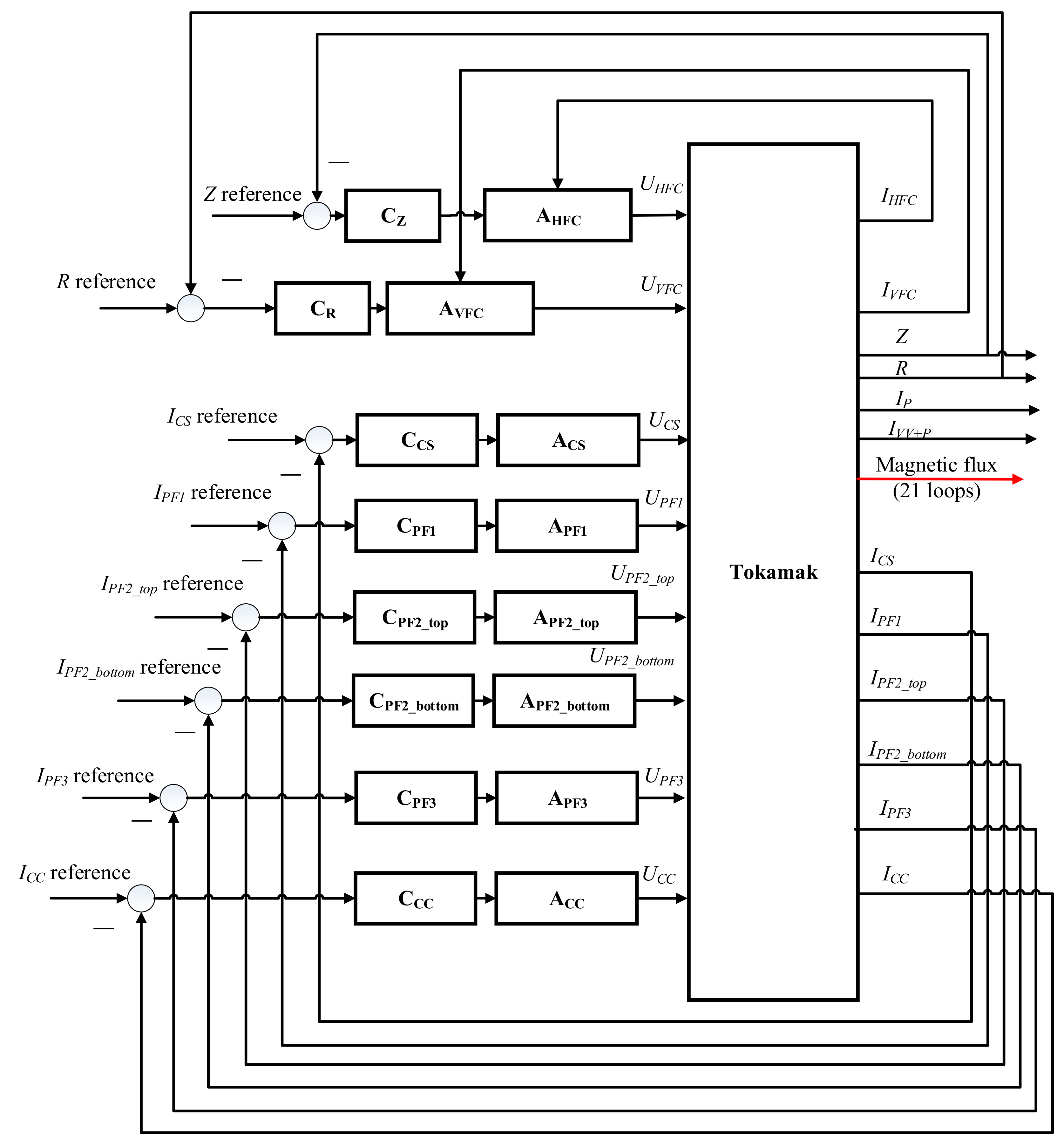
Figure 9.
Block diagram of the plasma control system operating in the Globus-M/M2 Tokamak: CZ, CR, CCS, CPF1, CPF2_top, CPF2_bottom, CPF3, and CCC are analog controllers; AHFC, AVFC, ACS, APF1, APF2_top, APF2_bottom, APF3, and ACC are actuators.
The magnetic diagnostics system for the Globus-M2 Tokamak is as follows: Rogowski coils measuring the currents in the PF-coils (IHFC, IVFC, and IPF-CS), VV (IVV), and plasma current (IP), where HFC is the horizontal field coil and VFC is the vertical field coil (Figure 9); 21 flux loops measuring the magnetic flux ΨM outside the VV.
The poloidal system of Globus-M2 (Figure 4b) permits modeling ITER’s (http://www.iter.org/, accessed on 14 December 2022) magnetic configurations. In ITER, the plasma configurations have only one lower X-point, but in the Globus-M2 Tokamak experimental data, there are a set of magnetic configurations with an upper X-point, a lower X-point, and two X-points. The plasma boundary is the separatrix, i.e., the magnetic surface containing the most plasma inside the VV. In Figure 4b, the plasma equilibrium configuration is shown with the lower X-point corresponding to the points P3–P6 on the first wall for controlling the gaps between the separatrix and the first wall g3–g6 and displacements of the strike points g1–g2.
To create the gaps’ displacements, one tracks the coordinates of six points on the separatrix: strike points g1–g2, the rightmost g3, lowermost g5, and leftmost g6 points of the separatrix, and the point g4 in the middle between the points g3 and g5. The displacement vectors are given as the difference between the coordinates of these points and their scenario values. The gaps’ displacements are calculated as projections of the displacement vectors on the corresponding gaps’ vectors presented in Figure 4b.
4.2. Models of Plasma
The Tokamak plasma is the plant under control with distributed parameters having nonlinear time-varying dynamics. Linear controllers in the magnetic feedback stabilize the plasma position, current, and shape in a set of operating Tokamaks with a vertically elongated cross-section and an unstable plasma vertical position [4]. This is possible in reality because the feedback control systems provide relatively small deviations (errors) of dynamical plant outputs from their reference values corresponding to plasma equilibrium in compliance with the Grad-Shafranov equation [1,30]. For this reason, the magnetic plasma linear control systems may be synthesized and tuned on the basis of linear plasma models. Such linear models are usually obtained in the following ways:
- Linearization of plasma nonlinear equations;
- Some numerical linearization procedures of nonlinear plasma-physics codes [7,31,32];
- Using the first principal equations,
- In [33], another technique for obtaining linear plasma models from experimental observations was proposed. In this case, the plasma equilibrium is reconstructed from the recorded experimental signals using reconstruction codes, for example, FCDI [29], and then linear plasma models are obtained from the equilibria reconstructed at given time moments during the discharge. This approach makes it possible to construct linear, time-varying models for the development and investigation of feedback plasma control systems for time-dependent plasmas as controllable dynamical plants.
As a first approximation, mathematical models of plasma dynamics may be represented in the form of a set of ordinary differential equations with time-varying parameters, namely LPV (Linear Parameter-Varying) models, and having additive disturbances [34] for each plasma discharge in Tokamaks:
where xi(t) is the state vector, ui(t) is the control action vector, yi(t) is the output vector, are time-varying matrices of the model, fi(t) and wi(t) are additive disturbance vectors at state and output equations, respectively, index i denotes a characteristic plasma discharge, , is the duration of the discharge, and t0i is the initial time of discharges when the plasma control system begins to operate.
The evolution of plasma position and currents in the Tokamak is described by Faraday’s law [35]:
and motion equations
The plasma shape is described by the gaps between the plasma surface and the VV . Here is the vector of currents in Tokamak coils and the elements of VV and plasma; , U, and R are the vectors of the magnetic flux through these circuits, the voltage applied to them, and the diagonal matrix of circuits electrical resistance, respectively; is coordinates of the plasma center of a mass; m is the plasma mass. These equations are to be linearized around the reconstructed plasma equilibrium, characterized by distributions of the toroidal current density and the poloidal flux :
In modern Tokamaks, plasma configurations are usually unstable in regards to vertical displacements and stable in regards to radial displacements. Therefore, small plasma masses may be neglected in the radial motion equation, and radial displacement can be expressed through vertical displacement and current disturbances . Introducing the state vector , the input vector , and the output vector, the model equations take a well-known state space form [34]:
The plasma equilibrium may significantly change during Tokamak discharges, and therefore matrices A, B, and C are dependent on time t. One way to obtain them is to reconstruct a sequence of the plasma equilibria, calculate corresponding time-invariant matrices, and then interpolate them, resulting in LPV models.
4.3. Plasma Control
At present, in the Globus-M2 Tokamak, the controllers CZ, CR, CCS, CPF1, CPF2_top, CPF2_bottom, CPF3, and CCC are the analog controllers realizing PD and P control laws. In the future, it is planned to replace all analog controllers of the Globus-M2 Tokamak with digital controllers, which, if necessary, can implement different control laws to optimize the magnetic plasma control system as a whole. Two thyristor current inverters, AHFC and AVFC [15], are used as actuators for plasma vertical and horizon position control, and thyristor multiphase rectifiers, ACS, APF1, APF3, and ACC [36], are used as actuators for control of the currents in the CS and PF-coils. At present, the proper values of the plasma current IP and gaps between the separatrix and the first wall are obtained by pre-programmed currents in the CS and PF-coils without shape feedback.
Therefore, when designing the plasma control system in this paper, the outputs R, Z, Ip, and g1, …, g6 should be controlled by feedback. Let us introduce the errors in these controlled values:
The setpoints of the controlled signals are, for example, calculated in advance by designing plasma scenarios to solve a direct equilibrium problem or set on the basis of experimental experience. The control problem can be formulated as the need to achieve proper control accuracy at finite time intervals:
where are the moments of time at which the output values fall into the given tubes, defined by positive constants , after transients caused by the tracking procedure or minor disruptions. The time moments are different due to different plant dynamics on different controlled channels. Index is the number of the corresponding plasma discharge.
In order to control the outputs of the plant in accordance with the objectives, it is necessary to make sure that the instability in the vertical direction of the plasma is stabilized and have a sufficiently large controllability region under the input constraints. Also, the separatrix for controlling the shape of the plasma must have a reachability region large enough to position it near the first wall at the desired location. A study of the design of the poloidal system of the Globus-M Tokamak was performed in [37]. The poloidal system in this case has a sufficiently large region of vertical controllability and allows for internally stable regimes of plasma position control systems [28]. The multidimensional reachability region of the separatrix of this poloidal system has lower and upper bounds, which give the possibility to change the location of the separatrix near the first wall accordingly.
For reliable plasma control, it is not only necessary to achieve the desired control accuracy, but it is also important to provide the necessary stability margins in the design of the control system. For multichannel control systems, these margins can be specified and obtained in three ways:
- By means of disconnection of each channel and estimation of phase and amplitude stability margins with the help of the Nyquist hodograph [36,38];
- However, this method may be too optimistic, so in [38], new disk-based stability margins are introduced for SISO and MIMO control systems, which may be closer to reality;
- When the number of channels is large, it is more convenient to use another approach, which makes it possible to characterize stability by only one quantity, namely the robust stability margin. By means of the usage of the small gain theorem [39,40], when the result of the multiplication of H∞-norms of transfer functions of the uncertainty Δ and the known part of the system Q is less than 1: . In that case, the robust stability analysis gives useful results [41,42], and one can estimate the robust stability margin in the following form:
5. Methodology for Designing Hierarchical Cascade Systems of Magnetic Plasma Control in D-Shaped Tokamaks
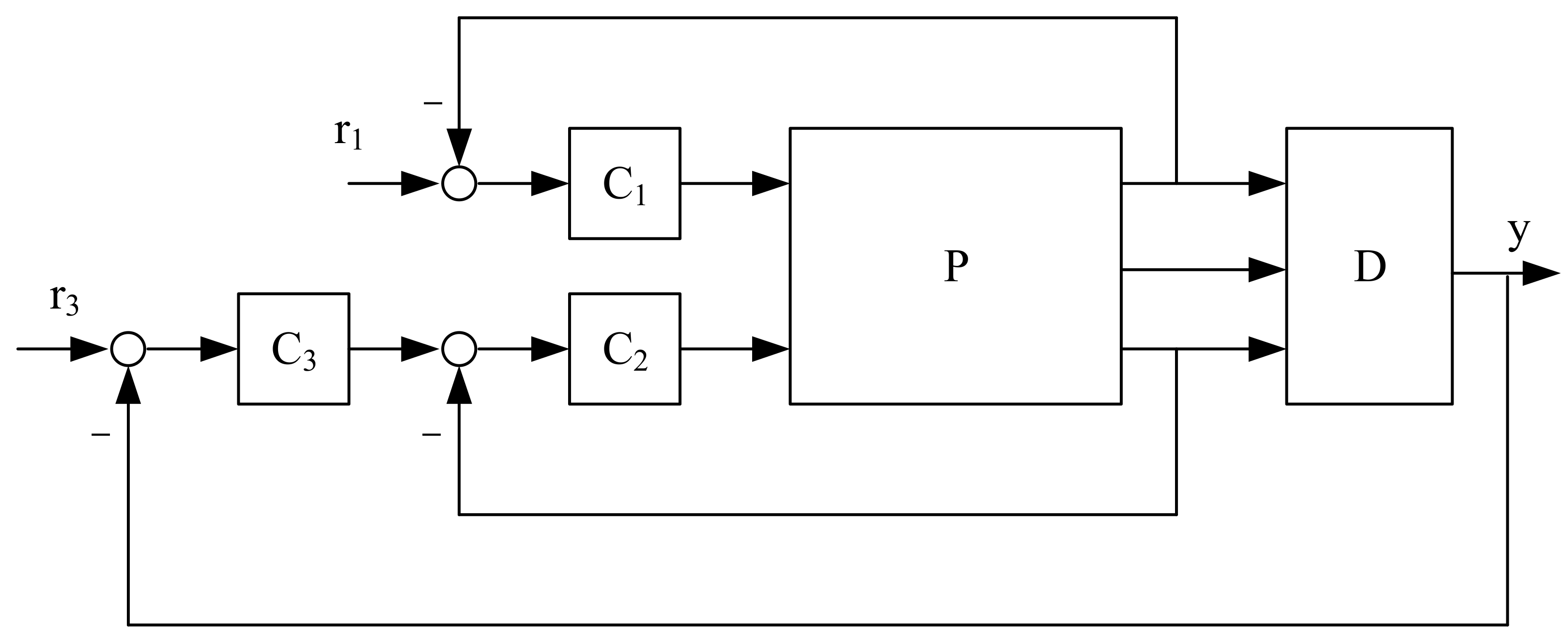
This section is devoted to the general notions of further development of the magnetic plasma control systems for D-shaped Tokamaks, which arose from the works on the plasma control systems in the Globus-M/M2 Tokamak and reviews on the magnetic plasma control systems in D-shaped Tokamaks [3,4,5,6,7] with feedback. A general scheme of the magnetic plasma control systems in them was obtained, which is shown in Figure 1. Most of the magnetic plasma control systems in operating Tokamaks are organized according to this scheme. Figure 10 shows, for the purpose of generalization, a simplified basic scheme of the magnetic plasma control system in D-shaped Tokamaks when the actuators are brought into the controlled plant (P).
Figure 10.
Basic scheme of magnetic plasma control systems in D-shaped Tokamaks to obtain generalized schemes.
The resulting basic structural scheme for generality can be represented in operator form by showing the model of the plant P and the controllers C1, C2, and C3 as operators that map the space of input signals into the space of output signals. If the model of the plant P and the controllers is considered linear, then the scheme of Figure 10 connects the input and output signals as follows:
From (1) and the scheme of Figure 10, we can obtain a system of equations that describes this cascading hierarchical scheme:
Excluding from (2) the quantities u1, u2, we obtain y1 in the form
and arrive at a system of equations of the form:
Here
Solving the system (4) and substituting the solutions in (3), we obtain the required solutions in the form:
Or, by substituting the expressions for in (5), we arrive at the equations of connection between the input actions of the closed-loop system and the outputs :
where
The obtained solution (6) for (2) is a general solution of the initial system and gives the dependence of the output values of the basic scheme in Figure 10 on the references. To obtain numerical solutions for various structural schemes of hierarchical cascade plasma control systems, the MATLAB/Simulink computer environment is used as the most developed computer tool for solving the problems of automatic control.
In Figure 11, a diagnostics unit for the controlled plant is integrated at the lower control level, which actually solves the identification problem, i.e., it reconstructs the signals necessary for control in a closed-loop system based on the measurement signals [29,42,43].
Figure 11.
Integration of the diagnostic unit D into the control system.
Figure 12 introduces an adaptation level, by means of which the controller C3 adapts the control system to a preformed control scenario. Adaptation can be carried out by different methods: by switching regulators from a pre-synthesized set or by their interpolation, which leads to a controller with variable parameters [28,44].
Figure 12.
Introduction of the level of adaptation to the scenario in the C3 controller.
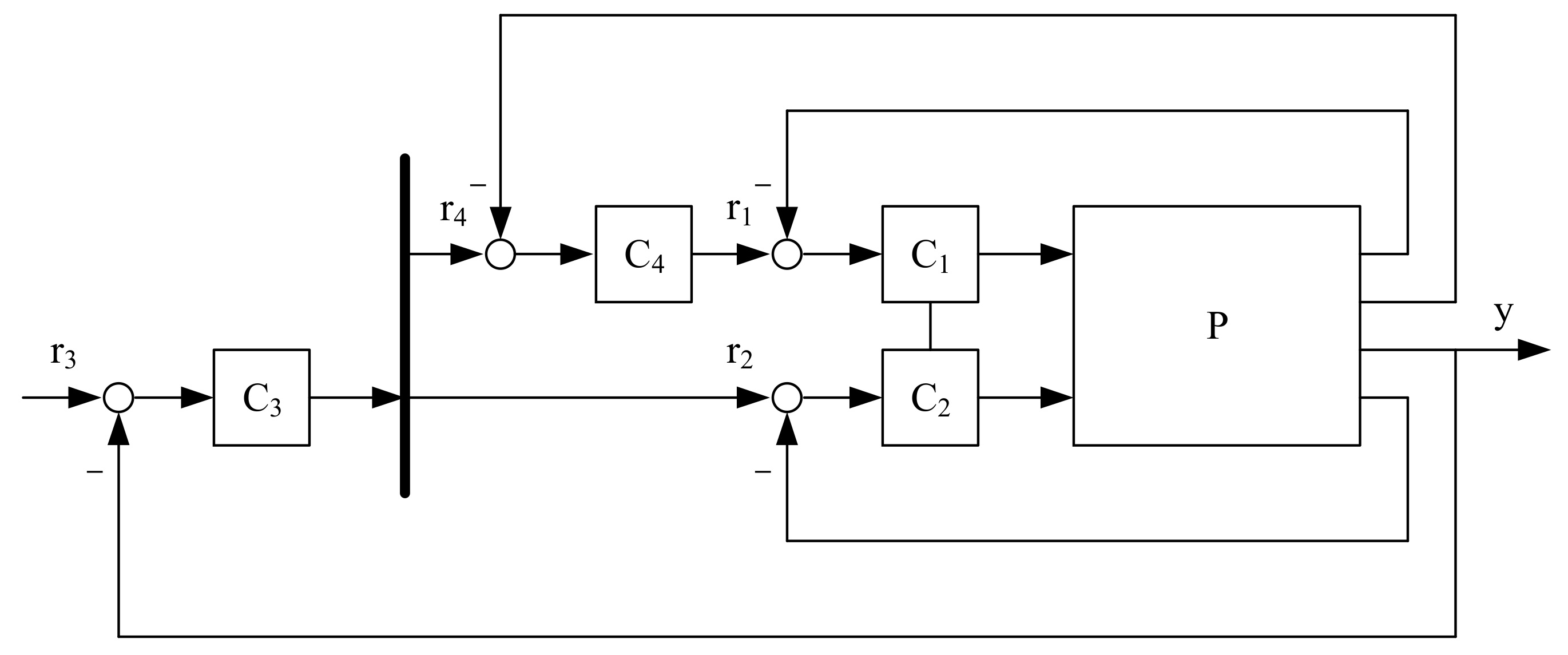
When the cascades with controllers C1 and C2–C3 work, a contradiction (conflict) may occur between them since these cascades are connected to each other through the controlled plant P. To eliminate this conflict, the matching cascade with the controller C4 is introduced, which takes into account signals from the controller C3 and additional signals from the plant P by producing matching reference actions on the cascade with the controller C1 (Figure 13) [42].
Figure 13.
Introduction of the matching cascade with the C4 controller into the system.
All three upgrades in Figure 11, Figure 12 and Figure 13 of the basic scheme of Figure 10 lead to a generalized hierarchical cascade system (Figure 14), which combines all introductions: integration of diagnostics (Figure 11), adaptation to the scenario (Figure 12), and matching cascade (Figure 13).
Figure 14.
Generalized hierarchical cascade diagram of magnetic plasma control with feedback.
The structural diagram of Figure 14 makes it possible to proceed to further generalization in the form of building a hierarchical system with generalized levels of control (Figure 15). At the lower level, there is a non-stationary, controlled plant with actuators and diagnostics (sensors), exposed to uncontrolled perturbations. The controlled plant is influenced by the level of multivariable cascade robust control, which solves the basic problem of controlling the plant and ensures, due to coordinated control cascades and robustness, its operability in basic control scenarios under the action of uncontrolled perturbations.
Figure 15.
Multilevel hierarchical cascade control system.
To enable the system to operate under changing plant parameters, an adaptation level is introduced, which improves control accuracy and extends stability margins. A higher level of artificial intelligence makes it possible to introduce, in particular, artificial neural networks, which allow, for example, to solve the problem of identification at the rate of observations. The highest level of decision-making is left to humans, who design the hierarchical control system and introduce technical solutions at all its levels, ensuring their interaction. The possibility of using hierarchical systems for plasma control in Tokamaks was indicated earlier in [45].
The carried-out system generalizations arising from the interaction of theory and practice of control made it possible to develop a methodology for designing hierarchical cascade control systems with information feedback, the logic of which is presented in Figure 16. The interaction of theory and practice through processed feedback information flows allows us to eliminate or significantly reduce the gaps between theory and practice, which were revealed in [46]. System analysis of the structures of hierarchical cascade control systems derived from the practice of magnetic plasma control in Tokamaks leads to structures useful for practice, the integration of which provides an overall structure and a generalized structure with a number of hierarchical levels, the interaction of which leads to the achievement of objectives at each level. Control science generates, using synthesis and analysis methods, control algorithms for each level of the hierarchy. And the hierarchical cascade control system has almost unlimited possibilities to combine different control methods at different levels to achieve its objectives at each level, which leads to the achievement of the main objective of the lower-level system. The combination of robust and adaptive methods using identification methods and artificial intelligence is most effective for solving the problems of controlling dynamic plants with variable parameters over a limited time interval.
Figure 16.
Logical scheme of the design methodology of hierarchical cascade control systems with information feedback.
There are only three known monographs on the theory and practice of hierarchical automatic control systems [47,48,49], as well as journal articles, for example [50], and conference papers, in particular [45,51]. It is impossible to construct a unified structure for a hierarchical control system because of the possibility of an almost infinite combination of different control algorithms at different levels of the hierarchy. For this reason, in works on hierarchical control systems, various structural schemes of hierarchical systems are constructed based on applied control tasks and desired control objectives at different levels [45,46,47,48,49,50,51]. The same approach is applied in this work to generalize the structural systems of hierarchical magnetic plasma control in Tokamaks. Through this generalization, a general structural diagram of a hierarchical cascade control system (Figure 15) and a methodology for designing systems of this class (Figure 16) were obtained.
The above generalization of the structural schemes of hierarchical cascade control systems and the methodology developed for their design is a methodological approach “from above” for the development of magnetic plasma control systems in Tokamaks. At the same time, the methodological approach “from below” was developed in [33], which gives recommendations and an action plan for direct synthesis, analysis, and implementation of magnetic plasma control systems in physical experiments of D-shaped Tokamaks, which consists of the following (Figure 17):
- Reconstruction of plasma equilibrium, namely, plasma current distribution and poloidal flux, using measured experimental signals of magnetic diagnostics outside the plasma based on new modifications of known methods;
- Obtaining linear plasma models based on experimental data of Tokamak plasma discharges with respect to the reconstructed plasma equilibrium;
- Application of the model of a thyristor current inverter or voltage inverter in PWM mode as a plasma position control actuator for the design and modeling of plasma control systems;
- Application of an original analysis of the structure of a multivariable plasma control system using a relative gain array (RGA) and μ-analysis procedures to select the optimal system structure in terms of input-output controllability;
- Application of a plasma shape control system with simultaneous adaptive adjustment of the vertical and horizontal plasma positions. This is conducted in order to remove the pole near zero while stabilizing the velocity of the vertical plasma position relative to zero to increase the degree of stability of the system in controlling the plasma shape;
- Application of a new approach to modeling the plasma shape control system with a feedback plasma reconstruction algorithm using experimental scenario data and a linear plasma model with time-varying parameters;
- Implementation of the plasma control system on the testbed to adjust the system in real time;
- Application of the developed control system to a real Tokamak by switching the controller from the plant model to the Tokamak using the real-time testbed.
Figure 17.
Illustrative diagram of the design methodology of the hierarchical cascade magnetic plasma control system in the Tokamak [33].
Figure 17.
Illustrative diagram of the design methodology of the hierarchical cascade magnetic plasma control system in the Tokamak [33].

6. Real-Time Test Bed for Plasma Magnetic Control in Tokamaks
The real-time test bed is in operation at the Trapeznikov Institute of Control Sciences of the Russian Academy of Sciences (ICS RAS) [52,53]. The real-time test bed was created by a consortium of Lomonosov Moscow State University (MSU) and ICS RAS. It consists of two Speedgoat Performance Real-Time Target Machines (RTTM) (Figure 18): the “Plant Model” (MSU) and the “Controller” (ICS RAS). Both RTTMs run under the SimulinkRT real-time operating system. The real-time algorithms are developed in the MATLAB/Simulink programming environment, and then, using Embedded Coder, the C-code is generated, which is then compiled into the real-time application. The RTTMs are powered by an Intel i7-7700 K CPU running at 4.2 GHz. The RTTM “Controller” contains MIMO switches from an externally controlled plant model to an internally controlled plant model, which is used to synthesize and test the control system under development.
Figure 18.
Real-time digital testbed at the V.A. Trapeznikov Institute of Control Sciences of the Russian Academy of Sciences.
The digital twin [54] is a dynamic/self-developing digital/virtual model or simulation of a real plant that provides the exact state of its physical twin at any given time through real-time data exchange (Figure 19) and data storage. Not only does the digital twin imitate its physical twin, but any changes in the digital twin are reflected by the physical twin.
Figure 19.
The concept of the digital twin of the control system.
The use of the digital twin provides an increase in the efficiency of the development and implementation of plasma control systems in Tokamaks. Work on the creation of a digital twin of the Globus-M2 Tokamak is being carried out. The virtual part of the digital twin is implemented at the real-time test bed in the ICS RAS, and the physical part will be implemented through the implementation of the third RTTM in the information and control system of the Globus-M2 Tokamak, with both parts remotely exchanging data in real time.
The block diagram of the real-time control system of plasma position, current, and shape for the Globus-M2 Tokamak is shown in Figure 20. The control system is split into two RTTMs. The RTTM “Controller” contains the plasma equilibrium reconstruction algorithm in the feedback [42,43,55] and the external control cascade of the plasma current and shape. The RTTM “Plant Model” contains the internal control cascade of the plasma position and currents in the poloidal field coils, models of the coil power supplies, and the model of the Tokamak plasma and diagnostic system. The control system operates in deviations from the scenario values, so the model outputs are deviations of currents and fluxes from the plasma discharge scenario values. All controllers in that hierarchical control system are synthesized by the method of linear matrix inequalities (LMI) using the approach from [56]. Figure 21 shows real-time simulation results where the control system shapes plasma to provide specified strike point positions and gap values g1–g6 (Figure 4b), with the sample time equal to the discretization step of the model . The measured average TET (task execution time) value is 67 µs, which satisfies the real-time requirement of TET < .
Figure 20.
The block diagram of the real-time control system of plasma position, current, and shape for the Globus-M2 Tokamak (meaning of colors: yellow—actuators and controllers for plasma vertical and horizontal positions as well as for currents in PF-coils; blue—DAC/ADC; violet—algorithm of plasma equilibrium reconstruction in the feedback; green—multivariable controller of plasma shape and current).
Figure 21.
Real-time simulation results of the plasma position, current, and shape control system for the Globus-M2 Tokamak.
7. Conclusions
The paper shows the state-of-the-art in plasma poloidal systems in D-shaped Tokamaks. Because plasma magnetic control systems are of the utmost priority for modern Tokamaks, the mathematical statement of the problem on this subject was conducted to see the basic directions to be developed. On the basis of that, a new generalization of plasma magnetic control systems in the area of designing hierarchical cascade control systems was presented. This direction concludes a lot of new possibilities for developing plasma control systems in Tokamaks including developing plasma control systems on a real-time testbed and unifying the testbed with the real plasma control system on the Tokamak creating a new area of digital twin.
Funding
This work was supported by the Russian Science Foundation, grant № 21-79-20180.
Institutional Review Board Statement
Not applicable.
Informed Consent Statement
Not applicable.
Data Availability Statement
All new data obtained in this work are summarized in the contents of the paper.
Conflicts of Interest
The author declares no conflict of interest.
References
- Wesson, J. Tokamaks, 3rd ed.; Clarendon Press: Oxford, UK, 2004. [Google Scholar]
- Artsimovich, L. Tokamak devices. Nucl. Fusion 1972, 12, 215–252. [Google Scholar] [CrossRef]
- Mitrishkin, Y.V.; Korenev, P.S.; Prokhorov, A.A.; Kartsev, N.M.; Patrov, M.I. Plasma Control in Tokamaks. Part 1. Controlled thermonuclear fusion problem. Tokamaks: Components of control systems. Adv. Syst. Sci. Appl. 2018, 18, 26–52. [Google Scholar] [CrossRef]
- Mitrishkin, Y.V.; Kartsev, N.M.; Pavlova, E.A.; Prohorov, A.A.; Korenev, P.S.; Patrov, M.I. Plasma Control in Tokamaks—Part 2: Magnetic Plasma Control Systems. Adv. Syst. Sci. Appl. 2018, 18, 39–78. [Google Scholar]
- Mitrishkin, Y.; Kartsev, N.; Konkov, A.; Patrov, M. Plasma Control in Tokamaks—Part 3.1: Plasma Magnetic Control Systems in ITER. Adv. Syst. Sci. Appl. 2020, 20, 82–97. [Google Scholar] [CrossRef]
- Mitrishkin, Y.; Kartsev, N.; Konkov, A.; Patrov, M. Plasma Control in Tokamaks. Part 3.2. Simulation and realization of plasma control systems in ITER and constructions of DEMO. Adv. Syst. Sci. Appl. 2020, 20, 136–152. [Google Scholar] [CrossRef]
- Mitrishkin, Y.V.; Kartsev, N.M.; Kuznetsov, E.A.; Korostelev, A.Y. Methods and Systems of Plasma Magnetic Control in Tokamaks; KRASAND: Moscow, Russia, 2020; p. 528. (In Russian) [Google Scholar]
- Humphreys, D.A.; Casper, T.A.; Eidietis, N.; Ferrara, M.; Gates, D.A.; Hutchinson, I.H.; Jackson, G.L.; Kolemen, E.; Leuer, J.A.; Lister, J.; et al. Experimental vertical stability studies for ITER performance and design guidance. Nucl. Fusion 2009, 49, 11. [Google Scholar] [CrossRef]
- Stein, G. Respect the Unstable. IEEE Control Syst. Mag. 2003, 23, 12–25. [Google Scholar]
- Mitrishkin, Y.V. Plasma Control in Experimental Thermonuclear Installations: Adaptive Auto-Oscillatory and Robust Control Systems; KRASAND: Moscow, Russia, 2016; p. 400. (In Russian) [Google Scholar]
- Yuan, Q.P.; Xiao, B.J.; Luo, Z.P.; Walker, M.L.; Welander, A.S.; Hyatt, A.; Mueller, D. Plasma current, position and shape feedback control on EAST. Nucl. Fusion 2013, 53, 043009. [Google Scholar] [CrossRef]
- Mertens, V.; Raupp, G.; Treutterer, W. Chapter 3: Plasma Control in ASDEX Upgrade. Fusion Sci. Technol. 2003, 44, 593–604. [Google Scholar]
- Anand, H.; Coda, S.; Felici, F.; Galperti, C.; Moret, J.-M. A novel plasma position and shape controller for advanced configuration development on the TCV tokamak. Nucl. Fusion 2017, 57, 126026. [Google Scholar] [CrossRef]
- Minaev, V.B.; Gusev, V.K.; Sakharov, N.V.; Varfolomeev, V.I.; Bakharev, N.N.; Belyakov, V.A.; Zhilin, E.G. Spherical tokamak Globus-M2: Design, integration, construction. Nucl. Fusion 2017, 57, 066047. [Google Scholar]
- Kuznetsov, E.A.; Mitrishkin, Y.V.; Kartsev, N.M. Current inverter as self-oscillating actuator in applications for plasma position control systems in the Globus-M/M2 and T-11M tokamaks. Fusion Eng. Des. 2019, 143, 247–258. [Google Scholar]
- Walker, M.L.; De Vries, P.; Felici, F.; Schuster, E. Introduction to Tokamak Plasma Control. In Proceedings of the 2020 American Control Conference, Denver, CO, USA, 1–3 July 2020; pp. 2901–2918. [Google Scholar]
- Creely, A.J.; Greenwald, M.J.; Ballinger, S.B.; Brunner, D.; Canik, J.; Doody, J.; Garnier, D.T.; Granetz, R.; Gray, T.K.; Holland, C.; et al. Overview of the SPARC tokamak. J. Plasma Phys. 2020, 86, 865860502. [Google Scholar] [CrossRef]
- Mitrishkin, Y.V.; Korenev, P.S.; Konkov, A.E.; Kartsev, N.M.; Smirnov, I.S. New horizontal and vertical field coils with optimised location for robust decentralized plasma position control in the IGNITOR tokamak. Fusion Eng. Des. 2022, 174, 112993. [Google Scholar] [CrossRef]
- Ishida, S.; Barabaschi, P.; Kamada, Y.; the JT-60SA Team. Status and prospect of the JT-60SA project. Fusion Eng. Des. 2010, 85, 2070–2079. [Google Scholar] [CrossRef]
- Chuyanov, V.; Gryaznevich, M. Modular fusion power plant. Fusion Eng. Des. 2017, 122, 238–252. [Google Scholar] [CrossRef]
- European Research Roadmap to the Realization of Fusion Energy. 2018. Available online: https://www.euro-fusion.org/eurofusion/roadmap/ (accessed on 14 December 2022).
- Khvostenko, P.P.; Anashkin, I.O.; Bondarchuk, E.N.; Chudnovsky, A.N.; Kavin, A.A.; Khvostenko, A.P.; Sushkov, A.V. Current status of tokamak T-15MD. Fusion Eng. Des. 2021, 164, 112211. [Google Scholar] [CrossRef]
- Mitrishkin, Y.V.; Zenckov, S.M.; Kartsev, N.M.; Efremov, A.A.; Dokuka, V.N.; Khayrutdinov, R.R. Linear and impulse control systems for plasma unstable vertical position in elongated tokamak. In Proceedings of the 51st IEEE Conference on Decision and Control, Maui, HI, USA, 10–13 December 2012; pp. 1697–1702. [Google Scholar]
- Mitrishkin, Y.V.; Kartsev, N.V.; Zenkov, S.M. Stabilization of unstable vertical position of plasma in T-15 tokamak: I. Autom. Remote Control 2014, 75, 281–293. [Google Scholar] [CrossRef]
- Mitrishkin, Y.V.; Kartsev, N.V.; Zenkov, S.M. Stabilization of unstable vertical position of plasma in T-15 tokamak: II. Autom. Remote Control 2014, 75, 1565–1576. [Google Scholar]
- Konovalov, S.; Bondarchuk, E.; Krasilnikov, A.; Kuyanov, A.Y.; Khayrutdinov, R.R. Tokamak with Reactor Technologies Concept. In Proceedings of the 28th IAEA Fusion Energy Conference (FEC 2020), Virtual, 10–15 May 2020. [Google Scholar]
- Besekerskiy, V.A.; Popov, E.P. Theory of Automatic Control Systems; Nauka: Moscow, Russia, 1972; p. 768. (In Russian) [Google Scholar]
- Mitrishkin, Y.V.; Prokhorov, A.A.; Korenev, P.S.; Patrov, M.I. Hierarchical robust switching control method with the Improved Moving Filaments equilibrium reconstruction code in the feedback for tokamak plasma shape. Fusion Eng. Des. 2019, 138, 138–150. [Google Scholar]
- Korenev, P.S.; Mitrishkin, Y.V.; Patrov, M.I. Reconstruction of Equilibrium Distribution of Tokamak Plasma Parameters by External Magnetic Measurements and Construction of Linear Plasma Models. Mekhatronika Avtom. Upr. 2016, 17, 254–266. [Google Scholar] [CrossRef]
- Ariola, M.; Pironti, A. Magnetic Control of Tokamak Plasmas, 2nd ed.; Springer International Publishing: Cham, Switzerland, 2016. [Google Scholar] [CrossRef]
- Dokuka, V.N.; Kadurin, A.V.; Mitrishkin, Y.V.; Khayrutdinov, R.R. Synthesis and modeling of the H∞-system of magnetic control of the plasma in the tokamak-reactor. Autom. Remote Control 2007, 68, 1410–1428. [Google Scholar] [CrossRef]
- Mitrishkin, Y.; Prokhorov, A.; Korenev, P.; Patrov, M. Tokamak plasma magnetic control system simulation with reconstruction code in feedback based on experimental data. In Proceedings of the 2017 IEEE 56th Annual Conference on Decision and Control (CDC), Melbourne, VIC, Australia, 12–15 December 2017; IEEE: New York, NY, USA, 2017; pp. 2360–2365. [Google Scholar] [CrossRef]
- Mitrishkin, Y.V.; Korenev, P.S.; Kartsev, N.M.; Kuznetsov, E.A.; Prokhorov, A.A.; Patrov, M.I. Plasma magnetic cascade multiloop control system design methodology in a tokamak. Control Eng. Pract. 2019, 87, 97–110. [Google Scholar] [CrossRef]
- D’Angelo, H. Linear Time-Varying Systems: Analysis and Design; Allyn and Bacon: Boston, MA, USA, 1970. [Google Scholar]
- Mitrishkin, Y.V.; Kartsev, N.M.; Prokhorov, A.A.; Pavlova, E.A.; Korenev, P.S.; Konkov, A.E.; Kruzhkov, V.I.; Ivanova, S.L. Tokamak plasma models development for plasma magnetic control systems design by first principle equations and identification approach. Procedia Comput. Sci. 2021, 186, 466–474. [Google Scholar] [CrossRef]
- Mitrishkin, Y.; Pavlova, E.; Kuznetsov, E.; Gaydamaka, K. Continuous, saturation, and discontinuous tokamak plasma vertical position control systems. Fusion Eng. Des. 2016, 108, 35–47. [Google Scholar] [CrossRef]
- Mitrishkin, Y.V.; Kruzkov, V.I.; Korenev, P.S. Methodology of Plasma Shape Reachability Area Estimation in D-Shaped Tokamaks. Mathematics 2022, 10, 4605. [Google Scholar] [CrossRef]
- Seiler, P.; Packard, A.; Gahinet, P. An Introduction to Disk Margins: Lecture Notes. IEEE Control Syst. 2020, 40, 78–95. [Google Scholar] [CrossRef]
- Skogestad, S.; Postlethwaite, I. Multivariable Feedback Control: Analysis and Design, 2nd ed.; John Wiley & Sons, Ltd.: New York, NY, USA, 2005. [Google Scholar]
- Zhou, K.; Doyle, J. Essentials of Robust Control; Prentice Hall: Upper Saddle River, NJ, USA, 1998. [Google Scholar]
- Mitrishkin, Y.; Kurachi, K.; Kimura, H. Plasma multivariable robust control system design and simulation for a thermonuclear tokamak-reactor. Int. J. Control 2003, 76, 1358–1374. [Google Scholar] [CrossRef]
- Mitrishkin, Y.V.; Prokhorov, A.A.; Korenev, P.S.; Patrov, M.I. Plasma magnetic time-varying nonlinear robust control system for the Globus-M/M2 tokamak. Control Eng. Pract. 2020, 100, 104446. [Google Scholar] [CrossRef]
- Prokhorov, A.; Mitrishkin, Y.; Korenev, P.; Patrov, M. The plasma shape control system in the tokamak with the neural network as a plasma equilibrium reconstruction algorithm. IFAC PapersOnLine 2020, 53, 857–862. [Google Scholar] [CrossRef]
- Mitrishkin, Y.V.; Korenev, P.S.; Prohorov, A.A.; Patrov, M.I. Robust H∞ switching MIMO control for a plasma time-varying parameter model with a variable structure in a tokamak. In Proceedings of the IFAC 2017 World Congress, Toulouse, France, 9–14 July 2017. IFAC PapersOnLine 2017, 50, 11385–11390. [Google Scholar] [CrossRef]
- Mitrishkin, Y.V.; Haber, R.E. Intelligent Hierarchical Control System for Complex Processes. In Proceedings of the 6th International Conference on Informatics in Control, Automation and Robotics—ICINCO 2009: Intelligent Control Systems and Optimization, Italy, Milan, 2–5 July 2009; pp. 333–336. [Google Scholar]
- Bars, R.; Colaneri, P.; de Souza, C.E.; Allgöwer, F.; Kleimenov, A.; Scherer, C. Trends in Theory of Control System Design: Status report prepared by the IFAC Coordinating committee on Design Methods. In Proceedings of the 17th World Congress the International Federation of Automatic Control, Seoul, Republic of Korea, 6–11 July 2008; pp. 2144–2155. [Google Scholar]
- Mesarović, M.D.; Macko, D.; Takahara, Y. Theory of hierarchical, multilevel systems. In Mathematics in Science and Engineering; Academic Press: Cambridge, MA, USA, 1970; Volume 68. [Google Scholar]
- Findeisen, W.; Bailey, F.N.; Brdys, M.; Malinowski, K.; Taljewski, P.; Wozniak, A. Control and Coordination in Hierarchical Systems; International Series on Applied Systems Analysis, 9; A Wiley-Interscience Publication, International Institute for Applied Systems Analysis; John Wiley & Sons: New York, NY, USA, 1980; ISBN 9780471277422. [Google Scholar]
- Vasiliev, V.I.; Gusev, Y.M.; Efanov, V.N.; Krymsky, V.G.; Rutkovsky, V.Y.; Semeran, V.A. Multilevel Control of Dynamic Plants; Nauka: Moscow, Russia, 1987. (In Russian) [Google Scholar]
- Karimoddini, A.; Lin, H.; Chen, B.M.; Lee, T.H. Hierarchical hybrid modelling and control of an unmanned helicopter. Int. J. Control 2014, 87, 1779–1793. [Google Scholar] [CrossRef]
- Liu, J.; Xiaojun, L.; Koo, T.-K.J.; Sinopoli, B.; Sastry, S.; Lee, E.A. A Hierarchical Hybrid System Model and Its Simulation. In Proceedings of the 38th Conference on Decision & Control, Phoenix, AZ, USA, 7–10 December 1999; pp. 3508–3513. [Google Scholar]
- Mitrishkin, Y.V. Plasma magnetic control systems in D-shaped tokamaks and imitation digital computer platform in real time for controlling plasma current and shape. Adv. Syst. Sci. Appl. 2022, 22, 1–14. [Google Scholar] [CrossRef]
- Konkov, A.E.; Mitrishkin, Y.V. Comparison Study of Power Supplies in Real-Time Robust Control Systems of Vertical Plasma Position in Tokamak. IFAC—PapersOnLine 2022, 55, 327–332. [Google Scholar] [CrossRef]
- Singh, M.; Fuenmayor, E.; Hinchy, E.P.; Qiao, Y.; Murray, N.; Devine, D. Digital Twin: Origin to Future. ASI 2021, 4, 36. [Google Scholar] [CrossRef]
- Mitrishkin, Y.V.; Prokhorov, A.A.; Korenev, P.S.; Patrov, M.I. Method of Forming a Model of Magnetic Control of Plasma Shape and Current with Feedback in. Tokamak. Patent No. 2702137, 28 April 2017. [Google Scholar]
- Konkov, A.E.; Mitrishkin, Y.V.; Korenev, P.S.; Patrov, M.I. Robust Cascade LMI Design of MIMO Control System for Plasma Position, Current, and Shape Model with Time-Varying Parameters in a Tokamak. IFAC—PapersOnLine 2022, 53, 7344–7349. [Google Scholar] [CrossRef]
Disclaimer/Publisher’s Note: The statements, opinions and data contained in all publications are solely those of the individual author(s) and contributor(s) and not of MDPI and/or the editor(s). MDPI and/or the editor(s) disclaim responsibility for any injury to people or property resulting from any ideas, methods, instructions or products referred to in the content. |
© 2023 by the author. Licensee MDPI, Basel, Switzerland. This article is an open access article distributed under the terms and conditions of the Creative Commons Attribution (CC BY) license (https://creativecommons.org/licenses/by/4.0/).



















