Hierarchical Cascade Control Systems for Time-Dependent Dynamical Plants as Applied to Magnetic Plasma Control in D-Shaped Tokamaks †
Abstract
1. Introduction
1.1. State-of-the-Art
- D-shaped Tokamaks without plasma position, current, and shape control systems are inoperable (Figure 1);
- The design of poloidal systems for D-shaped Tokamaks must be carried out together with the control systems of plasma position, current, and shape (a Poloidal system is a system of poloidal field coils located around the vacuum vessel of the Tokamak (PF coils));
- Efficient plasma control systems lead to improved Tokamak operating modes and a reduced risk of major discharge disruptions;
- Further development of integrated systems of magnetic (position, current, and shape) and kinetic (safety factor q, density, pressure, and temperature profiles) plasma control in Tokamaks should lead primarily to the prevention of major plasma disruptions, which is essential for the operation of fusion power plants based on Tokamaks and the optimal modes of their operation.
- ✓
- To analyze the poloidal systems of modern Tokamaks and some of their projects;
- ✓
- To pose the problem of magnetic plasma control in Tokamaks;
- ✓
- To develop a methodology for the design of hierarchical cascade magnetic plasma control systems in D-shaped Tokamaks for the purpose of further developing this class of control systems.
1.2. Motivation
1.3. Novelty
1.4. Paper Structure
2. Poloidal Systems of D-Shaped Tokamaks
3. Analysis of Poloidal Systems of D-Shaped Tokamaks
- (1)
- The initial design of the ITER poloidal system (6 CS sections, 6 PF coils) led to a miserable vertical control area of unstable plasma with a limited control coil voltage, which forced the horizontal field coils to be placed inside the vacuum chamber [8];
- (2)
- (3)
- This poloidal system was not repeated in such current Tokamaks as ASDEX Upgrade, [19] and Globus-M2 [22]. In the ASDEX Upgrade the stabilization of the vertical position of the plasma is achieved by placing the PF coils of the horizontal field between the vessel and the TF-coil, and in the Globus-M2 Tokamak, through 4 HFC coils inside the TF-coil. The same design of plasma poloidal system regarding plasma vertical stabilization as in ASDEX Upgrade has been conducted in T-15MD [24,25];
- (4)
- The most advanced poloidal systems are used in SPARC (Figure 5b), IGNITOR (Figure 6a), and TCV (Figure 4a) because they contain poloidal field coils in sufficiently large numbers and are located fairly evenly around the D-shaped vacuum vessel [18]. The fact is that plasma in a Tokamak (gas in a closed volume) is a plant under control with distributed parameters, so it is best to use a controller with distributed parameters to control it most effectively. An example of such a controller are passive structures located around the plasma, in particular the copper shell for round Tokamaks of the past. In passive structures, Foucault currents are induced and inhibit (dampen) the plasma motion. This is the so-called direct-action controller [27]. This controller is energized not from outside but entirely at the expense of the energy of the controlled plant itself, in this case, plasma. To actively influence the plasma in controlling its position and shape, PF coils are used, which are placed around the plasma either completely inside the vessel (Tokamak MAST), outside the vessel completely, or both inside and outside the vessel. The more PF coils used to control the plasma shape, the closer the control system will be to a control system with distributed parameters;
- (5)
- (6)
- Spherical Tokamaks with aspect ratios on the order of 1.5–1.7 make it possible to create modular fusion power plants with a competitive cost of electricity on the order of 6 US cents per 1 kWh [20];
- (7)
- Many DEMO projects with a large aspect ratio copy the ITER poloidal system, with few exceptions [6].
4. Statement of Plasma Magnetic Control in Tokamaks
- Time-varying parameters plasma models’ production on the basis of the first principal equations and experimental data from operating Tokamaks;
- Development of plasma control systems in stabilization, tracking, and disturbance rejection regimes in finite time intervals;
- As in ITER, in RF Tokamaks, namely Globus-M2, T-15MD, and TRT, there are four gaps between the separatrix and the first wall and displacements of two strike points of the separatrix. These output signals are reconstructed on-line by the plasma reconstruction code, namely Improved Moving Filaments [28] or FCDI (Flux-Current Distribution Identification) [29]. These signals are the plasma outputs, which are under the control of plasma magnetic control systems. Simulation of control systems when a plasma equilibrium reconstruction code is included in the feedback for online plasma boundary estimation;
- Implementation of plasma control systems on Tokamaks to conduct physical experiments.
4.1. Controlled Plant
4.2. Models of Plasma
- Linearization of plasma nonlinear equations;
- Using the first principal equations,
- In [33], another technique for obtaining linear plasma models from experimental observations was proposed. In this case, the plasma equilibrium is reconstructed from the recorded experimental signals using reconstruction codes, for example, FCDI [29], and then linear plasma models are obtained from the equilibria reconstructed at given time moments during the discharge. This approach makes it possible to construct linear, time-varying models for the development and investigation of feedback plasma control systems for time-dependent plasmas as controllable dynamical plants.
4.3. Plasma Control
- However, this method may be too optimistic, so in [38], new disk-based stability margins are introduced for SISO and MIMO control systems, which may be closer to reality;
- When the number of channels is large, it is more convenient to use another approach, which makes it possible to characterize stability by only one quantity, namely the robust stability margin. By means of the usage of the small gain theorem [39,40], when the result of the multiplication of H∞-norms of transfer functions of the uncertainty Δ and the known part of the system Q is less than 1: . In that case, the robust stability analysis gives useful results [41,42], and one can estimate the robust stability margin in the following form:
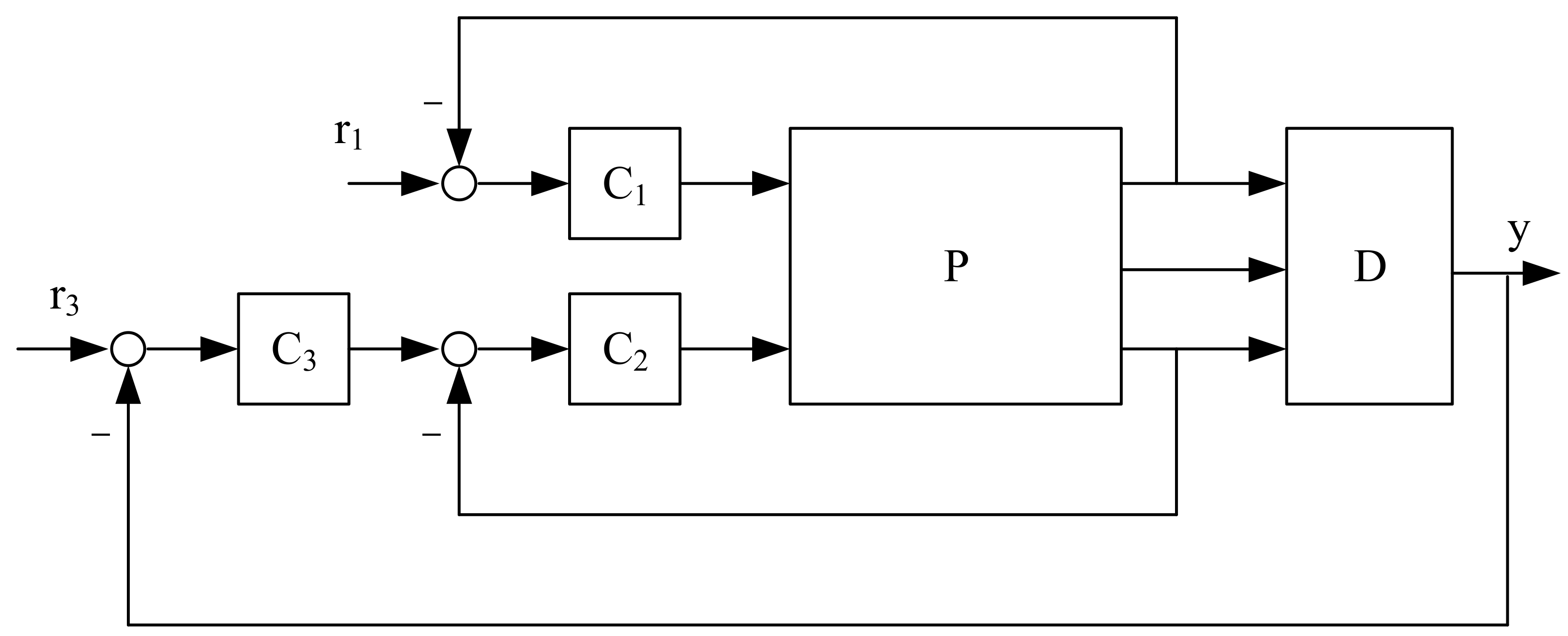
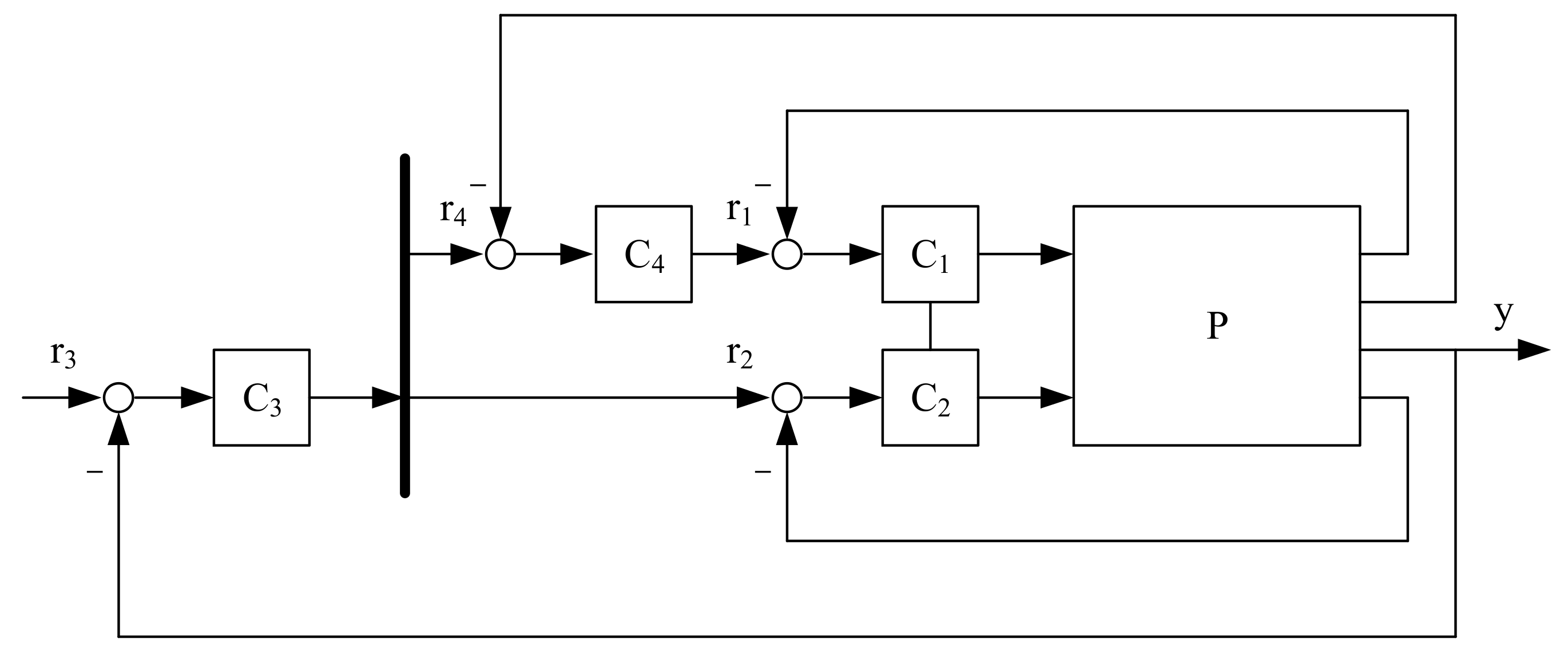
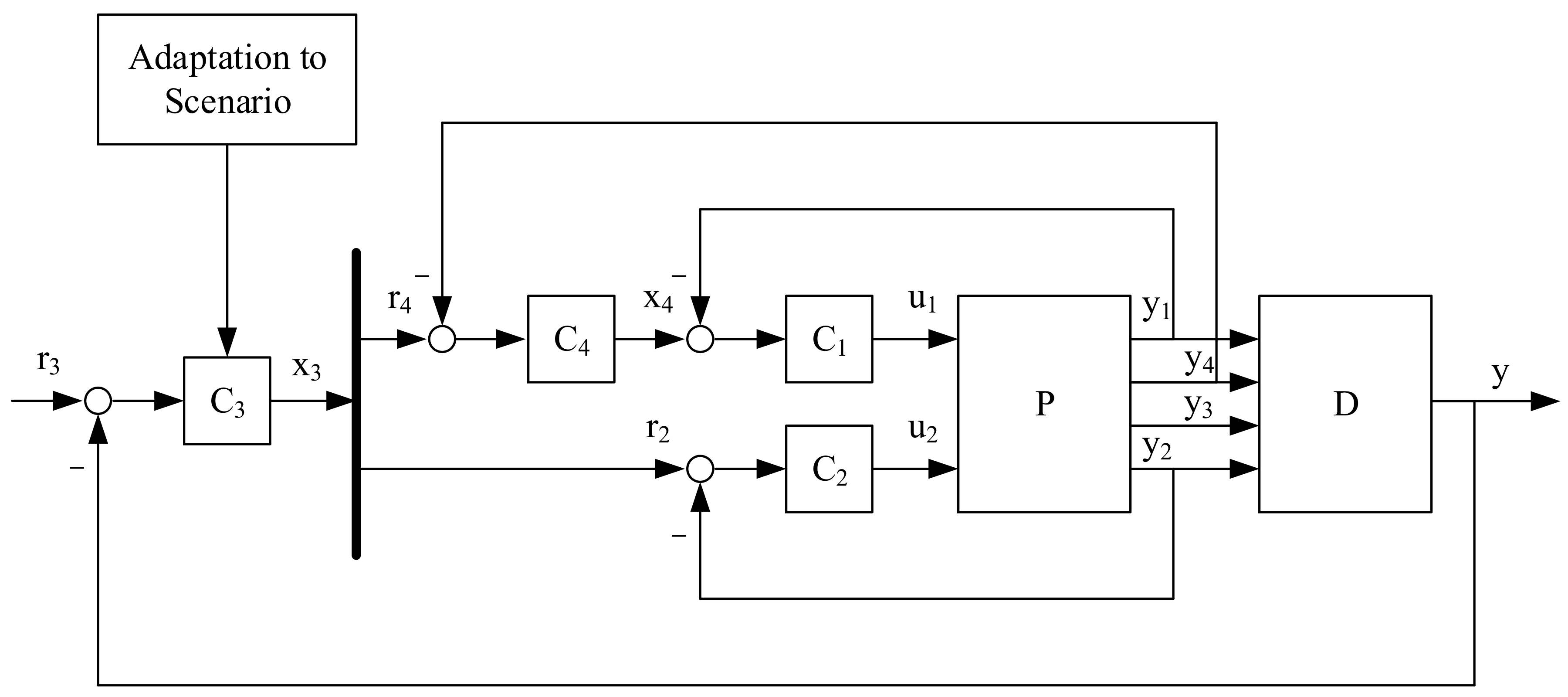
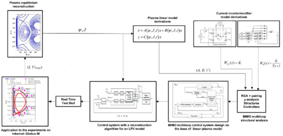
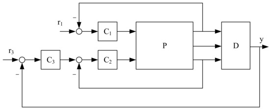
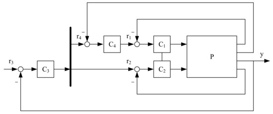
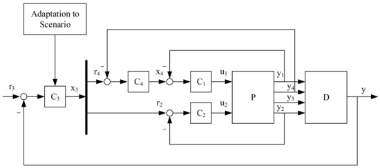
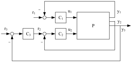
5. Methodology for Designing Hierarchical Cascade Systems of Magnetic Plasma Control in D-Shaped Tokamaks
- Reconstruction of plasma equilibrium, namely, plasma current distribution and poloidal flux, using measured experimental signals of magnetic diagnostics outside the plasma based on new modifications of known methods;
- Obtaining linear plasma models based on experimental data of Tokamak plasma discharges with respect to the reconstructed plasma equilibrium;
- Application of the model of a thyristor current inverter or voltage inverter in PWM mode as a plasma position control actuator for the design and modeling of plasma control systems;
- Application of an original analysis of the structure of a multivariable plasma control system using a relative gain array (RGA) and μ-analysis procedures to select the optimal system structure in terms of input-output controllability;
- Application of a plasma shape control system with simultaneous adaptive adjustment of the vertical and horizontal plasma positions. This is conducted in order to remove the pole near zero while stabilizing the velocity of the vertical plasma position relative to zero to increase the degree of stability of the system in controlling the plasma shape;
- Application of a new approach to modeling the plasma shape control system with a feedback plasma reconstruction algorithm using experimental scenario data and a linear plasma model with time-varying parameters;
- Implementation of the plasma control system on the testbed to adjust the system in real time;
- Application of the developed control system to a real Tokamak by switching the controller from the plant model to the Tokamak using the real-time testbed.

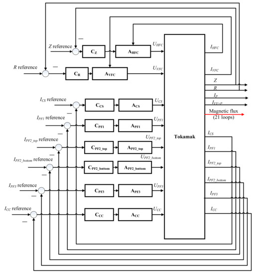
6. Real-Time Test Bed for Plasma Magnetic Control in Tokamaks
7. Conclusions
Funding
Institutional Review Board Statement
Informed Consent Statement
Data Availability Statement
Conflicts of Interest
References
- Wesson, J. Tokamaks, 3rd ed.; Clarendon Press: Oxford, UK, 2004. [Google Scholar]
- Artsimovich, L. Tokamak devices. Nucl. Fusion 1972, 12, 215–252. [Google Scholar] [CrossRef]
- Mitrishkin, Y.V.; Korenev, P.S.; Prokhorov, A.A.; Kartsev, N.M.; Patrov, M.I. Plasma Control in Tokamaks. Part 1. Controlled thermonuclear fusion problem. Tokamaks: Components of control systems. Adv. Syst. Sci. Appl. 2018, 18, 26–52. [Google Scholar] [CrossRef]
- Mitrishkin, Y.V.; Kartsev, N.M.; Pavlova, E.A.; Prohorov, A.A.; Korenev, P.S.; Patrov, M.I. Plasma Control in Tokamaks—Part 2: Magnetic Plasma Control Systems. Adv. Syst. Sci. Appl. 2018, 18, 39–78. [Google Scholar]
- Mitrishkin, Y.; Kartsev, N.; Konkov, A.; Patrov, M. Plasma Control in Tokamaks—Part 3.1: Plasma Magnetic Control Systems in ITER. Adv. Syst. Sci. Appl. 2020, 20, 82–97. [Google Scholar] [CrossRef]
- Mitrishkin, Y.; Kartsev, N.; Konkov, A.; Patrov, M. Plasma Control in Tokamaks. Part 3.2. Simulation and realization of plasma control systems in ITER and constructions of DEMO. Adv. Syst. Sci. Appl. 2020, 20, 136–152. [Google Scholar] [CrossRef]
- Mitrishkin, Y.V.; Kartsev, N.M.; Kuznetsov, E.A.; Korostelev, A.Y. Methods and Systems of Plasma Magnetic Control in Tokamaks; KRASAND: Moscow, Russia, 2020; p. 528. (In Russian) [Google Scholar]
- Humphreys, D.A.; Casper, T.A.; Eidietis, N.; Ferrara, M.; Gates, D.A.; Hutchinson, I.H.; Jackson, G.L.; Kolemen, E.; Leuer, J.A.; Lister, J.; et al. Experimental vertical stability studies for ITER performance and design guidance. Nucl. Fusion 2009, 49, 11. [Google Scholar] [CrossRef]
- Stein, G. Respect the Unstable. IEEE Control Syst. Mag. 2003, 23, 12–25. [Google Scholar]
- Mitrishkin, Y.V. Plasma Control in Experimental Thermonuclear Installations: Adaptive Auto-Oscillatory and Robust Control Systems; KRASAND: Moscow, Russia, 2016; p. 400. (In Russian) [Google Scholar]
- Yuan, Q.P.; Xiao, B.J.; Luo, Z.P.; Walker, M.L.; Welander, A.S.; Hyatt, A.; Mueller, D. Plasma current, position and shape feedback control on EAST. Nucl. Fusion 2013, 53, 043009. [Google Scholar] [CrossRef]
- Mertens, V.; Raupp, G.; Treutterer, W. Chapter 3: Plasma Control in ASDEX Upgrade. Fusion Sci. Technol. 2003, 44, 593–604. [Google Scholar]
- Anand, H.; Coda, S.; Felici, F.; Galperti, C.; Moret, J.-M. A novel plasma position and shape controller for advanced configuration development on the TCV tokamak. Nucl. Fusion 2017, 57, 126026. [Google Scholar] [CrossRef]
- Minaev, V.B.; Gusev, V.K.; Sakharov, N.V.; Varfolomeev, V.I.; Bakharev, N.N.; Belyakov, V.A.; Zhilin, E.G. Spherical tokamak Globus-M2: Design, integration, construction. Nucl. Fusion 2017, 57, 066047. [Google Scholar]
- Kuznetsov, E.A.; Mitrishkin, Y.V.; Kartsev, N.M. Current inverter as self-oscillating actuator in applications for plasma position control systems in the Globus-M/M2 and T-11M tokamaks. Fusion Eng. Des. 2019, 143, 247–258. [Google Scholar]
- Walker, M.L.; De Vries, P.; Felici, F.; Schuster, E. Introduction to Tokamak Plasma Control. In Proceedings of the 2020 American Control Conference, Denver, CO, USA, 1–3 July 2020; pp. 2901–2918. [Google Scholar]
- Creely, A.J.; Greenwald, M.J.; Ballinger, S.B.; Brunner, D.; Canik, J.; Doody, J.; Garnier, D.T.; Granetz, R.; Gray, T.K.; Holland, C.; et al. Overview of the SPARC tokamak. J. Plasma Phys. 2020, 86, 865860502. [Google Scholar] [CrossRef]
- Mitrishkin, Y.V.; Korenev, P.S.; Konkov, A.E.; Kartsev, N.M.; Smirnov, I.S. New horizontal and vertical field coils with optimised location for robust decentralized plasma position control in the IGNITOR tokamak. Fusion Eng. Des. 2022, 174, 112993. [Google Scholar] [CrossRef]
- Ishida, S.; Barabaschi, P.; Kamada, Y.; the JT-60SA Team. Status and prospect of the JT-60SA project. Fusion Eng. Des. 2010, 85, 2070–2079. [Google Scholar] [CrossRef]
- Chuyanov, V.; Gryaznevich, M. Modular fusion power plant. Fusion Eng. Des. 2017, 122, 238–252. [Google Scholar] [CrossRef]
- European Research Roadmap to the Realization of Fusion Energy. 2018. Available online: https://www.euro-fusion.org/eurofusion/roadmap/ (accessed on 14 December 2022).
- Khvostenko, P.P.; Anashkin, I.O.; Bondarchuk, E.N.; Chudnovsky, A.N.; Kavin, A.A.; Khvostenko, A.P.; Sushkov, A.V. Current status of tokamak T-15MD. Fusion Eng. Des. 2021, 164, 112211. [Google Scholar] [CrossRef]
- Mitrishkin, Y.V.; Zenckov, S.M.; Kartsev, N.M.; Efremov, A.A.; Dokuka, V.N.; Khayrutdinov, R.R. Linear and impulse control systems for plasma unstable vertical position in elongated tokamak. In Proceedings of the 51st IEEE Conference on Decision and Control, Maui, HI, USA, 10–13 December 2012; pp. 1697–1702. [Google Scholar]
- Mitrishkin, Y.V.; Kartsev, N.V.; Zenkov, S.M. Stabilization of unstable vertical position of plasma in T-15 tokamak: I. Autom. Remote Control 2014, 75, 281–293. [Google Scholar] [CrossRef]
- Mitrishkin, Y.V.; Kartsev, N.V.; Zenkov, S.M. Stabilization of unstable vertical position of plasma in T-15 tokamak: II. Autom. Remote Control 2014, 75, 1565–1576. [Google Scholar]
- Konovalov, S.; Bondarchuk, E.; Krasilnikov, A.; Kuyanov, A.Y.; Khayrutdinov, R.R. Tokamak with Reactor Technologies Concept. In Proceedings of the 28th IAEA Fusion Energy Conference (FEC 2020), Virtual, 10–15 May 2020. [Google Scholar]
- Besekerskiy, V.A.; Popov, E.P. Theory of Automatic Control Systems; Nauka: Moscow, Russia, 1972; p. 768. (In Russian) [Google Scholar]
- Mitrishkin, Y.V.; Prokhorov, A.A.; Korenev, P.S.; Patrov, M.I. Hierarchical robust switching control method with the Improved Moving Filaments equilibrium reconstruction code in the feedback for tokamak plasma shape. Fusion Eng. Des. 2019, 138, 138–150. [Google Scholar]
- Korenev, P.S.; Mitrishkin, Y.V.; Patrov, M.I. Reconstruction of Equilibrium Distribution of Tokamak Plasma Parameters by External Magnetic Measurements and Construction of Linear Plasma Models. Mekhatronika Avtom. Upr. 2016, 17, 254–266. [Google Scholar] [CrossRef]
- Ariola, M.; Pironti, A. Magnetic Control of Tokamak Plasmas, 2nd ed.; Springer International Publishing: Cham, Switzerland, 2016. [Google Scholar] [CrossRef]
- Dokuka, V.N.; Kadurin, A.V.; Mitrishkin, Y.V.; Khayrutdinov, R.R. Synthesis and modeling of the H∞-system of magnetic control of the plasma in the tokamak-reactor. Autom. Remote Control 2007, 68, 1410–1428. [Google Scholar] [CrossRef]
- Mitrishkin, Y.; Prokhorov, A.; Korenev, P.; Patrov, M. Tokamak plasma magnetic control system simulation with reconstruction code in feedback based on experimental data. In Proceedings of the 2017 IEEE 56th Annual Conference on Decision and Control (CDC), Melbourne, VIC, Australia, 12–15 December 2017; IEEE: New York, NY, USA, 2017; pp. 2360–2365. [Google Scholar] [CrossRef]
- Mitrishkin, Y.V.; Korenev, P.S.; Kartsev, N.M.; Kuznetsov, E.A.; Prokhorov, A.A.; Patrov, M.I. Plasma magnetic cascade multiloop control system design methodology in a tokamak. Control Eng. Pract. 2019, 87, 97–110. [Google Scholar] [CrossRef]
- D’Angelo, H. Linear Time-Varying Systems: Analysis and Design; Allyn and Bacon: Boston, MA, USA, 1970. [Google Scholar]
- Mitrishkin, Y.V.; Kartsev, N.M.; Prokhorov, A.A.; Pavlova, E.A.; Korenev, P.S.; Konkov, A.E.; Kruzhkov, V.I.; Ivanova, S.L. Tokamak plasma models development for plasma magnetic control systems design by first principle equations and identification approach. Procedia Comput. Sci. 2021, 186, 466–474. [Google Scholar] [CrossRef]
- Mitrishkin, Y.; Pavlova, E.; Kuznetsov, E.; Gaydamaka, K. Continuous, saturation, and discontinuous tokamak plasma vertical position control systems. Fusion Eng. Des. 2016, 108, 35–47. [Google Scholar] [CrossRef]
- Mitrishkin, Y.V.; Kruzkov, V.I.; Korenev, P.S. Methodology of Plasma Shape Reachability Area Estimation in D-Shaped Tokamaks. Mathematics 2022, 10, 4605. [Google Scholar] [CrossRef]
- Seiler, P.; Packard, A.; Gahinet, P. An Introduction to Disk Margins: Lecture Notes. IEEE Control Syst. 2020, 40, 78–95. [Google Scholar] [CrossRef]
- Skogestad, S.; Postlethwaite, I. Multivariable Feedback Control: Analysis and Design, 2nd ed.; John Wiley & Sons, Ltd.: New York, NY, USA, 2005. [Google Scholar]
- Zhou, K.; Doyle, J. Essentials of Robust Control; Prentice Hall: Upper Saddle River, NJ, USA, 1998. [Google Scholar]
- Mitrishkin, Y.; Kurachi, K.; Kimura, H. Plasma multivariable robust control system design and simulation for a thermonuclear tokamak-reactor. Int. J. Control 2003, 76, 1358–1374. [Google Scholar] [CrossRef]
- Mitrishkin, Y.V.; Prokhorov, A.A.; Korenev, P.S.; Patrov, M.I. Plasma magnetic time-varying nonlinear robust control system for the Globus-M/M2 tokamak. Control Eng. Pract. 2020, 100, 104446. [Google Scholar] [CrossRef]
- Prokhorov, A.; Mitrishkin, Y.; Korenev, P.; Patrov, M. The plasma shape control system in the tokamak with the neural network as a plasma equilibrium reconstruction algorithm. IFAC PapersOnLine 2020, 53, 857–862. [Google Scholar] [CrossRef]
- Mitrishkin, Y.V.; Korenev, P.S.; Prohorov, A.A.; Patrov, M.I. Robust H∞ switching MIMO control for a plasma time-varying parameter model with a variable structure in a tokamak. In Proceedings of the IFAC 2017 World Congress, Toulouse, France, 9–14 July 2017. IFAC PapersOnLine 2017, 50, 11385–11390. [Google Scholar] [CrossRef]
- Mitrishkin, Y.V.; Haber, R.E. Intelligent Hierarchical Control System for Complex Processes. In Proceedings of the 6th International Conference on Informatics in Control, Automation and Robotics—ICINCO 2009: Intelligent Control Systems and Optimization, Italy, Milan, 2–5 July 2009; pp. 333–336. [Google Scholar]
- Bars, R.; Colaneri, P.; de Souza, C.E.; Allgöwer, F.; Kleimenov, A.; Scherer, C. Trends in Theory of Control System Design: Status report prepared by the IFAC Coordinating committee on Design Methods. In Proceedings of the 17th World Congress the International Federation of Automatic Control, Seoul, Republic of Korea, 6–11 July 2008; pp. 2144–2155. [Google Scholar]
- Mesarović, M.D.; Macko, D.; Takahara, Y. Theory of hierarchical, multilevel systems. In Mathematics in Science and Engineering; Academic Press: Cambridge, MA, USA, 1970; Volume 68. [Google Scholar]
- Findeisen, W.; Bailey, F.N.; Brdys, M.; Malinowski, K.; Taljewski, P.; Wozniak, A. Control and Coordination in Hierarchical Systems; International Series on Applied Systems Analysis, 9; A Wiley-Interscience Publication, International Institute for Applied Systems Analysis; John Wiley & Sons: New York, NY, USA, 1980; ISBN 9780471277422. [Google Scholar]
- Vasiliev, V.I.; Gusev, Y.M.; Efanov, V.N.; Krymsky, V.G.; Rutkovsky, V.Y.; Semeran, V.A. Multilevel Control of Dynamic Plants; Nauka: Moscow, Russia, 1987. (In Russian) [Google Scholar]
- Karimoddini, A.; Lin, H.; Chen, B.M.; Lee, T.H. Hierarchical hybrid modelling and control of an unmanned helicopter. Int. J. Control 2014, 87, 1779–1793. [Google Scholar] [CrossRef]
- Liu, J.; Xiaojun, L.; Koo, T.-K.J.; Sinopoli, B.; Sastry, S.; Lee, E.A. A Hierarchical Hybrid System Model and Its Simulation. In Proceedings of the 38th Conference on Decision & Control, Phoenix, AZ, USA, 7–10 December 1999; pp. 3508–3513. [Google Scholar]
- Mitrishkin, Y.V. Plasma magnetic control systems in D-shaped tokamaks and imitation digital computer platform in real time for controlling plasma current and shape. Adv. Syst. Sci. Appl. 2022, 22, 1–14. [Google Scholar] [CrossRef]
- Konkov, A.E.; Mitrishkin, Y.V. Comparison Study of Power Supplies in Real-Time Robust Control Systems of Vertical Plasma Position in Tokamak. IFAC—PapersOnLine 2022, 55, 327–332. [Google Scholar] [CrossRef]
- Singh, M.; Fuenmayor, E.; Hinchy, E.P.; Qiao, Y.; Murray, N.; Devine, D. Digital Twin: Origin to Future. ASI 2021, 4, 36. [Google Scholar] [CrossRef]
- Mitrishkin, Y.V.; Prokhorov, A.A.; Korenev, P.S.; Patrov, M.I. Method of Forming a Model of Magnetic Control of Plasma Shape and Current with Feedback in. Tokamak. Patent No. 2702137, 28 April 2017. [Google Scholar]
- Konkov, A.E.; Mitrishkin, Y.V.; Korenev, P.S.; Patrov, M.I. Robust Cascade LMI Design of MIMO Control System for Plasma Position, Current, and Shape Model with Time-Varying Parameters in a Tokamak. IFAC—PapersOnLine 2022, 53, 7344–7349. [Google Scholar] [CrossRef]




















Disclaimer/Publisher’s Note: The statements, opinions and data contained in all publications are solely those of the individual author(s) and contributor(s) and not of MDPI and/or the editor(s). MDPI and/or the editor(s) disclaim responsibility for any injury to people or property resulting from any ideas, methods, instructions or products referred to in the content. |
© 2023 by the author. Licensee MDPI, Basel, Switzerland. This article is an open access article distributed under the terms and conditions of the Creative Commons Attribution (CC BY) license (https://creativecommons.org/licenses/by/4.0/).
Share and Cite
Mitrishkin, Y.V. Hierarchical Cascade Control Systems for Time-Dependent Dynamical Plants as Applied to Magnetic Plasma Control in D-Shaped Tokamaks. Eng. Proc. 2023, 33, 61. https://doi.org/10.3390/engproc2023033061
Mitrishkin YV. Hierarchical Cascade Control Systems for Time-Dependent Dynamical Plants as Applied to Magnetic Plasma Control in D-Shaped Tokamaks. Engineering Proceedings. 2023; 33(1):61. https://doi.org/10.3390/engproc2023033061
Chicago/Turabian StyleMitrishkin, Yuri V. 2023. "Hierarchical Cascade Control Systems for Time-Dependent Dynamical Plants as Applied to Magnetic Plasma Control in D-Shaped Tokamaks" Engineering Proceedings 33, no. 1: 61. https://doi.org/10.3390/engproc2023033061
APA StyleMitrishkin, Y. V. (2023). Hierarchical Cascade Control Systems for Time-Dependent Dynamical Plants as Applied to Magnetic Plasma Control in D-Shaped Tokamaks. Engineering Proceedings, 33(1), 61. https://doi.org/10.3390/engproc2023033061