Internal Temperature Estimation for Lithium-Ion Cells Based on a Layered Electro-Thermal Equivalent Circuit Model
Abstract
1. Introduction
2. Model Description
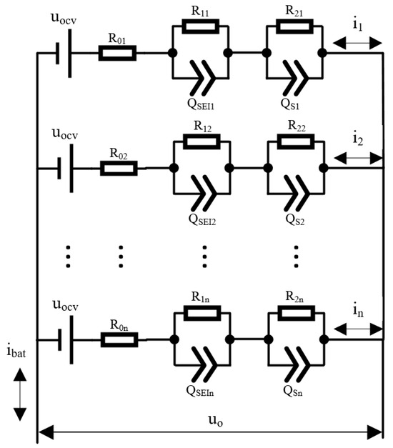
2.1. Layered Second-Order Fractional Equivalent Circuit Model
2.2. Layered Thermal Equivalent Circuit Model
2.3. Layered Electro-Thermal Equivalent Circuit Model
3. Simulation Verification and Discussion
3.1. Finite Element Model Based on 3D Newman
3.2. Parameter Identification for LETECM
3.3. Verification of the LETECM
4. Conclusions
Author Contributions
Funding
Data Availability Statement
Conflicts of Interest
Nomenclature
| Symbol | Abbreviation |
| UOCV | open circuit voltage of the battery (V) |
| R0 | the transfer impedance (Ω) |
| R1 | the resistive properties associated with the solid electrolyte interface film on the surface of the active material particles (Ω) |
| R2 | the transfer impedance at the solid–liquid interface of the active material (Ω) |
| QSEI | the constant phase behavior associated with the Solid Electrolyte Interface film on the surface of the active material particles (F) |
| QS | the constant phase element arising from its uneven surface (F) |
| n | number of layers |
| ibat | battery current (A) |
| ii | (i = 1, 2, …, n) current in the i-th layer (A) |
| Zi | (i = 1, 2, …, n) impedance of branch i (Ω) |
| s | Laplace operator |
| α | fractional order |
| β | fractional order |
| Rax | (x = 1, 2, …, n) thermal resistance between x layer and x + 1 layer(K/W) |
| Rns | thermal resistance between the n layer and the shell (K/W) |
| Rsf | thermal resistance between the shell and the surrounding environment(K/W) |
| Cax | (x = 1, 2, …, n) heat capacity of x-th layer within the battery (J/(kg·K)) |
| Cs | heat capacity of shell (J/(kg·K)) |
| Iax | (x = 1, 2, …, n) the heat generation power is analogous to a current source with current values of Iax (W) |
| Uax | (x = 1, 2, …, n) the x-th layer temperature (K) |
| Uf | the ambient temperature (K) |
| Us | the shell temperature (K) |
| mx | (x = 1, 2, …, n) the x-th layer quality (kg) |
| Tax | (x = 1, 2, …, n) the x-th layer temperature (K) |
| Tf | the ambient temperature (K) |
| Ts | the shell temperature (K) |
| Pax | (x = 1, 2, …, n) the heat generation power of x-th layer (W) |
| A | area between layers (m2) |
| δ | thickness of layer (m) |
| λ | thermal conductivity (W/(m·K)) |
References
- E, J.; Liu, G.; Zhang, Z.; Han, D.; Chen, J.; Wei, K.; Gong, J.; Yin, Z. Effect analysis on cold starting performance enhancement of a diesel engine fueled with biodiesel fuel based on an improved thermodynamic model. Appl. Energy 2019, 243, 321–335. [Google Scholar] [CrossRef]
- Shu, J.; Fu, J.; Zhao, D.; Liu, J.; Ma, Y.; Deng, B.; Zeng, D.; Liu, J.; Zhang, Y. Numerical investigation on the effects of valve timing on in-cylinder flow, combustion and emission performance of a diesel ignition natural gas engine through computational fluid dynamics. Energy Convers. Manag. 2019, 198, 111786. [Google Scholar] [CrossRef]
- Lei, T.; Yang, Z.; Lin, Z.; Zhang, X. State of art on energy management strategy for hybrid-powered unmanned aerial vehicle. Chin. J. Aeronaut. 2019, 32, 1488–1503. [Google Scholar] [CrossRef]
- Donateo, T.; Ficarella, A.; Spedicato, L.; Arista, A.; Ferraro, M. A new approach to calculating endurance in electric flight and comparing fuel cells and batteries. Appl. Energy 2017, 187, 807–819. [Google Scholar] [CrossRef]
- Yang, C.; Moon, S.; Kim, Y. A fuel cell/battery hybrid power system for an unmanned aerial vehicle. J. Mech. Sci. Technol. 2016, 30, 2379–2385. [Google Scholar] [CrossRef]
- Verstraete, D.; Gong, A.; Lu, D.D.C.; Palmer, J.L. Experimental investigation of the role of the battery in the AeroStack hybrid, fuel-cell-based propulsion system for small unmanned aircraft systems. Int. J. Hydrogen Energy 2015, 40, 1598–1606. [Google Scholar] [CrossRef]
- Wang, Y.; Zhang, X.; Chen, Z. Low temperature preheating techniques for Lithiumion batteries: Recent advances and future challenges. Appl. Energy 2022, 313, 118832. [Google Scholar] [CrossRef]
- Raijmakers, L.H.J.; Danilov, D.L.; Eichel, R.A.; Notten, P.H.L. A review on various temperature-indication methods for Li-ion batteries. Appl. Energy 2019, 240, 918–945. [Google Scholar] [CrossRef]
- Ruan, H.; Jiang, J.; Sun, B.; Su, X.; He, X.; Zhao, K. An optimal internal-heating strategy for lithium-ion batteries at low temperature considering both heating time and lifetime reduction. Appl. Energy 2019, 256, 113797. [Google Scholar] [CrossRef]
- Zhu, J.; Knapp, M.; Darma, M.S.D.; Fang, Q.; Wang, X.; Dai, H.; Wei, X.; Ehrenberg, H. An improved electro-thermal battery model complemented by current dependent parameters for vehicular low temperature application. Appl. Energy 2019, 248, 149–161. [Google Scholar] [CrossRef]
- Feng, X.; He, X.; Ouyang, M.; Lu, L.; Wu, P.; Kulp, C.; Prasser, S. Thermal runaway propagation model for designing a safer battery pack with 25Ah LiNixCoyMnzO2 large format lithium ion battery. Appl. Energy 2015, 154, 74–91. [Google Scholar] [CrossRef]
- Zhang, G.; Cao, L.; Ge, S. Insitumeasurement of radial temperature distributions in cylindrical li-ion cells. J. Electrochem. Soc. 2014, 161, A1499. [Google Scholar] [CrossRef]
- Forgez, C.; Do, D.V.; Friedrich, G.; Morcrette, M.; Delacourt, C. Thermal modeling of a cylindrical lifepo4/graphite lithium-ion battery. J. Power Sources 2010, 195, 2961–2968. [Google Scholar] [CrossRef]
- Hunt, I.A.; Zhao, Y.; Patel, Y.; Offer, J. Surface cooling causes accelerated degradation compared to tab cooling for lithium-ion pouch cells. J. Electrochem. Soc. 2016, 163, A1846–A1852. [Google Scholar] [CrossRef]
- Waldmann, T.; Bisle, G.; Hogg, B.-I.; Stumpp, S.; Danzer, M.A.; Kasper, M.; Axmann, P.; Wohlfahrt-Mehrens, M. Influence of cell design on temperatures and temperature gradients in lithium-ion cells: An in operando study. J. Electrochem. Soc. 2015, 162, A921–A927. [Google Scholar] [CrossRef]
- Liu, H.; Wei, Z.; He, W.; Zhao, J. Thermal issues about li-ion batteries and recent progress in battery thermal management systems: A review. Energy Convers. Manag. 2017, 150, 304–330. [Google Scholar] [CrossRef]
- Fleming, J.; Amietszajew, T.; Charmet, J.; Roberts, A.J.; Greenwood, D.; Bhagat, R. The design and impact of in-situ and operando thermal sensing for smart energy storage. J. Energy Storage 2019, 22, 36–43. [Google Scholar] [CrossRef]
- Zhu, S.; He, C.; Zhao, N.; Sha, J. Data-driven analysis on thermal efects and temperature changes of lithium-ion battery. J. Power Sources 2021, 482, 228983. [Google Scholar] [CrossRef]
- Liu, Z.; Li, H.X. Extreme learning machine based spatiotemporal modeling of lithium-ion battery thermal dynamics. J. Power Sources 2015, 277, 228–238. [Google Scholar] [CrossRef]
- Chen, L.Q.; Li, H.X.; Yang, H.D. Dimension embedded basis function for spatiotemporal modeling of distributed parameter system. IEEE Trans. Ind. Inform. 2019, 16, 5846–5854. [Google Scholar] [CrossRef]
- Wang, Z.; Li, H.X. Incremental spatiotemporal learning for online modeling of distributed parameter systems. IEEE Trans. Syst. Man Cybern. Syst. 2018, 49, 2612–2622. [Google Scholar] [CrossRef]
- Wang, B.C.; Li, H.X. A sliding window based dynamic spatiotemporal modeling for distributed parameter systems with time-dependent boundary conditions. IEEE Trans. Ind. Inform. 2018, 15, 2044–2053. [Google Scholar] [CrossRef]
- Wang, B.C.; Li, H.X.; Yang, H.D. Spatial correlation-based incremental learning for spatiotemporal modeling of battery thermal process. IEEE Trans. Ind. Inform. 2019, 67, 2885–2893. [Google Scholar] [CrossRef]
- Li, S.; Patel, A.N.; Zhang, C.; Amietszajew, T.; Kirkaldy, N.; Offer, G.J.; Marinescu, M. Internal temperature estimation for lithium-ion batteries through distributed equivalent circuit network model. J. Power Sources 2024, 611, 234701. [Google Scholar] [CrossRef]
- Chiew, J.; Chin, C.S.; Toh, W.D.; Gao, Z.; Jia, J.; Zhang, C.Z. A pseudo three-dimensional electrochemical-thermal model of a cylindrical lifepo4/graphite battery. Appl. Therm. Eng. 2019, 147, 450–463. [Google Scholar] [CrossRef]
- Wang, D.; Huang, H.; Tang, Z.; Zhang, Q.; Yang, B.; Zhang, B. A lithium-ion battery electrochemical-thermal model for a wide temperature range applications. Electrochim. Acta 2020, 362, 137118. [Google Scholar] [CrossRef]
- Wu, M.; Qin, L.; Wu, G. State of power estimation of power lithium-ion battery based on an equivalent circuit model. J. Energy Storage 2022, 51, 104538. [Google Scholar] [CrossRef]
- Wang, C.; Xu, M.; Zhang, Q.; Feng, J.; Jiang, R.; Wei, Y.; Liu, Y. Parameters identification of thevenin model for lithium-ion batteries using self-adaptive particle swarm optimization differential evolution algorithm to estimate state of charge. J. Energy Storage 2021, 44, 103244. [Google Scholar] [CrossRef]
- Zheng, X.; Zhagn, Z. State of charge estimation at different temperatures based on dynamic thermal model for lithium-ion batteries. J. Energy Storage 2022, 48, 104011. [Google Scholar] [CrossRef]
- Geng, Y.; Pang, H.; Liu, X. State-of-charge estimation for lithium-ion battery based on pngv model and particle filter algorithm. J. Power Electron. 2022, 22, 1154–1164. [Google Scholar] [CrossRef]
- Liu, S.; Cui, N.; Li, Y.; Zhang, C. Modeling and state of charge estimation of lithium-ion battery based on theory of fractional order for electric vehicle. Trans. China Electrotech. Soc. 2017, 32, 189–195. [Google Scholar]
- Ge, H. Alternating Current Preheating and Fast Charging of Lithium-Ion Batteries with Lithium Plating Prevention at Low Temperatures. Ph.D. Thesis, Tsinghua University, Beijing, China, 2017. [Google Scholar]
- Shang, Y. Optimization Design and Implementation of State Estimation and Balancing Management System for Lithium-Ion Batteries in Electric Vehicles. Ph.D. Thesis, Shangdong University, Jinan, China, 2017. [Google Scholar]
- Run, H. Optimal Heating and Charging Methods for Lithium-Ion Batteries Under the Low-Temperature Environment. Ph.D. Thesis, Beijing Jiaotong University, Beijing, China, 2019. [Google Scholar]
- Micea, M.V.; Ungurean, L.; CaRstoiu, G.N.; Groza, V. Online state-of-health sssessment for battery management systems. IEEE Trans. Instrum. Meas. 2011, 60, 1997–2006. [Google Scholar] [CrossRef]
- Özdemir, T.; Amini, A.; Ekici, Ö.; Koksl, M. Experimental assessment of the lumped lithium-ion battery model. E3S Web Conf. 2019, 128, 1022. [Google Scholar] [CrossRef]
- Yao, X.; Pecht, M. Tab Design and Failures in Cylindrical Li-ion Batteries. IEEE Access 2019, 7, 24082–24095. [Google Scholar] [CrossRef]
- Doyle, M.; Newman, J.; Gozdz, A.S.; Schmutz, C.N.; Tarascon, J.M. Comparison of Modeling Predictions with Experimental Data from Plastic Lithium Ion Cells. J. Electrochem. Soc. 1996, 143, 1890–1903. [Google Scholar] [CrossRef]
- Bard, A.J.; Faulkner, L.R. Electrochemical Methods: Fundamentals and Applications, 2nd ed.; Wiley: New York, NY, USA, 2020. [Google Scholar]










| Parameter | Value | Unit |
|---|---|---|
| Type | INR1865025P | - |
| Positive/negative electrode material | LFP/Graphite | - |
| Rated capacity | 2500 | mAh |
| Nominal voltage | 3.6 | V |
| Charge/discharge cut-off voltage | 4.2/2.5 | V |
| Maximum charging current | 4 | A |
| Maximum continuous discharge rate | 12 | C |
| Quality | 48 | g |
Disclaimer/Publisher’s Note: The statements, opinions and data contained in all publications are solely those of the individual author(s) and contributor(s) and not of MDPI and/or the editor(s). MDPI and/or the editor(s) disclaim responsibility for any injury to people or property resulting from any ideas, methods, instructions or products referred to in the content. |
© 2024 by the authors. Licensee MDPI, Basel, Switzerland. This article is an open access article distributed under the terms and conditions of the Creative Commons Attribution (CC BY) license (https://creativecommons.org/licenses/by/4.0/).
Share and Cite
Shi, W.; Li, W.; Xiong, S. Internal Temperature Estimation for Lithium-Ion Cells Based on a Layered Electro-Thermal Equivalent Circuit Model. Batteries 2024, 10, 406. https://doi.org/10.3390/batteries10110406
Shi W, Li W, Xiong S. Internal Temperature Estimation for Lithium-Ion Cells Based on a Layered Electro-Thermal Equivalent Circuit Model. Batteries. 2024; 10(11):406. https://doi.org/10.3390/batteries10110406
Chicago/Turabian StyleShi, Wei, Wei Li, and Shusheng Xiong. 2024. "Internal Temperature Estimation for Lithium-Ion Cells Based on a Layered Electro-Thermal Equivalent Circuit Model" Batteries 10, no. 11: 406. https://doi.org/10.3390/batteries10110406
APA StyleShi, W., Li, W., & Xiong, S. (2024). Internal Temperature Estimation for Lithium-Ion Cells Based on a Layered Electro-Thermal Equivalent Circuit Model. Batteries, 10(11), 406. https://doi.org/10.3390/batteries10110406
