Research on an Adaptive Compound Control Strategy of a Hybrid Compensation System
Abstract
1. Introduction
2. Hybrid Compensation Systems and Composite Control Strategies
2.1. Hybrid Compensation Systems and Harmonic Resonance Issues
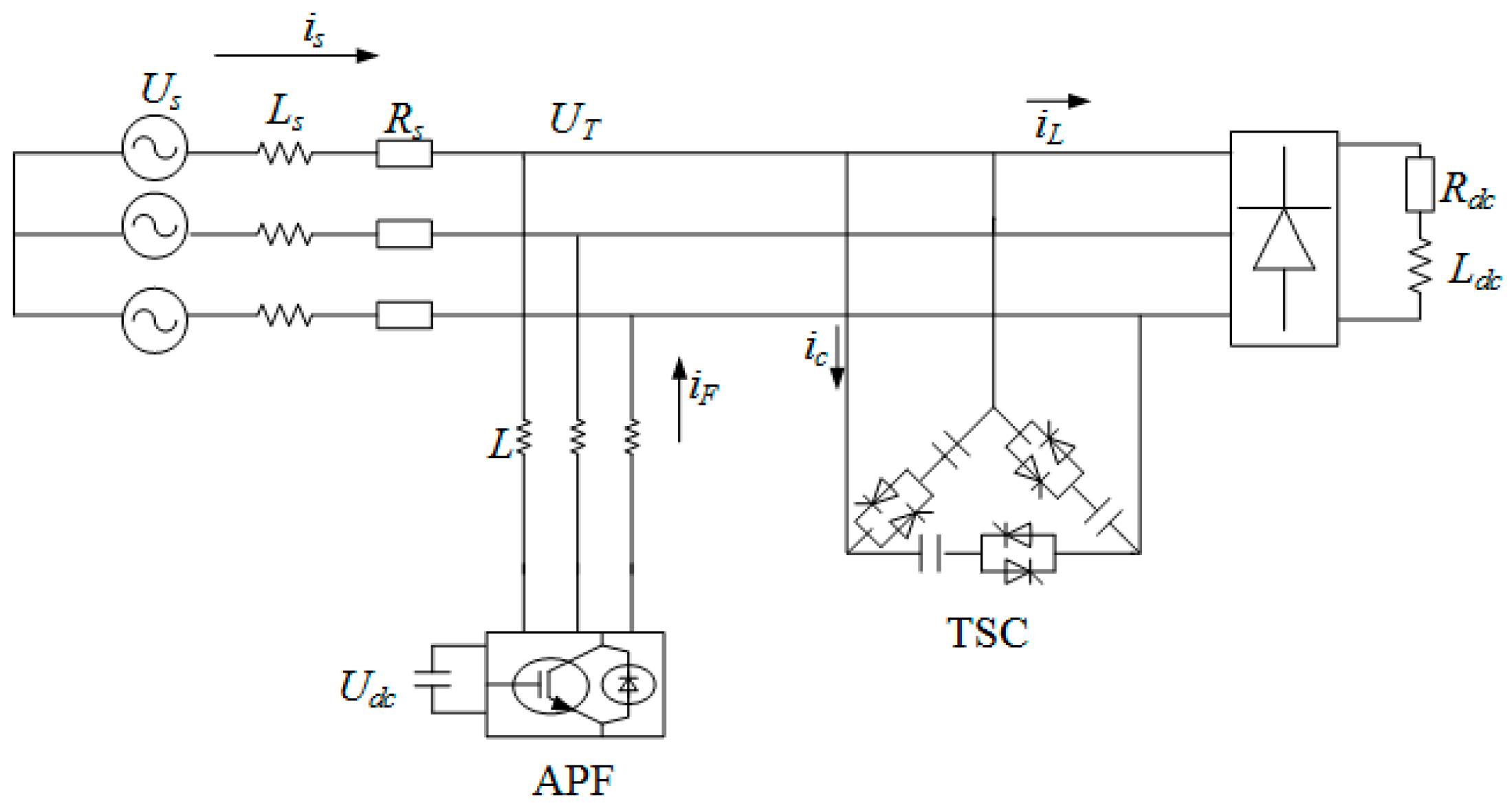
2.1.1. How Hybrid Compensation Systems Work
2.1.2. Parallel Resonance and the Effects of Hybrid Compensation Systems
2.2. Composite Control Strategies and Issues
3. Adaptive Hybrid Control Strategy
3.1. Principle of Harmonic Resonance Voltage Detection Based on PCC Node Voltage
3.2. Design of Adaptive Harmonic Resonance Damping Controller
3.3. Effectiveness Analysis of Adaptive Composite Control Strategy
4. Simulation Analysis
4.1. Experimental Verification of the Harmonic Resonance Suppression Function of the Adaptive Composite Control Strategy
4.2. Experimental Verification of Robustness of Adaptive Composite Control Strategy
4.2.1. Experimental Verification of Voltage Transients in the Power Grid with Adaptive Composite Control Strategy
4.2.2. Experimental Verification of Frequency Fluctuations with Adaptive Composite Control Strategy
5. Conclusions
- (1)
- The parallel resonance circuit composed of the grid-side inductance and the switching capacitor in the thyristor-controlled reactor (TCR) may cause harmonic resonance problems when the system is excited by nonlinear load harmonic sources, which could have a significant impact on the power quality and safe operation of the power supply system.
- (2)
- In the hybrid compensation system, adding harmonic resonance suppression control on the basis of harmonic compensation to form a compound control strategy can effectively suppress harmonic resonance. However, the traditional compound control strategy using fixed control parameters may be severely affected by changes in the system operating conditions.
- (3)
- In response to the weakened ability of traditional hybrid compensation system composite control strategies to suppress harmonic resonance when system operating conditions change, the mechanism causing the weakening of the control effects of traditional composite control strategies has been analyzed and clarified. A new adaptive composite control strategy has been proposed and designed. By using the resonance voltage at the PCC point to indirectly reflect changes in system operating conditions, the adaptive adjustment of active damping control parameters in composite control was designed and implemented. Theoretical analysis and simulation validation demonstrate that this technical solution can sense changes in system operating conditions and adaptively adjust damping control parameters, effectively suppressing harmonic compensation and harmonic resonance under complex operating conditions, and enhancing the operating quality and adaptability of the hybrid compensation system.
- (4)
- The strategy proposed in this paper presents an effective solution for a hybrid compensation system composed of TSC and APF. It holds great potential to improve the power quality and stability of power systems, providing a new approach to solving the problem of harmonic resonance in hybrid compensation systems. However, the composition of the hybrid compensation system is complex. In addition to the inherent oscillation loops present in the power supply side and compensation capacitor that this paper focuses on, the inductance and impedance of the LCL-type Active Power Filter itself can also form a resonance network with the distributed capacitance in the system. This naturally leads to the existence of resonance loops and resonance-induced power quality and stable operation issues. These can be attempted to be suppressed by adding virtual impedance to the resonance network.
Author Contributions
Funding
Data Availability Statement
Conflicts of Interest
References
- Noman, A.M.; Alkuhayli, A.; Al-Shamma’a, A.A.; Addoweesh, K.E. Hybrid MLI Topology Using Open-End Windings for Active Power Filter Applications. Energies 2022, 15, 6434. [Google Scholar] [CrossRef]
- Pană, A.; Băloi, A.; Molnar-Matei, F. Iterative Method for Determining the Values of the Susceptances of a Balancing Capacitive Compensator. Energies 2018, 11, 2742. [Google Scholar] [CrossRef]
- Liu, X.; Cao, Z.; Gao, B.; Zhou, Z.; Wang, X.; Zhang, F. Predictive Commutation Failure Suppression Strategy for High Voltage Direct Current System Considering Harmonic Components of Commutation Voltage. Processes 2022, 10, 2073. [Google Scholar] [CrossRef]
- He, Q.; Liu, L.; Qiu, M.; Luo, Q. A Step-by-Step Design for Low-Pass Input Filter of the Single-Stage Converter. Energies 2021, 14, 7901. [Google Scholar] [CrossRef]
- Li, S.; Zhou, S.; Li, H. Harmonic Suppression Strategy of LCL Grid-Connected PV Inverter Based on Adaptive QPR_PC Control. Electronics 2023, 12, 2282. [Google Scholar] [CrossRef]
- Janpong, S.; Areerak, K.; Areerak, K. Harmonic Detection for Shunt Active Power Filter Using ADALINE Neural Network. Energies 2021, 14, 4351. [Google Scholar] [CrossRef]
- Nkambule, M.S.; Hasan, A.N.; Ali, A.; Shongwe, T. A Novel Control Strategy in Grid-Integrated Photovoltaic System for Power Quality Enhancement. Energies 2022, 15, 5645. [Google Scholar] [CrossRef]
- Feng, F.; Fang, J. Weak Grid-Induced Stability Problems and Solutions of Distributed Static Compensators with Voltage Droop Support. Electronics 2022, 11, 1385. [Google Scholar] [CrossRef]
- Martins, A.P.; Rodrigues, P.; Hassan, M.; Morais, V.A. Voltage Unbalance, Power Factor and Losses Optimization in Electrified Railways Using an Electronic Balancer. Electricity 2021, 2, 554–572. [Google Scholar] [CrossRef]
- Wu, F.; Hu, G.; Su, J. Modeling and Compound Closed-Loop Control of Single-Phase Quasi-Single-Stage Isolated AC-DC Converter. Appl. Sci. 2022, 12, 7886. [Google Scholar] [CrossRef]
- Acero, J.F.C.; Viamonte, W.R.L.; Wilhem, N.J.B.C.; Velasquez, O.C. Harmonic Distortion Effects of the Wind Farm Connected to the Grid. Case Study for Marcona at 32 MW. In Proceedings of the 2021 IEEE PES/IAS Power Africa, Virtual, 23–27 August 2021; pp. 1–5. [Google Scholar]
- Wang, X.; Dai, K.; Chen, X.; Zhang, X.; Wu, Q.; Dai, Z. Reactive Power Compensation and Imbalance Suppression by Star-Connected Buck-Type D-CAP. Energies 2019, 12, 1914. [Google Scholar] [CrossRef]
- Chamier-Gliszczynski, N.; Trzmiel, G.; Jajczyk, J.; Juszczak, A.; Woźniak, W.; Wasiak, M.; Wojtachnik, R.; Santarek, K. The Influence of Distributed Generation on the Operation of the Power System, Based on the Example of PV Micro-Installations. Energies 2023, 16, 1267. [Google Scholar] [CrossRef]
- Wang, J.; Sun, K.; Wu, H.; Zhu, J.; Xing, Y.; Li, Y. Hybrid Connected Unified Power Quality Conditioner Integrating Distributed Generation with Reduced Power Capacity and Enhanced Conversion Efficiency. IEEE Trans. Ind. Electron. 2021, 68, 12340–12352. [Google Scholar] [CrossRef]
- Li, J.; Ding, H.; Sun, Y.; Guo, J.; Wang, J.; Dong, C. Suppression and reactive power compensation in power system. In Proceedings of the 2021 IEEE 4th International Conference on Automation, Electronics and Electrical Engineering (AUTEEE), Shenyang, China, 19–21 November 2021; pp. 134–139. [Google Scholar]
- Hou, R.; Wang, P.; Wu, J.; Xu, D. Research on Oscillation Suppression Methods in Shunt Active Power Filter System. Energies 2022, 15, 3125. [Google Scholar] [CrossRef]
- Li, Z.; Hu, H.; Tang, L.; Wang, Y.; Zang, T.; He, Z. Quantitative Severity Assessment and Sensitivity Analysis Under Uncertainty for Harmonic Resonance Amplification in Power Systems. IEEE Trans. Power Deliv. 2020, 35, 809–818. [Google Scholar] [CrossRef]
- Sharma, S.; Verma, V.; Tariq, M.; Urooj, S. Reduced Sensor-Based Harmonic Resonance Detection and its Compensation in Power Distribution System with SAPF. IEEE Access 2022, 10, 59942–59958. [Google Scholar] [CrossRef]
- Yan, X.; Guo, Y.; Jia, J.; Aslam, W.; Qi, B.; Wang, Y.; Xu, X. An Electromagnetic Var Compensator Suitable for Wind Power Access and Its Control Strategy. Energies 2022, 15, 5572. [Google Scholar] [CrossRef]
- Liu, Q.J.; Ying, Y.C.; Wu, M.L. Extended Harmonic Resonance Analysis of Grid-Connected Converters Considering the Frequency Coupling Effect. IEEE Trans. Ind. Electron. 2022, 69, 9353–9363. [Google Scholar] [CrossRef]
- Kenjrawy, H.; Makdisie, C.; Houssamo, I.; Mohammed, N. New Modulation Technique in Smart Grid Interfaced Multilevel UPQC-PV Controlled via Fuzzy Logic Controller. Electronics 2022, 11, 919. [Google Scholar] [CrossRef]
- Pană, A.; Băloi, A.; Molnar-Matei, F. From the Balancing Reactive Compensator to the Balancing Capacitive Compensator. Energies 2018, 11, 1979. [Google Scholar] [CrossRef]
- Guo, X.-H.; Chang, C.-W.; Chang-Chien, L.-R. Digital Implementation of Harmonic and Unbalanced Load Compensation for Voltage Source Inverter to Operate in Grid Forming Microgrid. Electronics 2022, 11, 886. [Google Scholar] [CrossRef]
- Dahono, P.A. A control method to damp oscillation in the input LC filter. In Proceedings of the 2002 IEEE 33rd Annual IEEE Power Electronics Specialists Conference, Proceedings (Cat. No.02CH37289), Cairns, Australia, 23–27 June 2002; Volume 1634, pp. 1630–1635. [Google Scholar]
- Gao, M.; Yang, L.; Yang, J. HAPF Resonance Suppression Method Based on Virtual Impedance. Electr. Power Technol. 2020, 15, 33–36. [Google Scholar] [CrossRef]
- Xu, S.; Fei, S.; Zhao, J. Resonance Damping Based on Capacitor Current Feedback for HAPF. Electr. Power Autom. Equip. 2016, 36, 55–60. [Google Scholar] [CrossRef]
- Du, X.; Zhao, C.; Wu, F.; Shi, S.; Guo, C. Resonance Suppression Strategy of Hybrid Active Power Filter in LCC-HVDC System. Autom. Electr. Power Syst. 2021, 45, 115–122. [Google Scholar] [CrossRef]
- Huang, Y.; Zheng, S.; He, L. Study on feedforward control strategy of grid-connected inverter based on virtual resistance. Acta Sci. Nat. Univ. Sunyatseni 2022, 61, 90–99. [Google Scholar] [CrossRef]
- Wu, L.; Fang, Z.; Zhang, P.; Li, H.; Wang, Z. Stability Analysis and Controller Design of Hybrid Parallel Active Power Filter. Proc. CSEE 2008, 28, 54–60. [Google Scholar] [CrossRef]
- Chen, X.; Dai, K.; Xu, C.; Lin, X. Harmonic suppression and resonance damping for shunt APF with selective closed-loop regulation of PCC voltage. In Proceedings of the 2015 IEEE Energy Conversion Congress and Exposition (ECCE), Montreal, QC, Canada, 20–24 September 2015; pp. 6439–6443. [Google Scholar]
- Zhang, Y.; Dai, K.; Chen, X.; Kang, Y.; Dai, Z. An improved method of SAPF for harmonic compensation and resonance damping with current detection of power capacitors and linear/nonlinear loads. In Proceedings of the 2017 IEEE Applied Power Electronics Conference and Exposition (APEC), Tampa, FL, USA, 26–30 March 2017; pp. 3286–3291. [Google Scholar]
- Cheng, C.Z.; Xu, C.; Dai, K. Resonance Damping Technology for Medium Voltage Distribution System of MMC-SAPF Based on PSC-PWM. High Volt. Eng. 2023, 49, 258–268. [Google Scholar] [CrossRef]
- Li, Y.; He, J.; Liu, Y.; Ren, Y.; Li, Y.W. Decoupled Mitigation Control of Series Resonance and Harmonic Load Current for HAPFs With a Modified Two-Step Virtual Impedance Shaping. IEEE Trans. Ind. Electron. 2023, 70, 8064–8074. [Google Scholar] [CrossRef]
- Ferreira, S.C.; Foster, J.G.L.; Gonzatti, R.B.; Pereira, R.R.; Pinheiro, G.G.; Guimarães, B.P.B. Online Adaptive Parameter Estimation of a Finite Control Set Model Predictive Controlled Hybrid Active Power Filter. Energies 2023, 16, 3830. [Google Scholar] [CrossRef]
- Yang, L.; Cao, T.; Chen, H.; Dong, X.; Zhang, S. Robust Control and Optimization Method for Single-Phase Grid-Connected Inverters Based on All-Pass-Filter Phase-Locked Loop in Weak Grid. Energies 2022, 15, 7355. [Google Scholar] [CrossRef]
- Shi, W.; Yu, J.; Zhou, R. A Zero-Tracking SOGI-Based Frequency-Locked Loop. IEEE J. Emerg. Sel. Top. Power Electron. 2022, 10, 3114–3128. [Google Scholar] [CrossRef]
- Langella, R.; Testa, A.; Alii, E. IEEE Recommended Practice and Requirements for Harmonic Control in Electric Power Systems. In IEEE Recommended Practice; IEEE: New York, NY, USA, 2014; pp. 1–29. [Google Scholar]

















| Parameters | Numerical Values | |
|---|---|---|
| AC grid | Voltage Us/V | 220 |
| Frequency fs/Hz | 50 | |
| Reactance Ls1/μH | 340 | |
| Reactance Ls2/μH | 340 | |
| Resistance Rs/Ω | 0.01 | |
| APF | Filter inductance Lf/μH | 450 |
| Switching frequency fw/kHz | 9.6 | |
| DC side voltage Udc/V | 700 | |
| Rated current if*/A | 100 | |
| TSC | Thyristor capacitance per phase C1/μF | 250 |
| Thyristor capacitance per phase C2/μF | 610 | |
| Non-linear loads | Load-side reactance L/μH | 100 |
| Load-side resistance R/Ω | 12.5 | |
| Voltage outer-loop PIv parameters | Kpv | 3.2 |
| Kiv | 520 | |
| PIr parameters | Kpr | 1.2 |
| Kir | 600 | |
Disclaimer/Publisher’s Note: The statements, opinions and data contained in all publications are solely those of the individual author(s) and contributor(s) and not of MDPI and/or the editor(s). MDPI and/or the editor(s) disclaim responsibility for any injury to people or property resulting from any ideas, methods, instructions or products referred to in the content. |
© 2023 by the authors. Licensee MDPI, Basel, Switzerland. This article is an open access article distributed under the terms and conditions of the Creative Commons Attribution (CC BY) license (https://creativecommons.org/licenses/by/4.0/).
Share and Cite
Wang, H.; Lei, H.; Pei, X. Research on an Adaptive Compound Control Strategy of a Hybrid Compensation System. Processes 2023, 11, 2109. https://doi.org/10.3390/pr11072109
Wang H, Lei H, Pei X. Research on an Adaptive Compound Control Strategy of a Hybrid Compensation System. Processes. 2023; 11(7):2109. https://doi.org/10.3390/pr11072109
Chicago/Turabian StyleWang, Hongxia, Huilin Lei, and Xiaoyuan Pei. 2023. "Research on an Adaptive Compound Control Strategy of a Hybrid Compensation System" Processes 11, no. 7: 2109. https://doi.org/10.3390/pr11072109
APA StyleWang, H., Lei, H., & Pei, X. (2023). Research on an Adaptive Compound Control Strategy of a Hybrid Compensation System. Processes, 11(7), 2109. https://doi.org/10.3390/pr11072109
