A Reduced-Order Small-Signal Model for Four-Switch Buck–Boost Under Soft-Switching Current Shaping Control Strategy
Abstract
1. Introduction
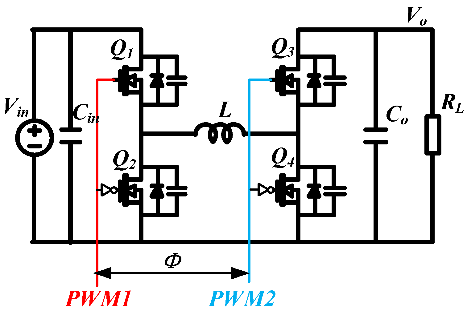
2. Analysis of Four-Switch Buck–Boost Converter Under Digital High-Frequency Soft-Switching Current Shaping Control Strategy
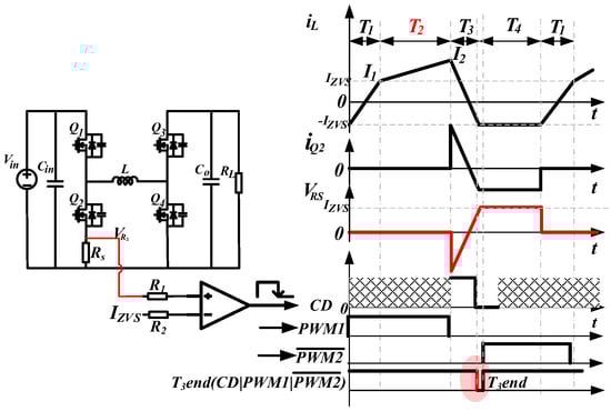
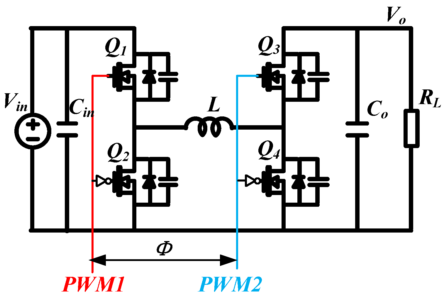
2.1. A Brief Introduction to the Operation Mode and Simplified Real-Time Digital CSC Scheme of FSBB
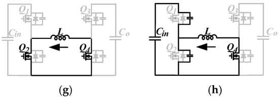
2.2. The Proposed Averaged Switch Network and Linearized Reduced-Order Small-Signal Model
2.3. The Closed-Loop Parameter Design Using Proposed Reduced-Order Small-Signal Model
3. Experimental Verifications
4. Conclusions
Author Contributions
Funding
Data Availability Statement
Conflicts of Interest
References
- Orellana, M.; Petibon, S.; Estibals, B.; Alonso, C. Four switch buck–boost converter for photovoltaic dc–dc power applications. In Proceedings of the IECON-36th Annual Conference on IEEE Industrial Electronics Society, Glendale, AZ, USA, 7–10 November 2010; pp. 469–474. [Google Scholar]
- Chen, C.; Chen, K.; Chen, Y. Modeling and controller design for a four-switch buck–boost converter in distributed maximum power point tracking PV system applications. In Proceedings of the IEEE Energy Conversion Congress and Exposition, Raleigh, NC, USA, 15–20 September 2012; pp. 1663–1668. [Google Scholar]
- Huang, X.; Li, G.; Tian, L.; Wu, X. MHz Level Two-Stage ZVS DC-DC Converter with Wide Input and Output Voltage Ranges. In Proceedings of the 2023 IEEE 14th International Symposium on Power Electronics for Distributed Generation Systems (PEDG), Shanghai, China, 9–12 June 2023; pp. 117–120. [Google Scholar] [CrossRef]
- Qiao, H.; Zhang, Y.; Yao, Y.; Wei, L. Analysis of Buck-Boost Converters for Fuel Cell Electric Vehicles. In Proceedings of the IEEE International Conference on Vehicular Electronics and Safety, Shanghai, China, 13–15 December 2006; pp. 109–113. [Google Scholar]
- Shiau, J.-K.; Cheng, C.-J.; Tseng, C.-E. Stability analysis of a non-inverting synchronous buck-boost power converter for a solar power management system. In Proceedings of the 2008 IEEE International Conference on Sustainable Energy Technologies, Singapore, 24–27 November 2008; pp. 263–268. [Google Scholar]
- Gaboriault, M.; Notman, A. A high efficiency, noninverting; buck-boost DC-DC converter. In Proceedings of the Nineteenth Annual IEEE Applied Power Electronics Conference and Exposition, Anaheim, CA, USA, 22–26 February 2004; Volume 3, pp. 1411–1415. [Google Scholar]
- Xiao, H.; Xie, S.; Chen, W.; Huang, R. An interleaving double-switch Buck-Boost converter for PV grid-connected inverter. In Proceedings of the 2010 IEEE Energy Conversion Congress and Exposition, Atlanta, GA, USA, 12–16 September 2010; pp. 2642–2646. [Google Scholar]
- Ren, X.; Ruan, X.; Qian, H.; Li, M.; Chen, Q. Three-mode dual frequency two-edge modulation scheme for four-switch buck–boost converter. IEEE Trans. Power Electron. 2009, 24, 499–509. [Google Scholar]
- Yu, Z.; Kapels, H.; Hoffmann, K.F. High efficiency bidirectional dc–dc converter with wide input and output voltage ranges for battery systems. In Proceedings of the PCIM Europe 2015 International Exhibition and Conference for Power Electronics, Intelligent Motion Renewable Energy Energy Management, Nuremberg, Germany, 19–20 May 2015; pp. 1–8. [Google Scholar]
- Waffler, S.; Kolar, J.W. A novel low-loss modulation strategy for high-power bi-directional buck + boost converters. In Proceedings of the 2007 7th Internatonal Conference on Power Electronics, Daegu, Republic of Korea, 22–26 October 2007; pp. 889–894. [Google Scholar]
- Zhou, Z.; Li, H.; Wu, X. A Constant Frequency ZVS Control System for the Four-Switch Buck–Boost DC–DC Converter with Reduced Inductor Current. IEEE Trans. Power Electron. 2019, 34, 5996–6003. [Google Scholar] [CrossRef]
- Liu, Q.; Qian, Q.; Ren, B.; Xu, S.; Sun, W.; Li, H. A New Modulation Strategy for Four-switch Buck-boost Converter with Reduced Freewheeling Current. In Proceedings of the 2020 IEEE Applied Power Electronics Conference and Exposition (APEC), New Orleans, LA, USA, 15–19 March 2020; pp. 2104–2108. [Google Scholar]
- Liu, F.; Xu, J.; Chen, Z.; Huang, R.; Chen, X. A Constant Frequency ZVS Modulation Scheme for Four-Switch Buck–Boost Converter with Wide Input and Output Voltage Ranges and Reduced Inductor Current. IEEE Trans. Ind. Electron. 2023, 70, 4931–4941. [Google Scholar] [CrossRef]
- Tian, L.; Wu, X.; Jiang, C.; Yang, J. A Simplified Real-Time Digital Control Scheme for ZVS Four-Switch Buck–Boost with Low Inductor Current. IEEE Trans. Ind. Electron. 2022, 69, 7920–7929. [Google Scholar] [CrossRef]
- Liu, F.; Xu, J.; Chen, Z.; Yang, P.; Deng, K.; Chen, X. A Multi-Frequency PCCM ZVS Modulation Scheme for Optimizing Overall Efficiency of Four-Switch Buck–Boost Converter with Wide Input and Output Voltage Ranges. IEEE Trans. Ind. Electron. 2023, 70, 12431–12441. [Google Scholar] [CrossRef]
- Xiao, L.; Ruan, X.; Dong, R.; Jiang, Y.; Fu, T. Analysis and Modeling of a Four-Switch Buck-Boost Converter with PWM plus Phase-Shift Control. In Proceedings of the 2023 IEEE Applied Power Electronics Conference and Exposition (APEC), Orlando, FL, USA, 19–23 March 2023; pp. 1307–1314. [Google Scholar] [CrossRef]
- Dong, R.; Ruan, X.; Xiao, L. A Simplified Implementation with Improved Dynamic Performance of PWM Plus Phase-Shift Control for Four-Switch Buck–Boost Converter. IEEE Trans. Power Electron. 2024, 39, 3014–3023. [Google Scholar] [CrossRef]
- Yang, F.; Guo, W.; Zheng, D.; Ruan, X.; Yao, K.; Gu, L. A Constant Switching Frequency Real-Time Digital Control for ZVS Four-Switch-Buck-Boost Converter. IEEE Trans. Power Electron. 2025, 40, 9649–9659. [Google Scholar] [CrossRef]
- de Castro, R.; Araujo, R.E.; Brembeck, J. A Nonlinear Control Allocation Strategy for Dual Half Bridge Power Converters. IEEE Trans. Autom. Sci. Eng. 2025, 22, 16091–16107. [Google Scholar] [CrossRef]
- Gallo, E.; Biadene, D.; Cvejić, F.; Spiazzi, G.; Caldognetto, T. An energy-based model of four-switch buck—Boost converters. IEEE Trans. Power Electron. 2024, 39, 4139–4148. [Google Scholar] [CrossRef]
- Bai, Y.; Cao, Y.; Mitrovic, V.; Fan, B.; Burgos, R.; Boroyevich, D. A Simplified Quadrangle Current Modulation for Four-Switched Buck-Boost Converter (FSBB) with a Novel Small Signal Model. In Proceedings of the 2023 IEEE Applied Power Electronics Conference and Exposition (APEC), Orlando, FL, USA, 19–23 March 2023; pp. 736–743. [Google Scholar] [CrossRef]
- Cuk, S.; Middlebrook, R.D. A general unified approach to modeling switching dc-to-dc converters in discontinuous conduction mode. In Proceedings of the IEEE Power Electronics Specialists Conference, Palo Alto, CA, USA, 14–16 June 1977; pp. 36–57. [Google Scholar]
- Maksimovic, D. Computer-aided small-signal analysis based on impulse response of DC/DC switching power converters. IEEE Trans. Power Electron. 2000, 15, 1183–1191. [Google Scholar] [CrossRef]
- Dunn, I.J.; Heinzle, E.; Ingham, J.; Přenosil, J.E. Biological Reaction Engineering: Dynamic Modelling Fundamentals with Simulation Examples, 2nd ed.; Wiley-VCH: Weinheim, Germany, 2013. [Google Scholar]























| Specifications | |
|---|---|
| Input voltage | 36–60 V |
| Output voltage | 48 V |
| Output power | 300 W |
| Switching frequency | 800 kHz |
| Output capacitor Co | 180 uF |
| Inductance | 0.86 uH |
| Switches | 4 × Si MOSFET CSD19532Q5B (100 V 5.6 m) |
| Driver | 2 × UCC27210 |
| Comparator | TLV3501 |
| Inductor core | DMR51w |
| Controller | TMS320F28069 |
| PI parameters | kp = 48, ki = 6 × 104 |
Disclaimer/Publisher’s Note: The statements, opinions and data contained in all publications are solely those of the individual author(s) and contributor(s) and not of MDPI and/or the editor(s). MDPI and/or the editor(s) disclaim responsibility for any injury to people or property resulting from any ideas, methods, instructions or products referred to in the content. |
© 2025 by the authors. Licensee MDPI, Basel, Switzerland. This article is an open access article distributed under the terms and conditions of the Creative Commons Attribution (CC BY) license (https://creativecommons.org/licenses/by/4.0/).
Share and Cite
Tian, L.; Liu, H.; Zhang, Y.; Wu, X. A Reduced-Order Small-Signal Model for Four-Switch Buck–Boost Under Soft-Switching Current Shaping Control Strategy. Electronics 2025, 14, 2564. https://doi.org/10.3390/electronics14132564
Tian L, Liu H, Zhang Y, Wu X. A Reduced-Order Small-Signal Model for Four-Switch Buck–Boost Under Soft-Switching Current Shaping Control Strategy. Electronics. 2025; 14(13):2564. https://doi.org/10.3390/electronics14132564
Chicago/Turabian StyleTian, Lin, Hui Liu, Yan Zhang, and Xinke Wu. 2025. "A Reduced-Order Small-Signal Model for Four-Switch Buck–Boost Under Soft-Switching Current Shaping Control Strategy" Electronics 14, no. 13: 2564. https://doi.org/10.3390/electronics14132564
APA StyleTian, L., Liu, H., Zhang, Y., & Wu, X. (2025). A Reduced-Order Small-Signal Model for Four-Switch Buck–Boost Under Soft-Switching Current Shaping Control Strategy. Electronics, 14(13), 2564. https://doi.org/10.3390/electronics14132564

