Next Article in Journal
Generalization of Split DC Link Voltages Behavior in Three-Phase-Level Converters Operating with Arbitrary Power Factor with Restricted Zero-Sequence Component
Previous Article in Journal
A 10-Bit 400 MS/s Dual-Channel Time-Interleaved SAR ADC Based on Comparator Multiplexing
Previous Article in Special Issue
Efficiency Improvement for Wireless Power Transfer System via a Nonlinear Resistance Matching Network
 
 
Font Type:
Arial Georgia Verdana
Font Size:
Aa Aa Aa
Line Spacing:
Column Width:
Background:
Article

Power Injection and Free Resonance Decoupled Wireless Power Transfer System with Double-Switch

1
School of Mechanical & Electrical Engineering, Guizhou Normal University, Guiyang 550025, China
2
Department of Instrumental and Electrical Engineering, Xiamen University, Xiamen 361005, China
3
School of Mechanical and Automotive Engineering, Xiamen University of Technology, Xiamen 361005, China
*
Author to whom correspondence should be addressed.
Electronics 2023, 12(19), 4061; https://doi.org/10.3390/electronics12194061
Submission received: 14 August 2023 / Revised: 19 September 2023 / Accepted: 25 September 2023 / Published: 27 September 2023
(This article belongs to the Special Issue Design and Applications of Wireless Power Charging Systems)

Abstract

:
This article presents a type of power injection and free resonance decoupled wireless power transfer (WPT) system, the double-switch independent power injection and free resonance wireless power transfer (IPIFR-WPT) system working in CCM. Based on the stroboscopic mapping model, the theoretical results show that the operation point of the proposed WPT system is determined by itself instead of the switching control strategy. Specifically, once the voltage on the primary capacitance does not decrease to the input voltage in the free-resonance process, the diode in series would not turn on and the system would not switch to the power injection process. Therefore, there is a wide soft-switching margin to ensure the system operating in soft-switching states. Another characteristic of the proposed WPT system is the monotonicity between output power and operation cycle, which presents a simple power control method. And since the soft-switching margin may have intersection under dynamic coupling coefficient, the proposed system maintains soft-switching states with a fixed switching strategy and presents advantage to resist the dynamic change of coupling coefficient. All the characteristics of the proposed WPT system mentioned above have been verified in both theory and experiment.

1. Introduction

The wireless power transfer (WPT) system is mainly based on the principle of electromagnetic induction and high-frequency inverter technology to transfer power wirelessly from a primary coil to one or more moveable secondary coils across air gaps [1]. There is no direct physical connection between the primary coil and secondary coil and they are coupled by electromagnetic fields. Hence, WPT technology is an ideal solution for connector-free, moveable or rotatable devices, especially electric vehicles, robots, portable devices and even underwater devices [2,3,4,5,6].
Usually, WPT systems including LC, LCL and LCC systems using a variety of compensation networks are fully resonant types, that is, all working modes of the systems are in resonant state [7,8,9,10,11]. Power injection and system resonance are completed simultaneously. The fully resonant type WPT system works well under static operation condition. However, since the primary and secondary coils are not rigidly connected, the coil dynamic offset and vibration could be caused by environmental impact. By changing the system coupling coefficient and load resistance during operation, the impedance of the fully resonant type WPT system will change and the output power and operation efficiency will be greatly reduced. In order to ensure fully resonant type WPT systems work at the maximum power operation point or the maximum efficiency operation point under dynamic parameters, some closed-loop methods have been proposed, such as the impedance compensation methods and the frequency tracking methods [12,13]. However, the required operation points of the fully resonant type WPT system may exist in non-unique solutions, which brings difficulty for these closed-loop methods [14,15,16].
The independent power injection and free resonance wireless power transfer (IPIFR-WPT) system has been proposed, whose processes of power injection and resonance are decoupled instead of happening at the same time like the fully resonant type [17,18,19]. Article [17] described the performance of an IPIFR-WPT system with six switches working in discontinuous current mode (DCM) and put forward the corresponding equivalent linear models. Similar to the DCM mode of the BUCK circuit, there are three modes in one steady-state period in the six-switch topology, that is, power injection mode, self-resonance mode and stop mode. In the stop mode, the current through the primary-side inductor is zero. Hence, the stop mode has no contribution to transfer power and the power density is not very high. Then, a new IPIFR-WPT system with six switches working in continuous current mode (CCM) was proposed [18]. Similar to the CCM mode of the BUCK circuit, there are two modes in one steady-state period, that is power injection mode and self-resonance mode. Working in CCM, the current through the primary-side inductor is continuous and does not remain zero. However, in both articles [17,18], there was no theoretical method to determine the periods of the linear subsystems.
To simplify the modes and decrease the number of switches, article [19] proposed another type of IPIFR-WPT system with two switches working in DCM and described the easy power control method and the wide range of soft-switching operation. But only an approximate model had been put forward and the calculated result was not totally precise. As the case when the system parameters changed has not been discussed, the wide range of soft-switching operation could not be proved fully.
This article is trying to study the characteristics of self-determining operation point and open-loop adaptability in the double-switch type of IPIFR-WPT system working in CCM. The main work of this article is to present a theoretical method based on the stroboscopic mapping to determine the precise operation point of each linear subsystem when the system achieves a steady state [20]. All the performance can be predicted with the determined precise operation point. Furthermore, the characteristics of the proposed WPT system including the self-determining soft-switching operation point and the monotonicity of power curve about the cycle can all be verified.
In Table 1, the comparison between the proposed system and the similar systems has been listed. In the CCM operation mode, the proposed system has only four control modes, which means its control strategy is simpler than the other topologies.
Note that the power injection process and the free-resonance process of the IPIFR-WPT system are independent. The self-determining soft-switching operation point means that the IPIFR-WPT system can automatically adjust the real intervals of each process under both the static and dynamic system parameters, which allows the switching strategy that has a wide soft-switching margin to let the control process be flexible. And the monotonicity of power curve about cycle means that the input and output power of the proposed WPT system can be controlled continuously instead of being limited by the power peak, which could simplify the power control method.

2. Mode Analysis and Operation Point Calculating Method

2.1. Mode Analysis

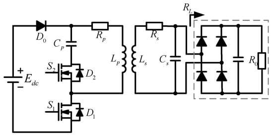
The main circuit diagram of the IPIFR-WPT system is shown in Figure 1. The diode D0 is used to prevent current backflow. The switch S1 is used to connect the dc voltage source Edc to the circuit of the primary side. Besides, there is a switch S2 control to access the resonant capacitor Cp on the primary side. The primary self-inductance Lp with internal resistance Rp and the secondary self-inductance Ls with internal resistance Rs constitute the mutual inductance coil, the main power transfer element. Additionally, between the primary coil and the secondary coil, M is the mutual inductance and k is the coupling coefficient. Cs is the filter capacitor on the secondary side. In addition, a rectifier bridge in parallel with a relatively large capacitor C0 in the secondary side to filter a dc output, and the real load R and the equivalent load RL have the following relationship [21]:
R L = 8 R 0 π 2
The operation modes of the proposed system in CCM are shown in Figure 2. On Figure 2, up, ip, is and uo are the state variables on Cp, Lp, Ls and Cs, respectively. And i1 is the current across the diode D0. The power injection process only includes Mode 1, shown in Figure 2a. The self-resonance process consists of Mode 2, Mode 3 and Mode 4, which are shown in Figure 2b–d, respectively. Since the performance on the primary side matters the stability of converter directly, only the operation curves of ip and up are shown in Figure 3. The operation time of power injection process and self-resonance process are ξ1 and ξ2, respectively.
Mode 1 [t0, t1]: Mode 1 is the power injection process, which is shown as Figure 2a. Before t0, the switch S1 has been already turned on and the switch S2 has been turned off. But before t0, up > Edc and the diode D0 was not conducting, meanwhile the current ip flowed through the bypass diode D2. At the time t0, up decreases to Edc and the diode D0 is conducting so that the current ip is commutated from the bypass diode D2 to S1. Meanwhile, Cp will be isolated from the system and the dc supply Edc will charge the inductor Lp directly. The primary current ip across Lp is unidirectional to ensure the turning-on of the diode D0, namely, ip > 0. Note that in mode 1, i1 = ip.
Mode 2 [t1, t2]: Mode 2 in Figure 2b is an incomplete self-resonance process. At t1, the switch S1 turns off and the switch S2 remains off, but the current ip > 0 so that the current ip is commutated from the switch S1 to the bypass diode D2 naturally, meanwhile i1 = 0. Since the operation time of Mode 2 is very short, the current ip will satisfy that ip > 0 during Mode 2.
Mode 3 [t2, t4]: Mode 3 in Figure 2c is a complete self-resonance process. At the time t2, the switch S2 turns on to let the capacitor Cp and the inductor Lp connect to each other to form a resonant network. Since ip > 0, the diode D0 is conducting. If the tube voltage drop of D2 is ignored, the turning-on process of S2 meets the opening zero voltage switching (ZVS) condition.
Mode 4 [t4, t5]: Mode 4 in Figure 2d is an incomplete self-resonance process. At the time t4, the switch S1 turns on meanwhile S2 turns off. Since ip > 0, the current ip remains conducting in the diode D2 to let the turning-off of S2 meet the ZVS condition. Meanwhile as up > Edc, the diode D2 is not conducting so that no current flows through the switch S1. Hence, the turning-on of S1 meets the zero current switching (ZCS) condition. And the current ip will not be commutated from the diode D2 to the switch S1 until the time t5 where up = Edc.

2.2. Calculating Method of the Operation Point

In the IPIFR-WPT system working in the CCM mode, the processes can be divided into two independent subsystems including the power injection Σ1 and the self-resonance Σ2, whose equivalent circuits are shown in Figure 4.
During the power injection process, which is shown in Figure 4a, the capacitor Cp is isolated from the system and the dc supply Edc is connected to the system. The power is injected to the system, meanwhile up remains satisfying up = Edc during the power injection process.
During the self-resonance process, which is shown in Figure 4b, Edc is isolated from the system while Lp and Cp are connected to each other to form a resonant network. As a result, the power will transfer from the primary side to the secondary side during the self-resonance process.
Let x = [up, ip, is, uo]T and u = [Edc] be the state vector and the input vector of the system, respectively. And the reference directions of every state have marked been on Figure 4. According to the Kirchhoff’s voltage and current laws, the equivalent circuit shown in Figure 4a of the two subsystems Σ1 and Σ2 can be described by the differential equations as follows:
Σ1: the equation for power injection is
x ˙ = A 1 x + B 1 u
Σ2: the equation for self-resonance is
x ˙ = A 2 x
where:
A 1 = 0 0 0 0 0 L s R p Δ M R s Δ M Δ 0 M R p Δ L p R s Δ L p Δ 0 0 1 C s 1 C s R L
B 1 = 0 L s Δ M Δ 0 T
A 2 = 0 1 C s 0 0 L s Δ L s R p Δ M R s Δ M Δ M Δ M R p Δ L p R s Δ L p Δ 0 0 1 C s 1 C s R L
Δ = M 2 L p L s
M = k L p L s
The solution of linear system Σ1 and Σ2 can be expressed as follows:
Σ1: the equation for power injection is
x ( t ) = Φ 1 ( t ) x 0 + t 0 t + t 0 Φ ( t 0 + t τ ) B 1 E d c d τ
Σ2: the equation for self-resonance is
x ( t ) = Φ 2 ( t ) x 0
where x0 = x(t)|t= 0, Φ1(t) = exp{A1t} and Φ2(t) = exp{A2t}.
Note that the integral term in (4) is a zero-input response, whose value is a single valued function about time. Let Yzi(t) replace this integral term to simplify writing and Equation (4) can be rewritten as follows:
x ( t ) = Φ 1 ( t ) x 0 + Y z i ( t )
The iterative relationship of the IPIFR-WPT system in nth operation cycle is shown in Figure 5. The intervals of subsystems Σ1 and Σ2 are ξ1 and ξ2, respectively. xn is the initial state variables. After the time spans ξ1 and ξ2 of the two subsystems, an intermediate state variable xn1 and the terminal state variable xn+1 can be described as follows:
x n 1 = Φ 1 ( ξ 1 ) x n + Y z i ( ξ 1 )
x n + 1 = Φ 2 ( ξ 2 ) Φ 1 ( ξ 1 ) x n + Φ 2 ( ξ 2 ) Y z i ( ξ 1 )
Once the system operates in steady state, the state variables must be periodic, namely, xn+1 = xn. Equation (8) is a mapping from xn to xn+1, therefore x* = xn = xn+1 can be described as a fixed point in this mapping, whose equation is presented as follows:
x * = [ I Φ 2 ( ξ 2 ) Φ 1 ( ξ 1 ) ] 1 Φ 2 ( ξ 2 ) Y z i ( ξ 1 )
Let the operation cycle T be a constant and bring ξ2 = Tξ1 in (9), then the equation can be rewritten as follows:
x * = [ I Φ 2 ( T ξ 1 ) Φ 1 ( ξ 1 ) ] 1 Φ 2 ( T ξ 1 ) Y z i ( ξ 1 )
Based on the mode analysis, the boundary β1 and β2 shown in Figure 5 can be described as follows:
When Σ2 switches to Σ1, the boundary is β1: up = Edc & ip > 0,
When Σ1 switches to Σ2, the boundary is β2: S1 = 0.
The boundary β1 is determined by the value of state variables instead of the actions of switches. Concretely, before the boundary β1, the system works in the free-resonance process, since the voltage up is greater than Edc, the resonant current ip flow through the resonant tank consists of Cp and Lp even the switch S1 has been already turned-on. At the moment of β1, the voltage up decreases to Edc and the current ip completes commutation from D2 to S1. Therefore, the voltage up equals to Edc at the boundary β1 and the equation can be expressed as follows:
C 1 [ I Φ 2 ( T ξ 1 ) Φ 1 ( ξ 1 ) ] 1 Φ 2 ( T ξ 1 ) Y z i ( ξ 1 ) = E d c
where, C1 = [1, 0, 0, 0].
Make a new function as follows:
f ( ξ 1 ) = C 1 [ I Φ 2 ( T ξ 1 ) Φ 1 ( ξ 1 ) ] 1 Φ 2 ( T ξ 1 ) Y z i ( ξ 1 ) E d c 1
The result of f (ξ1) = 0 will meet the steady-state condition. The parameters of the IPIFR-WPT system are shown in Table 2 and the operation cycle T = 100 μs.
The curves of the function f (ξ1) with T = 100 μs are shown in Figure 6. There are two results of f (ξ1) = 0, that is, ξ1a = 13.09 μs and ξ1b = 36.71 μs. Then, bring ξ1a and ξ1b into (10) to solve the corresponding fixed point, respectively, and the results are shown in Table 3.
According to the calculated result of fixed point, for ξ1a = 13.09 μs, up = Edc and ip = 5.774A > 0 are both satisfied, which means the boundary β1 is meeting and this result ξ1a = 13.09 μs can be accepted. As for ξ1b = 36.71 μs, up = Edc is satisfied but ip = −2.927A < 0, which means the boundary β1 is not meeting and this result will be rejected.
Now, the operation point has been solve out and fixed point has been determined. Furthermore, the continuous solution of state variables in one steady cycle [nT, (n + 1)T] can be presented as follows:
x ( t ) = Φ 1 ( t n T ) x * + Y z i ( t n T ) , t [ n T , n T + ξ 1 ] Φ 2 ( t n T ξ 1 ) x n 1 * , t ( n T + ξ 1 , ( n + 1 ) T )
Bring ξ1 = 13.09 μs and the corresponding fixed point shown in Table 3 into (13), then the waveforms of ip(t) and up(t) with can be calculated and plotted in Figure 7. Ξ1 and ξ2 is the intervals of subsystems Σ1 and Σ2, respectively.

3. System Characteristics

3.1. The Wide Soft-Switching Margin Characteristic

The switching condition for Σ2 switching to Σ1, namely, the boundary β1, is not determined by the switching actions, which is a remarkable characteristic different from the other WPT system. In the mode analysis shown in Figure 2, S1 has already been turned-on in Mode 4 and the system mode will not switch to Mode 1 until the voltage up decreases to Edc. Hence, the switching strategies are not strictly corresponding to the real operation points. Holding the switching cycle T = 100 μs unchanged, the curves of three switching control methods with different pulse widths, which is the simulation results by Matlab Simulink, are shown in Figure 8.
Based on the analysis above, once up > Edc and ip > 0 are both satisfied at the moment of turning-on S1 while turning-off S2, the boundary β1 will meet and the operation point will be self-determined by the system. In Figure 8a, the maximum duty of S1 has been taken at the critical position of ip = 0. In Figure 8c, the minimum duty of S1 has been taken at the boundary position of up = Edc. Hence, once the duty of S1 takes any values in the margin [D3, D1], the operation points of the double-switch IPIFR-WPT system will be self-determined to be the same and the waveforms of up(t) and ip(t) are also the same. And the margin [D3, D1] is called the soft-switching margin.
In the case that the system parameters take the value in Table 2 and T = 100 μs, the soft-switching margin is [13.09 μs, 29.07 μs], which takes 15.98% of the cycle T. No matter what value in [13.09 μs, 29.07 μs] has been taken as the duty of S1, the intervals of power injection and self-resonance are 13.09 μs and 86.91 μs, respectively, namely, the same operation point has been determined by the system itself instead of the switching strategies. Hence, there is a great margin to ensure the system work is steady and the difficulty of control strategies can be reduced greatly. And note that the value of minimum duty equals to the determined interval ξ1 of power injection process.

3.2. Self-Determining Soft-Switching Operation Point under Dynamic Coupling Coefficient

Since the switching strategies of the proposed WPT system have a wide soft-switching margin under static system parameters, the soft-switching margin may have overlapping parts under different system parameters. Therefore, the operation point could be self-determined under dynamic system parameters but the same switching strategies. Of all parameters, the coupling coefficient k is the most prone to change dynamically due to the relative movement of the coils.
When k changes from 0.3 to 0.6, the curves of soft-switching margin [Dmin, Dmax] can be plotted as Figure 9 and Mar is defined as the percentage of this margin in cycle T as follows:
M a r = D m a x D m i n T × 100 %
When the switching strategies remain in the shadow part between the curves of Dmin and Dmax on Figure 9, the system will keep working in soft-switching operation state under dynamic change of k. And the percentage Mar remains above 14.4%, which indicates that there is a wide soft-switching margin to ensure the system working under dynamic change of k.
According to Figure 9, if we let k equal to 0.45, 0.50 and 0.55, respectively, meanwhile the duty of S1 remains as 20%, the system will work in a soft-switching margin under the three situations. Namely, when k changes from 0.45 to 0.55 dynamically, the switching strategies keep the same, T = 100 μs and D = 25%.
Then, as shown in Figure 10, the waveforms of i1(t), ip(t) and up(t) are plotted when k equals to (a) 0.45, (b) 0.50 and (c) 0.55, respectively. The determined intervals ξ1 by the system itself are (a) 10.09 μs, (b) 13.09 μs and (c) 16.55 μs correspondingly and the boundary conditions β1 are all meeting in the three figures. Therefore, when the switching strategies remain the same and the coupling coefficient k changes dynamically, the IPIFR-WPT system can keep working in soft-switching states by self-determining its operating point.

3.3. The Monotonicity of Power about Cycle

Since Equation (13) can solve the time series of the state variables x(t) of the IPIFR-WPT system in one steady-state cycle, it is simple to calculate the input and output power as follows:
P i n = E d c T 0 ξ 1 i p ( t ) d t
P o u t = 1 T R L 0 T u o 2 ( t ) d t
η = P o u t P i n × 100 %
where ip(t) = [0, 1, 0, 0]x(t) and uo(t) = [0, 0, 0, 1]x(t), η is the efficiency of the whole system.
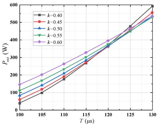
According to the characteristic of a self-determining operation point, it is illustrated that the switching strategies of double-switch IPIFR-WPT system has a wide margin to ensure the soft-switching operation states and the duty of S1 does not determine the operation point. The operation cycle T can be used to adjust the output power and the relationship of output power Pout with cycle T is shown in Figure 11.
In Figure 11, there is a monotonic relationship between the output power Pout and cycle T and the linear relationship between Pout and T becomes more obvious when the coupling coefficients k increase. Hence, it is simple to control the output power by adjusting the cycle T, namely, the frequency f of the IPIFR-WPT system.
In Figure 12, the corresponding efficiency η has been plotted and the efficiency η has few decreases with the increases of cycle T. Therefore, the efficiency η maintains few changes when the system control the output power by adjusting frequency.

4. Experimental Verification

4.1. Experimental Devices

Based on the main circuit of the double-switch IPIFR-WPT system, the experimental system has been built as shown in Figure 13a. The part of the DC voltage source consists of the AC voltage regulator and rectifier module (MDQ100A1600V). As shown in Figure 13b, the convertor is composed of the MOSFET driver (SI8233), the MOSFET (C2M0045120D), the diode D0 (MURF2060) and the microcontroller (STM32F107VC). The values of Lp, Cp, Ls, Cs and RL are selected as Table 2. And the oscilloscope and power analyzer are RTB2004 (Ronde & Schwarz, Munich, Germany) and WT500 (Yokogawa, Musashino, Japan), respectively.
The relationship between the coupling coefficient k and the distance d of the coils are shown in Figure 14. With the increases of the distance d from 5 cm to 20 cm, the coupling coefficient k decreases from 0.64 to 0.12. Notice, in the follow-up experiments, the coupling coefficient k is always changed via changing the distance of the coils.

4.2. Self-Determining Soft-Switching Operation Point

It can be observed from the experiment that there is always a wide soft-switching margin under dynamic coupling coefficient k. Once the duty of S1 maintains in the soft-switching margin, the IPIFR-WPT system will work in the soft-switching states.
The curves of soft-switching margins with respect to the relative distance d of coils is shown in Figure 15. Notice, at the operation points P1, P2 and P3, the distances of the coils are 6 cm, 7 cm and 9 cm, respectively, but the duty of S1 is the same, 20%. And the waveforms working at P1, P2 and P3 are shown in Figure 16.
When d equals to (a) 6 cm, (b) 7 cm and (c) 9 cm, respectively, the corresponding waveforms of vgs1(t), i1(t) and ip(t) are shown in Figure 16. The determined intervals ξ1 by the system itself are (a) 16.2 μs, (b) 12.8 μs and (c) 7.6 μs, respectively. Therefore, when the switching strategies remains the same and the relative distance d of coils changes dynamically, the IPIFR-WPT system can keep working in soft-switching states by self-determining its operating point, which operates the same as the theoretical results.
As shown in Figure 17, taking a fixed working cycle T = 100 μs, the curves of soft-switching margins with respect to the change in equivalent load resistance RL are plotted.
As shown in Figure 17, when the equivalent load resistance RL increases from 5 Ω to 20 Ω, although the soft switching range is somewhat narrowed, it can maintain a soft switching margin of nearly 13% or more. And in Figure 17, when the load resistance RL undergoes dynamic changes within the range of 5 Ω to 20 Ω, the soft switching duty cycle range of the proposed WPT system still has a large overlap range, which makes the system have an adaptive ability to resist dynamic changes in load resistance RL.
In Figure 18, the equivalent load resistance RL is plotted when taking 10 Ω, 15 Ω, and 20 Ω and using the same switching strategy (D1 = 25.0 μs and T = 100 μs). The waveform of the power supply current i1 and the current ip on the primary inductor. As shown in Figure 18, regardless of the values of RL being 10 Ω, 15 Ω, and 20 Ω, the system can meet the boundary conditions under the same switching strategy β2 (up = Edc and ip > 0), meaning that the system can still operate at its respective soft switching operating points, therefore the system can resist dynamic changes in load resistance RL over a large range.

4.3. The Monotonicity of Output Power about Cycle

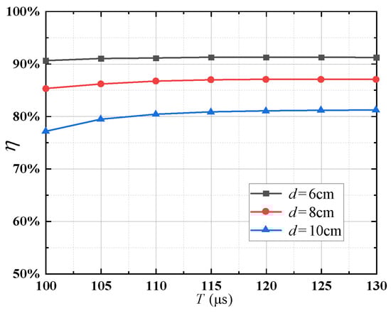
According to the analysis above, the output power shows monotonicity with respect to cycle T. The experimental curves are shown in Figure 19, when the distances d are (a) 6 cm, (b) 8 cm and (c) 10 cm, respectively, the output power increases from (a) 106 W, (b) 54 W, (c) 26 W to (a) 530 W, (b) 537 W, (c) 597 W monotonously with the rise of cycle T from 100 μs to 130 μs, which is pretty close to the calculated results in Figure 11.
The corresponding efficiencies η are recorded and plotted in Figure 20. The efficiency of the system maintains more than 80% when the coils distance less than 10 cm and achieves 90% under 6 cm coils distance.

5. Conclusions

This article presents a double-switch IPIFR-WPT system working in CCM, whose operation modes can be decoupled as two independent processes, the power injection and the free resonance. Different from the fully resonant type of WPT system, the power injection process and the resonance process do not proceed simultaneously. Instead, for the proposed WPT system, the intervals ξ1 and ξ2 of the two processes are independent and the power injects into the system only in the time of the interval ξ1. It can be known from the theoretical analysis that the operation point of the proposed WPT system is not determined by the switching control strategy, hence there is a wide soft-switching margin to ensure the system operating in soft-switching states. Since the power injected into the system increases monotonously with respect to operation cycle T, thus the output power can be controlled simply by adjusting cycle T. The characteristic of a self-determining soft-switching operation point has been proved in both theory and experiment. Under a fixed switching control strategy, the system maintains soft-switching states without adjusting the switching strategy when the coupling coefficient k rises from 0.4 to 0.6 theoretically or when the relative coils distance d varies from 6 cm to 9 cm experimentally. Hence IPIFR system has a great advantage to resist the dynamic change of coupling coefficient and is more suitable for the reality situation where the environmental factors would cause the movement of coils.
As for the monotonicity of the power curve about cycle T, the output power rises from 106 W to 597 W with the increases of T from 100 μs to 130 μs at 10 cm coils distance meanwhile the efficiency almost maintains a constant (80%) and several curves with different coil distances present the monotonicity of output power about the cycle. Hence, the simple method for the IPIFR system to control the output power flexibly is adjusting the operation cycle under a constant coils distance d. Furthermore, if the coupling of the coils becomes stronger, the efficiency of the IPIFR system will rise. Concretely, when the coils distance changes from 10 cm to 6 cm, the average efficiency rises from 80% to 91%.

Author Contributions

Conceptualization, W.W. and D.L.; Methodology, Z.T.; Software, Z.T.; Formal analysis, J.H.; Resources, J.Y.; Writing—original draft, W.W.; Writing—review & editing, W.W. and D.L.; Project administration, W.W. and D.L.; Funding acquisition, J.H. All authors have read and agreed to the published version of the manuscript.

Funding

This research was funded in part by the Natural Science Foundation of China, Grant 52177222, in part by the Natural Science Foundation of Fujian Province, Grant 2021J05262, and in part by the Education Project for Young and Middle aged Teachers of Fujian Provincial Department of Education, Grant JAT200462.

Conflicts of Interest

The authors declare no conflict of interest.

References

  1. Zhong, W.; Lee, C.K.; Hui, S.Y. General Analysis on the Use of Tesla’s Resonators in Domino Forms for Wireless Power Transfer. IEEE Trans. Ind. Electron. 2013, 60, 261–270. [Google Scholar] [CrossRef]
  2. Wu, H.H.; Gilchrist, A.; Sealy, K.D.; Bronson, D. A High Efficiency 5 kW Inductive Charger for EVs Using Dual Side Control. IEEE Trans. Ind. Inform. 2012, 8, 585–595. [Google Scholar] [CrossRef]
  3. Zhu, Q.; Zhang, Y.; Liao, C.; Guo, Y.; Wang, L.; Li, F. Experimental Study on Asymmetric Wireless Power Transfer System for Electric Vehicle Considering Ferrous Chassis. IEEE Trans. Transp. Electrific. 2017, 3, 427–433. [Google Scholar] [CrossRef]
  4. Zhang, Z.; Zhang, B. Omnidirectional and Efficient Wireless Power Transfer System for Logistic Robots. IEEE Access 2020, 8, 13683–13693. [Google Scholar] [CrossRef]
  5. Lu, Y.; Ma, D.B. Wireless Power Transfer System Architectures for Portable or Implantable Applications. Energies 2016, 9, 1087. [Google Scholar] [CrossRef]
  6. Feezor, M.D.; Sorrell, F.Y.; Blankinship, P.R. An interface system for autonomous undersea vehicles. IEEE J. Ocean. Eng. 2001, 26, 522–525. [Google Scholar] [CrossRef]
  7. Kim, S.; Park, H.; Kim, J.; Kim, J.; Ahn, S. Design and Analysis of a Resonant Reactive Shield for a Wireless Power Electric Vehicle. IEEE Trans. Microw. Theory Tech. 2014, 62, 1057–1066. [Google Scholar] [CrossRef]
  8. Yao, Y.; Wang, Y.; Liu, X.; Lin, F.; Xu, D. A Novel Parameter Tuning Method for a Double-Sided LCL Compensated WPT System with Better Comprehensive Performance. IEEE Trans. Power Electron. 2018, 33, 8525–8536. [Google Scholar] [CrossRef]
  9. Zhu, Q.; Wang, L.; Guo, Y.; Liao, C.; Li, F. Applying LCC Compensation Network to Dynamic Wireless EV Charging System. IEEE Trans. Ind. Electron. 2016, 63, 6557–6567. [Google Scholar] [CrossRef]
  10. Sohn, Y.H.; Choi, B.H.; Lee, E.S.; Lim, G.C.; Cho, G.H.; Rim, C.T. General Unified Analyses of Two-Capacitor Inductive Power Transfer Systems: Equivalence of Current-Source SS and SP Compensations. IEEE Trans. Power Electron. 2015, 30, 6030–6045. [Google Scholar] [CrossRef]
  11. Zhou, W.; Ma, H.; He, X. Investigation on Different Compensation Topologies in Inductively Coupled Power Transfer System. Trans. China Electron. Soc. 2009, 24, 133–139. [Google Scholar]
  12. Han, G.; Liu, Y.; Li, Q.; Xing, Z.; Zhang, Z. A 6.78-MHz distance-insensitive wireless power transfer system with a dual-coupled L-type matching network. Rev. Sci. Instrum. 2021, 92, 054705. [Google Scholar] [CrossRef] [PubMed]
  13. Lim, Y.; Tang, H.; Lim, S.; Park, J. An Adaptive Impedance-Matching Network Based on a Novel Capacitor Matrix for Wireless Power Transfer. IEEE Trans. Power Electron. 2014, 29, 4403–4413. [Google Scholar] [CrossRef]
  14. Huang, R.; Zhang, B.; Qiu, D.; Zhang, Y. Frequency Splitting Phenomena of Magnetic Resonant Coupling Wireless Power Transfer. IEEE Trans. Magn. 2014, 50, 8600204. [Google Scholar] [CrossRef]
  15. Huang, R.; Zhang, B. Frequency, Impedance Characteristics and HF Converters of Two-Coil and Four-Coil Wireless Power Transfer. IEEE J. Emerg. Sel. Top. Power Electron. 2015, 3, 177–183. [Google Scholar] [CrossRef]
  16. Liao, Z.J.; Ma, S.; Feng, Q.K.; Xia, C.; Yu, D. Frequency Splitting Elimination and Utilization in Magnetic Coupling Wireless Power Transfer Systems. IEEE Trans. Circuits Syst. I Reg. Pap. 2021, 68, 929–939. [Google Scholar] [CrossRef]
  17. Chen, L.; Hong, J.; Guan, M.; Wu, W.; Chen, W. A Power Converter Decoupled from the Resonant Network for Wireless Inductive Coupling Power Transfer. Energies 2019, 12, 1192. [Google Scholar] [CrossRef]
  18. Chen, L.; Hong, J.; Lin, Z.; Luo, D.; Guan, M.; Chen, W. A Converter with Automatic Stage Transition Control for Inductive Power Transfer. Energies 2020, 13, 5268. [Google Scholar] [CrossRef]
  19. Chen, L.; Hong, J.; Guan, M.; Lin, Z.; Chen, W. A Converter Based on Independently Inductive Energy Injection and Free Resonance for Wireless Energy Transfer. Energies 2019, 12, 3467. [Google Scholar] [CrossRef]
  20. Tang, C.S.; Sun, Y.; Su, Y.G.; Nguang, S.K.; Hu, A.P. Determining Multiple Steady-State ZCS Operating Points of a Switch-Mode Contactless Power Transfer System. IEEE Trans. Power Electron. 2009, 24, 416–425. [Google Scholar] [CrossRef]
  21. He, L.; Guo, D. A Clamped and Harmonic Injected Class-E Converter with ZVS and Reduced Voltage Stress Over Wide Range of Distance in WPT System. IEEE Trans. Power Electron. 2021, 36, 6339–6350. [Google Scholar] [CrossRef]
Figure 1. The double-switch IPIFR-WPT system.
Figure 1. The double-switch IPIFR-WPT system.
Electronics 12 04061 g001
Figure 2. The double-switch IPIFR-WPT system. (a) Mode 1, (b) Mode 2, (c) Mode 3, (d) Mode 4.
Figure 2. The double-switch IPIFR-WPT system. (a) Mode 1, (b) Mode 2, (c) Mode 3, (d) Mode 4.
Electronics 12 04061 g002
Figure 3. The operation curves of the double-switch IPIFR-WPT system working in CCM mode.
Figure 3. The operation curves of the double-switch IPIFR-WPT system working in CCM mode.
Electronics 12 04061 g003
Figure 4. The equivalent circuits of double-switch IPIFR-WPT system. (a) The power injection process Σ1. (b) The self-resonance process Σ2.
Figure 4. The equivalent circuits of double-switch IPIFR-WPT system. (a) The power injection process Σ1. (b) The self-resonance process Σ2.
Electronics 12 04061 g004
Figure 5. The iterative relationship of double-switch IPIFR-WPT system in nth operation cycle.
Figure 5. The iterative relationship of double-switch IPIFR-WPT system in nth operation cycle.
Electronics 12 04061 g005
Figure 6. The curves of the function f (ξ1).
Figure 6. The curves of the function f (ξ1).
Electronics 12 04061 g006
Figure 7. The calculated waveforms of ip(t) and up(t).
Figure 7. The calculated waveforms of ip(t) and up(t).
Electronics 12 04061 g007
Figure 8. Curves of three switching strategies. (a) D1 = 29.07 μs, (b) D2 = 20.00 μs, (c) D3 = 13.09 μs.
Figure 8. Curves of three switching strategies. (a) D1 = 29.07 μs, (b) D2 = 20.00 μs, (c) D3 = 13.09 μs.
Electronics 12 04061 g008
Figure 9. Curves of three switching strategies.
Figure 9. Curves of three switching strategies.
Electronics 12 04061 g009
Figure 10. The waveforms of i1(t), ip(t) and up(t) under different k. (a) k = 0.45, (b) k = 0.50, (c) k = 0.55.
Figure 10. The waveforms of i1(t), ip(t) and up(t) under different k. (a) k = 0.45, (b) k = 0.50, (c) k = 0.55.
Electronics 12 04061 g010
Figure 11. The relationship of output power Pout with cycle T.
Figure 11. The relationship of output power Pout with cycle T.
Electronics 12 04061 g011
Figure 12. The relationship of efficiency η with cycle T.
Figure 12. The relationship of efficiency η with cycle T.
Electronics 12 04061 g012
Figure 13. Experiment devices. (a) Experimental System. (b) MOSFET convertor.
Figure 13. Experiment devices. (a) Experimental System. (b) MOSFET convertor.
Electronics 12 04061 g013
Figure 14. The relationship between k and d.
Figure 14. The relationship between k and d.
Electronics 12 04061 g014
Figure 15. The curves of soft-switching margins with respect to the d.
Figure 15. The curves of soft-switching margins with respect to the d.
Electronics 12 04061 g015
Figure 16. The waveforms under different d and the same duty. (a) d = 6 cm, (b) d = 7 cm, (c) d = 9 cm.
Figure 16. The waveforms under different d and the same duty. (a) d = 6 cm, (b) d = 7 cm, (c) d = 9 cm.
Electronics 12 04061 g016
Figure 17. The curves of soft-switching margins with respect to the RL.
Figure 17. The curves of soft-switching margins with respect to the RL.
Electronics 12 04061 g017
Figure 18. The waveforms under different RL and the same duty. (a) RL = 10 Ω, (b) RL = 15 Ω, (c) RL = 20 Ω.
Figure 18. The waveforms under different RL and the same duty. (a) RL = 10 Ω, (b) RL = 15 Ω, (c) RL = 20 Ω.
Electronics 12 04061 g018
Figure 19. The curves of output power Pout with cycle T.
Figure 19. The curves of output power Pout with cycle T.
Electronics 12 04061 g019
Figure 20. The curves of efficiency η with cycle T.
Figure 20. The curves of efficiency η with cycle T.
Electronics 12 04061 g020
Table 1. The comparison between the proposed system and similar systems.
Table 1. The comparison between the proposed system and similar systems.
ReferenceNumber of SwitchesOperation ModeMaximum Efficiency (%)Number of Control Modes
[17]6DCM93.610
[18]6CCM89.610
[19]2DCM88.46
the proposed system2CCM91.64
Table 2. The -parameters of the double-switch IPIFR-WPT system.
Table 2. The -parameters of the double-switch IPIFR-WPT system.
ParameterEdc (V)Lp (μH)Cp (μF)Rp (Ω)Ls (μH)
Value1006600.40.2585
ParameterCs (μF)Rs (Ω)kRL (Ω)
Value0.40.20.510
Table 3. The fixed point of the double-switch IPIFR-WPT system.
Table 3. The fixed point of the double-switch IPIFR-WPT system.
ξ1 (μs)Fixed Point x*
up (V)ip (A)is (A)uo (V)
13.09100.05.7743.28928.72
Disclaimer/Publisher’s Note: The statements, opinions and data contained in all publications are solely those of the individual author(s) and contributor(s) and not of MDPI and/or the editor(s). MDPI and/or the editor(s) disclaim responsibility for any injury to people or property resulting from any ideas, methods, instructions or products referred to in the content.

Share and Cite

MDPI and ACS Style

Wu, W.; Luo, D.; Tang, Z.; Hong, J.; Yang, J. Power Injection and Free Resonance Decoupled Wireless Power Transfer System with Double-Switch. Electronics 2023, 12, 4061. https://doi.org/10.3390/electronics12194061

AMA Style

Wu W, Luo D, Tang Z, Hong J, Yang J. Power Injection and Free Resonance Decoupled Wireless Power Transfer System with Double-Switch. Electronics. 2023; 12(19):4061. https://doi.org/10.3390/electronics12194061

Chicago/Turabian Style

Wu, Wei, Daqing Luo, Zhe Tang, Jianfeng Hong, and Junjie Yang. 2023. "Power Injection and Free Resonance Decoupled Wireless Power Transfer System with Double-Switch" Electronics 12, no. 19: 4061. https://doi.org/10.3390/electronics12194061

APA Style

Wu, W., Luo, D., Tang, Z., Hong, J., & Yang, J. (2023). Power Injection and Free Resonance Decoupled Wireless Power Transfer System with Double-Switch. Electronics, 12(19), 4061. https://doi.org/10.3390/electronics12194061

Note that from the first issue of 2016, this journal uses article numbers instead of page numbers. See further details here.

Article Metrics

Back to TopTop