Optimal Identification and Metaheuristic PID Control of a Two-Tank System
Abstract
1. Introduction
2. Materials and Methods
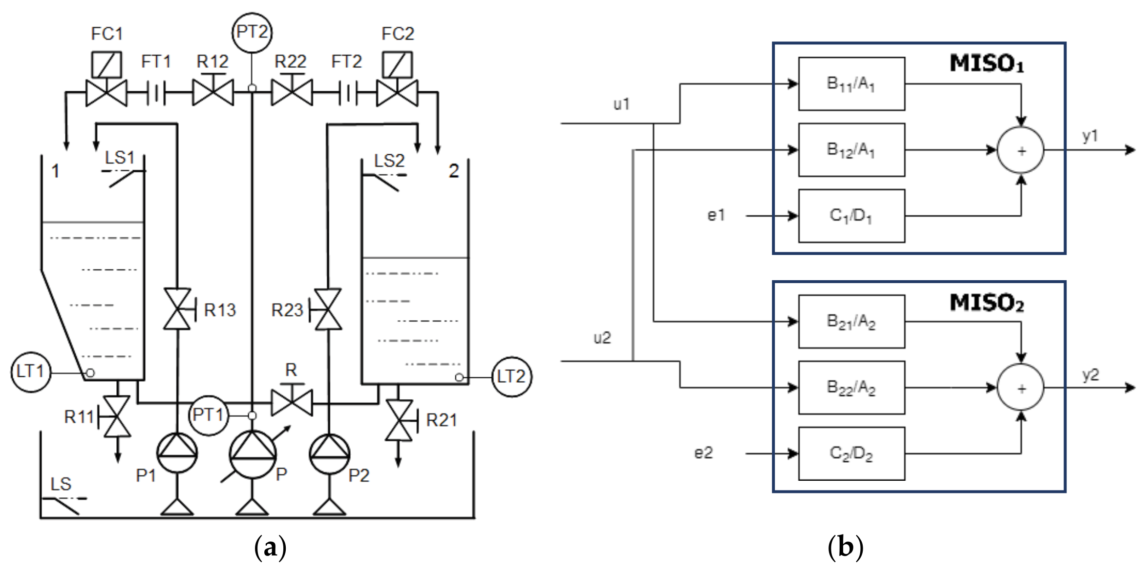
2.1. Main Framework
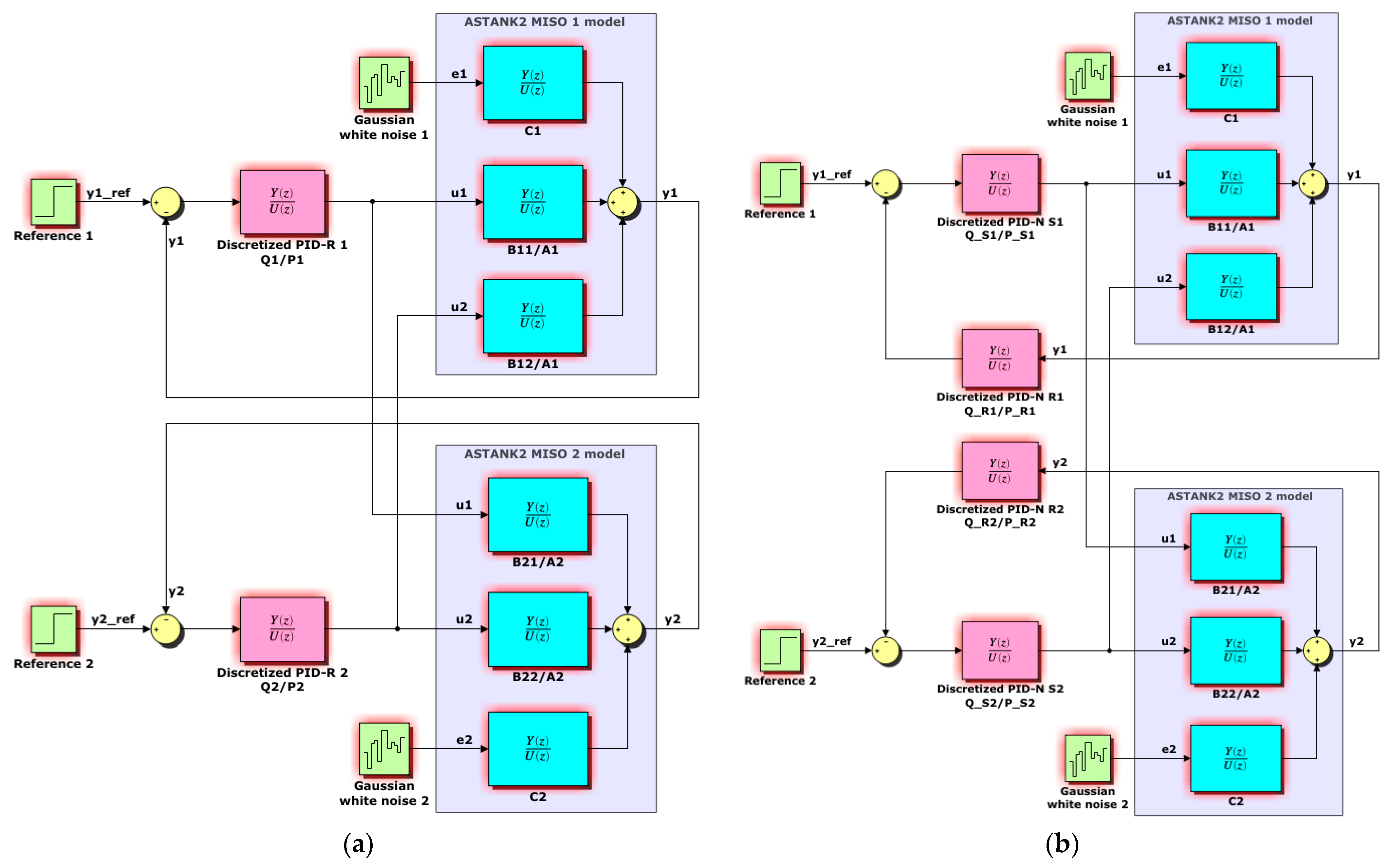
2.2. Selected PID Controllers and Closed Loop Configurations
- P controllers (, ):
- PI controllers ():
- PD controllers ():
- PID controllers (general case): , with:
2.3. Optimization Problem Statement and Cost Function Definition
2.4. Improved Firefly Algorithm
| Algorithm 1. Main steps of IFA procedure | |
| 1 | Input data:
|
| 2 | Initialization. Spread the fireflies approximately uniform over the search space and evaluate their performance (by using ). Save the shiniest firefly. |
| 3 | Main loop. While the number of iterations is less than and the shiniest firefly survived over less than iterations, do the following:
|
| 4 | Output data:
|
3. Analysis of Simulation Results
3.1. Simulations Setting
3.2. Metaheuristic Optimization Results
3.3. Robustness Analysis
3.3.1. Robustness against Sudden Change of References
3.3.2. Robustness against Constant Perturbations on Outputs
3.3.3. Robustness against Stochastic Perturbations on Outputs
3.3.4. Robustness against Identification Model Uncertainties
4. Concluding Remarks and Future Developments
Author Contributions
Funding
Conflicts of Interest
Abbreviations
| A–R | Akaike–Rissanen (criterion) |
| AHCA | Advanced Hill Climbing Algorithm |
| BJ | Box-Jenkins (model) |
| FA | Firefly Algorithm |
| I/O | input/output (signals, behavior etc.) |
| IFA | Improved Fireflies Algorithm |
| MIMO | Multi-Input–Multi-Output (model) |
| MISO | Multi-Input–Single-Output (model) |
| PID | Proportional–Integral–Derivative |
| PID-N | non-standard PID |
| PID-R | regular PID |
| RMSE | root mean square error |
| SISO | Single-Input–Single-Output (model) |
| SNR | Signal-to-Noise Ratio |
| e-v | electro-valve(s) |
| idmo | identification model(s) |
| std | standard deviation |
Appendix A. Identification of Second Order Step Response from Noisy Signals
- Harmonic oscillation, when
- Under damped signal (with overshoot), when :where is the damped pulsation of system.
- Critically damped signal, when :
- Over damped signal (without overshoot), when :where .

- Harmonic oscillation ():
- Under damped signal ():
- Critically damped signal, ():
- Over damped signal ():
Appendix B. Performance Parameters of Second Order Step Response

- Time constant of second order system:
- Relative overshoot (only in under damped case, ):
- c.
- Peak time (only in under damped case, ):
- d.
- Delay time, . It stands for the necessary duration of response to rise from 0% to 50% of reference signal. In case of under damped response (), is:
- e.
- Rise time, .This is the necessary duration of response to rise from a lower bound to a higher bound expressed as percentages from the reference. In case of under damped response (), the bounds are 0% and 100%, which leads to the following closed form expression:
- f.
- Settling time, . This parameter is equal to the duration of transient zone, also known as transient time. Normally, the steady-state zone is supposed to begin when the response enters and remains within a tolerance tube around the reference. Usual tubes are form ±2% to ±10%; in case of 10% tube width (i.e., by taking a ±5% tolerance tube), can be computed differently, depending on damping factor. If the response is under damped (),then:
Appendix C. Computing Fitness for Staircase References

References
- Bhookya, J.; Jatoth, R.K. Fractional Order PID Controller Design for Multivariable Systems using TLBO. Chem. Prod. Process. Model. 2020, 15. [Google Scholar] [CrossRef]
- Jitwang, T.; Puangdownreong, D. Application of Cuckoo Search to Robust PIDA Controller Design for Liquid-Level System. Int. J. Innov. Comput. Inf. Control. 2020, 16, 189–205. [Google Scholar] [CrossRef]
- Soued, S.; Ebrahim, M.A.; Ramadan, H.S.; Becherif, M. Optimal Blade Pitch Control for Enhancing the Dynamic Performance of Wind Power Plants via Metaheuristic Optimizers. IET Electr. Power Appl. 2017, 11, 1432–1440. [Google Scholar] [CrossRef]
- Coelho, L.D.; Mariani, V.C. Firefly Algorithm Approach Based on Chaotic Tinkerbell Map Applied to Multivariable PID Controller Tuning. Comput. Math. Appl. 2012, 64, 2371–2382. [Google Scholar] [CrossRef]
- Rodriguez-Molina, A.; Mezura-Montes, E.; Villarreal-Cervantes, M.G.; Aldape-Perez, M. Multi-Objective Meta-Heuristic Optimization in Intelligent Control: A Survey on the Controller Tuning Problem. Appl. Soft Comput. 2020, 93. [Google Scholar] [CrossRef]
- Vijayakumar, K.; Manigandan, T. Nonlinear PID Controller Parameter Optimization using Enhanced Genetic Algorithm for Nonlinear Control System. Contr. Eng. Appl. Inform. 2016, 18, 3–10. [Google Scholar]
- Ziegler, J.G.; Nichols, N.B. Optimum Settings for Automatic Controllers. Trans. ASME 1942, 64, 759–768. [Google Scholar] [CrossRef]
- Moharam, A.; El-Hosseini, M.A.; Ali, H.A. Design of Optimal PID Controller Using Hybrid Differential Evolution and Particle Swarm Optimization with an Aging Leader and Challengers. Appl. Soft Comput. 2016, 38, 727–737. [Google Scholar] [CrossRef]
- Janprom, K.; Permpoonsinsup, W.; Wangnipparnto, S. Intelligent Tuning of PID Using Metaheuristic Optimization for Temperature and Relative Humidity Control of Comfortable Rooms. J. Control. Sci. Eng. 2020. [Google Scholar] [CrossRef]
- Hernandez-Osorio, M.A.; Ochoa-Velasco, C.E.; Garcia-Alvarado, M.A.; Escobedo-Morales, A.; Ruiz-Lopez, I.I. Sequential synthesis of PID controllers based on LQR method. Rev. Mex. Ing. Quim. 2020, 19, 913–928. [Google Scholar] [CrossRef]
- Pradhan, J.K.; Ghosh, A.; Bhende, C.N. Two-Degree-of-Freedom Multi-Input Multi-Output Proportional-Integral-Derivative Control Design: Application to Quadruple-Tank System. J. Syst. Control Eng. 2019, 233, 303–319. [Google Scholar] [CrossRef]
- Serradilla, F.; Canas, N.; Naranjo, J.E. Optimization of the Energy Consumption of Electric Motors through Metaheuristics and PID Controllers. Electronics 2020, 9, 1842. [Google Scholar] [CrossRef]
- Azar, A.T.; Ali, N.; Makarem, S.; Diab, M.K.; Ammar, H.H. Design and Implementation of a Ball and Beam PID Control System Based on Metaheuristic Techniques. In Proceedings of the 5th International Conference on Advanced Intelligent Systems and Informatics, Cairo, Egypt, 26–28 October 2019. [Google Scholar]
- Wang, P.C.; Zhou, Y.Q.; Luo, Q.F.; Han, C.; Niu, Y.B.; Lei, M.Y. Complex-Valued Encoding Metaheuristic Optimization Algorithm: A Comprehensive Survey. Neurocomputing 2020, 407, 313–342. [Google Scholar] [CrossRef]
- Khanduja, N.; Bhushan, B.; Mishra, S. Control of CSTR Using Firefly and Hybrid Firefly-Biogeography Based Optimization (BBFFO) Algorithm. J. Inf. Optim. Sci. 2020, 41, 1443–1452. [Google Scholar] [CrossRef]
- Angel, L.; Viola, J.; Vega, M. Metaheuristic Tuning and Practical Implementation of a PID Controller Employing Genetic Algorithms. In Proceedings of the ASME International Design Engineering Technical Conferences and Computers and Information in Engineering Conference, Anaheim, CA, USA, 18–21 August 2019. [Google Scholar]
- Neeraj, P.J.; Seema, P.N. Control of Twin Rotor MIMO System using Cross PID Control Technique. In Proceedings of the IEEE International Conference on Communication and Signal Processing, Melmaruvathur, India, 3–5 April 2018; pp. 744–750. [Google Scholar]
- Guo, H.R.; Feng, Z.Y.; She, J.H. Discrete-Time Multivariable PID Controller Design with Application to an Overhead Crane. Int. J. Syst. Sci. 2020, 51, 2733–2745. [Google Scholar] [CrossRef]
- Stefanoiu, D.; Borne, P.; Popescu, D.; Filip, F.G.; El Kamel, A. Optimization in Engineering Sciences—Metaheuristics, Stochastic Methods and Decision Support. John Wiley & Sons: London, UK, 2014; ISBN 978-1-84821-498-9. [Google Scholar]
- Souza, D.A.; de Mesquita, V.A.; Reis, L.L.N.; Silva, W.A.; Batista, J.G. Optimal LQI and PID Synthesis for Speed Control of Switched Reluctance Motor Using Metaheuristic Techniques. Int. J. Control. Autom. Syst. 2021, 19, 221–229. [Google Scholar] [CrossRef]
- Goud, H.; Swarnkar, P. Investigations on Metaheuristic Algorithm for Designing Adaptive PID Controller for Continuous Stirred Tank Reactor. MAPAN J. Metrol. Soc. India 2019, 34, 113–119. [Google Scholar] [CrossRef]
- Vanchinathan, K.; Valluvan, K.R. A Metaheuristic Optimization Approach for Tuning of Fractional-Order PID Controller for Speed Control of Sensorless BLDC Motor. J. Circuits Syst. Comput. 2018, 27. [Google Scholar] [CrossRef]
- Storn, R.; Price, K. Differential Evolution a Simple and Efficient Heuristic for Global Optimization Over Continuous Spaces. J. Glob. Optim. 1997, 11, 341–359. [Google Scholar] [CrossRef]
- Nedic, N.; Stojanovic, V.; Djordjevic, V. Optimal Control of Hydraulically Driven Parallel Robot Platform Based on Firefly Algorithm. Nonlinear Dyn. 2015, 82, 1457–1473. [Google Scholar] [CrossRef]
- Yang, X.S.; Deb, S. Cuckoo Search Via Levy Flights. In Proceedings of the World Congress on Nature & Biologically Inspired Computing, Coimbatore, India, 9–12 December 2009; pp. 210–214. [Google Scholar]
- Cheng, M.Y.; Prayogo, D. Symbiotic Organisms Search: A New Metaheuristic Optimization Algorithm. Comput. Struct. 2014, 139, 98–112. [Google Scholar] [CrossRef]
- Mirjalili, S.; Mirjalili, S.M.; Lewis, A. Grey Wolf Optimizer. Adv. Eng. Softw. 2014, 69, 46–61. [Google Scholar] [CrossRef]
- Culita, J.; Stefanoiu, D.; Dumitrascu, A. ASTANK2: Analytical Modeling and Simulation. In Proceedings of the 20-th International Conference on Control Systems and Computer Science, CSCS-20, Bucharest, Romania, 27–29 May 2015; Volume 1, pp. 141–148. [Google Scholar] [CrossRef]
- Stefanoiu, D.; Culita, J. Joint Stochastic Spline and Autoregressive Identification Aiming Order Reduction Based on Noisy Sensor Data. Sensors 2020, 20, 5038. [Google Scholar] [CrossRef]
- Yang, X.S. YAN2009b Firefly Algorithm for Multimodal Optimization. In Stochastic Algorithms: Foundation and Applications; (Ed.) SAGA 2008; Series: Lectures Notes in Computer Science; Springer: Berlin/Heidelberg, Germany, 2009; pp. 169–178. [Google Scholar]
- Borne, P.; Popescu, D.; Filip, F.G.; Stefanoiu, D. Optimization in Engineering Sciences–Exact Methods; John Wiley & Sons: London, UK, 2013; ISBN 978-1-84821-432-3. [Google Scholar]
- Baker, J.E. Adaptive Selection Methods for Genetic Algorithms. In Proceedings of the first International Conference on Genetic Algorithms and Applications; Grefenstette, J.J., Ed.; Erlbaum Printing House: New York, NY, USA, 1985. [Google Scholar]






























| Channel | Output Data Type | Optimal | Noise Variance |
|---|---|---|---|
| 1 | Raw | (30,22,16,65,0) | 0.0067 |
| 1 | Spline Smoothed | (3,21,47,89,0) | 0.006 |
| 2 | Raw | (27,7,26,95,0) | 0.006 |
| 2 | Spline Smoothed | (2,2,46,95,0) | 0.0063 |
| AHCA—Exploration | IFA—Exploitation | ||||||||||||
|---|---|---|---|---|---|---|---|---|---|---|---|---|---|
| 40 | 30 | 30 | 1% | 3 | 25 | 100 | 30 | 1 | 1.5 | 0.5 | 2 | ||
| Identification Model | Channel | ||||||
|---|---|---|---|---|---|---|---|
| <raw> | 1 | 1.3851 | 355.31 | 0.83106 | 177.66 | 44.41 | 70.12 |
| 2 | 1.2519 | 40.83 | 0.75114 | 20.41 | 5.10 | ||
| <spline> | 1 | 1.233625 | 57.09 | 0.740175 | 28.54 | 7.14 | 73.12 |
| 2 | 2.479675 | 28.15 | 1.487805 | 14.07 | 3.52 |
| AHCA—Exploration | IFA—Exploitation | |||||||||||
|---|---|---|---|---|---|---|---|---|---|---|---|---|
| PID | Identification Model | PID | Identification Model | |||||||||
| R | <raw> | 64 | 30 | 4565 | 5421 | 80.03 | R | <raw> | 96 | 30 | 28,595 | 83.90 |
| <spline> | 61 | 30 | 5143 | 6127 | 83.08 | <spline> | 100 | 29 | 29,799 | 85.01 | ||
| N | <raw> | 62 | 30 | 4192 | 4982 | 81.68 | N | <raw> | 67 | 30 | 19,866 | 83.84 |
| <spline> | 53 | 30 | 4484 | 5322 | 83.50 | <spline> | 66 | 30 | 19,565 | 85.07 | ||
| PID | Identification Model | |||||||
|---|---|---|---|---|---|---|---|---|
| R | <raw> | 0.2413502 | 45.6150814 | 0.0001611 | 1.4740651 | 42.7184059 | 0.0005492 | |
| <spline> | 0.397183 | 76.6958348 | 0.00002 | 0.6197605 | 28.9826891 | 0.0012607 | ||
| N | <raw> | 0.0406009 | 3.1435647 | 45.1171123 | 1.1140813 | 37.4705655 | 0.0013905 | |
| <spline> | 0.2778442 | 55.2662226 | 0 | 0.6518653 | 28.9044758 | 0.1017565 | ||
| PID | Identification Model | Channel | [rad/s] | [s] | ||||||||
|---|---|---|---|---|---|---|---|---|---|---|---|---|
| R | <raw> | 1 | 0.8243590 | 0.0243468 | 11.03 | 49.82 | 1.030554 | 238.98 | 75.8 | 195.32 | 175.57 | 165 |
| 2 | 0.6028431 | 0.0309242 | 0 | 53.64 | 9.31346 | 127.33 | 45.98 | 89.89 | 172.81 | 195 | ||
| <spline> | 1 | 0.8506410 | 0.0267793 | 9.03 | 43.90 | 0.620133 | 232.16 | 68.60 | 192.84 | 168.76 | 165 | |
| 2 | 0.6946152 | 0.0304711 | 0 | 47.25 | 4.814988 | 143.32 | 48.78 | 106.69 | 157.10 | 108 | ||
| N | <raw> | 1 | 0.8287348 | 0.0250022 | 11.03 | 48.26 | 0.954089 | 235.55 | 74.23 | 193.10 | 183.62 | 165 |
| 2 | 0.6724633 | 0.0338145 | 0 | 43.98 | 5.759211 | 125.53 | 43.49 | 92.23 | 144.98 | 192 | ||
| <spline> | 1 | 0.8506410 | 0.0262748 | 9.03 | 44.74 | 0.620133 | 236.45 | 69.75 | 196.37 | 171.83 | 165 | |
| 2 | 0.6787924 | 0.0305118 | 0 | 48.28 | 5.480398 | 140.21 | 48.35 | 103.41 | 159.55 | 194 |
| PID | Identification Model | Marginal Fitness [%] | Marginal SNR [dB] | Optimal Fitness [%] | SNR1 [dB] | SNR2 [dB] |
|---|---|---|---|---|---|---|
| R | <raw> | 65.37 | 25.99 | 83.90 | 40.37 | 41.34 |
| <spline> | 64.12 | 25.95 | 85.01 | 40.80 | 41.23 | |
| N | <raw> | 66.45 | 25.98 | 83.84 | 40.34 | 41.46 |
| <spline> | 64.01 | 25.96 | 85.07 | 40.80 | 41.25 |
| PID | Identification Model | Uncertainties Affected | [%] | |||||
|---|---|---|---|---|---|---|---|---|
| R | <raw> | MISO1 | 74.5 | 9 | 74.48 | 75 | 2.81 | 89.47 |
| MISO2 | 70.5 | 15.5 | 70 | 70.49 | 5.84 | 96.98 | ||
| MISO1 and MISO2 | 70 | 2.25 | 69.76 | 70 | 1.06 | 45.97 | ||
| <spline> | MISO1 | 60 | 2.5 | 58.11 | 60 | 0.7 | 42.03 | |
| MISO2 | 65.5 | 1 | 64.74 | 65.52 | 0.45 | 14.68 | ||
| MISO1 and MISO2 | 60 | 1 | 57.54 | 60.22 | 0.17 | 6.49 | ||
| N | <raw> | MISO1 | 74.5 | 8 | 74.04 | 74.51 | 2.54 | 87.21 |
| MISO2 | 70.5 | 9 | 70.43 | 70.65 | 4.51 | 93.5 | ||
| MISO1 and MISO2 | 68 | 3.5 | 67.71 | 68.47 | 1.3 | 62.65 | ||
| <spline> | MISO1 | 60 | 1 | 59.85 | 60.7 | 1.08 | 31 | |
| MISO2 | 66 | 1 | 65.64 | 66.26 | 0.12 | 4.22 | ||
| MISO1 and MISO2 | 65 | 1 | 64.54 | 65.21 | 0.16 | 5.69 |
Publisher’s Note: MDPI stays neutral with regard to jurisdictional claims in published maps and institutional affiliations. |
© 2021 by the authors. Licensee MDPI, Basel, Switzerland. This article is an open access article distributed under the terms and conditions of the Creative Commons Attribution (CC BY) license (https://creativecommons.org/licenses/by/4.0/).
Share and Cite
Stefanoiu, D.; Culita, J. Optimal Identification and Metaheuristic PID Control of a Two-Tank System. Electronics 2021, 10, 1101. https://doi.org/10.3390/electronics10091101
Stefanoiu D, Culita J. Optimal Identification and Metaheuristic PID Control of a Two-Tank System. Electronics. 2021; 10(9):1101. https://doi.org/10.3390/electronics10091101
Chicago/Turabian StyleStefanoiu, Dan, and Janetta Culita. 2021. "Optimal Identification and Metaheuristic PID Control of a Two-Tank System" Electronics 10, no. 9: 1101. https://doi.org/10.3390/electronics10091101
APA StyleStefanoiu, D., & Culita, J. (2021). Optimal Identification and Metaheuristic PID Control of a Two-Tank System. Electronics, 10(9), 1101. https://doi.org/10.3390/electronics10091101
