Coordinated Control System between Grid–VSC and a DC Microgrid with Hybrid Energy Storage System
Abstract
:1. Introduction
2. Microgrid System Configuration
2.1. Solar System Model (PV Array)
2.2. AC Utility Grid and VSC Model
2.3. Battery Energy Storage System Model
2.4. Super Capacitor Energy Storage System Model
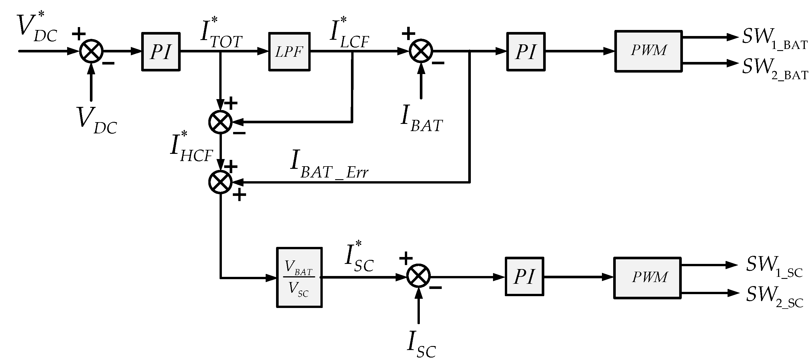
3. Control Strategy in the DCMG System
4. Case Study
4.1. First Mode of Operation
4.2. Second Mode of Operation
4.3. Third Mode of Operation
4.4. Fourth Mode of Operation
5. Conclusions
Author Contributions
Funding
Data Availability Statement
Conflicts of Interest
References
- Farrokhabadi, M.; Canizares, C.A.; Simpson-Porco, J.W.; Nasr, E.; Fan, L.; Mendoza-Araya, P.A.; Tonkoski, R.; Tamrakar, U.; Hatziargyriou, N.D.; Lagos, D.; et al. Microgrid Stability Definitions, Analysis, and Examples. IEEE Trans. Power Syst. 2020, 35, 13–29. [Google Scholar] [CrossRef]
- Justo, J.J.; Mwasilu, F.; Lee, J.; Jung, J.-W. AC-microgrids versus DC-microgrids with distributed energy resources: A review. Renew. Sustain. Energy Rev. 2013, 24, 387–405. [Google Scholar] [CrossRef]
- Parhizi, S.; Lotfi, H.; Khodaei, A.; Bahramirad, S. State of the Art in Research on Microgrids: A Review. IEEE Access 2015, 3, 890–925. [Google Scholar] [CrossRef]
- Ahn, S.-J.; Park, J.-W.; Chung, I.-Y.; Moon, S.-I.; Kang, S.-H.; Nam, S.-R. Power-Sharing Method of Multiple Distributed Generators Considering Control Modes and Configurations of a Microgrid. IEEE Trans. Power Deliv. 2010, 25, 2007–2016. [Google Scholar] [CrossRef]
- Rocabert, J.; Luna, A.; Blaabjerg, F.; Rodriguez, P. Control of Power Converters in AC Microgrids. IEEE Trans. Power Electron. 2012, 27, 4734–4749. [Google Scholar] [CrossRef]
- Zou, P.; Meng, J.; Wang, C.; Wang, Y. Multi-source coordinated control strategy based the battery SOC for islanded DC microgrid. In Proceedings of the 2017 20th International Conference on Electrical Machines and Systems (ICEMS), Sydney, Australia, 11–14 August 2017; pp. 1–4. [Google Scholar]
- Chen, D.; Xu, L.; Yao, L. DC Voltage Variation Based Autonomous Control of DC Microgrids. IEEE Trans. Power Deliv. 2013, 28, 637–648. [Google Scholar] [CrossRef]
- Xu, L.; Chen, D. Control and Operation of a DC Microgrid with Variable Generation and Energy Storage. IEEE Trans. Power Deliv. 2011, 26, 2513–2522. [Google Scholar] [CrossRef]
- Chen, D.; Xu, L. Autonomous DC Voltage Control of a DC Microgrid with Multiple Slack Terminals. IEEE Trans. Power Syst. 2012, 27, 1897–1905. [Google Scholar] [CrossRef]
- Zhou, T.; Francois, B. Energy Management and Power Control of a Hybrid Active Wind Generator for Distributed Power Generation and Grid Integration. IEEE Trans. Ind. Electron. 2011, 58, 95–104. [Google Scholar] [CrossRef]
- Zha, D.; Wang, Q.; Cheng, M.; Deng, F.; Buja, G. Distributed Cooperative Control for Multiple DC Electric Springs with Novel Topologies Applied in DC Microgrid. In Proceedings of the 2019 IEEE 10th International Symposium on Power Electronics for Distributed Generation Systems (PEDG), Xi’an, China, 3–6 June 2019; pp. 648–652. [Google Scholar]
- Shahid, M.U.; Khan, M.M.; Hashmi, K.; Habib, S.; Jiang, H.; Tang, H. A Control Methodology for Load Sharing System Restoration in Islanded DC Micro Grid with Faulty Communication Links. Electronics 2018, 7, 90. [Google Scholar] [CrossRef] [Green Version]
- Sathishkumar, R.; Kollimalla, S.K.; Mishra, M.K. Dynamic energy management of micro grids using battery super capacitor combined storage. In Proceedings of the 2012 Annual IEEE India Conference (INDICON), Kochi, India, 7–9 December 2012; pp. 1078–1083. [Google Scholar]
- Mohammed, S.; Devaraj, D. Simulation and analysis of stand-alone photovoltaic system with boost converter using MATLAB/Simulink. In Proceedings of the 2014 International Conference on Circuits, Power and Computing Technologies [ICCPCT-2014], Nagercoil, India, 20–21 March 2014; pp. 814–821. [Google Scholar]
- Liu, X.-K.; Wen, C.; Xu, Q.; Wang, Y.-W. Resilient Control and Analysis for DC Microgrid System under DoS and Impulsive FDI Attacks. IEEE Trans. Smart Grid 2021, 12, 3742–3754. [Google Scholar] [CrossRef]
- Shania, F.; Rajakaruna, S.; Ghosh, A. Static Compensators (STATCOMs) in Power System; Springer: New York, NY, USA, 2015. [Google Scholar]
- Villalva, M.G.; Gazoli, J.R.; Filho, E.R. Comprehensive Approach to Modeling and Simulation of Photovoltaic Arrays. IEEE Trans. Power Electron. 2009, 24, 1198–1208. [Google Scholar] [CrossRef]
- Xiong, X.; Yang, Y.A. Photovoltaic-Based DC Microgrid System: Analysis, Design and Experimental Results. Electronics 2020, 9, 941. [Google Scholar] [CrossRef]
- Aentron GmbH. Off-Grid-Lithium-Ion Battery System. Available online: http://www.aentron.com/ (accessed on 15 June 2021).
- Neto, P.J.D.S.; Barros, T.A.; Silveira, J.P.; Filho, E.R.; Vasquez, J.C.; Guerrero, J.M. Power management techniques for grid-connected DC microgrids: A comparative evaluation. Appl. Energy 2020, 269, 115057. [Google Scholar] [CrossRef]
- Gao, F.; Kang, R.; Cao, J.; Yang, T. Primary and secondary control in DC microgrids: A review. J. Mod. Power Syst. Clean Energy 2019, 7, 227–242. [Google Scholar] [CrossRef] [Green Version]
- Kollimalla, S.K.; Mishra, M.K.; Narasamma, N.L. A new control strategy for interfacing battery supercapacitor storage systems for PV system. In Proceedings of the 2014 IEEE Students’ Conference on Electrical, Electronics and Computer Science, Bhopal, India, 1–2 March 2014; pp. 1–6. [Google Scholar]
- Kollimalla, S.K.; Mishra, M.K.; Ukil, A.; Gooi, H.B. DC Grid Voltage Regulation Using New HESS Control Strategy. IEEE Trans. Sustain. Energy 2017, 8, 772–781. [Google Scholar] [CrossRef]









| Devices | Values |
|---|---|
| AC utility grid | 220 V line–line (VLL), shor-circuit ratio (SCR) = 25 |
| PVA | PVA comprises 15 panels in parallel, where each panel produces 300 W (at STC: 25 °C and 1 kW/m2) to Voc = 46 V and Isc = 8.44 A. Therefore, the PVA has a maximum output power of 4.5 kW, operating at MPPT with a 5 kW boost converter |
| Battery | 480 Ah capacity, Imax from 400 A to 24 V, organized to a maximum power of 3.5 kW. |
| SC | Bank with an output voltage of 56 V and capacitance of 130 F. According to the manufacturer’s specifications [20], the self-discharge effect was modeled with a resistance equal to 8.1 mΩ. It is connected to the DCMG through a 2.25 kW buck–boost converter (DC/DC) |
| GVSC | 12 kW of the maximum active power (Point 3 and 4, Figure 2) |
| DC–DC Converter | LPV = 0.185 mH, LBAT = 0.265 mH, LSC = 0.427 mH, C = 791.9 μF, VDC = 311 V |
| DC–AC VSC | Lf = 0.46 mH, Rf = 0.0417 Ω, Cf = 65.77 μF, Ls = 0.46 mH, Rs = 0.0417 Ω |
| Time (s) | Source Power (W) | Load Power (W) | Compensation Power (W) HESS | Compensation Power (W) GVSC |
|---|---|---|---|---|
| 0–0.5 | 1130 | 1100 | −30 | 0 |
| 1–1.5 | 730 | 1100 | 370 | 0 |
| 2–2.5 | 0 | 1100 | 1100 | 0 |
| 2.5–5 | 0 | 3200 | 3200 | 0 |
| Time (s) | Source Power (W) | Load Power (W) | Compensation Power (W) HESS | Compensation Power (W) GVSC |
|---|---|---|---|---|
| 0–0.5 | 1130 | 1100 | −30 | 0 |
| 1–1.5 | 730 | 1100 | 20 | 350 |
| 2–2.5 | 0 | 1100 | 150 | 950 |
| 2.5–5 | 0 | 3200 | 480 | 2720 |
| Time (s) | Source Power (W) | Load Power (W) | Compensation Power (W) HESS | Compensation Power (W) GVSC |
|---|---|---|---|---|
| 0–0.5 | 1130 | 1100 | −30 | 0 |
| 1–1.5 | 730 | 1100 | 0 | 370 |
| 2–2.5 | 0 | 1100 | 0 | 1100 |
| 2.5–5 | 0 | 3200 | 0 | 3200 |
| Time (s) | Source Power (W) | Load Power (W) | Compensation Power (W) HESS | Compensation Power (W) GVSC |
|---|---|---|---|---|
| 0–0.5 | 1130 | 1100 | −30 | 0 |
| 1–1.5 | 1980 | 1100 | 0 | −880 |
| 2–2.5 | 3900 | 1100 | 0 | −2800 |
| 2.5–3.5 | 3900 | 3200 | 0 | −700 |
| 3.5–4 | 3300 | 3300 | 0 | 0 |
| 4–4.3 | 2500 | 2500 | 0 | 0 |
| 4.3–5 | 1400 | 1400 | 0 | 0 |
Publisher’s Note: MDPI stays neutral with regard to jurisdictional claims in published maps and institutional affiliations. |
© 2021 by the authors. Licensee MDPI, Basel, Switzerland. This article is an open access article distributed under the terms and conditions of the Creative Commons Attribution (CC BY) license (https://creativecommons.org/licenses/by/4.0/).
Share and Cite
Montilla-DJesus, M.; Franco-Mejía, É.; Trujillo, E.R.; Rodriguez-Amenedo, J.L.; Arnaltes, S. Coordinated Control System between Grid–VSC and a DC Microgrid with Hybrid Energy Storage System. Electronics 2021, 10, 2699. https://doi.org/10.3390/electronics10212699
Montilla-DJesus M, Franco-Mejía É, Trujillo ER, Rodriguez-Amenedo JL, Arnaltes S. Coordinated Control System between Grid–VSC and a DC Microgrid with Hybrid Energy Storage System. Electronics. 2021; 10(21):2699. https://doi.org/10.3390/electronics10212699
Chicago/Turabian StyleMontilla-DJesus, Miguel, Édinson Franco-Mejía, Edwin Rivas Trujillo, José Luis Rodriguez-Amenedo, and Santiago Arnaltes. 2021. "Coordinated Control System between Grid–VSC and a DC Microgrid with Hybrid Energy Storage System" Electronics 10, no. 21: 2699. https://doi.org/10.3390/electronics10212699
APA StyleMontilla-DJesus, M., Franco-Mejía, É., Trujillo, E. R., Rodriguez-Amenedo, J. L., & Arnaltes, S. (2021). Coordinated Control System between Grid–VSC and a DC Microgrid with Hybrid Energy Storage System. Electronics, 10(21), 2699. https://doi.org/10.3390/electronics10212699

