Bandwidth Widening of Piezoelectric Cantilever Beam Arrays by Mass-Tip Tuning for Low-Frequency Vibration Energy Harvesting
Abstract
:Featured Application
Abstract
1. Introduction
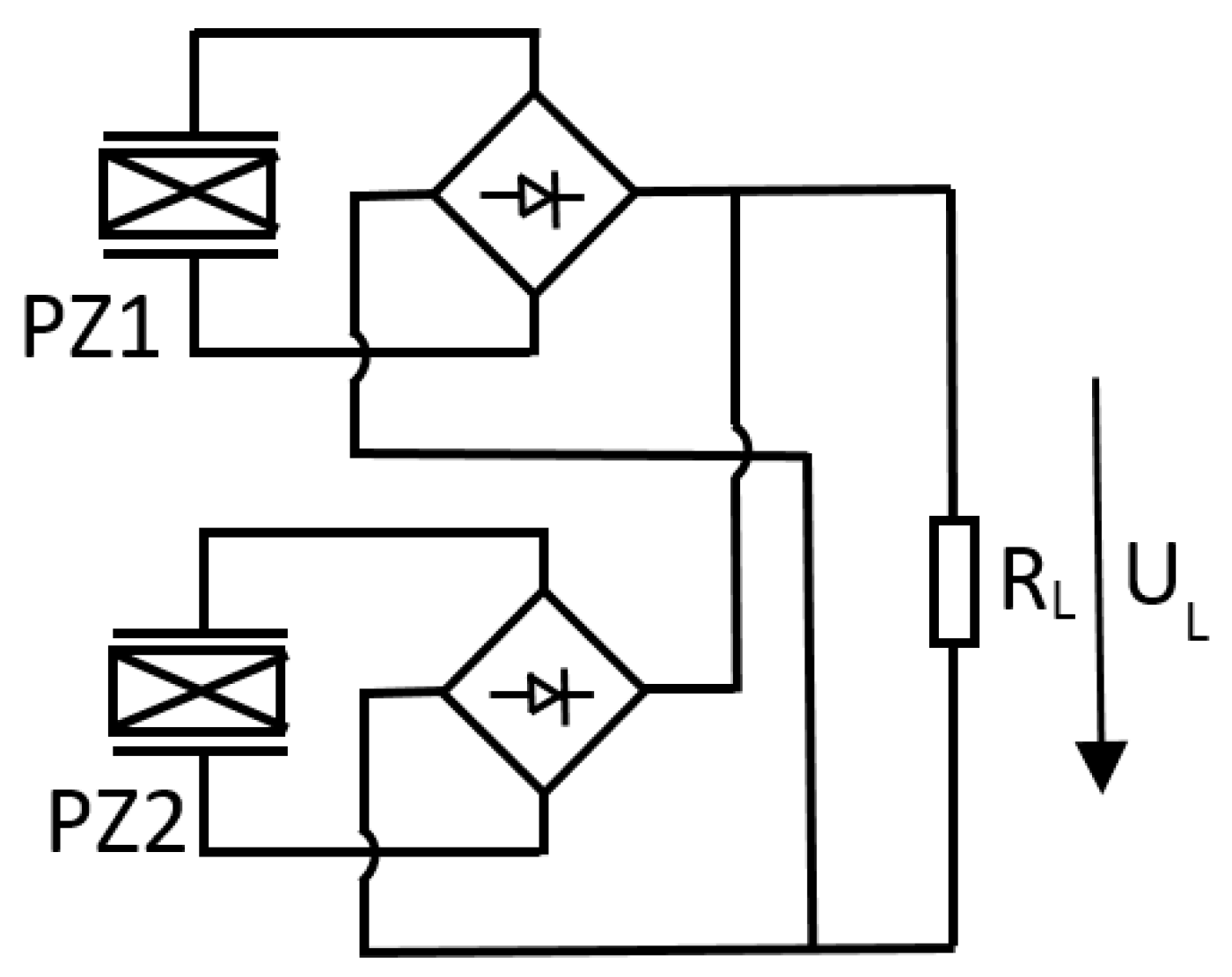
2. Materials and Methods
3. Results and Discussion
3.1. Optimum Detuning between Individual PE Cantilevers
- The larger the frequency gap between the single PECs, the larger the bandwidth of the PEC array. This improvement works up to the certain maximum detuning ∆fmax.
- The larger the frequency gap, the smaller the peak power. With the increasing detuning ∆f, the peak power drops drastically and approaches a value which is practically independent of the number of PECs in the array.
3.2. Investigation of the Theoretical Maximum Bandwidth
3.2.1. Equidistant Gap Δf
3.2.2. Non-Equidistant Gaps Δfi
3.3. Comparison with Experiment
4. Conclusions
Acknowledgments
Author Contributions
Conflicts of Interest
References
- Bogue, R. Energy harvesting and wireless sensors: A review of recent developments. Sens. Rev. 2009, 29, 194–199. [Google Scholar] [CrossRef]
- Priya, S.; Inman, D. Energy Harvesting Technologies; Springer: New York, NY, USA, 2009. [Google Scholar]
- Erturk, A.; Inman, D. Piezoelectric Energy Harvesting; Wiley: Chichester, UK, 2011. [Google Scholar]
- Briand, D.; Yeatman, E.; Roundy, S. (Eds.) Micro Energy Harvesting; Wiley-VCH Verlag: Weinheim, Germany, 2015. [Google Scholar]
- Tang, L.; Yang, Y.; Soh, K. Toward broadband vibration-based energy harvesting. J. Intell. Mater. Syst. Struct. 2010, 21, 1867–1895. [Google Scholar] [CrossRef]
- Twiefel, J.; Westermann, H. Survey on broadband techniques for vibration energy harvesting. J. Intell. Mater. Syst. Struct. 2013, 24, 1291–1302. [Google Scholar] [CrossRef]
- Shahruz, M. Design of mechanical band-pass filters for energy scavenging. J. Sound Vib. 2006, 292, 987–998. [Google Scholar] [CrossRef]
- Shahruz, M. Limits of performance of mechanical band-pass filters used in energy scavenging. J. Sound Vib. 2006, 293, 449–461. [Google Scholar] [CrossRef]
- Xue, H.; Hu, Y.; Wang, Q.M. Broadband piezoelectric energy harvesting devices using multiple bimorphs with different operating frequencies. IEEE Trans. Ultrason. Ferroelectr. Freq. Control 2008, 55, 2104–2108. [Google Scholar] [PubMed]
- Ferrari, M.; Ferrari, V.; Guizzetti, M.; Marioli, D.; Taroni, A. Piezoelectric multifrequency converter for power harvestinrg in autonomous microsystems. Sens. Actuators A Phys. 2008, 142, 329–335. [Google Scholar] [CrossRef]
- Liu, H.; Tay, C.; Quan, C.; Kobayashi, T.; Lee, C. Piezoelectric MEMS energy harvester for low-frequency vibrations with wideband operation range and steadily increased output power. J. Microelectromech. Syst. 2011, 20, 1131–1142. [Google Scholar] [CrossRef]
- Al-Ashtari, W.; Hunstig, M.; Hemsel, T.; Sextro, W. Enhanced energy harvesting using multiple piezoelectric elements: Theory and experiments. Sens. Actuators A Phys. 2013, 200, 138–146. [Google Scholar] [CrossRef]
- Wen, Z.; Deng, L.; Zhao, X.; Shang, Z.; Yuan, C.; She, Y. Improving voltage output with PZT beam array for MEMS-based vibration energy harvester: Theory and experiment. Microsyst. Technol. 2015, 21, 331–339. [Google Scholar] [CrossRef]
- Zhao, X.; Shang, Z.; Luo, G.; Deng, L. A vibration energy harvester using AlN piezoelectric cantilever array. Microelectron. Eng. 2015, 142, 47–51. [Google Scholar] [CrossRef]
- Wu, P.H.; Chen, Y.J.; Li, B.Y.; Shu, Y.C. Wideband energy harvesting based on mixed connection of piezoelectric oscillators. Smart Mater. Struct. 2017, 26, 094005. [Google Scholar] [CrossRef]
- Lumentut, M.F.; Francis, L.A.; Howard, I.M. Analytical techniques for broadband multielectromechanical piezoelectric bimorph beams with multifrequency power harvesting. IEEE Trans. Ultrason. Ferroelectr. Freq. Control 2012, 59, 2555–2568. [Google Scholar] [CrossRef] [PubMed]
- Lien, I.C.; Shu, Y.C. Array of piezoelectric energy harvesting by the equivalent impedance approach. Smart Mater. Struct. 2012, 21, 082001. [Google Scholar] [CrossRef]
- Lin, H.C.; Wu, P.H.; Lien, I.C.; Shu, Y.C. Analysis of an array of piezoelectric energy harvesters connected in series. Smart Mater. Struct. 2013, 22, 094026. [Google Scholar] [CrossRef]
- Lien, I.C.; Shu, Y.C. Piezoelectric array of oscillators with respective electrical rectification. Proc. SPIE 2013, 8688, 868806. [Google Scholar]
- Yang, Y.; Tang, L. Equivalent circuit modelling of piezoelectric energy harvesters. J. Intel. Mater. Syst. Struct. 2009, 20, 2223–2235. [Google Scholar] [CrossRef]
- Romani, A.; Paganelli, R.; Sangiorge, E.; Tartagni, M. Joint modeling of piezoelectric transducers and power conversion circuits for energy harvesting applications. IEEE Sens. J. 2013, 13, 916–925. [Google Scholar] [CrossRef]
- PPA Products Data Sheet—User Manual. Available online: https://info.mide.com/piezo-products/download-piezo-products-datasheets (accessed on 6 December 2017).
- Lee, S.; Kang, D.; Je, Y.; Moon, W. Resonant frequency variations in a piezoelectric microcantilever sensor under varying operational conditions. J. Micromech. Microeng. 2012, 22, 105035. [Google Scholar] [CrossRef]
- Al-Ashtari, W.; Hunstig, M.; Hemsel, T.; Sextro, W. Analytical determination of characteristic frequencies and equivalent circuit parameters of a piezoelectric bimorph. J. Intel. Mater. Syst. Struct. 2012, 23, 15–23. [Google Scholar] [CrossRef]
- Shu, Y.C.; Lien, I.C. Efficiency of energy conversion for a piezoelectric power harvesting system. J. Micromech. Microeng. 2006, 16, 2429. [Google Scholar] [CrossRef]
- Zhou, L.; Sun, J.; Zheng, X.J.; Deng, S.F.; Zhao, J.H.; Peng, S.T.; Zhang, Y.; Wang, X.Y.; Cheng, H.B. A model for the energy harvesting performance of shear mode piezoelectric cantilever. Sens. Actuators A Phys. 2012, 179, 185–192. [Google Scholar] [CrossRef]
- Knaebel, M.; Jäger, H.; Mastel, R. Technische Schwingungslehre; Springer: Wiesbaden, Germany, 2009. (In German) [Google Scholar]
- Nguyen, D.S.; Halvorsen, E. Analysis of vibration energy harvesters utilizing a variety of nonlinear springs. Proc. Power-MEMS 2010, 10, 331–334. [Google Scholar]
















| Parameter | Abbreviation | Value |
|---|---|---|
| Effective mass | m1 | 7.58 mH |
| Stiffness (primary side) | C1 | 2.0894 mF |
| Damping resistance | dm1 | 0.060 Ω |
| Parallel capacitance | Cp1 | 7.9 nF |
| Electromechanical coupling | α | 0.00021 As/m |
| Amplitude of excitation voltage | FAC | 0.0372 V |
| Number of cantilevers | Cantilever 1 | Cantilever 2 | Cantilever 3 | Cantilever 4 |
|---|---|---|---|---|
| 2 | 40 Hz | 42.4 Hz | - | - |
| 3 | 40 Hz | 42.4 Hz | 44.64 Hz | - |
| 4 | 40 Hz | 42.4 Hz | 44.7 Hz | 46.7 Hz |
| Non-Equidistant Gaps | ||||
| Number of Cantilevers | Frequency Gaps | Maximum Bandwidth | ||
| 2 | 2.32 Hz | - | - | 3.7 Hz |
| 3 | 2.40 Hz | 2.24 Hz | - | 5.92 Hz |
| 4 | 2.40 Hz | 2.3 Hz | 2.0 Hz | 7.85 Hz |
| Equidistant Gaps | ||||
| Number of Cantilevers | Frequency Gaps | Maximum Bandwidth | ||
| 2 | 2.32 Hz | - | - | 3.7 Hz |
| 3 | 2.25 Hz | 2.25 Hz | - | 5.7 Hz |
| 4 | 2.1 Hz | 2.1 Hz | 2.1 Hz | 7.4 Hz |
© 2017 by the authors. Licensee MDPI, Basel, Switzerland. This article is an open access article distributed under the terms and conditions of the Creative Commons Attribution (CC BY) license (http://creativecommons.org/licenses/by/4.0/).
Share and Cite
Dechant, E.; Fedulov, F.; Fetisov, L.Y.; Shamonin, M. Bandwidth Widening of Piezoelectric Cantilever Beam Arrays by Mass-Tip Tuning for Low-Frequency Vibration Energy Harvesting. Appl. Sci. 2017, 7, 1324. https://doi.org/10.3390/app7121324
Dechant E, Fedulov F, Fetisov LY, Shamonin M. Bandwidth Widening of Piezoelectric Cantilever Beam Arrays by Mass-Tip Tuning for Low-Frequency Vibration Energy Harvesting. Applied Sciences. 2017; 7(12):1324. https://doi.org/10.3390/app7121324
Chicago/Turabian StyleDechant, Eduard, Feodor Fedulov, Leonid Y. Fetisov, and Mikhail Shamonin. 2017. "Bandwidth Widening of Piezoelectric Cantilever Beam Arrays by Mass-Tip Tuning for Low-Frequency Vibration Energy Harvesting" Applied Sciences 7, no. 12: 1324. https://doi.org/10.3390/app7121324
APA StyleDechant, E., Fedulov, F., Fetisov, L. Y., & Shamonin, M. (2017). Bandwidth Widening of Piezoelectric Cantilever Beam Arrays by Mass-Tip Tuning for Low-Frequency Vibration Energy Harvesting. Applied Sciences, 7(12), 1324. https://doi.org/10.3390/app7121324

