Abstract
The integration of renewable energy sources (RES) as distributed generation units to the power grid has been accelerated by the rising demand for energy and the growing concern over the environmental effects of conventional sources. At the same time, modern electric vehicles (EV) are demonstrating a promising ability to decrease the consumption of fossil fuels. The issues related to a combination of various renewable energy sources to fulfil the load requirements can be solved by the application of multi-input–output architecture that is properly designed. In order to increase the driving range of EVs, several energy sources, including ultracapacitors and fuel cells, should be connected and operate in combination with a battery storage system. To manage these energy sources with various voltage-current characteristics, the same concept can be applied. The current trends in the field of multiport DC-DC converters are identified and examined in this research. This paper proposes a review and analysis of the most significant aspects of multiport converters, such as types based on various characteristics, their topologies, the benefits and drawbacks, and areas of application. A thorough investigation of multiport converters’ design guidelines and selection process for specific applications is presented. Based on their properties, multiport converters are categorized in this review. In comparison with other available review publications, this paper is more concise and mainly focused on the most general and important aspects of multiport technologies. Based on the provided information, the reader can discern modern trends and directions of the multiport converter development.
1. Introduction
The demand for renewable energy sources (RES) has been steadily rising in recent years. A dependable solution to the current global energy problem brought on by unstable political and economic conditions can be found in the production of electricity using diverse renewable energy sources, such as solar, hydro, wind, tidal, and biomass [1]. Given the limited availability and high CO2 emissions of conventional fossil fuels such as coal, natural gas, and oil, the importance of renewable energy sources is growing [2]. Over the following decades, renewable energy sources will become the most important and fundamental components in achieving energy efficiency, energy savings, and environmental protection [3].
The unpredictable zero-power periods brought on by different renewable energy sources, such as photovoltaics (PV) and wind turbines, can be reduced with the help of the hybridization of the system. As a result, the use of PV modules, energy storage (ES) batteries, and wind power production systems have a larger potential to provide continuous electrical energy than the use of only one renewable energy source [4].
Although there have been great advancements in the use of renewable energy sources, there are still some substantial limitations. These limitations are a result of issues with voltage and frequency variance, grid protection, safety, and solidity of the system, as well as power quality.
The concept of microgrids (MG) is being developed as a solution to these problems in order to meet local energy demands while also enabling the connection of diverse renewable energy sources to the main distribution grid via nearby substations [5,6,7]. Because they can interface renewable energy sources, DC loads, and the majority of energy storage systems, MGs are able to reduce the number of times when direct current (DC) is converted to alternate current (AC) and vice versa, thus increasing the system’s overall efficiency. The additional stages of energy conversion make the system more complex, increase energy losses, and reduce system efficiency in general [8,9].
It is required to use separate conversion stages for the load, energy storage systems, and renewable energy sources in order to allow power transfer between them, due to the fact that energy storage devices often have standard outputs that are different from the output of renewable energy sources based on their voltage-current characteristics. According to recent statistics, static power electronic converters are used to transport over 70% of electrical energy produced to the grid. Classical DC-DC converters such as the Boost, Buck, Buck-Boost, CUK, SEPIC, and ZETA require a significant number of components to provide adequate output voltages and integrate renewable energy sources into the microgrid [10,11]. It causes the end product to be expensive and the equipment to be complex. Therefore, integrating numerous ports using separate power converters is not an effective approach.
A different strategy was suggested as an alternative to creating a power converter with integrated numerous ports, or multiport converter (MPC). The multiport converter’s major objective is to connect several power sources with inputs and outputs through a single power converter to enable power flow between each port. These multiport converters are designed to remove redundant and superfluous power conversion stages and excessive semiconductor switching devices that would often be present in classical topologies. When compared with the benefits offered by multiport converters, using numerous conventional converters becomes less appealing, especially in hybrid systems that combine renewable energy sources, energy storage, the grid, and a variety of loads or consumers. In some cases, the multiport converters perform other important control functions in addition to regulating the low-level direct current voltages of the renewable energy sources to the proper level for supplying the inverter. Therefore, there are currently two main approaches, including the use of an individual converter for connecting each energy source to the grid or a multiport converter for connecting several sources that can be used to link various renewable energy sources, including the battery, to supply load or the grid.
Another field of multiport converters’ application is electric vehicles (EV). The automotive industry has a significant impact on the development of human civilization and the economy. Internal combustion engine (ICE) cars have a significant impact on pollution and carbon dioxide emission [12]. Vehicles equipped with ICE account for 20–30% of overall emissions of greenhouse gases [13]. As an alternative to ICE vehicles, electric vehicles emerged on the market [14]. Electric vehicles are given more attention as a result of their replacement of ICE with an environmentally friendly option. Modern EVs have different energy sources such as batteries, ultracapacitors (UC), and fuel cells (FC). These energy sources require a reliable means of power transfer. Power delivery from energy sources is greatly aided by power electronic circuits. The DC-DC converter is essential for managing various energy sources and stabilizing DC buses, as was mentioned for the renewable energy systems [15].
There are many review papers dedicated to different aspects of multiport converter technologies. In [16], the authors describe several topologies (more than 30) and indicate that the implementation of wide band gap (WBG) semiconductors and particularly silicon carbide and gallium nitride technologies will establish future trends. For energy storage management, a novel implementation of multiport zero-current switching switched-capacitor converters is described in [17]. The suggested switched capacitor converters allow individual control of the charging or discharging current of the series-connected energy storage modules, such as the battery or super-capacitor cells, in addition to the auto-balancing function provided by the switched capacitor approach. Circuit analysis and derivation of the corresponding analytical representation are discussed along with various configurations, such as the single-input multi-output, multi-input single-output, and altered circuits for string-to-cells, cells-to-string, and cells-to-cells equalizers. The authors indicate that the simulation analysis and experimental findings showed that the presence of a battery management system and closed-loop management of cell currents significantly increased the balancing speed. In [18], multiple input-single output DC-DC converters with isolated and non-isolated outputs are compared. Pulsed voltage source cells (PVSC) serve as the foundation for the examination of DC-DC converters. The analysis focuses on efficiency, non-ideal output properties, and size considerations. According to the results, the multi-input single-output Buck converter’s output voltage has a linear relationship with the duty cycle control signal and is more efficient than the Flyback converter.
In [19], multiport converters for the combination of solar energy with energy storage systems are systematically reviewed. Along with a comparison of converter architectures and features such as operating conditions, classification of isolated and non-isolated topologies is offered. Based on its architectural design, each set of multiport converters is classified into several smaller groups. Important topologies are described with detailed specifications. A performance comparison that highlights the benefits and drawbacks of the various topologies results in recommendations for the next research perspective. A review of current developments in multiport DC-DC converters using hybrid renewable energy sources (HRES) for various applications is found in [20]. Numerous cutting-edge single-stage multiport topologies are shown in the paper [21].
In the literature, multiport converters are divided into two basic categories: isolated and non-isolated. These types of isolated and non-isolated multiport converters have only lately started to appear in the literature [22,23]. The following sections cover the general operating principles of multiport converts, their historical background, and main fields of application of these devices. The typical topologies of non-isolated, partially isolated, and completely isolated multiport converts are covered with some of the presented examples. The main focus is on analyzing multiport converters’ operation and characteristics in a RES system and for EVs.
2. General Classification and Operation Principles
The multiport converter’s main objective is to integrate numerous power input nodes into a single device while still allowing power to flow between each node. A photovoltaic panel, a battery energy storage system (BES), a DC-DC converter used for multiple inputs, an inverter, and a load are the components of a two-stage multiport system shown in Figure 1. In addition, the multiport system is linked to the distribution grid.
Figure 1.
Structure of a double stage MPC system connected to a distribution grid line.
The entire power flow expression for the multiport converter system in Figure 1 is as follows:
where:
PBES—is battery energy storage power, W
PPV—is solar power obtained by the photovoltaic panel, W
PWIND—is wind generated power, W
PLOAD—is the power corresponding to load demands of the local consumers, W
PGRID—is grid power, W
Depending on the power demands, PGRID is either injected into the grid or withdrawn from it. As a result, grid power can have positive or negative signs based on the direction of power flow in the energy. Multiport converters, as was previously noted, provide some advantages over traditional converters [24]. Table 1 presents the number of components for some typical MPC topologies.
Table 1.
Component specifications for several types of MPCs.
The multiport converter’s architecture helps to prevent the use of the communication bar and aids in achieving centralized control of the energy system [31,32]. In the literature, numerous topologies for multiport converters have been presented. Figure 2 depicts the broad classification of multiport based on the selection criteria such as structure, isolation characteristics, power flow direction, and gain factor. In general, three major groupings can be used to classify the majority of the known and reported multiport converters based on the isolation characteristics:
- Non-isolated multiport converters;
- Fully isolated multiport converters;
- Partially isolated converters.
Figure 2.
General classification of multiport converters.
Figure 2.
General classification of multiport converters.

2.1. Non-Isolated Multiport Converters
Each category of converters is explained in general terms, and the corresponding comparisons are made in the current section. The converters that do not provide electrical isolation between the input and output stages fall under the category of non-isolated multiport converters (Figure 3).
Figure 3.
Structure of non-isolated n-port MPC system.
The input power ports share the same ground in a non-isolated multiport converter design. High power density, fewer switches, a relatively simple control scheme, and a compact design are a few benefits of non-isolated multiport converters. In addition, these types of MPCs not only help lower the overall cost but also achieve low electromagnetic interference (EMI).
In [33], a family of non-isolated three-port converters for stand-alone renewable power systems is analyzed. After analyzing the power flow among the ports, the authors found out that a non-isolated three-port converter (NI-TPC) can be handled as a dual-output converter from the primary supply and as a dual-input converter from the load, respectively. A number of combined NI-TPC topologies and integrated NI-TPC topologies are provided as examples along with topology creation methods based on dual-input and dual-output converters. The proposed topologies of non-isolated three port converters have one power conversion stage. In a three-port MPC topology, it is possible to achieve a high system efficiency between any two of the three-ports and it is appropriate for stand-alone renewable power system applications.
In order to feed a household load ranging from 50 watts to 3500 watts, the research presented by authors in [34] proposes a novel multi-stage non-isolated three-port converter with a 5H inverter where an additional semiconductor switch is connected to a conventional H bridge circuit. Both grid-connected and island power modes are supported by the proposed three-port converter. A description of a demand-side management algorithm with eight operational modes is also provided. A complete control system is also discussed. The suggested control system governs the 400 V DC bus voltage, the load voltage in island mode, and the grid-connected injected current in addition to controlling the photovoltaic maximum power point and battery charging and discharging.
A converter that has one output port with a DC load and two unidirectional input ports that can accommodate both a fuel cell and a photovoltaic cell is proposed in [35]. The authors suggest a non-isolated three-port DC-DC converter based on Cuk topology to handle renewable energy sources. It is shown that the benefit of continuous input and output currents is due to the inductors at all of the ports. Additionally, compared to standard “n − 1” separate Cuk converters, it needs less switches, diodes, and inductors (Table 2).
Table 2.
Comparison of components in [35].
Another NI-TPC is proposed in [36]. The use of a novel single-inductor non-isolated three-port converter in a photovoltaic fed DC microgrid with a battery storage system is suggested. Since two of the three ports can handle reversible currents, as opposed to one bi-directional port in existing NITPCs, a more flexible power flow can be obtained. The authors state that the developed NITPC can operate and switch between islanded mode and DC grid-connected mode without any issues. Explanations of detailed operating principles, mode selection criteria, and control schemes are provided. Depending on the mode chosen, the converter can be reconfigured as a single-input-single-output (SISO), single-input-double-output (SIDO), or double-input-single-output (DISO) converter.
In [37], a novel multiport zero voltage switching DC–DC converter is proposed. The suggested topology can function in the boost, buck, and buck-boost operational modes. Additionally, it can reduce input current ripple and operate all switches at zero voltage. In addition, the input sources can be expanded on the low-voltage side. The topology possesses the capacity to interface three different voltages with the help of just three semiconductor switching devices. The proposed topology is examined for all operating modes in this work, and the voltage and current equations for every component are also computed. Power System Computer Aided Design (PSCAD)/Electromagnetic Transient Design and Control (EMTDC) simulation and experimental results are obtained and presented for the suggested non-isolated multiport converter.
2.2. Isolated Multiport Converters
Galvanic isolation between the input and output stages is a typical feature of the isolated multiport converters, as shown in Figure 4.
Figure 4.
Structure of isolated double-input-double-output (DIDO) port converter system.
Thanks to the pulse transformer’s turns ratio, it can also be used for buck and boost applications in addition to galvanic isolation. The isolated multiport converters’ primary feature is the use of separate windings for each power input. The fluxes of each main winding contribute to the voltages induced in the secondary winding. Isolated multiport converters are typically employed in RES and hybrid electric vehicle (HEV) applications. Isolated multiport converters have a number of benefits, such as less risk of electric shock, a wide range of voltage gain, noise filtering, and integration of various voltage ratings.
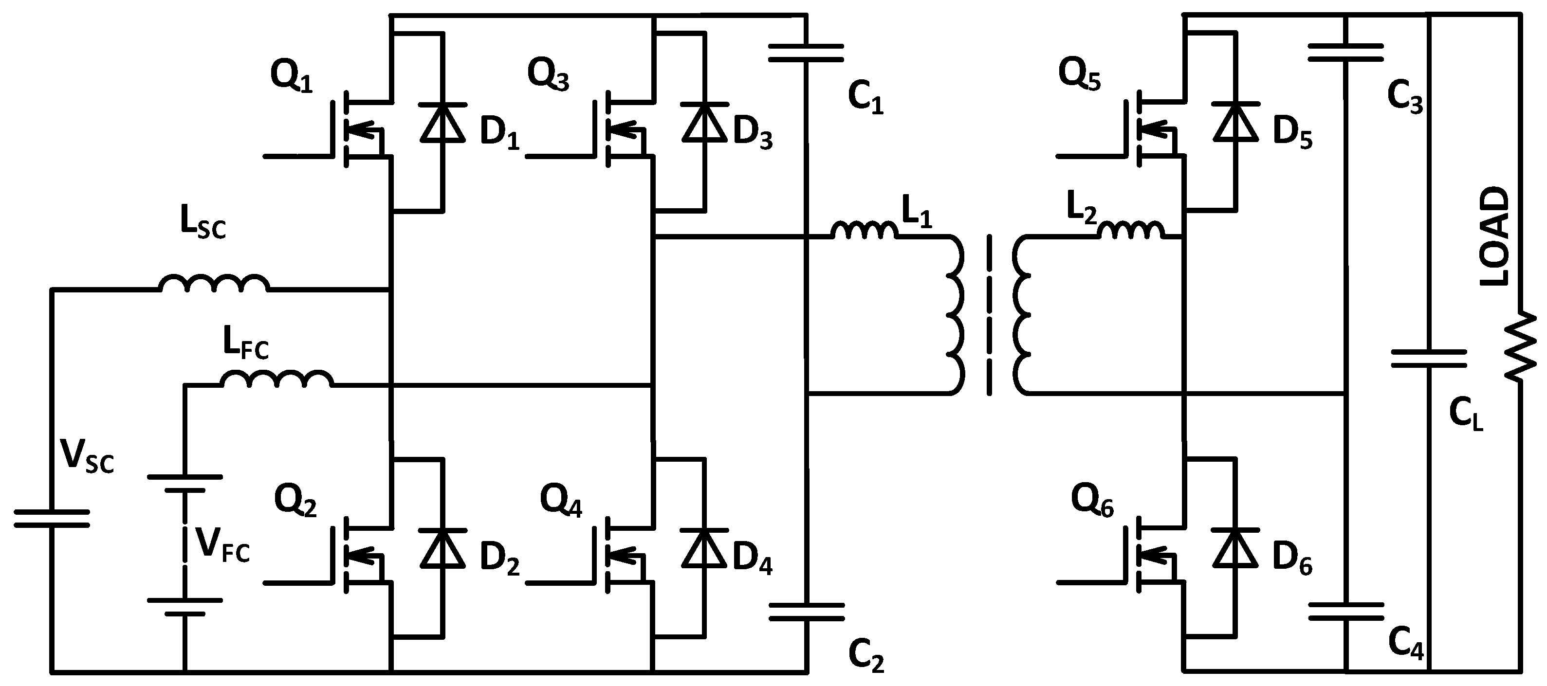
In [38], a new topology for a galvanically separated DC-DC converter is described; it includes fuel cells and batteries as input sources and simultaneously powers both a high-voltage (HV) and a low-voltage (LV) load. The converter allows electrical power to flow between sources and back towards the battery during recuperation so that the battery can be recharged while in flight. It also allows power to flow from sources to the load. A real-time (RT) hardware-in-the-loop (HIL) test bench is used to confirm the converter design’s functionality. The suggested idea is easily adaptable to any fuel cell and battery motor train for all-electric flights of various sizes. There are two conversion stages in the converter. A hybrid converter is made up of capacitor-inductor-inductor-capacitor (CLLC) and inductor-inductor-capacitor (LLC) converters. Lastly a 1 kW prototype is emulated with the help of OP4510 real-time HIL. The results of these tests are described, and they closely resemble the waveforms predicted analytically.
A novel isolated current-fed DC-DC boost type converter is suggested and developed in [39]. The converter is using two input power sources based on a multi-transformer structure. This converter is suitable for the application of fuel cells and super-capacitors in a hybrid energy system. The proposed multiport converter can draw power from two different DC sources with lower voltage and send it separately or simultaneously to the higher voltage DC bus or load using a specific transformer windings connection technique. In both dual-input mode and single-input mode, the suggested converter’s detailed operating principle has been examined by the authors. Additionally, ground loop decoupling, the magnetic integration structure, and other means to expand the number of input ports are presented. The main power flow path, which consists of four transformers and eight diodes acting as a secondary side rectifier, is shared by both input ports of the proposed converter and may be independently controlled, resulting in a higher power density. This is one of the converter’s most notable features. At the same time, there are some drawbacks of the proposed MPC, such as complicated transformer winding connections and separate ground connections.
Aiming at low inertia DC micro-grid bus voltage quality and the energy storage system’s state of charge balance issue, taking into account the pressing need for distributed micro-sources with high up/down ratios, electrical isolation, and high-efficiency converters, a multiport isolated DC-DC converter is suggested in [40]. A parallel and coordinated control technique appropriate for four port-isolated converter is proposed to achieve the balance of the energy storage state of charge and the proportional relationship of output power.
Table 3 contains some of the research results regarding the implementation of various isolated multiport topologies.
Table 3.
Application of different isolated MPC topologies for RES and EV systems.
2.3. Partially-Isolated Multiport Converters
The so-called partially isolated multiport converters represent a different category of multiport converters (Figure 5).
Figure 5.
Structure of partially isolated double-input-double-output (DIDO) port system.
The single winding of the high-frequency transformer can be connected to the input power port of an isolated multiport converter. Connecting to the input ports’ common ground point is required. This converter’s topology can be described as a hybrid of fully isolated and non-isolated multiport topologies. High power density, adjustable voltage ranges, and galvanic isolation of the load from the primary side are only a few of the main benefits of partially isolated multiport converters. Many different partially isolated multiport converters have been developed as a result of the aforementioned benefits. Among the primary drawbacks of the partially isolated design is that it does not offer as much scope for voltage scaling as the completely isolated multiport system does.
The study in [46] suggests an isolated multi-port converter that combines a series-resonant converter and a bidirectional pulse width modulation (PWM) converter. With the suggested multiport converter, the complexity and size of the circuit are reduced by integrating magnetic components in addition to halving the switch count. The proposed MPC was prototyped with 150 W power capacity for experimental verification. The single-magnetic topology is achieved by using the magnetizing inductance of the transformer as a filter inductor for the PWM converter and the leakage inductance as a resonant tank for the series resonant converter (SRC). The mathematical model of the partially isolated multiport converter was derived after a detailed study. In the battery charging mode, when the input power source delivers both the output and battery charging powers, the output and battery voltages are regulated via pulse frequency modulation (PFM) and PWM controls, respectively.
In [47], a control method and power management for an integrated partially isolated three-port converter which connects a solar input port, a bidirectional battery port, and an isolated output port are presented by the authors. In order to achieve a smooth and seamless mode shift, a competitive method is applied. The converter’s mathematical model under various operating modes is obtained in detail using the state-space averaging method, and a decoupling network is then implemented to permit different controller designs. Three circuit stages in the converter enable two control inputs to be used to govern two of the three ports. The input port or battery port can be regulated based on which is most urgently required given the available solar power and battery state of charge at any given time; however, the output voltage is always regulated. The multiport converter uses a matrix-based averaged state-space method for converter model derivation because there are numerous control inputs and state variables.
Table 4 contains some of the research results regarding the implementation of various partially isolated multiport topologies.
Table 4.
Application of different partially isolated MPC topologies for various systems.
All of the aforementioned types of MPCs including non-isolated, isolated, and partially isolated are still evolving, and more studies continue to suggest novel approaches, circuit designs, and control algorithms which help to reduce cost and increase the efficiency of the multiport converter system. Fewer active switches are present in non-isolated multiport converters, which often also have higher efficiency than isolated multiport converters. On the other hand, isolated topologies can handle high power flow between ports with greater flexibility. The typical switching frequencies for isolated topologies are 100 kHz and 50 kHz, respectively.
2.4. Modular and Non-Modular Multiport Converters
The quick rise in demand for the integration of renewable energy with numerous applications is what brought attention to modular multiport converters. These multiport converters make it very simple to add or remove a new energy source with fewer components than in the case of the application of conventional converters. As shown in [52], a modular multiport converter with a bidirectional port for battery charging applications (Figure 6) consists of six ports, from which three ports are input and the other three ports are output. Using Matlab/Simulink environment, the proposed topology is simulated, and the output results are plotted. The authors also provide a report that shows output data and a hardware prototype of the system.
Figure 6.
Structure of modular multiport system proposed.
A similar approach is used in [53]. The proposed multiport converter with a modular structure is able to handle a number of sources and loads. A modular converter topology has been designed for usage in energy systems with multiple sources and multiple loads. The converter is based on a specific switching scheme, and this switching scheme has been used to examine the converter’s working principle. In continuous conduction mode (CCM) and discontinuous conduction mode (DCM), the converter’s steady-state operation has been described. It has been possible to identify and characterize many DCM modes. Studies on sensitivity analysis, loss and efficiency modeling, and dynamic characterization are also carried out.
For non-modular multiport topology, the extension can be performed with the help of incorporating the fundamental structures in series. Two novel bridge-type dual input DC-DC converter topologies for combining two input energy sources are presented in [54]. The second topology is an upgraded version of the first of the two topologies. The load can receive power from the input energy sources concurrently from both converters. A thorough analysis of how the equivalent series resistance (ESR) of the passive elements (capacitor and inducer) affects the converter’s voltage gain has been undertaken. The voltage gain of the converter is greatly decreased by the inductor and capacitor’s ESR, according to the results of the ESR analysis.
In [55] the authors provided analysis, design description, and experimental testing of modular and non-modular bidirectional converters for energy management in the household energy hub. Various applications of these converters are covered in this article. Eight modules using the new, extremely fast gallium nitride (GaN) transistor technology, which permits raising the switching frequency up to the region of megahertz, were used to implement the modular structure. New silicon carbide (SiC) transistors, which also enable the utilization of high switching frequencies and lower total volume and costs, were also applied for the non-modular topology. For the purpose of verifying various operational modes, the primary electronic components for planned prototypes, along with specifications of input/output parameters, have been defined.
In [56] the authors offer a novel multiport DC/DC converter with a modular structure interconnected in a scalable matrix topology, offering a simultaneous low voltage/current rating and ultra-high voltage step-up ratio. This modular topology is proposed to help to transfer the power from the offshore wind turbine’s generator to the terminals of high-voltage direct current transmission line (HVDC) connecting the wind turbine farms with the inland grid. Soft-switching is achieved for all power switches and the currents of series-connected converters which are auto-balanced thanks to the use of active clamping current-fed push-pull (CFPP) converters as sub-modules, which significantly reduce switching losses and control complexity.
2.5. High-Gain and Low-Gain Multiport Converters
An important aspect of classifying multiport converters is the gain factor. Based on an application-oriented strategy and the demands of high gain or low gain, multiport converters can be chosen. This is important for the transfer of electrical power from the hybrid system based on various energy sources to the load. Various techniques, including the use of standard interleaved and cascaded boost converters, can be employed to attain a high gain [57,58,59]. The circuit’s cost and control complexity are raised as a result of the application of these topologies, though. A number of isolated topologies are used, and in order to obtain high voltage gain, they employ transformers with the necessary turn ratio. Utilizing intermediate storage sources such as inductors and capacitors, high-gain topologies achieve high gain. In comparison to multiport converters that are coupled in series, the switching devices are under substantially more stress because of the high gain.
The high gain is essential in fields such as motor drives and renewable energy. To meet load requirements, these converters raise the low voltage from energy storage systems and renewable energy sources to high voltage. By raising the turns ratio in the high-frequency transformer, it is possible to achieve high gain in isolated multiport converters. In [60] a multiport high-gain converter is proposed. The power source has one port, the battery has two ports, and the high voltage DC bus has three ports. In both boost/battery discharge and buck/battery charging modes, the operation of the converter is examined. The converter’s operation and in-depth theoretical analysis are presented. The proposed converter is capable of bidirectional and inter-source power transfer. A gain comparison with other converters is performed. For the purpose of validating the theoretical and practical analysis of the converter, a 744 W converter is simulated in Matlab/Simulink environment.
This research work [61] proposes a new architecture that combines the benefits of multi-input converters and high-gain converters. Two input ports are included in the suggested topology: one bidirectional port for an energy storage device and one unidirectional port for a solar energy source. To get high voltage gain, coupled inductor technology is applied. The topology and theoretical analysis are offered to clarify the operating principles. In [62], a DC-DC converter topology with a high step-up output is shown. Two input ports and four switches are part of the converter topology that is being suggested.
Low-gain multiport converters are ideal solutions for use in electric car propulsion systems and some renewable energy applications. In [63] a multiport buck DC-DC converter is the subject of the investigation. Then, for each item, the relationship between the critical inductance in continuous conduction mode and discontinuous conduction mode is estimated after studying various operational modes of the converter for two, three, and four input sources. When the minimum inductor current is zero for a portion of the switching period (ILV = 0), the converter functions in DCM mode. Otherwise, it operates in CCM mode when the minimum inductor current is positive (ILV > 0).
In [64] the authors propose a low-gain multiport converter which is carefully synthesized based on a topology that is a part of the switched-resonator converter family (SwRC). No transformer is used, and all ports share a common ground. The Route-Matrix concept is developed to identify the power multiplexing paths. A 250 W laboratory prototype’s experimental examinations verify the validity of the suggested converter and the offered theoretical analysis of its working principles.
2.6. Bidirectional and Unidirectional Multiport Converters
Applications for energy storage systems are driving the demand for multiport bidirectional converters. The power flow in these converters can pass either direction. These converters are mostly used in EV or HEV, including trains, nano and microgrids, and other types of electric drivetrain systems. The well-known isolated bidirectional converter is a dual active bridge (DAB). In [65] an innovative multiport bidirectional converter is suggested for electric car energy storage. Both bidirectional boost and buck modes can be operated with the help of the proposed converter. The multiport converter has three ports via which energy can pass. The suggested converter’s primary characteristics are its low component number, low peak voltage of the major switches, and minimal losses. Furthermore, the suggested converter uses only two power switches, which facilitates the transfer of power between the sources.
In order to operate with a higher switching frequency, achieve a better power density, and improve the efficiency of the bidirectional converter authors in [66] suggests a zero-voltage-transition (ZVT) three-level DC-DC converter. To test the converter operation mode, a 650 W prototype has been created. At a switching frequency of 200 kHz, it achieved the maximal efficiency of 95.5%.
In [67] authors introduce a three-port integrated bidirectional DC-DC converter for a DC distribution system. One port on the low voltage side of the proposed converter is picked as the current source port because it works with PV panels that have a wide range of voltage. Additionally, the current source port’s interleaved design can deliver the needed low current ripple to help PV panels achieve optimal power point tracking. Additionally, it is demonstrated that the two control variables duty cycle D and phase-shift angle φ can be separately adjusted in a three-phase system to achieve better MPPT characteristics.
The power flow in unidirectional types of multiport converters is only in one direction. The energy source can be used only to supply power to the load. These converters are widely used in renewable energy applications in the absence of energy storage systems. A bidirectional multiport converter can be developed by substituting unidirectional semiconductors with bidirectional ones.
In [68], a multiport converter based module-level technique is provided for capturing the maximum of power from a solar system under partial shadowing. Each module in the multiport converter topology has a dedicated switch connected in series with it so that it can run at its peak power. Each module operates independently of the others and reaches its own MMPT depending on the operational environment. Additionally, the MPC is resistant to short-circuit and module mismatch circumstances.
The authors in [69] present an advanced multiport DC-DC converter. The proposed converter is made up of numerous switched capacitor cells, with each cell having two diodes, an active switch, and a switched capacitor. Due to its simplicity and ease of expansion, this structure may accommodate applications requiring a large number of inputs, ranging from two to an infinite number. High frequency is used to run the converter. Because non-resonant versions do not need resonant inductors, they are compact and have a simple topology.
3. Common Multiport Topologies
Figure 7, displays one of the earliest non-isolated multiport converter topologies recorded. Two typical boost converters are connected in series to form the topology [70]. At that time, creating a new multiport topology by connecting two or more converters in series or parallel was typical practice. Numerous topologies of this kind were employed for the creation of independent power.
Figure 7.
Topology of 3-port, 2-input boost multiport converter.
The following equation can be used to express the voltage on the output port that is linked to the load:
where δ1, δ2 are duty cycles for Q1, Q2 are respectively.
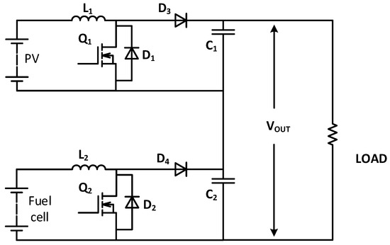
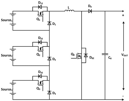
Figure 8, shows the partially isolated multiport converter, which combines direct and magnetic coupling. The converter was created specifically for application in combination with fuel cells [71].
Figure 8.
Topology of 3-port, 2-input boost multiport converter.
The six semiconductor switching devices used in the multiport converter (Q1–Q6). The application of a high-frequency transformer helps to isolate the output port from the input. While Q5 and Q6 form a bidirectional half-bridge for the output side, Q1 and Q2 together with Q3 and Q4 make two boost half-bridges.
The following equation represents the power flow to the converter’s load side:
where
P—is the power flow from input to output side, W
VIN—is the input side DC voltage, V
VOUT—is the ouput side DC voltage, V
ω—is the angular frequency, rad/s
n—is the number of turns of the high-frequency transformer,
φ—is the phase shift angle between control signals, rad
LX—is the leakage inductance, H.
According to Equation (3), at a particular switching frequency, the phase shift angle and leakage inductance have a significant impact on the output power. This architecture was created for the integration of fuel cells.
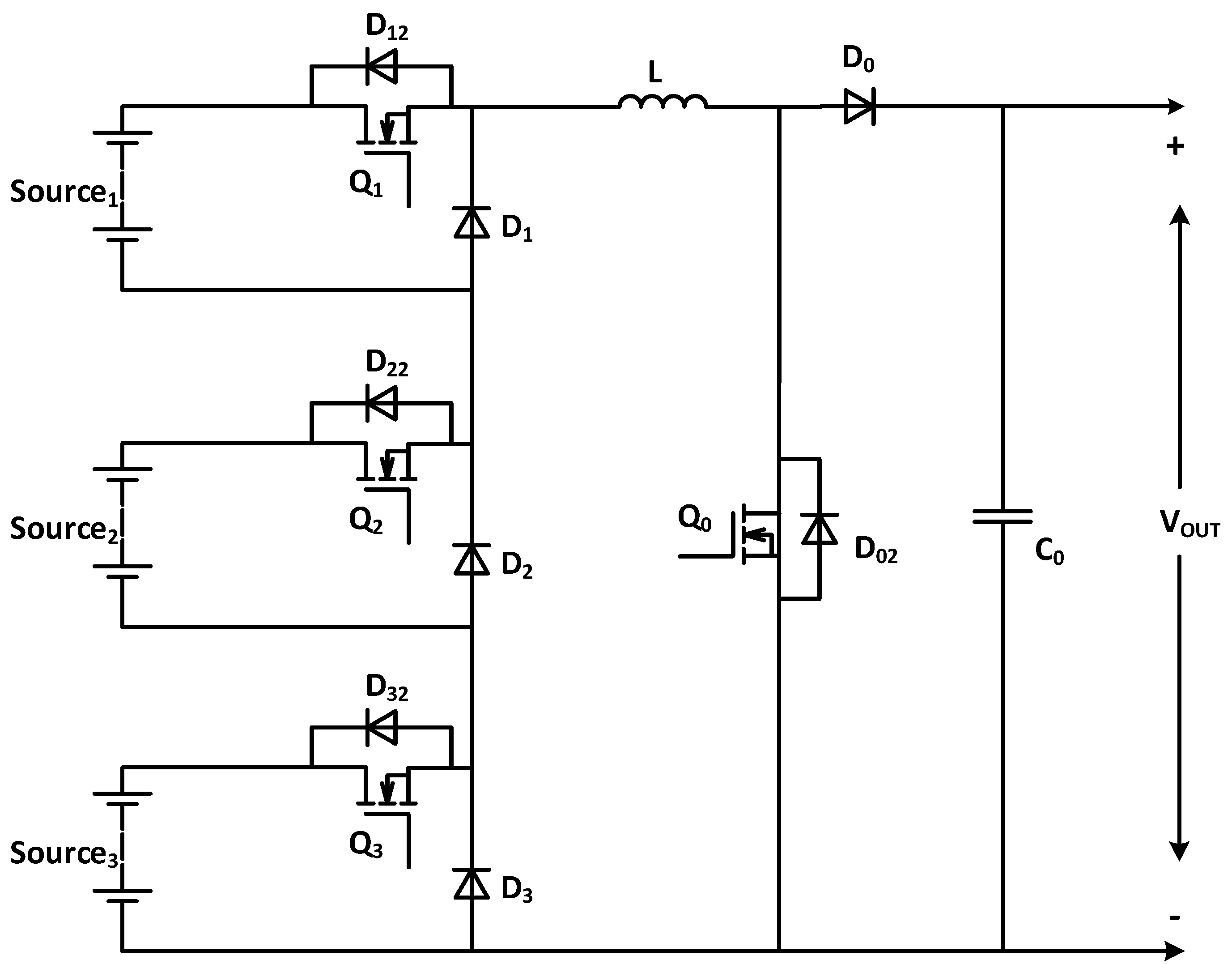
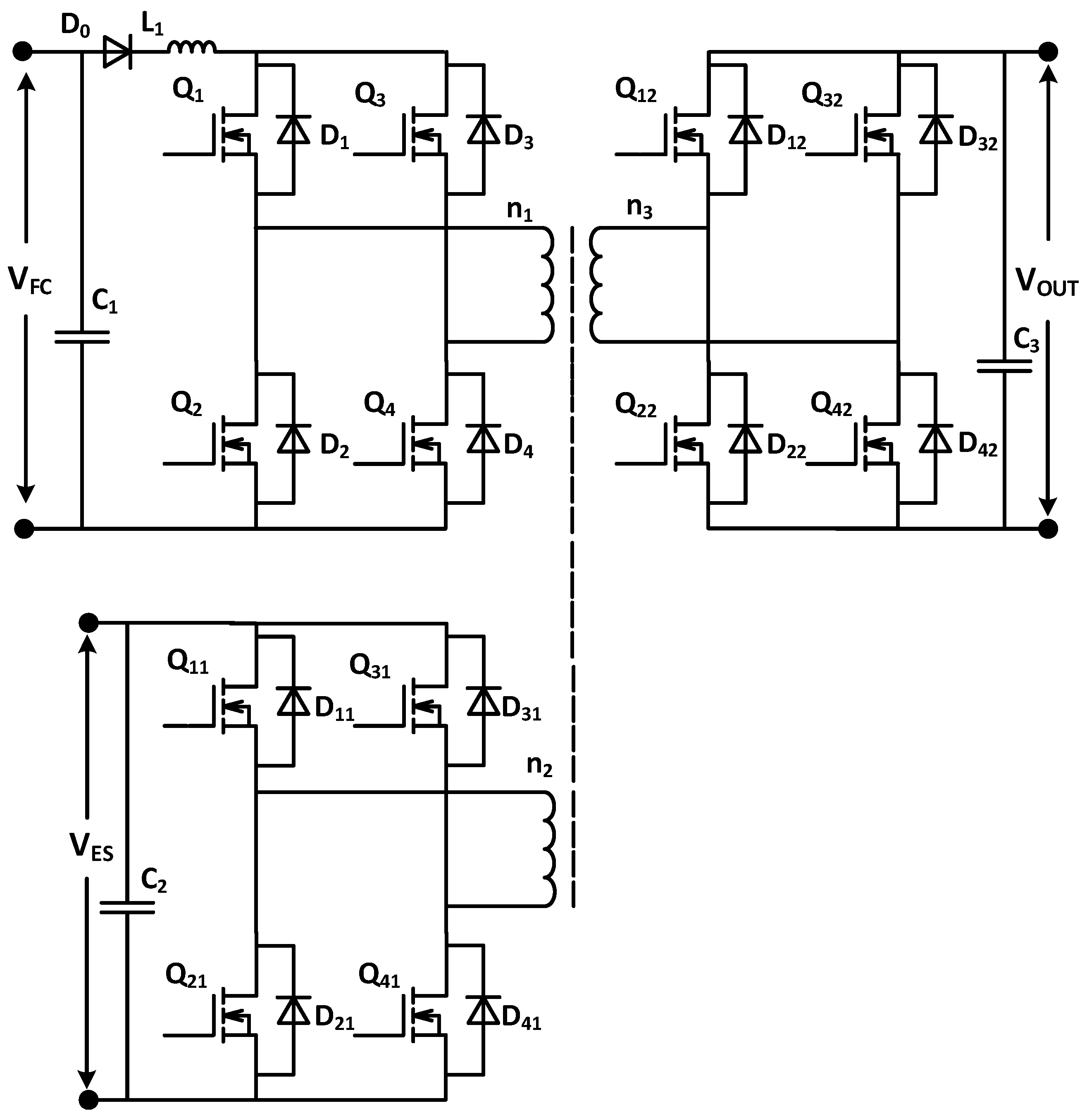
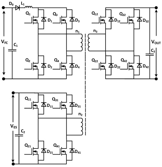
Figure 9, presents the topology of a fully isolated multiport converter. This topology is suggested in [72,73], and it is created as a modular system with three ports for each module.
Figure 9.
Topology of three port fully isolated multiport converter.
The purpose of diode D0 in Figure 9 is to protect the fuel cell by preventing the flow of reverse current. Current ripples are filtered and softened by choke L1. Power flow in the system is regulated by the phase shift of the gate control signals for the active bridge that connects the fuel cell port and output ports.
4. Control Systems for Multiport Topologies
Control strategies are essential for multiport converters to achieve their maximum efficiency. This is because control techniques can make these converter topologies’ overall operations more efficient. Power flow management between ports of a multiport converter can be implemented using various control methods. The input voltage, duty cycle ratio, reference voltage, and output voltage are among the control parameters for MPCs. The operation of multiport converters can be controlled by taking into account these parameters. For the best control of multiport converters, the switching operation should fulfill the output requirements. Control techniques are performed while taking into account all possible scenarios. Table 5 contains some of the research results for the different proposed control methods.
Table 5.
Application of different control methods for MPCs.
In [77], a SIDO buck converter’s cross-regulation is suppressed using a multivariable digital controller in continuous conduction mode. The multi-input multi-output systems’ open-loop shaping is the basis for the controller design. The control design process consists of:
- determination of a family of nonparametric models of the SIDO converter at operating points of interest;
- determination of the class of the controller;
- convex minimization of the summation of the square second norm of the errors between the system open-loop transfer function matrices and a desired open-loop transfer function matrix shapes the system’s open-loop transfer function.
The suggested multivariable controller shows satisfactory performance in the cross-regulation suppression of the output voltages of a SIDO converter, according to modeling and experimental results. The suggested approach is all-encompassing and adaptable to a SIMO converter for the various number of output voltages.
The use of digital control for non-isolated single-inductor multiple-output step-down dc-dc converters running in continuous-conduction mode is examined in [78]. A complex digital control architecture is necessary for the precise and independent regulation of each output in order to reduce the cross-regulation difficulty. The chosen control has a separate regulation for output voltages in differential and common modes. To enhance the system’s dynamic response to asymmetrical load changes, a nonlinear evaluation of the common-mode voltage has also been researched. Even though the authors were aiming at an integrated solution, the experimental verifications were performed with discrete parts, with the digital control being implemented in a field-programmable gate array (FPGA).
In [79], the authors suggest a hybrid space vector modulation technique (HSVM) for the multiport converters. In order to improve the converter efficiency, the authors also researched what happens if the auxiliary currents are shifted from the main ones. Three-phase 5 kW multiport converter prototype has been equipped with the suggested control circuit. It is demonstrated that the suggested HSVM method can increase the efficiency of a system in comparison to conventional space vector modulation by 0.3% at full load. The improvement is even more noticeable under partial loads, reaching up to 0.7%. Four-port converter is described in [80]. The PV array, fuel cells, and wind turbine are connected to the input side of the converter. The simplified bidirectional control structure is introduced. In the modulation strategy, the one-leg shoot-through procedure was adopted to decrease the switching losses and conduction losses of IGBTs. The system’s control technique is designed to handle a variety of load fluctuations. Functions for output voltage stabilizing and current limiting are included in the proposed MPC’s control system. In [81], for connecting multiple electric vehicles with energy-consuming households in DC microgrids (V2H), the T-type isolated multi-port converter (T-iMPC) interface topology is suggested. A control algorithm is designed to maintain balanced output voltages in order to verify the effectiveness of the converter operation. The suggested control system comprises several control loops that can run concurrently and in transition. Among these control loops are the DC-link control loop, FC control loop, constant current (CC) control loop, constant voltage (CV) control loop, and balance loop. Phase shift modulation is used in the DC-link control loop to distribute electricity to residences while maintaining the output DC-link voltage constant at 400 V. In an interleaved manner, the suggested T-iMPC may perform the functions of two bidirectional buck/boost converters.
5. Conclusions
The current state of system technologies, research, and application of conventional and novel control methods is presented in a review of multiport converters technologies. This review paper provides information regarding multiport converters, with the goal of guiding academics, designers, and application engineers toward a better understanding of technical characteristics, operation principles, and a selection process for these types of converters. The paper is focused not only on the multiport converters’ classification, which is based on the isolation characteristics, but also takes into consideration other important aspects inherent in this type of power electronic devices. Among other major characteristics are the multiport converter’s structure, power flow direction and gain coefficients. In recent review papers dedicated to multiport converter technologies, the focus is on multiport converters designed for renewable energy sources applications. The current review includes research works from the fields of renewable energy sources, electrical vehicles, energy storage systems, and micro-grids where multiport converters are also quite important.
This report reviewed more than sixty research papers and articles published between 1996 and 2023 that are dedicated to the investigation of multiport converters’ operation and performance. The up-to-date information regarding these technologies can help the readers to find the most important concepts and efficient ways of utilizing these concepts in the field of multiport converters. A description of the multiport converters’ primary functioning principles, classification, topologies, and control methods is provided. This article classifies different types of multiport converters and makes it easier to understand major ideas related to the operation, control, and characteristics of multiport converters. The major goal of the multiport converters is to accomplish a single-stage power conversion that primarily integrates different power sources while maintaining their unique characteristics, such as maximum power point tracking for photovoltaic systems and charging or discharging characteristics for batteries. The development of multiport converters is mainly focused on relatively low-power modular systems. The modular design, which may be used with multiport converters to produce low-power photovoltaic and battery interface energy systems rated at hundreds of watts to one kilowatt, is also gaining popularity.
The limitations and difficulties that each type of multiport converter must overcome have been identified. All MPCs have some drawbacks, but depending on the requirements that must be met, they can be used in an efficient way. It can be said that non-isolated multiport converters are ideal for low-power applications due to their affordability and efficiency features. This category of multiport converters is applicable particularly for low-power operations. Due to its capacity to combine the benefits of both non-isolated and completely isolated multiport converters, partially isolated multiport converters are a useful option in a variety of applications. High-power applications are better suited for isolated multiport converters. Therefore, it is important to consider trade-off factors when selecting a certain topology for a given application. Additionally, it is shown that the application of different techniques can improve the characteristics of MPCs. For instance, zero-voltage-switching can improve the system’s overall performance while reducing stress. The MPC system becomes more stable thanks to the use of soft switching technologies. The provided information can help not only in the selection process of multiport converters and control techniques for various applications based on their classification but also in synthesizing different topologies for newly emerging applications. It is shown that among the main priorities in modern multiport converter technologies are enhancement of power density, efficiency, and at the same time reduction of losses and capital costs. In addition, future research related to multiport converters will concentrate on distributed generation resource management systems to enhance overall flexibility.
Author Contributions
Conceptualization, L.G.; methodology, J.L.D.-G.; investigation, L.G.; control methods review, L.T.R.; visualization, À.F.M.; writing—review and editing, L.G. All authors have read and agreed to the published version of the manuscript.
Funding
This research was funded by the postdoctoral fellowship programme Beatriu de Pinós, funded by the Secretary of University and Research, from the Department of Enterprise and Knowledge (Government of Catalonia), with the grant Nº Ref. 2020 BP 00134.
Acknowledgments
This project has received funding from the postdoctoral fellowships programme Beatriu de Pinós, funded by the Secretary of University and Research, from the Department of Enterprise and Knowledge (Government of Catalonia), with the grant Nº Ref. 2020 BP 00134.
Conflicts of Interest
The authors declare no conflict of interest.
References
- Chen, C.; Pinar, M.; Stengos, T. Renewable energy and CO2 emissions: New evidence with the panel threshold model. Renew. Energy 2022, 194, 117–128. [Google Scholar] [CrossRef]
- Zhang, D.; Kong, Q. Green energy transition and sustainable development of energy firms: An assessment of renewable energy policy. Energy Econ. 2022, 111, 106060. [Google Scholar] [CrossRef]
- Su, C.W.; Pang, L.D.; Tao, R.; Shao, X.; Umar, M. Renewable energy and technological innovation: Which one is the winner in pro-moting net-zero emissions? Technol. Forecast. Soc. Chang. 2022, 182, 121798. [Google Scholar] [CrossRef]
- Shoaei, A.; Abbaszadeh, K.; Allahyari, H. A Single-Inductor Multi-Input Multilevel High Step-Up DC–DC Converter Based on Switched-Diode-Capacitor Cells for PV Applications. IEEE J. Emerg. Sel. Top. Ind. Electron. 2022, 4, 18–27. [Google Scholar] [CrossRef]
- Kumar, D.; Zare, F.; Ghosh, A. DC Microgrid Technology: System Architectures, AC Grid Interfaces, Grounding Schemes, Power Quality, Communication Networks, Applications, and Standardizations Aspects. IEEE Access 2017, 5, 12230–12256. [Google Scholar] [CrossRef]
- Lakshmi, M.; Hemamalini, S. Non isolated high gain DC-DC converter for DC microgrids. IEEE Trans. Ind. Electron. 2017, 65, 1205–1212. [Google Scholar] [CrossRef]
- Saafan, A.A.; Khadkikar, V.; El Moursi, M.S.; Zeineldin, H.H. A New Multiport DC-DC Converter for DC Microgrid Applications. IEEE Trans. Ind. Appl. 2022, 59, 601–611. [Google Scholar] [CrossRef]
- Unamuno, E.; Barrena, J.A. Hybrid ac/dc microgrids—Part II: Review and classification of control strategies. Renew. Sustain. Energy Rev. 2015, 52, 1123–1134. [Google Scholar] [CrossRef]
- Justo, J.J.; Mwasilu, F.; Lee, J.; Jung, J.W. AC-microgrids versus DC-microgrids with distributed energy sources: A review. Renew. Sustain. Energy Rev. 2013, 24, 387–405. [Google Scholar] [CrossRef]
- Banaei, M.R.; Bonab, H.A. A novel structure for single switch non-isolated transformerless buck-boost dc-dc converter. IEEE Trans. Ind. Electron. 2017, 24, 198–205. [Google Scholar] [CrossRef]
- Pires, V.F.; Foito, D.; Silva, J.F. A single switch hybrid DC/DC converter with extended static gain for photo-voltaic applications. Electr. Power Syst. Res. 2017, 146, 228–235. [Google Scholar] [CrossRef]
- Chakraborty, S.; Vu, H.-N.; Hasan, M.M.; Tran, D.-D.; El Baghdadi, M.; Hegazy, O. DC-DC Converter Topologies for Electric Vehicles, Plug-in Hybrid Electric Vehicles and Fast Charging Stations: State of the Art and Future Trends. Energies 2019, 12, 1569. [Google Scholar] [CrossRef]
- Pendolovska, V.; Fernandez, R.; Mandl, N.; Gugele, B.; Ritter, M. Annual European Union Greenhouse Gas Inventory 1990–2011 and Inventory Report 2013; European Environment Agency: Copenhagen, Denmark, 2013; p. 1159. [Google Scholar]
- Thiel, C.; Perujo, A.; Mercier, A. Cost and CO2 aspects of future vehicle options in Europe under new energy policy scenarios. Energy Policy 2010, 38, 7142–7151. [Google Scholar] [CrossRef]
- Luo, F.L.; Ye, H. Power Electronics: Advanced Conversion Technologies, 2nd ed.; CRC Press: Boca Raton, FL, USA, 2017; p. 735. [Google Scholar] [CrossRef]
- Litrán, S.P.; Durán, E.; Semião, J.; Díaz-Martín, C. Multiple-Output DC–DC Converters: Applications and Solutions. Electronics 2022, 11, 1258. [Google Scholar] [CrossRef]
- Fong, Y.C.; Cheng, K.W.E.; Raman, S.R.; Wang, X. Multi-Port Zero-Current Switching Switched-Capacitor Converters for Battery Management Applications. Energies 2018, 11, 1934. [Google Scholar] [CrossRef]
- Soldado-Guamán, J.; Herrera-Perez, V.; Pacheco-Cunduri, M.; Paredes-Camacho, A.; Delgado-Prieto, M.; Hernandez-Ambato, J. Multiple Input-Single Output DC-DC Converters Assessment for Low Power Renewable Sources Integration. Energies 2023, 16, 1652. [Google Scholar] [CrossRef]
- Bhattacharjee, A.K.; Kutkut, N.; Batarseh, I. Review of Multiport Converters for Solar and Energy Storage Integration. IEEE Trans. Power Electron. 2018, 34, 1431–1445. [Google Scholar] [CrossRef]
- Yalla, S.P.; Subudhi, P.S.; Ramachandaramurthy, V.K. Topological review of hybrid RES based multi-port converters. IET Renew. Power Gener. 2022, 16, 1087–1106. [Google Scholar] [CrossRef]
- Huang, Z.; Zhou, D.; Wang, L.; Shen, Z.; Li, Y. A Review of Single-Stage Multiport Inverters for Multisource Applications. IEEE Trans. Power Electron. 2023, 1–19. [Google Scholar] [CrossRef]
- Dobbs, B.; Chapman, P. A multiple-input DC-DC converter topology. IEEE Power Electron. Lett. 2003, 1, 6–9. [Google Scholar] [CrossRef]
- Kwasinski, A. Identification of Feasible Topologies for Multiple-Input DC–DC Converters. IEEE Trans. Power Electron. 2009, 24, 856–861. [Google Scholar] [CrossRef]
- Tao, H.; Kotsopoulos, A.; Duarte, J.; Hendrix, M. Family of multiport bidirectional DC–DC converters. IEE Proc.-Electr. Power Appl. 2006, 153, 451–458. [Google Scholar] [CrossRef]
- Matsuo, H.; Shigemizu, T.; Kurokawa, F.; Watanabe, N. Characteristics of the multiple-input DC-DC converter. In Proceedings of the IEEE Power Electronics Specialist Conference—PESC, Seattle, WA, USA, 20–24 June 1993; pp. 115–120. [Google Scholar]
- Wu, H.; Xing, Y.; Chen, R.; Zhang, J.; Sun, K.; Ge, H. A three-port half-bridge converter with synchronous rectification for renewable energy application. In 2011 IEEE Energy Conversion Congress and Exposition; IEEE: Piscataway, NJ, USA, 2011; pp. 3343–3349. [Google Scholar]
- Dusmez, S.; Li, X.; Akin, B. A new multi-input three-level integrated DC/DC converter for renewable energy systems. In Proceedings of the 2015 IEEE Applied Power Electronics Conference and Exposition (APEC), Charlotte, NC, USA, 15–19 March 2015; pp. 641–646. [Google Scholar] [CrossRef]
- Zhu, H.; Zhang, D.; Athab, H.S.; Wu, B.; Gu, Y. PV Isolated Three-Port Converter and Energy Balancing Control Method for PV-Battery Power Supply Applications. IEEE Trans. Ind. Electron. 2014, 62, 3595–3606. [Google Scholar] [CrossRef]
- Al-Atrash, H.; Tian, F.; Batarseh, I. Tri-Modal Half-Bridge Converter Topology for Three-Port Interface. IEEE Trans. Power Electron. 2007, 22, 341–345. [Google Scholar] [CrossRef]
- Raizada, S.; Verma, V. Isolated High Gain Multi-Input Converter fed Floating PV System for DC Microgrid. In Proceedings of the 2018 13th IEEE International Conference on Industry Applications (INDUSCON), Sao Paulo, Brazil, 12–14 November 2018; pp. 312–318. [Google Scholar]
- El Shafei, A.; Ozdemir, S.; Altin, N.; Jean-Pierre, G.; Nasiri, A. A Complete Design of a High Frequency Medium Voltage Multi-Port Transformer. In Proceedings of the 8th International Conference on Renewable Energy Research and Applications (ICRERA), Brasov, Romania, 3–6 November 2019; pp. 761–766. [Google Scholar]
- Zeng, J.; Qiao, W.; Qu, L.; Jiao, Y. An Isolated Multiport DC–DC Converter for Simultaneous Power Management of Multiple Different Renewable Energy Sources. IEEE J. Emerg. Sel. Top. Power Electron. 2013, 2, 70–78. [Google Scholar] [CrossRef]
- Wu, H.; Xing, Y.; Xia, Y.; Sun, K. A family of non-isolated three-port converters for stand-alone renewable power system. In Proceedings of the IECON 2011—37th Annual Conference of the IEEE Industrial Electronics Society, Melbourne, VIC, Australia, 7–10 November 2011; pp. 1030–1035. [Google Scholar]
- Elmakawi, A.; Bayındır, K. A High-Gain Non-Isolated Three-Port Converter for Building-Integrated PV Systems. Electronics 2022, 11, 387. [Google Scholar] [CrossRef]
- Chandrasekar, B.; Nallaperumal, C.; Dash, S.S. A Nonisolated Three-Port DC–DC Converter with Continuous Input and Output Currents Based on Cuk Topology for PV/Fuel Cell Applications. Electronics 2019, 8, 214. [Google Scholar] [CrossRef]
- Cheng, T.; Lu, D.D.-C.; Qin, L. Non-Isolated Single-Inductor DC/DC Converter With Fully Reconfigurable Structure for Renewable Energy Applications. IEEE Trans. Circuits Syst. II Express Briefs 2017, 65, 351–355. [Google Scholar] [CrossRef]
- Babaei, E.; Saadatizadeh, Z.; Chavoshipour Heris, P. A new topology for non-isolated multiport zero voltage switching dc-dc converter. Int. J. Circuit Theory Appl. 2018, 46, 1812–1836. [Google Scholar] [CrossRef]
- Bhattacharya, S.; Anagnostou, D.; Schwane, P.; Bauer, C.; Kallo, J.; Willich, C. A Flexible DC–DC Converter with Multi-Directional Power Flow Capabilities for Power Management and Delivery Module in a Hybrid Electric Aircraft. Energies 2022, 15, 5495. [Google Scholar] [CrossRef]
- Zhang, Z.; Thomsen, O.C.; Andersen, M.A.; Nielsen, H.R. A novel dual-input isolated current-fed DC-DC converter for renewable energy system. In Proceedings of the 2011 Twenty-Sixth Annual IEEE Applied Power Electronics Conference and Exposition (APEC), Fort Worth, TX, USA, 6–11 March 2011; pp. 1494–1501. [Google Scholar]
- Liang, Y. Xi’an University of Technology Parallel Coordination Control of Multi-Port DC-DC Converter for Stand-Alone Photovoltaic-Energy Storage Systems. CPSS Trans. Power Electron. Appl. 2020, 5, 235–241. [Google Scholar] [CrossRef]
- Qian, Z.; Abdel-Rahman, O.; Hu, H.; Batarseh, I. An integrated three-port inverter for stand-alone PV applications. In Proceedings of the 2010 IEEE Energy Conversion Congress and Exposition, Atlanta, GA, USA, 12–16 September 2010; pp. 1471–1478. [Google Scholar]
- Ajami, A.; Shayan, P.A. Soft switching method for multiport DC/DC converters applicable in grid connected clean energy sources. IET Power Electron. 2015, 8, 1246–1254. [Google Scholar] [CrossRef]
- Zeng, J.; Qiao, W.; Qu, L. A LCL-resonant isolated multiport DC-DC converter for power management of multiple renewable energy sources. In Proceedings of the Energy Conversion Congress and Exposition (ECCE), Denver, Colorado, 15–19 September 2013; pp. 2347–2354. [Google Scholar] [CrossRef]
- Jakka, V.N.S.R.; Shukla, A.; Demetriades, G.D. Dual-Transformer-Based Asymmetrical Triple-Port Active Bridge (DT-ATAB) Isolated DC–DC Converter. IEEE Trans. Ind. Electron. 2017, 64, 4549–4560. [Google Scholar] [CrossRef]
- Ebadpour, M. A Multiport Isolated DC-DC Converter for Plug-in Electric Vehicles Based on Combination of Photovoltaic Systems and Power Grid. In Proceedings of the 2021 12th Power Electronics, Drive Systems, and Technologies Conference (PEDSTC), Tabriz, Iran, 2–4 February 2021; pp. 1–5. [Google Scholar]
- Uno, M.; Oyama, R.; Sugiyama, K. Partially Isolated Single-Magnetic Multiport Converter Based on Integration of Series-Resonant Converter and Bidirectional PWM Converter. IEEE Trans. Power Electron. 2018, 33, 9575–9587. [Google Scholar] [CrossRef]
- Qian, Z.; Abdel-Rahman, O.; Al-Atrash, H.; Batarseh, I. Modeling and Control of Three-Port DC/DC Converter Interface for Satellite Applications. IEEE Trans. Power Electron. 2009, 25, 637–649. [Google Scholar] [CrossRef]
- Uno, M.; Sato, M.; Tada, Y.; Iyasu, S.; Kobayashi, N.; Hayashi, Y. Partially-Isolated Multiport Converter with Automatic Current Balancing Interleaved PWM Converter and Improved Transformer Utilization for EV Batteries. IEEE Trans. Transp. Electrif. 2022. [Google Scholar] [CrossRef]
- Moradisizkoohi, H.; Elsayad, N.; Mohammed, O.A. A Family of Three-Port Three-Level Converter Based on Asymmetrical Bidirectional Half-Bridge Topology for Fuel Cell Electric Vehicle Applications. IEEE Trans. Power Electron. 2019, 34, 11706–11724. [Google Scholar] [CrossRef]
- Debnath, D.; Chatterjee, K. Two-Stage Solar Photovoltaic-Based Stand-Alone Scheme Having Battery as Energy Storage Element for Rural Deployment. IEEE Trans. Ind. Electron. 2014, 62, 4148–4157. [Google Scholar] [CrossRef]
- Li, W.; Xiao, J.; Zhao, Y.; He, X. PWM Plus Phase Angle Shift (PPAS) Control Scheme for Combined Multiport DC/DC Converters. IEEE Trans. Power Electron. 2011, 27, 1479–1489. [Google Scholar] [CrossRef]
- Waseem, M.; Saeed, L.; Khan, M.Y.A.; Saleem, J.; Majid, A. A multi input multi output bidirectional DC-DC boost converter with backup battery port. In Proceedings of the 2018 1st International Conference on Power, Energy and Smart Grid (ICPESG), Azad Kashmir, Pakistan, 9–10 April 2018; pp. 1–6. Available online: https://ieeexplore.ieee.org/document/9774416 (accessed on 12 February 2023).
- Behjati, H.; Davoudi, A. A Multiple-Input Multiple-Output DC–DC Converter. IEEE Trans. Ind. Appl. 2013, 49, 1464–1479. [Google Scholar] [CrossRef]
- Athikkal, S.; Kumar, G.G.; Sundaramoorthy, K.; Sankar, A. Performance Analysis of Novel Bridge Type Dual Input DC-DC Converters. IEEE Access 2017, 5, 15340–15353. [Google Scholar] [CrossRef]
- Frivaldsky, M.; Kascak, S.; Morgos, J.; Prazenica, M. From Non-Modular to Modular Concept of Bidirectional Buck/Boost Converter for Microgrid Applications. Energies 2020, 13, 3287. [Google Scholar] [CrossRef]
- Song, S.; Hu, Y.; Ni, K.; Yan, J.; Chen, G.; Wen, H.; Ye, X. Multi-Port High Voltage Gain Modular Power Converter for Offshore Wind Farms. Sustainability 2018, 10, 2176. [Google Scholar] [CrossRef]
- Golbon, N.; Moschopoulos, G. Analysis and Design of a Higher Current ZVS-PWM Converter for Industrial Applications. Electronics 2013, 2, 94–112. [Google Scholar] [CrossRef]
- Park, S.; Choi, S. Soft-Switched CCM Boost Converters With High Voltage Gain for High-Power Applications. IEEE Trans. Power Electron. 2010, 25, 1211–1217. [Google Scholar] [CrossRef]
- Li, W.; Zhao, Y.; Deng, Y.; He, X. Interleaved Converter With Voltage Multiplier Cell for High Step-Up and High-Efficiency Conversion. IEEE Trans. Power Electron. 2010, 25, 2397–2408. [Google Scholar] [CrossRef]
- Arif, M.; Saleem, J.; Abbas, Q.; Todorovic, I.; Majid, A. High gain bidirectional multiport DC to DC converter for DC microgrid. In Proceedings of the 2017 International Symposium on Power Electronics (Ee), Novi Sad, Serbia, 19–21 October 2017; pp. 1–6. [Google Scholar] [CrossRef]
- Teja, V.R.; Srinivas, S.; Mishra, M.K. A three port high gain non-isolated DC-DC converter for photovoltaic applications. In Proceedings of the 2016 IEEE International Conference on Industrial Technology (ICIT), Vina del Mar, Chile, 14–17 March 2010; pp. 251–256. [Google Scholar]
- Gaurav; Jayaram, N.; Halder, S.; Panda, K.P.; Pulavarthi, S.V.K. A Novel Design With Condensed Component of Multi-Input High Gain Nonisolated DC–DC Converter for Performance Enhancement in Carbon Neutral Energy Application. IEEE J. Emerg. Sel. Top. Ind. Electron. 2022, 4, 37–49. [Google Scholar] [CrossRef]
- Babaei, E.; Varesi, K.; Vosoughi, N. Calculation of critical inductance in n -input buck dc–dc converter. IET Power Electron. 2016, 9, 2434–2444. [Google Scholar] [CrossRef]
- Jabbari, M.; Dorcheh, M.S. Resonant Multi-input/Multi-output/Bidirectional ZCS Step-Down DC-DC Converter With Systematic Synthesis for Point-to-Point Power Routing. IEEE Trans. Power Electron. 2018, 33, 6024–6032. [Google Scholar] [CrossRef]
- Yi, W.; Ma, H.; Peng, S.; Liu, D.; Ali, Z.M.; Dampage, U.; Hajjiah, A. Analysis and implementation of multi-port bidirectional converter for hybrid energy systems. Energy Rep. 2022, 8, 1538–1549. [Google Scholar] [CrossRef]
- Dusmez, S.; Khaligh, A.; Hasanzadeh, A. A Zero-Voltage-Transition Bidirectional DC/DC Converter. IEEE Trans. Ind. Electron. 2015, 62, 3152–3162. [Google Scholar] [CrossRef]
- Wang, Z.; Li, H. An Integrated Three-Port Bidirectional DC–DC Converter for PV Application on a DC Distribution System. IEEE Trans. Power Electron. 2012, 28, 4612–4624. [Google Scholar] [CrossRef]
- Chander, A.H.; Kumar, L. MIC for reliable and efficient harvesting of solar energy. IET Power Electron. 2019, 12, 267–275. [Google Scholar] [CrossRef]
- Yuan-Mao, Y.; Cheng, K.W.E. Multi-input voltage-summation converter based on switched-capacitor. IET Power Electron. 2013, 6, 1909–1916. [Google Scholar] [CrossRef]
- Solero, L.; Caricchi, F.; Crescimbini, F.; Honorati, O.; Mezzetti, F. Performance of a 10 kW power electronic interface for com-bined wind/PV isolated generating systems. In Proceedings of the 27th Annual IEEE Power Electronics Specialists Conference, Maggiore, Italy, 1 January 1996; pp. 1027–1032. [Google Scholar]
- Tao, H.; Kotsopoulos, A.; Duarte, J.; Hendrix, M. Multi-input bidirectional DC-DC converter combining DC-link and magnetic-coupling for fuel cell systems. In Proceedings of the Fourtieth IAS Annual Meeting, Conference Record of the Industry Applications Conference, Kowloon, Hong Kong, 2–6 October 2005; pp. 2021–2028. [Google Scholar]
- Phattanasak, M.; Gavagsaz-Ghoachani, R.; Martin, J.-P.; Nahid-Mobarakeh, B.; Pierfederici, S.; Davat, B. Control of a Hybrid Energy Source Comprising a Fuel Cell and Two Storage Devices Using Isolated Three-Port Bidirectional DC–DC Converters. IEEE Trans. Ind. Appl. 2015, 51, 491–497. [Google Scholar] [CrossRef]
- Gevorkov, L.; Domínguez-García, J.L.; Martínez, À.F. Modern Trends in MultiPort Converters: Isolated, Non-Isolated, and Partially Isolated. In Proceedings of the 2022 IEEE 63th International Scientific Conference on Power and Electrical Engineering of Riga Technical University (RTUCON), Riga, Latvia, 10–12 October 2022; pp. 1–6. [Google Scholar] [CrossRef]
- Reddi, N.K.; Ramteke, M.R.; Suryawanshi, H.M. Design and Realization of Current-Fed Single-Input Dual-Output Soft-Switched Resonant Converter. J. Circuits Syst. Comput. 2019, 29, 2050069. [Google Scholar] [CrossRef]
- Li, X.L.; Dong, Z.; Tse, C.K.; Lu, D.D.-C. Single-Inductor Multi-Input Multi-Output DC–DC Converter With High Flexibility and Simple Control. IEEE Trans. Power Electron. 2020, 35, 13104–13114. [Google Scholar] [CrossRef]
- Wang, B.; Kanamarlapudi, V.R.K.; Xian, L.; Peng, X.; Tan, K.T.; So, P.L. Model Predictive Voltage Control for Single-Inductor Multiple-Output DC–DC Converter With Reduced Cross Regulation. IEEE Trans. Ind. Electron. 2016, 63, 4187–4197. [Google Scholar] [CrossRef]
- Dasika, J.D.; Bahrani, B.; Saeedifard, M.; Karimi, A.; Rufer, A. Multivariable Control of Single-Inductor Dual-Output Buck Converters. IEEE Trans. Power Electron. 2013, 29, 2061–2070. [Google Scholar] [CrossRef]
- Trevisan, D.; Mattavelli, P.; Tenti, P. Digital Control of Single-Inductor Multiple-Output Step-Down DC–DC Converters in CCM. IEEE Trans. Ind. Electron. 2008, 55, 3476–3483. [Google Scholar] [CrossRef]
- Stecca, M.; Abdelhakim, A.; Soeiro, T.B.; Canales, F.; Bauer, P.; Palensky, P. Hybrid Space Vector Modulation Scheme for the Multiport Hybrid Converter. IEEE Trans. Power Electron. 2022, 38, 60–65. [Google Scholar] [CrossRef]
- Almutairi, A.; Sayed, K.; Albagami, N.; Abo-Khalil, A.; Saleeb, H. Multi-Port PWM DC-DC Power Converter for Renewable Energy Applications. Energies 2021, 14, 3490. [Google Scholar] [CrossRef]
- Savrun, M.M.; Inci, M.; Büyük, M. Design and analysis of a high energy efficient multi-port dc-dc converter interface for fuel cell/battery electric vehicle-to-home (V2H) system. J. Energy Storage 2021, 45, 103755. [Google Scholar] [CrossRef]
Disclaimer/Publisher’s Note: The statements, opinions and data contained in all publications are solely those of the individual author(s) and contributor(s) and not of MDPI and/or the editor(s). MDPI and/or the editor(s) disclaim responsibility for any injury to people or property resulting from any ideas, methods, instructions or products referred to in the content. |
© 2023 by the authors. Licensee MDPI, Basel, Switzerland. This article is an open access article distributed under the terms and conditions of the Creative Commons Attribution (CC BY) license (https://creativecommons.org/licenses/by/4.0/).







