Integrated Adaptive Steering Stability Control for Ground Vehicle with Actuator Saturations
Abstract
:1. Introduction
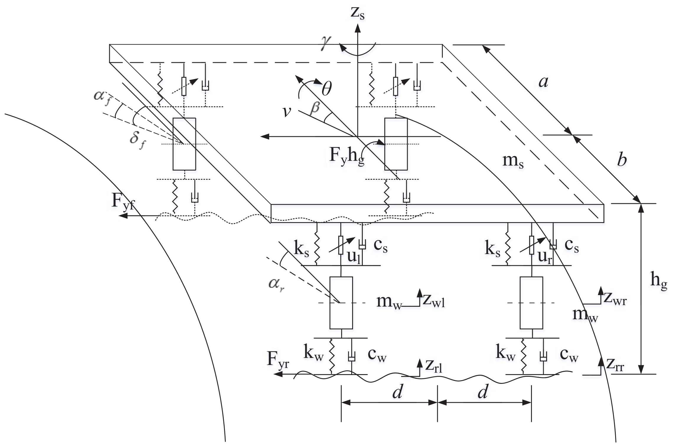
2. Problem Formulation
3. Integrated Controller Design
4. Simulation Verification
4.1. Scenario 1: Square-Wave Front Wheel Input with Flat Road Surface
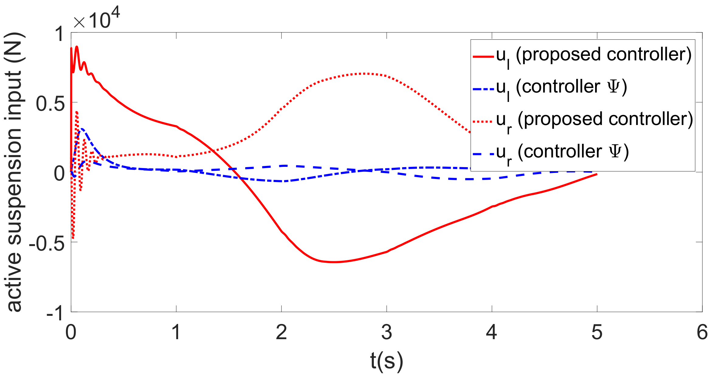
4.2. Scenario 2: J-Turn Front Wheel Input with Sinusoidal Vertical Road Surface
5. Conclusions
Author Contributions
Funding
Institutional Review Board Statement
Informed Consent Statement
Data Availability Statement
Conflicts of Interest
References
- Hu, J.; Wang, Y.; Fujimoto, H.; Hori, Y. Robust yaw stability control for in-wheel motor electric vehicles. IEEE/ASME Trans. Mechatron. 2017, 22, 1360–1370. [Google Scholar] [CrossRef]
- Sun, W.; Tang, S.; Gao, H.; Zhao, J. Two time-scale tracking control of nonholonomic wheeled mobile robots. IEEE Trans. Control Syst. Technol. 2016, 24, 2059–2069. [Google Scholar] [CrossRef]
- Choi, M.; Choi, S.B. Model predictive control for vehicle yaw stability with practical concerns. IEEE Trans. Veh. Technol. 2014, 63, 3539–3548. [Google Scholar] [CrossRef]
- Zhang, J.; Sun, W.; Du, H. Integrated motion control scheme for four-wheel-independent vehicles considering critical conditions. IEEE Trans. Veh. Technol. 2019, 68, 7488–7497. [Google Scholar] [CrossRef]
- Li, B.; Du, H.; Li, W.; Zhang, Y. Side-slip angle estimation based lateral dynamics control for omni-directional vehicles with optimal steering angle and traction/brake torque distribution. Mechatronics 2015, 30, 348–362. [Google Scholar] [CrossRef]
- Zhao, H.; Gao, B.; Ren, B.; Chen, H. Integrated control of in-wheelmotor electric vehicles using a triple-step nonlinear method. J. Frankl. Inst. 2015, 352, 519–540. [Google Scholar] [CrossRef]
- Pugi, L.; Favilli, T.; Berzi, L.; Cappa, M.; Pierini, M. An Optimal Torque and Steering Allocation Strategy for Stability Control of Road Vehicles. In Proceedings of the 21st IEEE International Conference on Environment and Electrical Engineering and 2021 5th IEEE Industrial and Commercial Power System Europe, EEEIC/I and CPS Europe 2021—Proceedings, Bari, Italy, 7–10 September 2021. [Google Scholar]
- Allotta, B.; Pugi, L.; Bartolini, F.; Cangioli, F.; Colla, V. Comparison of different control approaches aiming at enhancing the comfort of a railway vehicle. In Proceedings of the IEEE/ASME International Conference on Advanced Intelligent Mechatronics, Montreal, QC, Canada, 6–9 July 2010; pp. 676–681. [Google Scholar]
- Cairano, S.D.; Tseng, H.E.; Bernardini, D.; Bemporad, A. Vehicle yaw stability control by coordinated active front steering and differential braking in the tire sideslip angles domain. IEEE Trans. Control Syst. Technol. 2017, 21, 1236–1248. [Google Scholar] [CrossRef]
- Sun, W.; Pan, H.; Gao, H. Filter-based adaptive vibration control for active vehicle suspensions with electro-hydraulic actuators. IEEE Trans. Veh. Technol. 2016, 65, 4619–4626. [Google Scholar] [CrossRef]
- Zhang, J.; Sun, W.; Liu, Z.; Zeng, M. Comfort braking control for brake-by-wire vehicles. Mech. Syst. Signal Process. 2019, 133, 106255. [Google Scholar] [CrossRef]
- Zhang, J.; Sun, W.; Jing, H. Nonlinear Robust Control of Antilock Braking Systems Assisted by Active Suspensions for Automobile. IEEE Trans. Control Syst. Technol. 2019, 27, 1352–1359. [Google Scholar] [CrossRef]
- Sun, W.; Pan, H.; Zhang, Y.; Gao, H. Multi-objective control for uncertain nonlinear active suspension systems. Mechtronics 2014, 24, 318–327. [Google Scholar] [CrossRef]
- Sun, W.; Gao, H.; Yao, B. Adaptive robust vibration control of full-car active suspensions with electrohydraulic actuators. IEEE Trans. Control Syst. Technol. 2013, 21, 2417–2422. [Google Scholar] [CrossRef]
- Riofrio, A.; Sanz, S.; Boada, M.J.L.; Boada, B.L. A lqr-based controller with estimation of road bank for improving vehicle lateral and rollover stability via active suspension. Sensors 2017, 17, 2318. [Google Scholar] [CrossRef]
- Her, H.; Suh, J.; Yi, K. Integrated control of the differential braking, the suspension damping force and the active roll moment for improvement in the agility and the stability. Proc. Inst. Mech. Eng. Part D J. Automob. Eng. 2015, 229, 1145–1157. [Google Scholar] [CrossRef]
- Chou, H.; D’andréa-Novel, B. Global vehicle control using differential braking torques and active suspension forces. Veh. Syst. Dyn. 2005, 43, 261–284. [Google Scholar] [CrossRef]
- Cao, J.; Jing, L.; Guo, K.; Yu, F. Study on integrated control of vehicle yaw and rollover stability using nonlinear prediction model. Math. Probl. Eng. 2013, 2013, 643548. [Google Scholar] [CrossRef]
- Hsin, G.; Kyongil, K.; Wang, B. Comprehensive path and attitude control of articulated vehicles for varying vehicle conditions. Int. J. Heavy Veh. Syst. 2017, 24, 65–95. [Google Scholar]
- Saeedi, M.A. A new robust combined control system for improving manoeuvrability, lateral stability and rollover prevention of a vehicle. Proc. Inst. Mech. Eng. Part K J. Multi-Body Dyn. 2020, 1, 198–213. [Google Scholar] [CrossRef]
- Williams, D.E.; Haddad, W.M. Nonlinear control of roll moment distribution to influence vehicle yaw characteristics. IEEE Trans. Control Syst. Technol. 1995, 3, 110–116. [Google Scholar] [CrossRef]
- Sun, W.; Zhao, Z.; Gao, H. Saturated adaptive robust control for active suspension systems. IEEE Trans. Ind. Electron. 2013, 60, 3889–3896. [Google Scholar] [CrossRef]
- Hong, Y.; Yao, B. A globally stable high-performance adaptive robust control algorithm with input saturation for precision motion control of linear motor drive systems. IEEE/ASME Trans. Mechatron. 2007, 12, 198–207. [Google Scholar] [CrossRef]
- Tarbouriech, S.; Turner, M. Anti-windup design: An overview of some recent advances and open problems. IET Control Theory Appl. 2009, 3, 1–19. [Google Scholar] [CrossRef]
- Wen, C.; Zhou, J.; Liu, Z.; Su, H. Robust adaptive control of uncertain nonlinear systems in the presence of input saturation and external disturbance. IEEE Trans. Autom. Control 2011, 56, 1672–1678. [Google Scholar] [CrossRef]
- Sun, L.; Zheng, Z. Disturbance-observer-based robust backstepping attitude stabilization of spacecraft under input saturation and measurement uncertainty. IEEE Trans. Ind. Electron. 2017, 64, 7994–8002. [Google Scholar] [CrossRef]
- Wang, F.; Zou, Q.; Zong, Q. Robust adaptive backstepping control for an uncertain nonlinear system with input constraint based on lyapunov redesign. Int. J. Control Autom. Syst. 2017, 15, 212–225. [Google Scholar] [CrossRef]
- Zhang, J.; Sun, W.; Feng, Z. Vehicle yaw stability control via H∞ gain scheduling. Mech. Syst. Signal Process. 2018, 106, 62–75. [Google Scholar] [CrossRef]
- Yao, J.; Deng, W.; Jiao, Z. Adaptive control of hydraulic actuators with LuGre model based friction compensation. IEEE Trans. Ind. Electron. 2015, 62, 6469–6477. [Google Scholar] [CrossRef]
- Sun, W.; Zhang, Y.; Huang, Y.; Gao, H.; Kaynak, O. Transient-performance-guaranteed robust adaptive control and its application to precision motion control systems. IEEE Trans. Ind. Electron. 2016, 63, 6510–6518. [Google Scholar] [CrossRef]
- Chen, Z.; Yao, B.; Wang, Q. μ-synthesis based adaptive robust control of linear motor driven stages with high-frequency dynamics: A case study with comparative experiments. IEEE/ASME Trans. Mechatron. 2015, 20, 1482–1490. [Google Scholar] [CrossRef]
- Zhang, H.; Huang, X.; Wang, J.; Karimi, H.R. Robust energy-to-peak sideslip angle estimation with applications to ground vehicles. Mechatronics 2015, 30, 338–347. [Google Scholar] [CrossRef]
- Yi, J. A piezo-sensor-based “smart tire” system for mobile robots and vehicles. IEEE/ASME Trans. Mechatron. 2008, 13, 95–103. [Google Scholar] [CrossRef]
- Cheli, F.; Leo, E.; Melzi, S.; Sabbioni, E. On the impact of ‘smart tyres’ on existing ABS/EBD control systems. Veh. Syst. Dyn. 2010, 48, 255–270. [Google Scholar] [CrossRef]
- Wang, R.; Wang, J. Actuator-redundancy-based fault diagnosis for four-wheel independently actuated electric vehicles. IEEE Trans. Intell. Transp. Syst. 2014, 15, 239–249. [Google Scholar] [CrossRef]
- Wei, X.; Wu, Z.; Karimi, H.R. Disturbance observer-based disturbance attenuation control for a class of stochastic systems. Automatica 2016, 63, 21–25. [Google Scholar] [CrossRef]
- Wang, R.; Wang, J. Fault-tolerant control for electric ground vehicles with independently-actuated in-wheel motors. J. Dyn. Syst. Meas. Control 2012, 134, 021014. [Google Scholar] [CrossRef]
- Zhou, H.; Liu, Z. Vehicle yaw stability-control system design based on sliding mode and backstepping control approach. IEEE Trans. Veh. Technol. 2010, 59, 3674–3678. [Google Scholar] [CrossRef]





















| Parameter | Value | Parameter | Value |
|---|---|---|---|
| 1110 kg | kg | ||
| kg·m | kg·m | ||
| Ns/m | 2 × 28,000 N/m | ||
| Ns/m | 2 × 232,000 N/m | ||
| 22,010 N/rad | 22,010 N/rad | ||
| m | d | m | |
| a | m | b | m |
| kg·m | kg·m |
| Parameter | Value | Parameter | Value | Parameter | Value |
|---|---|---|---|---|---|
| 1 | 10,000 | 10 | |||
| 1 | 100 | 10 | |||
| 10 | 5000 | ||||
| , , | 10 |
Publisher’s Note: MDPI stays neutral with regard to jurisdictional claims in published maps and institutional affiliations. |
© 2022 by the authors. Licensee MDPI, Basel, Switzerland. This article is an open access article distributed under the terms and conditions of the Creative Commons Attribution (CC BY) license (https://creativecommons.org/licenses/by/4.0/).
Share and Cite
Zhang, J.; Wang, M. Integrated Adaptive Steering Stability Control for Ground Vehicle with Actuator Saturations. Appl. Sci. 2022, 12, 8502. https://doi.org/10.3390/app12178502
Zhang J, Wang M. Integrated Adaptive Steering Stability Control for Ground Vehicle with Actuator Saturations. Applied Sciences. 2022; 12(17):8502. https://doi.org/10.3390/app12178502
Chicago/Turabian StyleZhang, Jinhua, and Mingyu Wang. 2022. "Integrated Adaptive Steering Stability Control for Ground Vehicle with Actuator Saturations" Applied Sciences 12, no. 17: 8502. https://doi.org/10.3390/app12178502
APA StyleZhang, J., & Wang, M. (2022). Integrated Adaptive Steering Stability Control for Ground Vehicle with Actuator Saturations. Applied Sciences, 12(17), 8502. https://doi.org/10.3390/app12178502
