Model Testing and Numerical Simulation of the Bearing Characteristics of Screw-Core Cement Mixing Pile
Abstract
1. Introduction
2. Materials and Methods
2.1. Model Testing
2.1.1. Similarity Ratio Design
2.1.2. Test Procedure
2.2. Numerical Modeling
2.2.1. Modeling
2.2.2. Model Verification
2.2.3. Analysis of the Influence of Geometrical Parameters of the Screw Core
3. Results and Discussion
3.1. Analysis of Model Testing Results
3.1.1. Vertical Load and Settlement Results
3.1.2. Axial Force Results
3.2. Analysis of Numerical Modeling Results
4. Discussion
5. Conclusions
- (1)
- Due to the interlocking effect between the screw-core structure and the mixing pile shell, the load-bearing capacity of the screw core at the same pile depth is greater than that of the circular core. The bearing performance of screw-core mixing piles (1.79 kN) showed an overall improvement of 43.2% over that of circular-core mixing piles (1.25 kN). This results in a higher ultimate bearing capacity for screw-core mixing piles compared to circular-core mixing piles. Therefore, the screw-core structure can be selected in practical applications to meet the demand for high foundation-bearing capacity.
- (2)
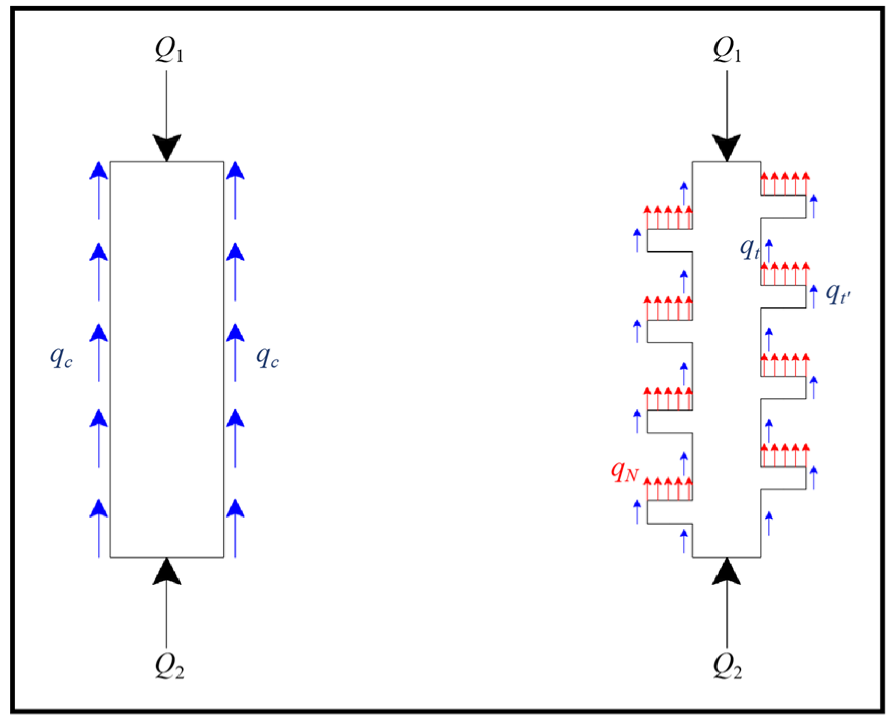
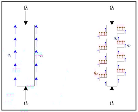
- The pile core, as the primary load-bearing component of the monopile, gradually concentrates more load as the vertical load increases. When the ultimate load is reached, the screw core and circular core bear 83% and 75% of the vertical load in the whole pile respectively, and the load-bearing capacity of the screw core is larger than that of the circular core. The mixing pile shell plays a secondary role in the load-bearing process, with the vertical axial force remaining largely unchanged within the depth of the pile core. At this depth, the mixing pile shell primarily serves as a medium for transferring shear stresses between the pile core and the surrounding soft soil.
- (3)
- The effect of the thread height ratio on the bearing capacity of screw-core mixing piles is limited. The selection of an appropriate thread height ratio can optimize the bearing characteristics of the screw-core structure and material properties. When w/d exceeds 2/3, the load-raising effect of screw-core mixing piles is significantly reduced. In engineering applications, the optimal thread height ratio should be determined based on actual bearing capacity requirements and soil conditions through corresponding calculations.
Author Contributions
Funding
Data Availability Statement
Conflicts of Interest
References
- Wang, Z.; Xu, W.; Xu, Q.; Wang, Y.; Zhu, Y. Research on Temperature Field of Cement-Mixing Pile-Reinforced Soft Soil Foundation. Buildings 2024, 14, 845. [Google Scholar] [CrossRef]
- Phutthananon, C.; Jongpradist, P.; Jamsawang, P. Influence of cap size and strength on settlements of TDM-piled embankments over soft ground. Mar. Georesources Geotechnol. 2020, 38, 686–705. [Google Scholar] [CrossRef]
- Phutthananon, C.; Jongpradist, P.; Yensri, P.; Jamsawang, P. Dependence of ultimate bearing capacity and failure behavior of T-shaped deep cement mixing piles on enlarged cap shape and pile strength. Comput. Geotech. 2018, 97, 27–41. [Google Scholar] [CrossRef]
- Phutthananon, C.; Jongpradist, P.; Dias, D.; Guo, X.; Jamsawang, P.; Baroth, J. Reliability-based settlement analysis of embankments over soft soils reinforced with T-shaped deep cement mixing piles. Front. Struct. Civ. Eng. 2022, 16, 638–656. [Google Scholar] [CrossRef]
- Phutthananon, C.; Jongpradist, P.; Dias, D.; Jamsawang, P. Numerical study of the deformation performance and failure mechanisms of TDM pile-supported embankments. Transp. Geotech. 2021, 30, 100623. [Google Scholar] [CrossRef]
- Sukkarak, R.; Jongpradist, P.; Kongkitkul, W.; Jamsawang, P.; Likitlersuang, S. Investigation on load-carrying capacity of geogrid-encased deep cement mixing piles. Geosynth. Int. 2021, 28, 450–463. [Google Scholar] [CrossRef]
- Dong, P. Load Transfer Mechanism of Concrete-cored DCM Pile. Ph.D. Thesis, The Chinese Academy of Sciences (Guangzhou Institute of Geochemistry), Beijing, China, 2004. [Google Scholar]
- Dong, P.; Chen, Z.; Qin, R. Use of concrete-cored DCM pile in soft ground. Chin. J. Geotech. Eng. 2002, 24, 204–207. [Google Scholar]
- Dong, P.; Qin, R.; Chen, Z. FEM study of concrete-cored DCM pile. Rock Soil Mech. 2003, 24, 344–348. [Google Scholar] [CrossRef]
- Wang, C.; Xu, Y.; Ye, G. Analysis of work characteristics of concrete-cored DCM pile composite foundation. J. Zhejiang Univ. (Eng. Sci.) 2014, 48, 1610–1617. [Google Scholar]
- Ding, Y.J.; Li, J.J.; Liu, E.; Li, H. Load transfermechanism of reinforced mixing pile. Journal of Tianjin University 2010, 43, 530–536. [Google Scholar]
- Liu, W.; Xu, G.; Peng, W.; Zhou, G. Vertical bearing behavior of concrete-cored DCM pile and prediction of ultimate bearing capacity of single pile. Sci. Technol. Eng. 2020, 20, 7838–7844. [Google Scholar]
- Tang, S.; Chen, Z.; He, D. FEM Analysis of Pit Supporting with Concrete Core Cement-Soil Mixing Pile. J. Disaster Prev. Mitig. Eng. 2007, 27, 182–186. [Google Scholar] [CrossRef]
- Bergado, D.T.; Long, P.V.; Chaiyaput, S.; Balasubramaniam, A.S. Prefabricated Vertical Drain (PVD) and Deep Cement Mixing (DCM)/Stiffened DCM (SDCM) techniques for soft ground improvement. In Proceedings of the 2nd International Conference on Sustainable Development in Civil, Urban and Transportation Engineering (CUTE), Ho Chi Minh City, Vietnam, 17–19 April 2018. [Google Scholar]
- Voottipruex, P.; Bergado, D.; Suksawat, T.; Jamsawang, P.; Cheang, W. Behavior and Simulation of Deep Cement Mixing (DCM) and Stiffened Deep Cement Mixing (SDCM) Piles Under Full Scale Loading. Soils Found. 2011, 51, 307–332. [Google Scholar] [CrossRef]
- Voottipruex, P.; Suksawat, T.; Bergado, D.; Jamsawang, P. Numerical simulations and parametric study of SDCM and DCM piles under full scale axial and lateral loads. Comput. Geotech. 2011, 38, 318–329. [Google Scholar] [CrossRef]
- Zhang, Z.; Chen, B.; Zhao, J.; Huang, Y. Experimental Investigation of the Axial Load Capacity of Bilateral Helix-Stiffened Cement Mixing Piles in Soft Marine Soil. Buildings 2024, 14, 3430. [Google Scholar] [CrossRef]
- Li, E. Analysis of Bearing Capacity of Compound Foundation with Cored Cement Mixing Piles. Master’s Thesis, South China University of Technology, Guangzhou, China, 2018. [Google Scholar]
- Wonglert, A.; Jongpradist, P.; Jamsawang, P.; Larsson, S. Bearing capacity and failure behaviors of floating stiffened deep cement mixing columns under axial load. Soils Found. 2018, 58, 446–461. [Google Scholar] [CrossRef]
- Zhao, Z. Research on Vertical Bearing Characteristics and Group Pile Effect of Thread Pile. Master’s Thesis, Zhejiang University of Technology, Hangzhou, China, 2019. [Google Scholar]
- Zhong, M. Experimental Study on Vertical Bearing Characteristics and Parameter Optimization of Soil-Cement Pile with Core. Master’s Thesis, Wuhan Institute of Technology, Wuhan, China, 2022. [Google Scholar]
- Chen, Y.; Deng, A.; Lu, F.; Sun, H. Failure mechanism and bearing capacity of vertically loaded pile with partially-screwed shaft: Experiment and simulations. Comput. Geotech. 2020, 118, 103337. [Google Scholar] [CrossRef]
- Aoyama, S.; Mao, W.; Goto, S.; Towhata, I. Application of advanced procedures to model tests on the subsoil behavior under vertical loading of group pile in sand. Indian Geotech. J. 2016, 46, 64–76. [Google Scholar] [CrossRef]
- Zhou, Y.; Xiao, S.G.; Xu, J.; Hu, Y.Y. Model test on vertical bearing capacity of variable cross-section thread piles. Rock Soil Mech. 2017, 38, 747–754+783. [Google Scholar] [CrossRef]
- Ministry of Housing and Urban-Rural Development of the People’s Republic of China. Technical Code for Testing of Building Foundation Piles: JGJ 106—2014 [S]; China Architecture & Building Press: Beijing, China, 2014. [Google Scholar]
- Fei, K.; Peng, J. ABAQUS Geotechnical Engineering Examples; People’s Post and Telecommunications Publishing House: Beijing, China, 2017. [Google Scholar]
- Eslami, A.; Arjmand, A.; Ardehe, A.; Ebrahimipour, A.; Nobahar, M.; Mo, P.-Q. New approach for the numerical analysis of stiffened deep cement mixing columns and piles in coastal engineering through 1D elements. Ocean Eng. 2024, 313, 119529. [Google Scholar] [CrossRef]
- Jiu, Y.; Gao, Y.; Lei, F.; Zhu, Y.; Zhang, Z. Nonlinear Analysis of Bearing Characteristics of Stiffened Deep Cement Mixing Piles under Vertical Loading. Buildings 2024, 14, 816. [Google Scholar] [CrossRef]
- Raongjant, W.; Jing, M. Field testing of stiffened deep cement mixing piles under lateral cyclic loading. Earthq. Eng. Eng. Vib. 2013, 12, 261–265. [Google Scholar] [CrossRef]
- Wonglert, A.; Jongpradist, P. Impact of reinforced core on performance and failure behavior of stiffened deep cement mixing piles. Comput. Geotech. 2015, 69, 93–104. [Google Scholar] [CrossRef]














| Category | Rebound Index | Porosity | Density (g·cm−3) | Poisson’s Ratio | c (kPa) | φ (°) |
|---|---|---|---|---|---|---|
| Peripile soil | 0.025 | 0.973 | 1.83 | 0.31 | 26.5 | 16.0 |
| Materials | Elasticity Modulus (MPa) | Poisson’s Ratio | Cohesion (kPa) | Angle of Internal Friction (°) | Density (g·cm−3) |
|---|---|---|---|---|---|
| Pile core | 3000 | 0.17 | 1500 | 60 | 23.1 |
| Mixing pile housing | 120 | 0.25 | 150 | 20 | 20.3 |
| Embankment filling | 30 | 0.31 | 26.5 | 16 | 1.85 |
Disclaimer/Publisher’s Note: The statements, opinions and data contained in all publications are solely those of the individual author(s) and contributor(s) and not of MDPI and/or the editor(s). MDPI and/or the editor(s) disclaim responsibility for any injury to people or property resulting from any ideas, methods, instructions or products referred to in the content. |
© 2024 by the authors. Licensee MDPI, Basel, Switzerland. This article is an open access article distributed under the terms and conditions of the Creative Commons Attribution (CC BY) license (https://creativecommons.org/licenses/by/4.0/).
Share and Cite
Wu, L.; Gao, Y.; Du, Y.; Xuan, J.; Nao, J.; Li, S.; Li, J.; Wang, Y.; Zhang, H.; Cao, L.; et al. Model Testing and Numerical Simulation of the Bearing Characteristics of Screw-Core Cement Mixing Pile. Buildings 2025, 15, 41. https://doi.org/10.3390/buildings15010041
Wu L, Gao Y, Du Y, Xuan J, Nao J, Li S, Li J, Wang Y, Zhang H, Cao L, et al. Model Testing and Numerical Simulation of the Bearing Characteristics of Screw-Core Cement Mixing Pile. Buildings. 2025; 15(1):41. https://doi.org/10.3390/buildings15010041
Chicago/Turabian StyleWu, Luoan, Yue Gao, Yaohui Du, Junjie Xuan, Jiu Nao, Shibo Li, Jinhao Li, Yanqi Wang, Hao Zhang, Lei Cao, and et al. 2025. "Model Testing and Numerical Simulation of the Bearing Characteristics of Screw-Core Cement Mixing Pile" Buildings 15, no. 1: 41. https://doi.org/10.3390/buildings15010041
APA StyleWu, L., Gao, Y., Du, Y., Xuan, J., Nao, J., Li, S., Li, J., Wang, Y., Zhang, H., Cao, L., Meng, C., & Yang, Z. (2025). Model Testing and Numerical Simulation of the Bearing Characteristics of Screw-Core Cement Mixing Pile. Buildings, 15(1), 41. https://doi.org/10.3390/buildings15010041

