Investigation of the Mesoscale Damage Evolution Process of AA5754O Aluminum Alloy CMT Welded Joints
Abstract
1. Introduction
2. Experimental Procedure
2.1. Materials and Welding Process
2.2. Microstructural Characterization
2.3. Hardness Testing
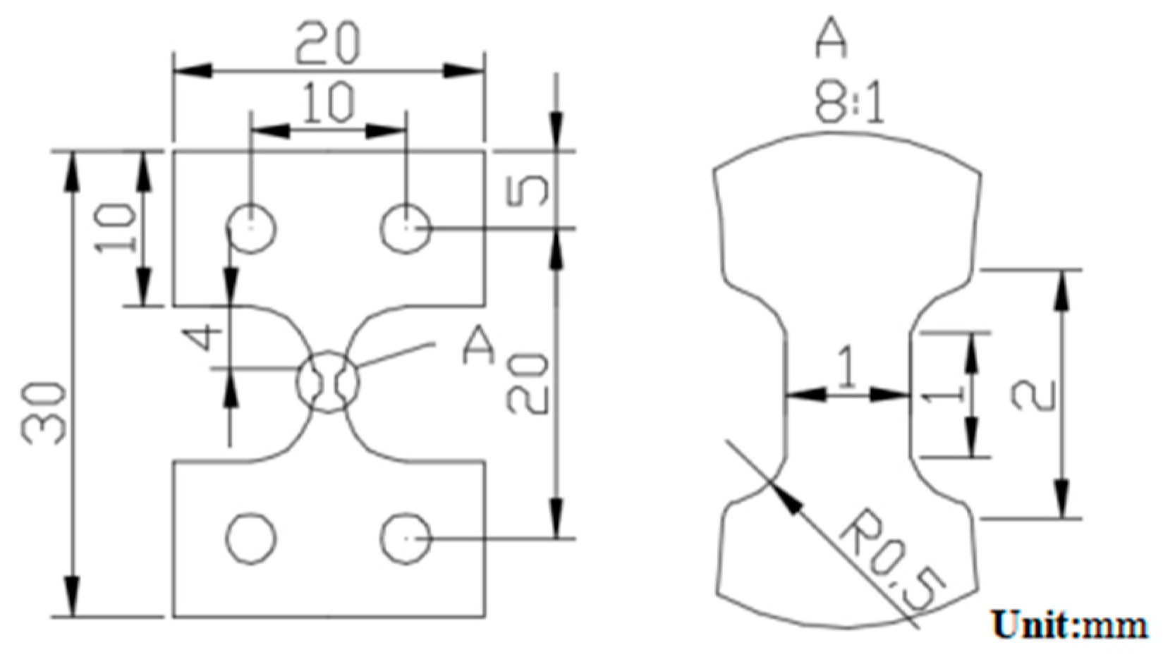
2.4. In Situ Tensile Experiments
- Using an Xradia 620 versa high-resolution three-dimensional analysis testbed (Carl Zeiss AG, Oberkochen, Germany), the monotonic axial tensile load was applied to the in situ samples in the HAZ and FZ at the rate of 0.03 mm/min, and the load–displacement curves in the HAZ and FZ were obtained.
- Scanning points were set on the load–displacement curve of the HAZ and the weld obtained in step (1). The sample was loaded to the corresponding scanning point, loading was stopped, and then 3D CT scanning of the sample was conducted. The X-ray tomography equipment was an Xradia 620 versa high-resolution three-dimensional analysis experimental platform, and the scanning parameters were set as follows: a total of 2985 projection images were collected for each scan. The scanning duration was 90 min, and the voxel size of the scanned image was 2.0194 × 2.0194 × 2.0194 μm3. The loading curve is shown in Figure 5.
- Based on Dragonfly software (version 2020.1, Object Research Systems, Montréal, QC, Canada), the scanning data of AA5754O aluminum alloy CMT-welded HAZ and FZ samples at different scanning points were post-processed; the volume, surface area, sphericity, and other information of defects in the samples under different loading conditions were counted; and the evolution behavior of the defects under a uniaxial tensile load was further analyzed. To reduce the effect of noise, meso-defects smaller than 2 voxels (16.5 μm3) were not considered.
3. Experimental Results
3.1. Weld Macrostructure and Hardness Variation
3.2. Micro-Characterization of Welded Joints
3.3. Analysis of the Meso-Defect Evolution Process
3.4. Defect Growth
4. Summary
- The hardness and metallographic experiments showed that the large heat dissipation coefficient of the aluminum alloy promoted the rapid solidification and crystallization of the metal in the FZ, resulting in the refinement of the grain in the FZ, and the overall structure was dendritic. The grain in the HAZ was coarsened with the impact of the thermal cycle. The overall welding area was hardened compared with the base material.
- Through the analysis of the in situ experimental data, it was found that the defects in the HAZ were mainly composed of pores with sphericity greater than 0.6 as a regular shape, and the softening failure was mainly caused by the decrease in the effective bearing area due to the increase in the number of defects. There was a large number of shrinkage holes with sphericity less than 0.6 in the FZ defects, and the softening failure was mainly caused by the decrease in the effective bearing area due to the continuous growth and consolidation of the shrinkage holes.
- The R&T formula was used to fit the evolution behavior of the 20 largest defects in the FZ and HAZ, and the material constant αRT in each of the FZ and HAZ was 7.21 and 1.87, respectively. Then, an improved R&T model was used to fit the average radius of all meso-defects in the FZ and HAZ. By fitting the improved R&T formula, αRTm and R0 were 6.2 and 2 in the HAZ and 5.31 and 7 in the FZ, respectively. The improved model could better describe the growth of the average radius of all meso-defects in the samples, and the fitting effect was good, with R-squared values of 0.91 and 0.82, respectively. The improved model could be used to predict the evolution process of meso-defects in CMT-welded joints.
Author Contributions
Funding
Institutional Review Board Statement
Informed Consent Statement
Data Availability Statement
Conflicts of Interest
Nomenclature
| CMT | Cold metal transfer |
| CT | X-ray computed tomography |
| HAZ | Heat-affected zone |
| FZ | Fusion zone |
| BM | Base metal |
References
- Wang, X.-N.; Sun, Q.; Zheng, Z.; Di, H.-S. Microstructure and fracture behavior of laser welded joints of DP steels with different heat inputs. Mater. Sci. Eng. A 2017, 699, 18–25. [Google Scholar] [CrossRef]
- İpekoğlu, G.; Çam, G. Effects of initial temper condition and postweld heat treatment on the properties of dissimilar friction-stir-welded joints between AA7075 and AA6061 aluminum alloys. Metall. Mater. Trans. A 2014, 45, 3074–3087. [Google Scholar] [CrossRef]
- Xu, W.; Ma, J.; Wang, M.; Lu, H.; Luo, Y. Effect of cooling conditions on corrosion resistance of friction stir welded 2219-T62 aluminum alloy thick plate joint. Trans. Nonferrous Met. Soc. China 2020, 30, 1491–1499. [Google Scholar] [CrossRef]
- Çam, G.M.; Koçak, M. Microstructural and mechanical characterization of electron beam welded Al-alloy 7020. J. Mater. Sci. 2017, 42, 7154–7161. [Google Scholar] [CrossRef]
- Pakdil, M.; Çam, G.; Koçak, M.; Erim, S. Microstructural and mechanical characterization of laser beam welded AA6056 Al-alloy. Mater. Sci. Eng. A 2011, 528, 7350–7356. [Google Scholar] [CrossRef]
- Tian, Y.; Shen, J.; Hu, S.; Wang, Z.; Gou, J. Effects of ultrasonic vibration in the CMT process on welded joints of Al alloy. J. Mater. Process. Technol. 2018, 259, 282–291. [Google Scholar] [CrossRef]
- Kashaev, N.; Ventzke, V.; Çam, G. Prospects of laser beam welding and friction stir welding processes for aluminum airframe structural applications. J. Manuf. Process. 2018, 36, 571–600. [Google Scholar] [CrossRef]
- Srinivasan, D.; Sevvel, P.; John Solomon, I.; Tanushkumaar, P. A review on Cold Metal Transfer (CMT) technology of welding. Mater. Today Proc. 2022, 64, 108–115. [Google Scholar] [CrossRef]
- Gao, P.F.; Guo, J.; Zhan, M.; Lei, Z.N.; Fu, M.W. Microstructure and damage based constitutive modelling of hot deformation of titanium alloys. J. Alloys Compd. 2020, 831, 154851. [Google Scholar] [CrossRef]
- Gao, P.; Fu, M.; Zhan, M.; Lei, Z.; Li, Y. Deformation behavior and microstructure evolution of titanium alloys with lamellar microstructure in hot working process: A review. J. Mater. Sci. Technol. 2020, 39, 56–73. [Google Scholar] [CrossRef]
- Rajeshkumar, R.; Niranjani, V.L.; Niranjani, K.; Devakumaran, K.; Banerjee, K. Structure-property correlation of weld metal zone and interface regions of cold metal transfer welded dissimilar Al-Mg-Mn alloys joint. Mater. Today Proc. 2021, 46, 2498–2509. [Google Scholar] [CrossRef]
- Xing, L.; Zhan, M.; Gao, P.F.; Li, M.; Dong, Y.D.; Wang, T.Y. Effect of void nucleation on microstructure and stress state in aluminum alloy tailor-welded blank. Prog. Nat. Sci. Mater. Int. 2021, 31, 77–85. [Google Scholar] [CrossRef]
- Barnard, H.; MacDowell, A.A.; Parkinson, D.Y. Synchrotron X-ray micro-tomography at the advanced light source: Developments in high-temperature in-situ mechanical testing. IOP Conf. Ser. J. Phys. Conf. Ser. 2017, 849, 012043. [Google Scholar] [CrossRef]
- Malisano, J.; Kumar, S.; Lui, C.; O’Reilly, K. X-ray Computed Tomography versus Metallography for Porosity Analysis in Aluminium RPT Castings. In Proceedings of the SP17: 6th Decennial International Conference on Solidification Processing, Old Windsor, UK, 25–28 July 2017. [Google Scholar]
- Samei, J.; Amirmaleki, M.; Shirinzadeh Dastgiri, M.; Marinelli, C.; Green, D.E. In-situ X-ray tomography analysis of the evolution of pores during deformation of AlSi10Mg fabricated by selective laser melting. Mater. Lett. 2019, 255, 126512. [Google Scholar] [CrossRef]
- Xing, L.; Gao, P.F.; Zhan, M.; Ren, Z.P.; Fan, X.G. A micromechanics-based damage constitutive model considering microstructure for aluminum alloys. Int. J. Plast. 2022, 157, 103390. [Google Scholar] [CrossRef]
- Huan, P.-C.; Wang, X.-N.; Zhang, J.; Hu, Z.-R.; Chen, W.-G.; Nagaumi, H.; Di, H. Effect of wire composition on microstructure and properties of 6063 aluminium alloy hybrid synchronous pulse CMT welded joints. Mater. Sci. Eng. A 2020, 790, 139713. [Google Scholar] [CrossRef]
- Dewan, M.W.; Wahab, M.A.; Okeil, A.M. Influence of weld defects and postweld heat treatment of gas tungsten arc-welded AA-6061-T651 aluminum alloy. J. Manuf. Sci. Eng. 2015, 137, 051027. [Google Scholar] [CrossRef]
- Huang, J.L.; Warnken, N.; Gebelin, J.-C.; Strangwood, M.; Reed, R.C. On the mechanism of porosity formation during welding of titanium alloys. Acta Mater. 2012, 60, 3215–3225. [Google Scholar] [CrossRef]
- Liang, Y.; Hu, S.; Shen, J.; Zhang, H.; Wang, P. Geometrical and microstructural characteristics of the tig-cmt hybrid welding in 6061 aluminum alloy cladding. J. Mater. Process. Technol. 2017, 239, 18–30. [Google Scholar] [CrossRef]
- Cao, T.-S.; Maire, E.; Verdu, C.; Bobadilla, C.; Lasne, P.; Montmitonnet, P.; Bouchard, P.-O. Characterization of ductile damage for a high carbon steel using 3D X-ray micro-tomography and mechanical tests—Application to the identification of a shear modified GTN model. Comput. Mater. Sci. 2014, 84, 175–187. [Google Scholar] [CrossRef]
- Bouaziz, O.; Maire, E.; Giton, M. A model for initiation and growth of damage in dual-phase steels identified by X-ray micro-tomography. Rev. De Metall.-Cah. D Inf. Technol. 2018, 105, 102–107. [Google Scholar] [CrossRef]
- Maire, E.; Bouaziz, O.; di Michiel, M.; Verdu, C. Initiation and growth of damage in a dual-phase steel observed by X-ray microtomography. Acta Mater. 2008, 56, 4954–4964. [Google Scholar] [CrossRef]
- Landron, C.; Maire, E.; Bouaziz, O.; Adrien, J.; Lecarme, L.; Bareggi, A. Validation of void growth models using X-ray microtomography characterization of damage in dual phase steels. Acta Mater. 2011, 59, 7564–7573. [Google Scholar] [CrossRef]
- Kahziz, M.; Morgeneyer, T.F.; Mazière, M. In situ 3D Synchrotron Laminography Assessment of Edge Fracture in Dual-Phase Steels: Quantitative and Numerical Analysis. Exp. Mech. 2016, 56, 177–195. [Google Scholar] [CrossRef]

















| Material | Si | Cu | Mg | Ti | Zn | Mn | Cr | Fe | Al |
|---|---|---|---|---|---|---|---|---|---|
| AA5754O | 0.4 | 0.1 | 3.6 | 0.15 | 0.2 | 0.5 | 0.3 | 0.4 | 94 |
| ER5356 | 0.25 | 0.1 | 4.5 | 0.2 | 0.1 | 0.2 | 0.2 | 0.4 | 94 |
| Welding Current | Welding Voltage | Welding Speed | Wire Feed Rate | Filler Wire Diameter |
|---|---|---|---|---|
| 53 A | 11.1 V | 80 mm/min | 3.5 mm/min | 1.2 mm |
| Variable | Stage | HAZ | FZ |
|---|---|---|---|
| Average volume of defects/μm3 | Scan point 1 | 51.83 | 1002.67 |
| Scan point 2 | 38.66 | 1168.32 | |
| Scan point 3 | 49.37 | 1218.31 | |
| Scan point 4 | 71.69 | ||
| Scan point 5 | 102.57 | ||
| Number of defects | Scan point 1 | 2217 | 1702 |
| Scan point 2 | 3871 | 1970 | |
| Scan point 3 | 3718 | 2158 | |
| Scan point 4 | 4012 | ||
| Scan point 5 | 4607 | ||
| Defect average sphericality | Scan point 1 | 0.95 | 0.84 |
| Scan point 2 | 0.96 | 0.79 | |
| Scan point 3 | 0.95 | 0.59 | |
| Scan point 4 | 0.94 | ||
| Scan point 5 | 0.92 | ||
| Defect porosity/% | Scan point 1 | 0.43 | 5.7 |
| Scan point 2 | 0.55 | 6.9 | |
| Scan point 3 | 0.68 | 7.4 | |
| Scan point 4 | 1.32 | ||
| Scan point 5 | 1.75 | ||
| Average area of the defects/μm3 | Scan point 1 | 69.39 | 550.00 |
| Scan point 2 | 56.62 | 634.94 | |
| Scan point 3 | 66.40 | 660.44 | |
| Scan point 4 | 85.05 | ||
| Scan point 5 | 106.73 |
Disclaimer/Publisher’s Note: The statements, opinions and data contained in all publications are solely those of the individual author(s) and contributor(s) and not of MDPI and/or the editor(s). MDPI and/or the editor(s) disclaim responsibility for any injury to people or property resulting from any ideas, methods, instructions or products referred to in the content. |
© 2023 by the authors. Licensee MDPI, Basel, Switzerland. This article is an open access article distributed under the terms and conditions of the Creative Commons Attribution (CC BY) license (https://creativecommons.org/licenses/by/4.0/).
Share and Cite
Kang, W.; Chen, Q.; Huang, L.; Zhang, J.; Hou, Z.; Wang, X.; Han, W.; Wang, E. Investigation of the Mesoscale Damage Evolution Process of AA5754O Aluminum Alloy CMT Welded Joints. Metals 2023, 13, 555. https://doi.org/10.3390/met13030555
Kang W, Chen Q, Huang L, Zhang J, Hou Z, Wang X, Han W, Wang E. Investigation of the Mesoscale Damage Evolution Process of AA5754O Aluminum Alloy CMT Welded Joints. Metals. 2023; 13(3):555. https://doi.org/10.3390/met13030555
Chicago/Turabian StyleKang, Wenyuan, Qiuren Chen, Li Huang, Jingyi Zhang, Zehong Hou, Xianhui Wang, Weijian Han, and Erlie Wang. 2023. "Investigation of the Mesoscale Damage Evolution Process of AA5754O Aluminum Alloy CMT Welded Joints" Metals 13, no. 3: 555. https://doi.org/10.3390/met13030555
APA StyleKang, W., Chen, Q., Huang, L., Zhang, J., Hou, Z., Wang, X., Han, W., & Wang, E. (2023). Investigation of the Mesoscale Damage Evolution Process of AA5754O Aluminum Alloy CMT Welded Joints. Metals, 13(3), 555. https://doi.org/10.3390/met13030555
