Study of Flow Stress Models and Ductile Fracture Criteria for CHN327 Nickel-Based Superalloy
Abstract
1. Introduction
2. Experimental Procedures
2.1. Materials
2.2. Bimetal-Gradient-Layer Surfacing
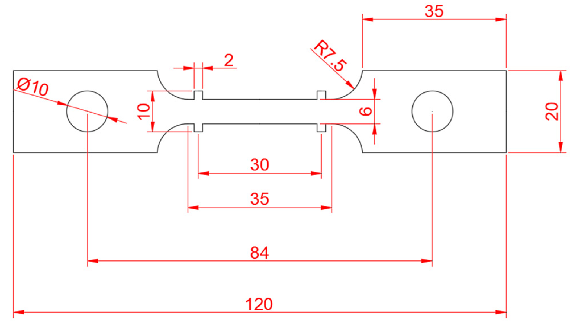
2.3. Tensile Test
3. Establishment of Constitutive Model of Flow Behavior
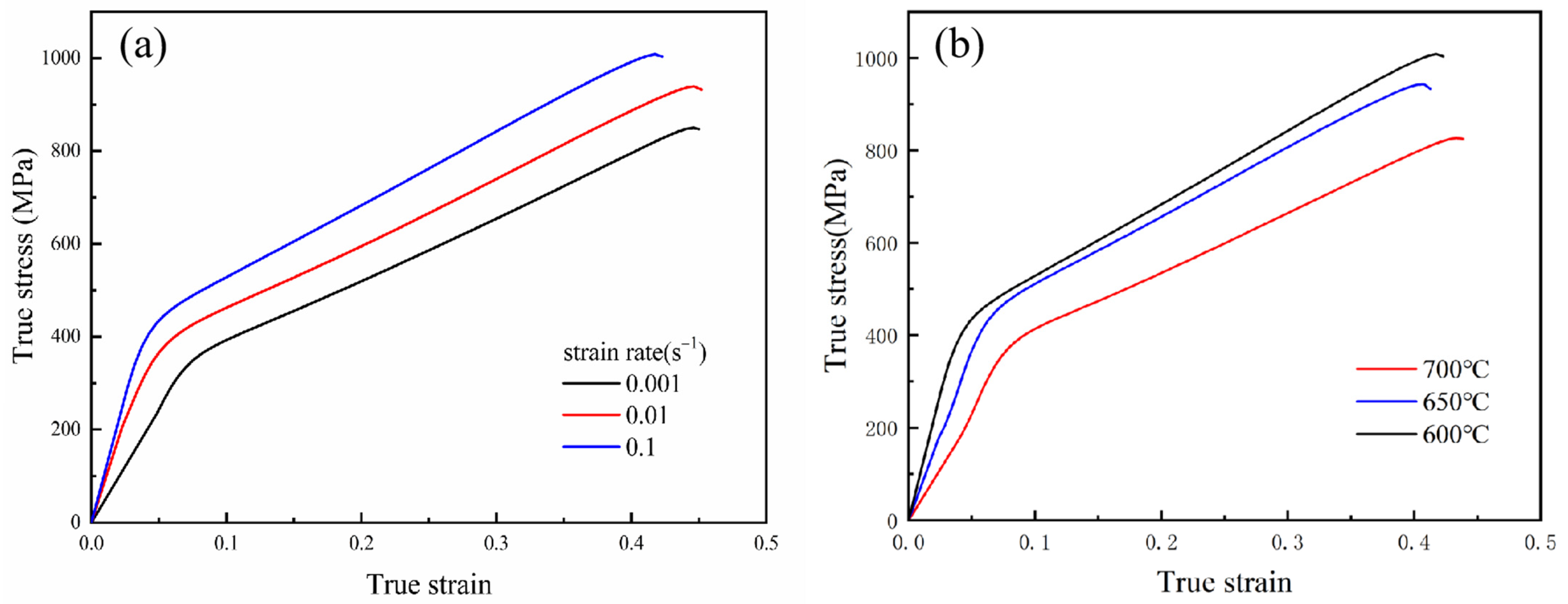
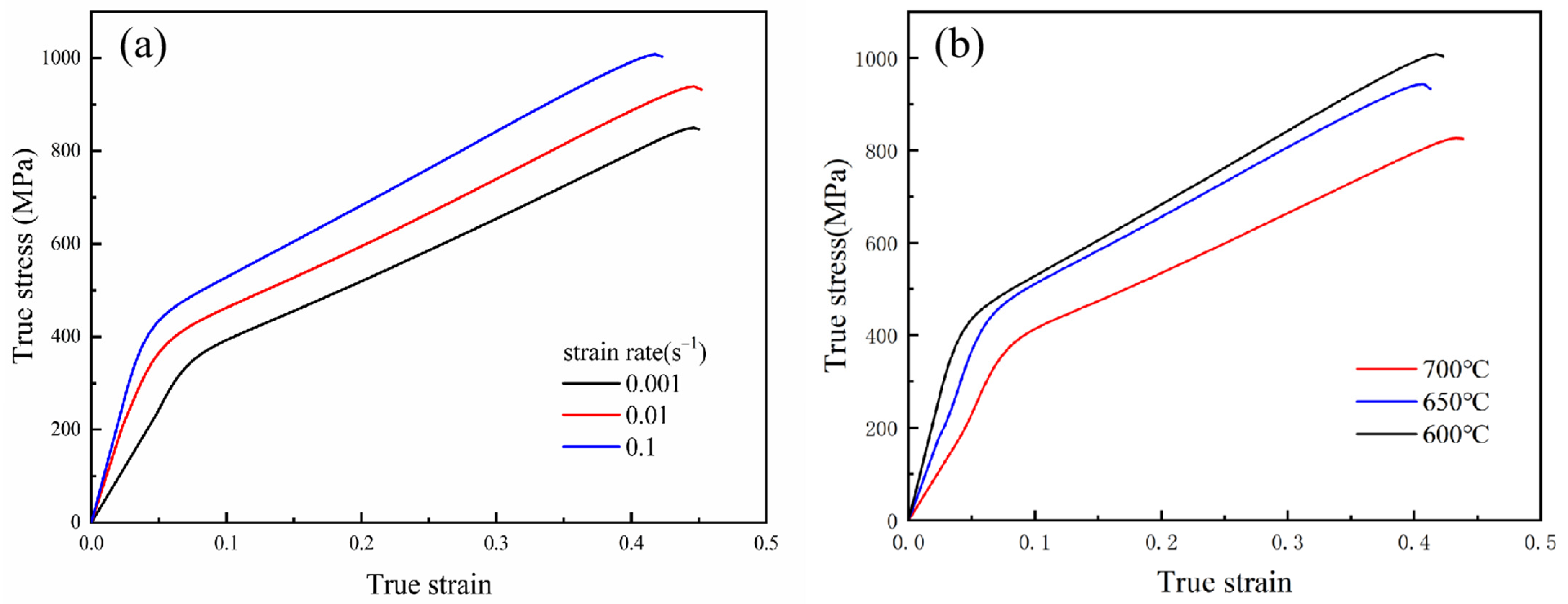
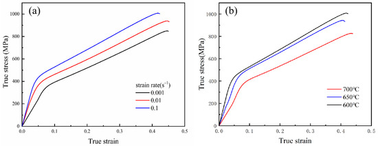
3.1. Characteristics of True Stress—Strain Curves
3.2. Classical Plastic Constitutive Equations
3.3. Validation and Discussion
4. The Selection of Ductile Fracture Criteria
5. Comparison of the FE Simulation and Experimental Results
5.1. Determination of Critical Value
- (1)
- Obtain the fracture strain at the fracture moment from the tensile test.
- (2)
- Incorporate the modified Voce equation of CHN327 alloy into the DEFORM-3D.
- (3)
- Simulate the entire tension test process until the maximum principal strain reaches the value obtained in the tests, then calculate the stress–strain relationship of a point chosen from the maximum principal stress.
- (4)
- In the five ductile fracture criteria, substitute the above stress–strain relationship for the element. Then, integration yields the material constant C1~C5.
5.2. Comparison of Simulation Results with Different Ductile Fracture Criteria
6. Conclusions
- (1)
- Firstly, the uniaxial high-temperature tensile tests showed that the flow stress of the CHN327 alloy decreased with an increasing deformation temperature (600–700 °C) and decreasing strain rate (0.001–0.1 s−1). When the critical value was exceeded, fractures occurred. The fracture surface morphologies of the CHN327 alloy at high temperatures indicated that the fracture mechanism was quasi-cleavage mixed ductile fracture.
- (2)
- Then, three classical plastic constitutive equations suitable for the CHN327 alloy were employed to establish the constitutive relationship. According to the comparison of the correlation coefficient and absolute value of the average relative error, the order of priority was as follows: Rmodified Voce > RSwift > RHollomon; AAREmodified Voce > AARESwift > AAREHollomon. Among Hollomon Swift and the modified Voce equation, the modified Voce equation had the best prediction performance under moderate temperature conditions.
- (3)
- By simulation and comparison, except for the C&L and Brozzo models, all of the other DFCs were suitable for predicting the fracture of the CHN327 alloy during tensile tests. For all of the DFCs considered, the R&T criteria provided the most accurate predictions, whose mean error was only 8.9%, far less than the values that other models had predicted, followed by the Ayada criteria with 14.0%.
Author Contributions
Funding
Institutional Review Board Statement
Informed Consent Statement
Data Availability Statement
Conflicts of Interest
References
- Zhang, J.; Zhou, J.; Tao, Y.; Shen, L.; Li, M. The microstructure and properties change of dies manufactured by bimetal-gradient-layer surfacing technology. Int. J. Adv. Manuf. Technol. 2015, 80, 1807–1814. [Google Scholar] [CrossRef]
- Altan, T.; Lilly, B.; Yen, Y.C. Manufacturing of dies and molds. CiRP Ann. 2001, 50, 404–422. [Google Scholar] [CrossRef]
- Guoji, L.; Wang, J.; Zhao, X.; Wang, J. Study on mechanical properties and microstructure of gradient functional layer prepared by CO2 surfacing welding with electromagnetic stir. Acta Met. Sin. 2009, 45, 1487–1492. [Google Scholar]
- Sun, G. New technology of repair of forging die by built-up welding. China Met. Equip. Manuf. Technol. 2006, 1, 81. [Google Scholar]
- Liu, Y.F.; Xia, Z.Y.; Han, J.M.; Zhang, G.L.; Yang, S.Z. Microstructure and wear behavior of (Cr, Fe) 7C3 reinforced composite coating produced by plasma transferred arc weld-surfacing process. Surf. Coat. Technol. 2006, 201, 863–867. [Google Scholar] [CrossRef]
- Lu, S.; Zhou, J.; Zhang, J. Optimization of welding thickness on casting-steel surface for production of forging die. Int. J. Adv. Manuf. Technol. 2015, 76, 1411–1419. [Google Scholar] [CrossRef]
- Shen, L.; Zhou, J.; Xiong, Y.B.; Zhang, J.S.; Meng, Y. Analysis of service condition of large hot forging die and refabrication of die by bimetal-layer weld surfacing technology with a cobalt-based superalloy and a ferrous alloy. J. Manuf. Process. 2018, 31, 731–743. [Google Scholar] [CrossRef]
- Gao, F.; Zhou, J.; Zhou, J.; Shen, L.; Zhang, J.; Tao, Y.; Li, M. Microstructure and properties of surfacing layers of dies manufactured by bimetal-gradient-layer surfacing technology before and after service. Int. J. Adv. Manuf. Technol. 2017, 88, 1289–1297. [Google Scholar] [CrossRef]
- Yang, S.B.; Dong, W.; Xu, X.C.; Li, T. Research actuality and developmentof the Fe-Cr-C wearresistant hardfacing alloy system. Mater. Rev. 2012, 26, 96–100. [Google Scholar]
- Xia, Y.; Jin, L.; Cheng, Q.; Tong, J.; Zhang, K.; Zhang, J. A comparative study on the microstructures and mechanical properties between surfacing nickel-based superalloy and surfacing cobalt-based superalloy. Mater. Res. Express 2019, 6, 096589. [Google Scholar] [CrossRef]
- Xia, Y.; Chen, Y.; Peng, M.; Teng, H.; Zhang, X. A Comparative Study on the Microstructures and Mechanical Properties of Two Kinds of Iron-Based Alloys by WAAM. J. Wuhan Univ. Technol. Mater. Sci. Ed. 2022, 37, 450–459. [Google Scholar] [CrossRef]
- Li, H.; Fu, M.W.; Lu, J.; Yang, H. Ductile fracture: Experiments and computations. Int. J. Plast. 2011, 27, 147–180. [Google Scholar] [CrossRef]
- Mei, Z.; Gu, C.; Jiang, Z.; Hu, L.; Yang, H. Application of ductile fracture criteria in spin-forming and tube-bending processes. Comput. Mater. Sci. 2009, 47, 353–365. [Google Scholar]
- Lou, Y.; Huh, H. Prediction of ductile fracture for advanced high strength steel with a new criterion: Experiments and simulation. J. Mater. Process. Technol. 2013, 213, 1284–1302. [Google Scholar] [CrossRef]
- Wang, H.J.; Wu, Y.Z.; Wang, H.C.; Sun, Y.Z.; Wang, G. Design method and verification for long life hot forging die. Mater. Res. Innov. 2011, 15 (Suppl. S1), s377–s380. [Google Scholar] [CrossRef]
- Speidel, M.O. Wear and corrosion resistance of PM tool steels. Met. Powder Rep. 1999, 54, 38. [Google Scholar]
- Cui, C.Y.; Xia, C.D.; Cui, X.G.; Zhou, X.; Ren, D.; Wang, Y.M. Novel morphologies and growth mechanism of Cr2O3 oxide formed on stainless steel surface via Nd: YAG pulsed laser oxidation. J. Alloy. Compd. 2015, 635, 101–106. [Google Scholar] [CrossRef]
- Xia, Y.F.; Teng, H.H.; Cheng, Q. Properties and flow stress model of nickel-based alloy by wire arc additive manufacturing. Trans. Mater. Heat Trement 2020, 41, 141–147. [Google Scholar]
- Lin, J.; Mohamed, M.; Balint, D.; Dean, T.A. The development of continuum damage mechanics-based theories for predicting forming limit diagrams for hot stamping applications. Int. J. Damage Mech. 2014, 23, 684–701. [Google Scholar] [CrossRef]
- Xiao, W.; Wang, B.; Wu, Y.; Yang, X. Constitutive modeling of flow behavior and microstructure evolution of AA7075 in hot tensile deformation. Mater. Sci. Eng. A 2018, 712, 704–713. [Google Scholar] [CrossRef]
- Bhaduri, A. Mechanical Properties and Working of Metals and Alloys; Springer: Singapore, 2018. [Google Scholar]
- Guo, J.; Zhao, S.; Murakami, R.; Fan, S. Modeling the hot deformation behavior of Al alloy 3003. J. Alloy. Compd. 2013, 566, 62–67. [Google Scholar] [CrossRef]
- Hertelé, S.; De Waele, W.; Denys, R. A generic stress—Strain model for metallic materials with two-stage strain hardening behaviour. Int. J. Non-Linear Mech. 2011, 46, 519–531. [Google Scholar] [CrossRef]
- Swift, H.W. Plastic instability under plane stress. J. Mech. Phys. Solids 1952, 1, 1–18. [Google Scholar] [CrossRef]
- Voce, E. The relationship between stress and strain for homogeneous deformation. J. Inst. Met. 1948, 74, 537–562. [Google Scholar]
- Guo, J.H.; Zhao, S.D.; Yan, G.H.; Wang, Z.B. Novel flow stress model of AA 4343 aluminium alloy under high temperature deformation. Mater. Sci. Technol. 2013, 29, 197–203. [Google Scholar] [CrossRef]
- Christopher, J.; Choudhary, B.K.; Samuel, E.I.; Mathewm, D.; Jayakumar, T. Tensile stress—Strain and work hardening behaviour of P9 steel for wrapper application in sodium cooled fast reactors. J. Nucl. Mater. 2012, 420, 583–590. [Google Scholar] [CrossRef]
- Shokry, A.; Gowid, S.; Youssef, S.S. Modeling the flow behavior of Haynes 214 superalloy during hot deformation using mathematical and artificial intelligence-based models. Mater. Today Commun. 2022, 33, 104326. [Google Scholar] [CrossRef]
- Shokry, A. On the constitutive modeling of a powder metallurgy nanoquasicrystalline Al93Fe3Cr2Ti2 alloy at elevated temperatures. J. Braz. Soc. Mech. Sci. Eng. 2019, 41, 118. [Google Scholar] [CrossRef]
- Jun, C.A.O.; Li, F.; Sun, Z. Tensile stress—Strain behavior of metallic alloys. Trans. Nonferrous Met. Soc. China 2017, 27, 2443–2453. [Google Scholar]
- Samuel, K.G. Limitations of Hollomon and Ludwigson stress—Strain relations in assessing the strain hardening parameters. J. Phys. D Appl. Phys. 2005, 39, 203. [Google Scholar] [CrossRef]
- Lassance, D.; Fabregue, D.; Delannay, F.; Pardoen, T. Micromechanics of room and high temperature fracture in 6xxx Al alloys. Prog. Mater. Sci. 2007, 52, 62–129. [Google Scholar] [CrossRef]
- Ma, H.; Xu, W.; Jin, B.C.; Shan, D.; Nutt, S.R. Damage evaluation in tube spinnability test with ductile fracture criteria. Int. J. Mech. Sci. 2015, 100, 99–111. [Google Scholar] [CrossRef]
- Zadpoor, A.A.; Sinke, J.; Benedictus, R. Formability prediction of high strength aluminum sheets. Int. J. Plast. 2009, 25, 2269–2297. [Google Scholar] [CrossRef]
- Xu, W.; Wu, H.; Ma, H.; Shan, D. Damage evolution and ductile fracture prediction during tube spinning of titanium alloy. Int. J. Mech. Sci. 2018, 135, 226–239. [Google Scholar] [CrossRef]
- Xue, Z.; Pontin, M.G.; Zok, F.W.; Hutchinson, J.W. Calibration procedures for a computational model of ductile fracture. Eng. Fract. Mech. 2010, 77, 492–509. [Google Scholar] [CrossRef]
- Wierzbicki, T.; Bao, Y.; Lee, Y.W.; Bai, Y. Calibration and evaluation of seven fracture models. Int. J. Mech. Sci. 2005, 47, 719–743. [Google Scholar] [CrossRef]
- Hashemi, R.; Abrinia, K. Analysis of the extended stress-based forming limit curve considering the effects of strain path and through-thickness normal stress. Mater. Des. 2014, 54, 670–677. [Google Scholar] [CrossRef]
- Heidari, A.; Ghassemi, A.; Atrian, A. A numerical and experimental investigation of temperature effects on the formability of AA6063 sheets using different ductile fracture criteria. Int. J. Adv. Manuf. Technol. 2020, 106, 2595–2611. [Google Scholar] [CrossRef]







| C | Mn | Si | P | S | Cu | Cr | Mo | Nb + Ta | Cu | Ni |
|---|---|---|---|---|---|---|---|---|---|---|
| 0.034 | 2.64 | 0.37 | 0.003 | 0.009 | 0.02 | 15.89 | 1.3 | 1.6 | 0.02 | Bal. |
| C | Mn | Si | P | S | Ni | Cr | Mo | V | Fe |
|---|---|---|---|---|---|---|---|---|---|
| 0.23 | 2.44 | 0.79 | 0.014 | 0.012 | 1.9 | 4.54 | 1.46 | 0.18 | Bal. |
| C | Mn | Si | P | S | Ni | Cr | Mo | Al | W | V | Fe |
|---|---|---|---|---|---|---|---|---|---|---|---|
| 0.25 | 1.61 | 0.72 | 0.013 | 0.004 | 1.5 | 5.51 | 1.69 | 0.21 | 1.04 | 0.24 | Bal. |
| Serial Number | Temperature/°C | Strain Rate/s−1 | The Fracture Strain | The Peak Stress/MPa |
|---|---|---|---|---|
| 1 | 600 | 0.001 | 0.429 | 853.5 |
| 2 | 600 | 0.01 | 0.390 | 939.8 |
| 3 | 600 | 0.1 | 0.427 | 1008.1 |
| 4 | 650 | 0.001 | 0.337 | 776.5 |
| 5 | 650 | 0.01 | 0.365 | 841.7 |
| 6 | 650 | 0.1 | 0.388 | 941.8 |
| 7 | 700 | 0.001 | 0.332 | 679.3 |
| 8 | 700 | 0.01 | 0.380 | 800.1 |
| 9 | 700 | 0.1 | 0.410 | 828.2 |
| Temperature T/°C | Strain Rate | Hollomon | Swift | The Modified Voce Equation | ||||||||
|---|---|---|---|---|---|---|---|---|---|---|---|---|
| KH/MPa | nH | R | Ks/MPa | Ɛ0 | ns | R | σ | b | k | R | ||
| 600 | 0.001 | 1285.79 | 0.543 | 0.98931 | 1388.75 | 0.0956 | 0.8020 | 0.995 | 254.73 | 38.08 | −1341.43 | 0.9999 |
| 600 | 0.01 | 1340.81 | 0.477 | 0.98519 | 1454.96 | 0.06 | 0.6509 | 0.991 | 317.67 | 52.30 | −1409.96 | 0.9999 |
| 600 | 0.1 | 1453.76 | 0.446 | 0.98628 | 1505.48 | 0.014 | 0.4950 | 0.987 | 376.36 | 53.32 | −1542.78 | 0.9999 |
| 650 | 0.001 | 1227.43 | 0.447 | 0.98441 | 1142.12 | −0.019 | 0.3718 | 0.989 | 337.35 | 34.49 | −1261.64 | 0.9999 |
| 650 | 0.01 | 1312.92 | 0.456 | 0.97365 | 1198.64 | −0.0286 | 0.3548 | 0.981 | 366.52 | 31.97 | −1290.30 | 0.9999 |
| 650 | 0.1 | 1422.86 | 0.467 | 0.98796 | 1368.31 | −0.0133 | 0.4184 | 0.989 | 375.24 | 34.04 | −1425.41 | 0.9999 |
| 700 | 0.001 | 1100.76 | 0.379 | 0.95982 | 989.05 | −0.0256 | 0.2823 | 0.992 | 400.4 | 24.86 | −1078.54 | 0.9999 |
| 700 | 0.01 | 1252.39 | 0.523 | 0.98901 | 1252.39 | −5 × 10−17 | 0.5231 | 0.989 | 282.04 | 28.81 | −1259.64 | 0.9999 |
| 700 | 0.1 | 1262.26 | 0.521 | 0.98762 | 1227.84 | −0.01307 | 0.4787 | 0.988 | 290.23 | 28.6 | −1250.26 | 0.9999 |
| Criteria | Formula | Background |
|---|---|---|
| Freudenthal | Plastic work | |
| Normalized Cockcroft–Latham | Maximum principal stress | |
| Brozzo | Effect of the mean stress on the equivalent plastic strain | |
| Ayada | Based on stress triaxiality effects on void growth neglecting void nucleation and coalescence | |
| Rice & Tracey (R&T) | Effect of stress triaxiality on void |
| Criteria | Formula |
|---|---|
| Freudenthal | |
| Normalized Cockcroft–Latham | |
| Brozzo | |
| Ayada | |
| Rice & Tracey (R&T) |
| Serial Number | Temperature/°C | Strain Rate/s−1 | Damage Limit of Freudenthal C1 | Damage Limit of Normalized C&L C2 | Damage Limit of Brozzo C3 | Damage Limit of Ayada C4 | Damage Limit of R&T C5 |
|---|---|---|---|---|---|---|---|
| 1 | 600 | 0.001 | 7.261 | 0.429 | 0.429 | 0.174 | 0.788 |
| 2 | 600 | 0.01 | 68.113 | 0.390 | 0.390 | 0.136 | 0.657 |
| 3 | 600 | 0.1 | 295.586 | 0.427 | 0.427 | 0.144 | 0.705 |
| 4 | 650 | 0.001 | 5.880 | 0.337 | 0.337 | 0.139 | 0.623 |
| 5 | 650 | 0.01 | 64.327 | 0.365 | 0.365 | 0.128 | 0.616 |
| 6 | 650 | 0.1 | 286.729 | 0.388 | 0.388 | 0.130 | 0.638 |
| 7 | 700 | 0.001 | 4.815 | 0.332 | 0.332 | 0.135 | 0.611 |
| 8 | 700 | 0.01 | 60.579 | 0.380 | 0.380 | 0.127 | 0.628 |
| 9 | 700 | 0.1 | 257.983 | 0.410 | 0.410 | 0.138 | 0.676 |
| Serial Number | Temperature /°C | Strain Rate /s−1 | The Fracture Strain of Freudenthal | The Fracture Strain of C&L | The Fracture Strain of Brozzo | The Fracture Strain of Ayada | The Fracture Strain of R&T | The Fracture Strain of Experiment |
|---|---|---|---|---|---|---|---|---|
| 1 | 600 | 0.1 | 0.530 (24.1%) | 0.77 (80.3%) | 0.722 (69.1%) | 0.309 (27.6%) | 0.496 (16.2%) | 0.427 |
| 2 | 650 | 0.1 | 0.477 (22.9%) | 0.429 (10.6%) | 0.419 (8.0%) | 0.362 (6.7%) | 0.413 (6.4%) | 0.388 |
| 3 | 700 | 0.1 | 0.498 (21.5%) | 0.451 (10%) | 0.455 (10.9%) | 0.378 (7.8%) | 0.427 (4.1%) | 0.41 |
| Mean error | 22.8% | 33.6% | 29.3% | 14.0% | 8.9% |
Disclaimer/Publisher’s Note: The statements, opinions and data contained in all publications are solely those of the individual author(s) and contributor(s) and not of MDPI and/or the editor(s). MDPI and/or the editor(s) disclaim responsibility for any injury to people or property resulting from any ideas, methods, instructions or products referred to in the content. |
© 2023 by the authors. Licensee MDPI, Basel, Switzerland. This article is an open access article distributed under the terms and conditions of the Creative Commons Attribution (CC BY) license (https://creativecommons.org/licenses/by/4.0/).
Share and Cite
Xia, Y.; Yang, W.; Yu, Y.; Teng, H.; Cheng, Q. Study of Flow Stress Models and Ductile Fracture Criteria for CHN327 Nickel-Based Superalloy. Materials 2023, 16, 2232. https://doi.org/10.3390/ma16062232
Xia Y, Yang W, Yu Y, Teng H, Cheng Q. Study of Flow Stress Models and Ductile Fracture Criteria for CHN327 Nickel-Based Superalloy. Materials. 2023; 16(6):2232. https://doi.org/10.3390/ma16062232
Chicago/Turabian StyleXia, Yufeng, Wenbin Yang, Yingyan Yu, Haihao Teng, and Qian Cheng. 2023. "Study of Flow Stress Models and Ductile Fracture Criteria for CHN327 Nickel-Based Superalloy" Materials 16, no. 6: 2232. https://doi.org/10.3390/ma16062232
APA StyleXia, Y., Yang, W., Yu, Y., Teng, H., & Cheng, Q. (2023). Study of Flow Stress Models and Ductile Fracture Criteria for CHN327 Nickel-Based Superalloy. Materials, 16(6), 2232. https://doi.org/10.3390/ma16062232
