Microstructural Effects in the Development of Near-Neutral pH Stress Corrosion Cracks in Pipelines
Abstract
:1. Introduction
2. Materials and Test Methods
2.1. Materials
2.2. Microstructural Characterization
2.3. Electrochemical Measurement
2.4. Immersion Test
2.5. Interrupted Slow Strain Rate Tensile (SSRT) Test after Immersion
3. Results
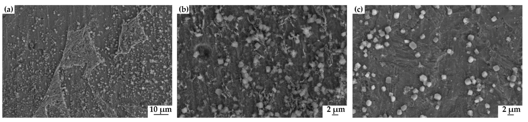
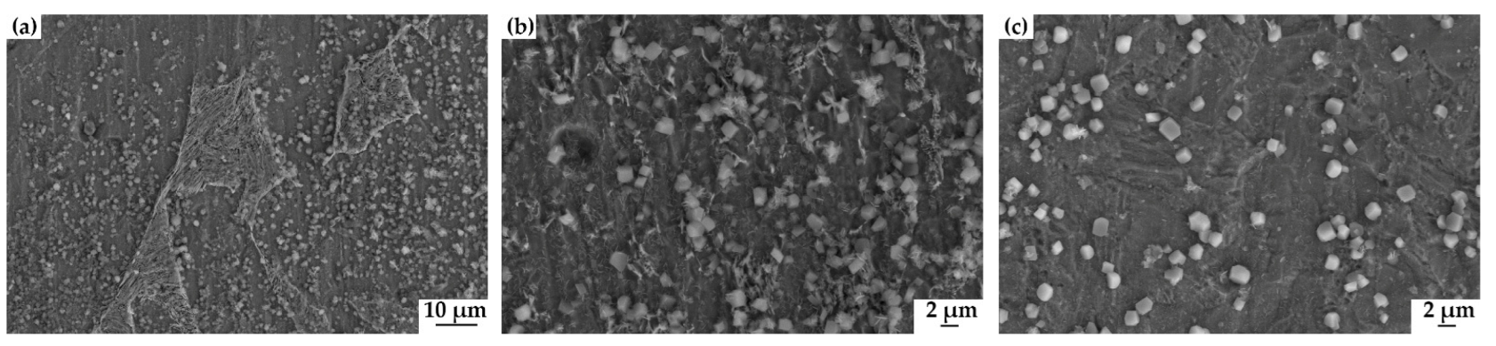
3.1. Microstructural Characterization
3.2. Corrosion Rates of 20#, X60, and X80 Pipeline Steels
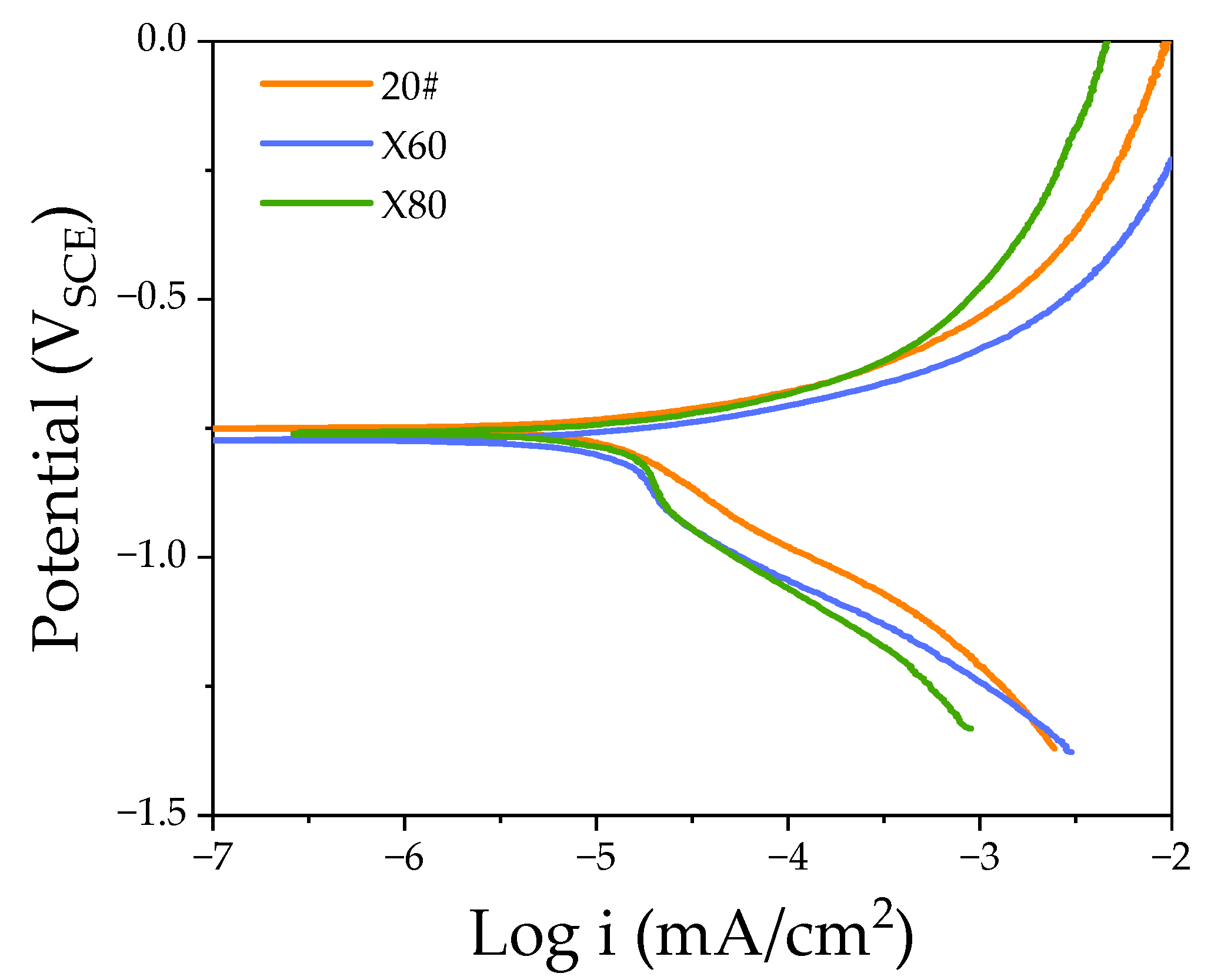
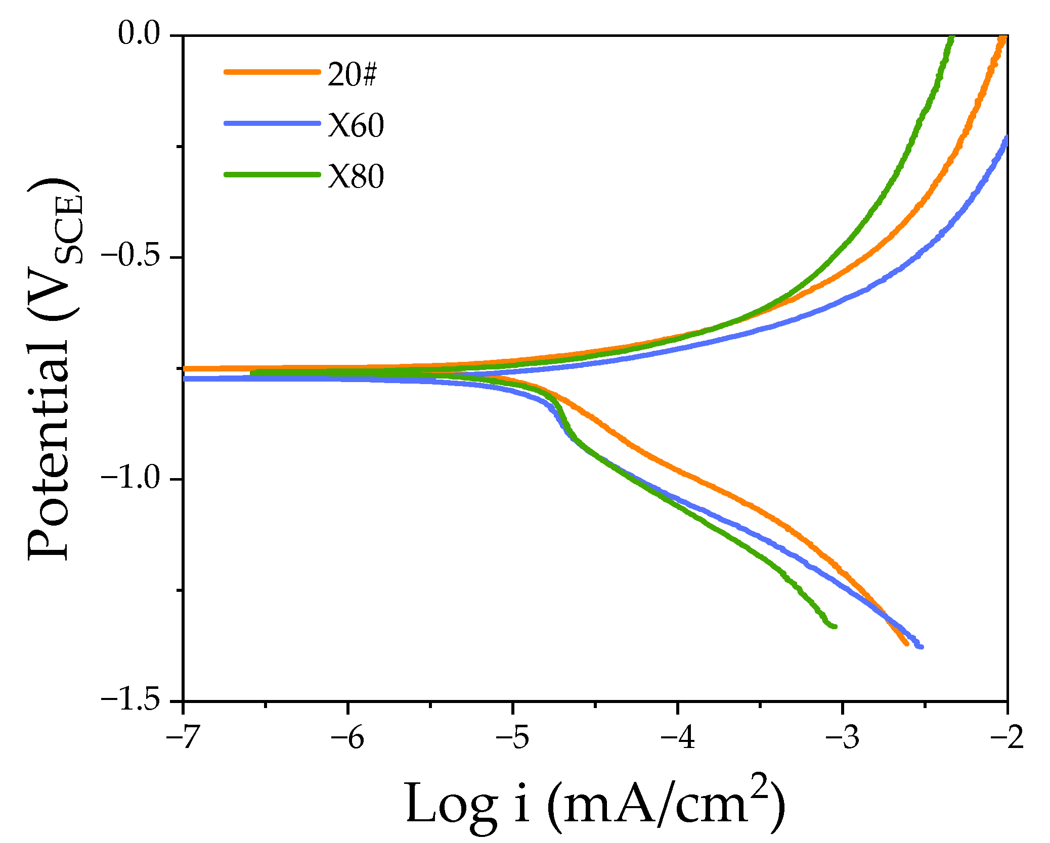
3.2.1. Electrochemical Measurements of 20#, X60, and X80 Pipeline Steels
3.2.2. Weight Loss Measurements of 20#, X60, and X80 Steels
3.3. SCC Susceptibility of Steels 20#, X60, and X80 Steels
3.3.1. Initiation Site of SCC
3.3.2. The Threshold Stress for SCC Initiation
3.3.3. The Cross-Sectional Morphology of SCC Cracks
4. Discussion
4.1. SCC Mechanism of 20#, X60, and X80 Steels in a Near-Neutral pH Environment
4.2. Effect of Microstructure on SCC Sensitivity
5. Conclusions
- (1)
- The corrosion rates of 20#, X60, and X80 steels were 2.1 mpy, 2.6 mpy, and 2.9 mpy, respectively, in the near-neutral pH environment. The highest-strength X80 steel shows the highest corrosion rate (2.9 mpy);
- (2)
- Although the occurrence of corrosion had a significant effect on crack initiation in creating stress-concentrating sites such as pits and in acidifying the pH within pits, the anodic dissolution rate is not enough to account for the crack depths of SCC of 20#, X60, and X80 steels;
- (3)
- The SCC of 20# and X60 were characterized by transgranular and intergranular crack, while X80 steel by transgranular crack;
- (4)
- Using a tapered sample and straining the test sample only to the UTS point of the sample, the threshold stress value for SCC initiation can also be obtained to evaluate the SCC sensitivity. Cracks were initiated in the high-strength steel X80 at a stress level less than its yield strength, whereas in the other lower-grade steels the initiation of cracks occurred after the yielding point. The threshold stress of SCC initiation in the near-neutral pH environment for 20#, X60, and X80 steels were 130.64% σys, 106.79% σys, and 86.92% σys, respectively.
Author Contributions
Funding
Institutional Review Board Statement
Informed Consent Statement
Data Availability Statement
Acknowledgments
Conflicts of Interest
References
- Zheng, W.; Elboujdaini, M.; Revie, R.W. Stress corrosion cracking in pipelines. In Stress Corrosion Cracking; Woodhead Publishing: Cambridge, UK, 2011; pp. 749–771. [Google Scholar]
- Lu, B.T.; Luo, J.L.; Norton, P.R. Environmentally assisted cracking mechanism of pipeline steel in near-neutral pH groundwater. Corros. Sci. 2010, 52, 1787–1795. [Google Scholar] [CrossRef]
- Parkins, R.N.; Beavers, J.A. Some effects of strain rate on the transgranular stress corrosion cracking of ferritic steels in dilute near-neutral-pH solutions. Corrosion 2003, 59, 258–273. [Google Scholar] [CrossRef]
- Tang, X.; Cheng, Y.F. Micro-electrochemical characterization of the effect of applied stress on local anodic dissolution behavior of pipeline steel under near-neutral pH condition. Electrochim. Acta 2009, 54, 1499–1505. [Google Scholar] [CrossRef]
- Jin, T.Y.; Liu, Z.Y.; Cheng, Y.F. Effect of non-metallic inclusions on hydrogen-induced cracking of API5L X100 steel. Int. J. Hydrogen Energ. 2010, 35, 8014–8021. [Google Scholar] [CrossRef]
- Parkins, R.N.; Blanchard, W.K.; Delanty, B.S. Transgranular stress corrosion cracking of high-pressure pipelines in contact with solutions of near neutral pH. Corrosion 2012, 50, 394–408. [Google Scholar] [CrossRef]
- Harle, B.A.; Beavers, J.A. Low-pH stress corrosion crack propagation in API X65 line pipe steel. Corrosion 1993, 49, 861–863. [Google Scholar] [CrossRef]
- Li, J.; Gao, X.; Du, L.; Liu, Z. Relationship between microstructure and hydrogen induced cracking behavior in a low alloy pipeline steel. J. Mater. Sci. Technol. 2017, 33, 1504–1512. [Google Scholar] [CrossRef]
- Bulger, J.T.; Lu, B.T.; Luo, J.L. Microstructural effect on near-neutral pH stress corrosion cracking resistance of pipeline steels. J. Mater. Sci. 2006, 41, 5001–5005. [Google Scholar] [CrossRef]
- Li, M.C.; Cheng, Y.F. Mechanistic investigation of hydrogen-enhanced anodic dissolution of X70 pipe steel and its implication on near-neutral pH SCC of pipelines. Electrochim. Acta 2007, 52, 8111–8117. [Google Scholar] [CrossRef]
- Zhang, G.A.; Cheng, Y.F. Micro-electrochemical characterization of corrosion of welded X70 pipeline steel in near-neutral pH solution. Corros. Sci. 2009, 51, 1714–1724. [Google Scholar] [CrossRef]
- ASTM Committee G-1 on Corrosion of Metals. Standard Practice for Preparing, Cleaning, and Evaluating Corrosion Test Specimens; ASTM International: West Conshohocken, PA, USA, 2003. [Google Scholar]
- Liu, Z.; Li, X.; Cheng, Y. Effect of strain rate on cathodic reaction during stress corrosion cracking of X70 pipeline steel in a near-neutral pH solution. J. Mater. Eng. Perform. 2011, 20, 1242–1246. [Google Scholar] [CrossRef]
- Meng, G.; Zhang, C.; Cheng, Y. Effects of corrosion product deposit on the subsequent cathodic and anodic reactions of X-70 steel in near-neutral pH solution. Corros. Sci. 2008, 50, 3116–3122. [Google Scholar] [CrossRef]
- Zhang, G.; Cheng, Y. On the fundamentals of electrochemical corrosion of X65 steel in CO2-containing formation water in the presence of acetic acid in petroleum production. Corros. Sci. 2009, 51, 87–94. [Google Scholar] [CrossRef]
- Eslami, A.; Fang, B.; Kania, R.; Worthingham, B.; Been, J.; Eadie, R.; Chen, W. Stress corrosion cracking initiation under the disbonded coating of pipeline steel in near-neutral pH environment. Corros. Sci. 2010, 52, 3750–3756. [Google Scholar] [CrossRef]
- Fu, A.; Tang, X.; Cheng, Y. Characterization of corrosion of X70 pipeline steel in thin electrolyte layer under disbonded coating by scanning Kelvin probe. Corros. Sci. 2009, 51, 186–190. [Google Scholar] [CrossRef]
- Cheng, Y.F. Thermodynamically modeling the interactions of hydrogen, stress and anodic dissolution at crack-tip during near-neutral pH SCC in pipelines. J. Mater. Sci. 2007, 42, 2701–2705. [Google Scholar] [CrossRef]
- Tang, X.; Cheng, Y.F. Quantitative characterization by micro-electrochemical measurements of the synergism of hydrogen, stress and dissolution on near-neutral pH stress corrosion cracking of pipelines. Corros. Sci. 2011, 53, 2927–2933. [Google Scholar] [CrossRef]
- Gu, B.; Yu, W.; Luo, J.; Mao, X. Transgranular stress corrosion cracking of X-80 and X-52 pipeline steels in dilute aqueous solution with near-neutral pH. Corrosion 1999, 55, 312–318. [Google Scholar] [CrossRef]
- Yang, Y.; Cheng, F. Stress enhanced corrosion at the tip of near-neutral ph stress corrosion cracks on pipelines. Corrosion 2016, 72, 1035–1044. [Google Scholar] [CrossRef]
- Been, J.; Lu, H.; King, F.; Jack, T.; Sutherby, R. The role of hydrogen in EAC of pipeline steels in near-neutral pH environments. In Environment-Induced Cracking of Materials; Elsevier: Amsterdam, The Netherlands, 2008. [Google Scholar]
- Martínez, E.; Tesfamariam, S. Multiphysics modeling of environment assisted cracking of buried pipelines in contact with solutions of near-neutral pH. Int. J. Pres. Ves. Pip. 2022, 196, 104607. [Google Scholar] [CrossRef]
- Qiao, L.J.; Luo, J.L.; Mao, X. The role of hydrogen in the process of stress corrosion cracking of pipeline steels in dilute carbonate-bicarbonate solution. J. Mater. Sci. Lett. 1997, 16, 516–520. [Google Scholar] [CrossRef]
- Sk, M.H.; Abdullah, A.M.; Qi, J.; Ko, M.; Williams, D.E. The Effects of Cr/Mo Micro-Alloying on the Corrosion Behavior of Carbon Steel in CO 2-Saturated (Sweet) Brine under Hydrodynamic Control. J. Electrochem. Soc. 2018, 165, C278. [Google Scholar] [CrossRef]
- Castillejo, F.; Olaya, J.; Alfonso, J. Wear and Corrosion Resistance of Chromium–Vanadium Carbide Coatings Produced via Thermo-Reactive Deposition. Coatings 2019, 9, 215. [Google Scholar] [CrossRef] [Green Version]
- Katiyar, P.K.; Misra, S.; Mondal, K. Comparative Corrosion Behavior of Five Microstructures (Pearlite, Bainite, Spheroidized, Martensite, and Tempered Martensite) Made from a High Carbon Steel. Metall. Mater. Trans. A 2019, 50, 1489–1501. [Google Scholar] [CrossRef]
- Xue, H.B.; Cheng, Y.F. Characterization of inclusions of X80 pipeline steel and its correlation with hydrogen-induced cracking. Corros. Sci. 2011, 53, 1201–1208. [Google Scholar] [CrossRef]
- Mohtadi-Bonab, M.A.; Szpunar, J.A.; Razavi-Tousi, S.S. A comparative study of hydrogen induced cracking behavior in API 5L X60 and X70 pipeline steels. Eng. Fail. Anal. 2013, 33, 163–175. [Google Scholar] [CrossRef]
- Liu, Z.Y.; Li, X.G.; Cheng, Y.F. Mechanistic aspect of near-neutral pH stress corrosion cracking of pipelines under cathodic polarization. Corros. Sci. 2012, 55, 54–60. [Google Scholar] [CrossRef]
- Ma, H.; Zhao, B.; Liu, Z.; Du, C.; Shou, B. Local chemistry–electrochemistry and stress corrosion susceptibility of X80 steel below disbonded coating in acidic soil environment under cathodic protection. Constr. Build. Mater. 2020, 243, 118203. [Google Scholar] [CrossRef]
- Javidi, M.; Bahalaou Horeh, S. Investigating the mechanism of stress corrosion cracking in near-neutral and high pH environments for API 5L X52 steel. Corros. Sci. 2014, 80, 213–220. [Google Scholar] [CrossRef]
- Liu, Y.; Mahadevan, S.M. Threshold stress intensity factor and crack growth rate prediction under mixed-mode loading. Eng. Fract. Mech. 2006, 74, 332–345. [Google Scholar] [CrossRef]
- Li, H.L.; Gao, K.W.; Qiao, L.J.; Wang, Y.B.; Chu, W.Y. Strength effect in stress corrosion cracking of high-strength steel in aqueous solution. Corrosion 2001, 57, 295–299. [Google Scholar] [CrossRef]
- Lu, B.T.; Luo, J.L. Relationship between yield strength and near-neutral pH stress corrosion cracking resistance of pipeline steels—an effect of microstructure. Corrosion 2006, 62, 129–140. [Google Scholar] [CrossRef]
- Murase, Y.; Masuda, H.; Katayama, H. Corrosion resistance of finer/coarser pearlitic structures of carbon steel. J. Electrochem. Soc. 2021, 168, 041501. [Google Scholar] [CrossRef]
- Chu, R.; Chen, W.; Wang, S.H.; King, F.; Jack, T.R.; Fessler, R.R. Microstructure dependence of stress corrosion cracking initiation in X65 pipeline steel exposed to a near-neutral pH soil environment. Corrosion 2004, 60, 275–283. [Google Scholar] [CrossRef]













| Material | Mn | Si | P | Mo | C | S | Ni | Cr | Cu | Nb | Ti | Al | V |
|---|---|---|---|---|---|---|---|---|---|---|---|---|---|
| 20# | 1.71 | 0.218 | 0.009 | 0.23 | 0.057 | 0.001 | 0.016 | 0.228 | — | — | — | — | 0.025 |
| X60 | 1.28 | 0.276 | 0.008 | 0.002 | 0.115 | <0.001 | <0.001 | <0.001 | 0.017 | 0.018 | 0.014 | 0.026 | — |
| X80 | 1.70 | 0.207 | 0.01 | <0.001 | 0.056 | 0.002 | 0.085 | 0.22 | 0.194 | 0.046 | 0.016 | 0.033 | — |
| Parameters | 20# | X60 | X80 |
|---|---|---|---|
| Ecorr (mVSCE) | −719.00 | −772.00 | −757.50 |
| icorr (mA/cm2) | 6.48 ± 0.12 | 13.47 ± 0.15 | 14.67 ± 0.14 |
| Beta A (V·dec−1) | 0.05 ± 0.02 | 0.07 ± 0.01 | 0.08 ± 0.01 |
| Beta C (V·dec−1) | 0.19 ± 0.01 | 0.20 ± 0.02 | 0.22 ± 0.02 |
| Cr (mpy) | 3.01 ± 0.12 | 6.25 ± 0.15 | 6.80 ± 0.14 |
| Material | Yield Stress (MPa) | Stress for SCC to Appear (MPa) | Ratio of Threshold Stress/Yield Stress (%) |
|---|---|---|---|
| 20# | 174.59 | 228.08 | 130.64 |
| X60 | 414.00 | 442.11 | 106.79 |
| X80 | 581.47 | 505.40 | 86.92 |
| Material | Time for Crack Growth (d) | Max Crack Depth (µm) | V = Depth/t (µm/d) |
|---|---|---|---|
| 20# | 2.57 | 12.22 | 4.75 |
| X60 | 4.32 | 8.89 | 2.06 |
| X80 | 2.84 | 12.89 | 4.54 |
Publisher’s Note: MDPI stays neutral with regard to jurisdictional claims in published maps and institutional affiliations. |
© 2022 by the authors. Licensee MDPI, Basel, Switzerland. This article is an open access article distributed under the terms and conditions of the Creative Commons Attribution (CC BY) license (https://creativecommons.org/licenses/by/4.0/).
Share and Cite
Zhang, C.; Ran, M.; Wang, Y.; Zheng, W. Microstructural Effects in the Development of Near-Neutral pH Stress Corrosion Cracks in Pipelines. Materials 2022, 15, 4372. https://doi.org/10.3390/ma15134372
Zhang C, Ran M, Wang Y, Zheng W. Microstructural Effects in the Development of Near-Neutral pH Stress Corrosion Cracks in Pipelines. Materials. 2022; 15(13):4372. https://doi.org/10.3390/ma15134372
Chicago/Turabian StyleZhang, Ci, Minrui Ran, Yao Wang, and Wenyue Zheng. 2022. "Microstructural Effects in the Development of Near-Neutral pH Stress Corrosion Cracks in Pipelines" Materials 15, no. 13: 4372. https://doi.org/10.3390/ma15134372
APA StyleZhang, C., Ran, M., Wang, Y., & Zheng, W. (2022). Microstructural Effects in the Development of Near-Neutral pH Stress Corrosion Cracks in Pipelines. Materials, 15(13), 4372. https://doi.org/10.3390/ma15134372
