Revisiting Classical Issues of Fatigue Crack Growth Using a Non-Linear Approach
Abstract
1. Introduction
2. Material Model
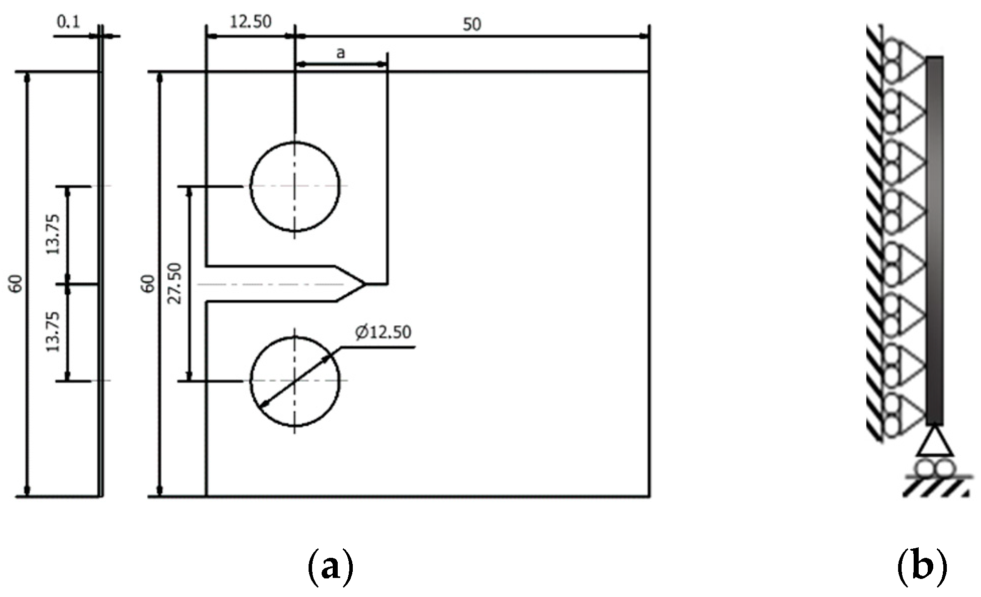
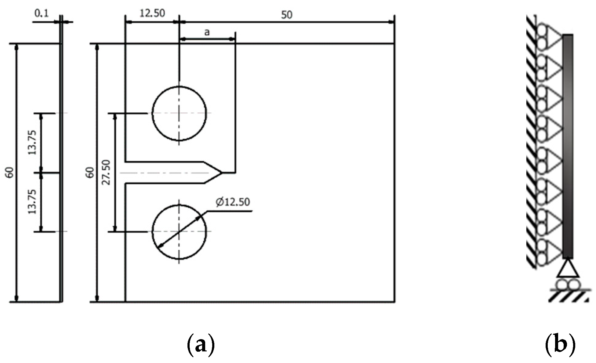
3. Finite Element Model
4. Results
4.1. Effect of Maximum and Minimum Loads on FCG Rate
4.2. Effect of Minimum Load on Crack Opening Level
4.3. Are There Things Happening While the Crack Is Closed?
4.4. Effect of Crack Ligament
4.5. Residual Stresses versus Crack Closure
5. Conclusions
- Kmax has no effect on cyclic plastic deformation at the crack tip. Therefore, the approaches assuming a two-parameter driving force based on Kmax and ΔK are implicitly proposing other crack tip damage mechanisms;
- While the crack is closed, there is an increase in plastic deformation, but only during unloading. During loading from the minimum load to the crack opening load, there is no plastic deformation. The deformation during unloading was found to be in the range between 2.4% to 13.3% of the total plastic deformation. This is relevant because it invalidates the classical definition of an effective load range as ΔKeff = Kmax − Kopen;
- The variation of da/dN produced by an overload was clearly associated with crack closure. In fact, the delay of crack growth vanishes when the contact of crack flanks is eliminated. On the other hand, the residual stresses ahead of the crack tip were not affected by the elimination of contact and therefore cannot explain the dramatic modification of da/dN − Δa plots.
Author Contributions
Funding
Conflicts of Interest
References
- Elber, W. Fatigue crack closure under cyclic tension. Eng. Fract. Mech. 1970, 2, 37–45. [Google Scholar]
- Borrego, L.P.; Ferreira, J.M.; Costa, J.M. Fatigue crack growth and crack closure in an AlMgSi alloy. Fatigue Fract. Eng. Mater. Struct. 2001, 24, 255–265. [Google Scholar] [CrossRef]
- Costa, J.D.M.; Ferreira, J.A.M. Effect of Stress Ratio and Specimen Thickness on Fatigue Crack Growth of CK45 Steel. Theor. Appl. Fract. Mech. 1998, 30, 65–73. [Google Scholar] [CrossRef]
- Lopez-Crespo, P.; Withers, P.J.; Yusof, F.; Dai, H.; Steuwer, A.; Kelleher, J.F.; Buslaps, T. Overload effects on fatigue crack-tip fields under plane stress conditions: Surface and bulk analysis. Fatigue Fract. Eng. Mater. Struct. 2012, 36, 75–84. [Google Scholar] [CrossRef]
- Steuwer, A.; Santisteban, J.; Turski, M.; Withers, P.J.; Buslaps, T. High-resolution strain mapping in bulk samples using full-profile analysis of energy dispersive synchrotron X-ray diffraction data. Nucl. Instrum. Methods Phys. Res. Sect. B 2005, 238, 200–204. [Google Scholar] [CrossRef][Green Version]
- Lee, S.Y.; Liaw, P.K.; Choo, H.; Rogge, R.B. A study on fatigue crack growth behavior subjected to a single tensile overload Part I. An overload-induced transient crack growth micromechanism. Acta Mater. 2011, 59, 485–494. [Google Scholar] [CrossRef]
- Andersson, M.; Persson, C.; Melin, S. Experimental and numerical investigation of crack closure measurements with electrical potential drop technique. Int. J. Fatigue 2006, 28, 1059–1068. [Google Scholar] [CrossRef]
- Vojtek, T.; Pokorny, P.; Oplt, T.; Jambor, M.; Náhlík, L.; Herrero, D.; Hutar, P. Classically determined effective ΔK fails to quantify crack growth rates. Theor. Appl. Fract. Mech. 2020, 108, 102608. [Google Scholar] [CrossRef]
- Tong, J.; Alshammrei, S.; Lin, B.; Wigger, T.; Marrow, T. Fatigue crack closure: A myth or a misconception? Fatigue Fract. Eng. Mater. Struct. 2019, 42, 2747–2763. [Google Scholar] [CrossRef]
- Vasudevan, A.K.; Sadananda, K.; Louat, N. Two critical stress intensities for threshold crack propagation. Scripta Mater. 1993, 28, 65–70. [Google Scholar] [CrossRef]
- Noroozi, A.H.; Glinka, G.; Lambert, S. A two parameter driving force for fatigue crack growth analysis. Int. J. Fatigue 2005, 27, 1277–1296. [Google Scholar] [CrossRef]
- González, J.A.O.; Castro, J.T.P.; Meggiolaro, M.A.; Gonzáles, G.L.G.; Freire, J.L.F. Challenging the “ΔKeff is the driving force for fatigue crack growth” hypothesis. Int. J. Fatigue 2020, 136, 105577. [Google Scholar] [CrossRef]
- Stoychev, S.; Kujawski, D. Crack-Tip Stresses and Their Effect on Stress Intensity Factor for Crack Propagation. Eng. Fract. Mech. 2008, 75, 2469–2479. [Google Scholar] [CrossRef]
- Mikheevskiy, S.; Bogdanov, S.; Glinka, G. Analysis of fatigue crack growth under spectrum loading—The UniGrow fatigue crack growth model. Theor. Appl. Fract. Mech. 2015, 79, 25–33. [Google Scholar] [CrossRef]
- Sadananda, K.; Babu, M.N.; Vasudevan, A.K. The unified approach to subcritical crack growth and fracture. Eng. Fract. Mech. 2019, 212, 238–257. [Google Scholar] [CrossRef]
- Philips, E.P. Results of the Round Robin on Opening-Load Measurement; NASA Tech. Meno. 101601; Langley Research Center: Hampton, VA, USA, 1989. [Google Scholar]
- Carlson, R.L.; Kardomateas, G.A. Effects of compressive load excursions on fatigue crack growth. Int. J. Fatigue 1994, 16, 141–146. [Google Scholar] [CrossRef]
- Chen, D.L.; Weiss, B.; Stickler, R. Contribution of the cyclic loading portion below the opening load to fatigue crack growth. Mater. Sci. Eng. A 1996, 208, 181–187. [Google Scholar] [CrossRef]
- Sunder, R. Unraveling the Science of Variable Amplitude Fatigue. J. ASTM Int. 2012, 9, 1–32. [Google Scholar] [CrossRef]
- Frederick, C.O.; Armstrong, P.J. A mathematical representation of the multiaxial Bauschinger effect. Mater. High Temp. 2007, 24, 1–26. [Google Scholar] [CrossRef]
- Borges, M.F.; Neto, D.M.; Antunes, F.V. Numerical simulation of fatigue crack growth based on accumulated plastic strain. Theor. Appl. Fract. Mech. 2020, 108, 102676. [Google Scholar] [CrossRef]
- Menezes, L.F.; Teodosiu, C. Three-dimensional numerical simulation of the deep-drawing process using solid finite elements. J. Mater. Process. Technol. 2000, 97, 100–106. [Google Scholar] [CrossRef]
- Ferreira, F.F.; Neto, D.M.; Jesus, J.S.; Prates, P.A.; Antunes, F.V. Numerical Prediction of the Fatigue Crack Growth Rate in SLM Ti-6Al-4V Based on Crack Tip Plastic Strain. Metals 2020, 10, 1133. [Google Scholar] [CrossRef]
- Kujawski, D. A fatigue crack driving force parameter with load ratio effects. Int. J. Fatigue 2001, 23, S239–S246. [Google Scholar] [CrossRef]
- Llanes, L.; Torres, Y.; Anglada, M. On the Fatigue Crack Growth Behavior of WC-Co Cemented Carbides: Kinetics Description, Microstructural Effects and Fatigue Sensitivity. Acta Mater. 2002, 50, 2381–2393. [Google Scholar] [CrossRef]
- Benz, C. Fatigue crack growth at negative stress ratios: On the uncertainty of using DK and R to define the cyclic crack tip load. Eng. Fract. Mech. 2018, 189, 194–203. [Google Scholar] [CrossRef]
- Ghonem, H.; Zheng, D. Frequency interactions in high temperature fatigue crack growth in superalloys. Met. Trans. A 1992, 23, 3067–3072. [Google Scholar] [CrossRef]
- Andrieu, E.; Molins, R.; Ghonem, H.; Pineau, A. Intergranular crack tip oxidation mechanism in a nickel base superalloy. Mater. Sci. Eng. A 1992, 154, 21–28. [Google Scholar] [CrossRef]
- Kujawski, D. Discussion and Comments on Kop and ΔKeff. Materials 2020, 13, 4959. [Google Scholar] [CrossRef]
- Louat, N.; Sadananda, K.; Duesbery, M.; Vasudevan, A.K. A theoretical evaluation of crack closure. Metall. Trans. A 1993, 24, 2225–2232. [Google Scholar] [CrossRef]
- Antunes, F.V.; Correia, L.; Camas, D.; Branco, R. Effect of compressive loads on plasticity induced crack closure. Theor. Appl. Fract. Mech. 2015, 80, 193–204. [Google Scholar] [CrossRef]
- Toribio, J.; Matos, J.-C.; González, B. Corrosion-Fatigue Crack Growth in Plates: A Model Based on the Paris Law. Materials 2017, 10, 439. [Google Scholar] [CrossRef] [PubMed]
- Akama, M.; Kiuchi, A. Fatigue Crack Growth under Non-Proportional Mixed Mode Loading in Rail and Wheel Steel Part 2: Sequential Mode I and Mode III Loading. Appl. Sci. 2019, 9, 2866. [Google Scholar] [CrossRef]
- Chang, H.; Shen, M.; Yang, X.; Hou, J. Uncertainty Modeling of Fatigue Crack Growth and Probabilistic Life Prediction for Welded Joints of Nuclear Stainless Steel. Materials 2020, 13, 3192. [Google Scholar] [CrossRef] [PubMed]













| Material | E (GPa) | ν (-) | Y0 (MPa) | K (MPa) | n (-) | XSat (MPa) | CX (-) |
|---|---|---|---|---|---|---|---|
| AA2024-T351 | 72.26 | 0.29 | 288.96 | 389.00 | 0.056 | 111.84 | 138.80 |
| Load Case | Fmin (N) | Fmax (N) | Kmin (MPa·m0.5) | Kmax (MPa·m0.5) | R |
|---|---|---|---|---|---|
| 1 | 0 | 20 | 0 | 6.2 | 0 |
| 2 | 0 | 30 | 0 | 9.3 | 0 |
| 3 | 0 | 40 | 0 | 12.5 | 0 |
| 4 | 0 | 50 | 0 | 15.8 | 0 |
| 5 | 10 | 50 | 3.1 | 15.7 | 0.2 |
| 6 | 20 | 50 | 6.2 | 15.6 | 0.4 |
| 7 | 30 | 50 | 9.3 | 15.6 | 0.6 |
| Crack Length | Fmin (N) | Fmax (N) | ΔK (MPa·m0.5) | Fopen (N) | U* (%) | da/dN (μm/cycle) |
|---|---|---|---|---|---|---|
| 14.544 | 0 | 65.4 | 16.06 | 22.1 | 32.3 | 0.63 |
| 19.408 | 0 | 50 | 15.78 | 15.8 | 30.2 | 0.66 |
| 24.352 | 0 | 38.3 | 15.92 | 10.6 | 26.1 | 0.73 |
| 29.24 | 0 | 27.5 | 15.82 | 6.9 | 23.8 | 0.83 |
| 14.264 | −15.44 | 50 | 15.83 | 16.8 | 48.2 | 0.29 |
| 19.408 | 0 | 50 | 15.78 | 15.8 | 30.2 | 0.66 |
| 24.432 | 11.7 | 50 | 16.00 | 19.6 | 19.1 | 1.04 |
| 29.376 | 22.5 | 50 | 15.99 | 25.6 | 9.5 | 1.53 |
Publisher’s Note: MDPI stays neutral with regard to jurisdictional claims in published maps and institutional affiliations. |
© 2020 by the authors. Licensee MDPI, Basel, Switzerland. This article is an open access article distributed under the terms and conditions of the Creative Commons Attribution (CC BY) license (http://creativecommons.org/licenses/by/4.0/).
Share and Cite
Borges, M.F.; Neto, D.M.; Antunes, F.V. Revisiting Classical Issues of Fatigue Crack Growth Using a Non-Linear Approach. Materials 2020, 13, 5544. https://doi.org/10.3390/ma13235544
Borges MF, Neto DM, Antunes FV. Revisiting Classical Issues of Fatigue Crack Growth Using a Non-Linear Approach. Materials. 2020; 13(23):5544. https://doi.org/10.3390/ma13235544
Chicago/Turabian StyleBorges, Micael F., Diogo M. Neto, and Fernando V. Antunes. 2020. "Revisiting Classical Issues of Fatigue Crack Growth Using a Non-Linear Approach" Materials 13, no. 23: 5544. https://doi.org/10.3390/ma13235544
APA StyleBorges, M. F., Neto, D. M., & Antunes, F. V. (2020). Revisiting Classical Issues of Fatigue Crack Growth Using a Non-Linear Approach. Materials, 13(23), 5544. https://doi.org/10.3390/ma13235544

