Next Article in Journal
Aspen Plus® Process Simulation Model of the Biomass Ash-Based Treatment of Anaerobic Digestate for Production of Fertilizer and Upgradation of Biogas
Next Article in Special Issue
Small Signal Modeling of LLC Converter with LED Load and Quasi-Resonant Controller Based Active Ripple Rejection
Previous Article in Journal
Enhancing User Engagement in Local Energy Initiatives Using Smart Local Energy Engagement Tools: A Meta Study
Previous Article in Special Issue
Universal Virtual Synchronous Generator Based on Extended Virtual Inertia to Enhance Power and Frequency Response
 
 
Font Type:
Arial Georgia Verdana
Font Size:
Aa Aa Aa
Line Spacing:
Column Width:
Background:
Article

Virtual Vector-Based Direct Power Control of a Three-Phase Coupled Inductor-Based Bipolar-Output Active Rectifier for More Electric Aircraft

College of Automation Engineering, Nanjing University of Aeronautics and Astronautics, Nanjing 210016, China
*
Author to whom correspondence should be addressed.
Energies 2023, 16(7), 3038; https://doi.org/10.3390/en16073038
Submission received: 2 March 2023 / Revised: 20 March 2023 / Accepted: 24 March 2023 / Published: 27 March 2023

Abstract

Direct power control (DPC) has gained increasing attention in recent years as a simple and efficient control strategy for pulse width modulation (PWM) rectifiers. In this paper, the idea of DPC is introduced into the three-phase coupled inductor-based bipolar-output active rectifier (TCIBAR) for the first time, and a virtual vector-based direct power control (VVB-DPC) strategy is proposed for TCIBAR to realize the bipolar DC power supply for more electric aircraft (MEA). First, the mathematical model of the TCIBAR is deduced, and the basic principle of the classic DPC strategy is reviewed. On this basis, the limitations of the classic DPC strategy in TCIBAR control are analyzed. Second, a set of virtual vectors are derived to establish a novel virtual-vector switching table. Based on the virtual-vector switching table, the hysteresis power control of TCIBAR can be realized without affecting the DC-side neutral-point potential of TCIBAR. Finally, a neutral-point potential control method based on DPC architecture is studied and integrated into the VVB-DPC strategy to maintain the bipolar DC voltage balance of TCIBAR under unbalanced load conditions. The VVB-DPC strategy is experimentally studied on a TCIBAR prototype, and the experimental results verify the feasibility and effectiveness of the proposed strategy.

1. Introduction

In recent years, more electric aircraft (MEA) have become the research trend of modern aircraft due to their higher energy efficiency, reduced maintenance costs, and lower carbon dioxide emissions [1,2,3]. Meanwhile, with the development of aircraft electrification, new electrical loads on aircraft will put forward higher requirements on power capacity, power quality, and power supply reliability of the electric power system (EPS) in MEA [4,5]. In order to meet the new requirements, many studies have been carried out on the architecture of the EPS in MEA [6,7,8,9], among which the ±270 V high voltage direct current (HVDC) power system is considered as a promising scheme and has attracted the interest of several research groups [10,11,12]. Compared to the traditional 115 V AC power system on aircraft, the ±270 V HVDC power system has the advantages of lower total weight, larger power capacity, higher reliability, and easier parallel operation of multiple sources [13,14].
In the ±270 V HVDC power system of MEA, the AC generator power is converted and transmitted to the common HVDC bus via bipolar-output rectifiers, and then the onboard electrical loads are powered by the HVDC bus directly or through power converters [7]. As can be seen, the bipolar-output rectifiers play an important role and are the key to establishing the bipolar HVDC power system for MEA. Meanwhile, in order to improve the adaptability of the EPS to unbalanced load conditions, the bipolar-output rectifier should be able to regulate the bipolar DC voltages actively and maintain the voltage balance between the bipolar DC ports. A general topology of bipolar-output active rectifier is constructed by two pulse width modulation (PWM) rectifiers connected in series at the DC port, but it requires a transformer with two secondary windings to withstand the DC offset voltage caused by the series connection [15], which results in a significant increase in the weight of the rectifier. To solve this problem, an alternative approach is to add a voltage balancer to the output of a PWM rectifier. This topology requires only one PWM rectifier and can generate the bipolar DC outputs through the voltage balancer [16]. However, the voltage balancer cannot increase the power rating of the converter, and it still needs extra power switches and auxiliary systems, which will lead to the increase in power loss, cost, and complexity of the converter [17].
In order to establish the bipolar DC power system with a simplified converter topology, a three-phase coupled inductor-based bipolar-output active rectifier (TCIBAR) has been proposed and researched in [18,19]. The topology of TCIBAR can be simply constructed by adding a three-phase coupled inductor (TCI) to the conventional PWM rectifier, and the TCI is connected between the neutral points of the three-phase bridges and the neutral point of the DC-side split capacitors [18]. Compared to the conventional PWM rectifier, the TCI can provide a new current-injection path to the neutral point of the split capacitors. Thus, by controlling the zero-sequence current in TCI, the current injected into the DC-side neutral point can be regulated. On this basis, the TCIBAR can actively adjust the DC-side neutral-point potential and realize the voltage balance control of the bipolar DC ports under different load conditions [19]. In addition, compared with the two conventional bipolar-output active rectifiers mentioned above, TCIBAR has the advantages of fewer power switches, less complexity, and higher reliability [18]. However, it needs to achieve the same target function with a simpler topology, which will inevitably put forward higher requirements for its control strategy. Therefore, an appropriate and effective control strategy is the key to the reliable operation of the TCIBAR.
For the PWM rectifier with unipolar DC output, the control strategies can generally be categorized into voltage-oriented control (VOC) and direct power control (DPC) [20,21]. In VOC, the three-phase AC currents are transformed into d-axis and q-axis DC components in the synchronous rotating reference frame, and PI controllers are usually employed to regulate the dq-axes currents and calculate the voltage reference [22]. Then, the obtained voltage reference can be modulated by space vector modulation (SVM). VOC shows good steady-state performance, but its dynamic behavior is highly dependent on the performance of the inner current loop and phase-locked loop [22,23]. In contrast to VOC, DPC directly takes the instantaneous active and reactive power of the converter as the control variables, and it selects the appropriate voltage vector to control the instantaneous power based on the pre-established switching table and the grid voltage angular position [24,25,26]. As can be seen, DPC eliminates the inner current loop, phase-locked loop, and PWM generation module [27]. Meanwhile, it can achieve fast dynamic response of the rectifier with simple control architecture [27,28,29].
Obviously, applying DPC to the TCIBAR can share the advantages of DPC strategy and TCIBAR topology, and it can build a promising and competitive solution for the bipolar-output rectification in MEA. However, the research on DPC for bipolar-output active rectifiers is rare, and there is no DPC strategy applicable to the TCIBAR at present. Therefore, it is necessary and meaningful to explore a feasible DPC strategy for the TCIBAR.
In order to introduce the idea of DPC into the TCIBAR, the mathematical model of the TCIBAR is deduced and the basic principle of the classic DPC strategy is reviewed. However, the classic DPC strategy does not consider the influence of the zero-sequence voltage (ZSV) components in voltage vectors on the converter, which will lead to an uncontrollable zero-sequence current in TCI. Moreover, the classic DPC strategy does not involve the neutral-point potential control of the bipolar-output active rectifier, so it cannot maintain the voltage balance between bipolar DC ports, especially in the case of unbalanced port loads. Therefore, the reliable operation of TCIBAR cannot be guaranteed if the classic DPC strategy is directly applied to the TCIBAR. To overcome these shortcomings, a virtual vector-based direct power control (VVB-DPC) strategy is proposed for the TCIBAR in this paper, and the control architecture based on DPC is constructed for the TCIBAR for the first time.
The main innovations of the proposed VVB-DPC strategy are summarized as follows. First, a set of virtual vectors, which contain the same ZSV component, are derived based on the vector synthesis of adjacent non-zero voltage vectors. Second, by analyzing the effect of the virtual vectors on the power variation of TCIBAR, a virtual-vector switching table is established for the TCIBAR. Based on the virtual-vector switching table, the VVB-DPC strategy can realize the hysteresis power control of TCIBAR without causing the runaway of the zero-sequence current in TCI. Finally, in order to maintain the voltage balance between the bipolar DC ports of TCIBAR, a neutral-point potential control method based on DPC architecture is designed and integrated into the proposed VVB-DPC strategy. By inserting an appropriate zero vector with a certain duration in one control period, the proposed neutral-point potential control method can accurately generate the required ZSV without voltage modulation module and realize the regulation of the DC-side neutral-point potential of TCIBAR.
The rest of this paper is organized as follows. Section 2 deduces the mathematical model of the TCIBAR, and the limitations of the classic DPC strategy in TCIBAR control are analyzed in Section 3. In Section 4, the proposed VVB-DPC strategy for TCIBAR is introduced in detail. Section 5 presents the simulation results of the proposed VVB-DPC strategy. Experimental research is carried out to verify the feasibility and effectiveness of the proposed VVB-DPC strategy in Section 6. Finally, the conclusions are drawn in Section 7.

2. Mathematical Model of TCIBAR

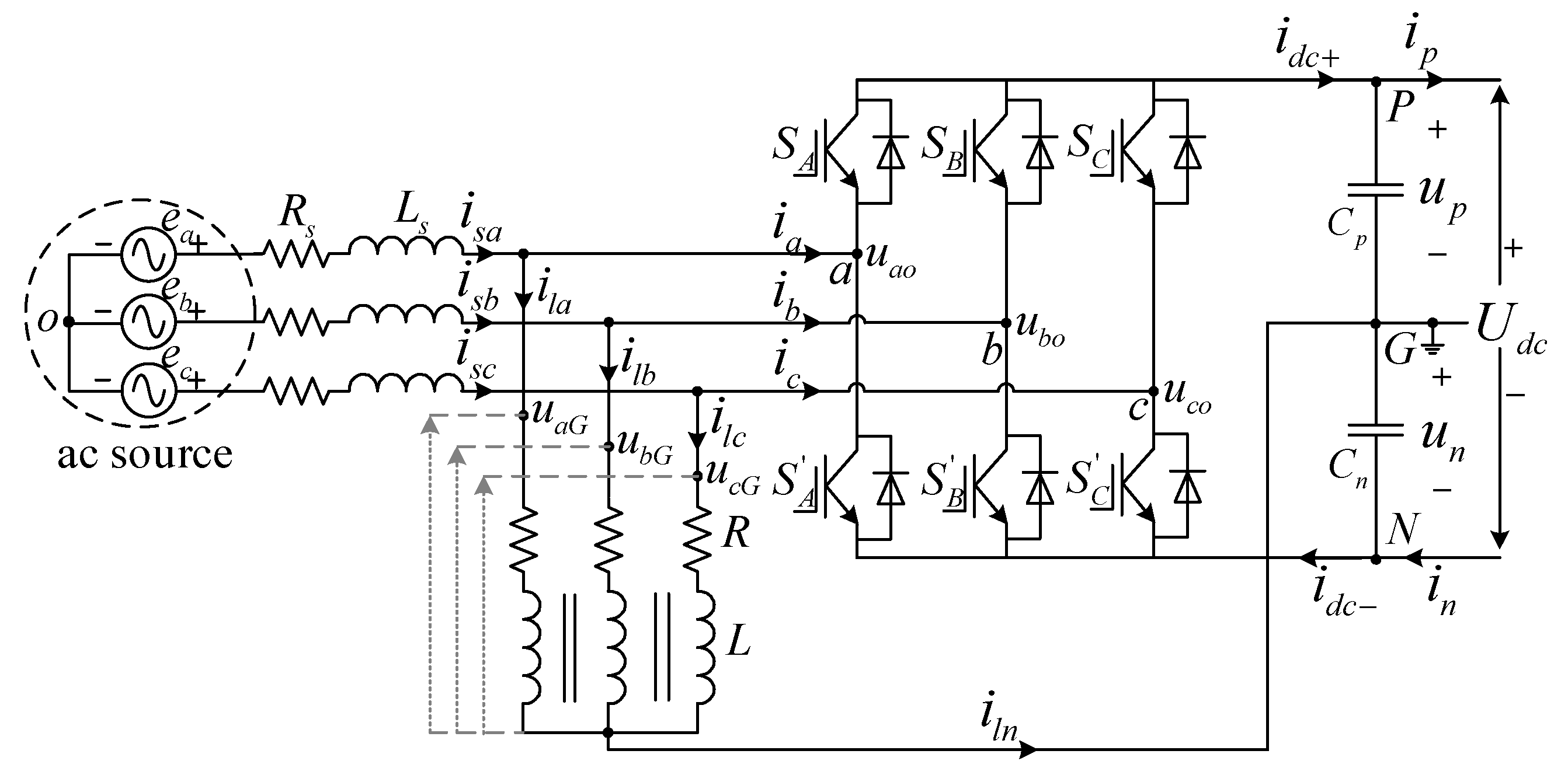
The main circuit topology of TCIBAR is depicted in Figure 1. As can be seen, the TCIBAR consists of a two-level voltage source converter (VSC) and a symmetrical TCI. Meanwhile, it contains two branches in the topology, which are defined as AC-source branch and TCI branch in this paper. In Figure 1, SA~SC and S A ~ S C are the upper and lower switches of the VSC, respectively, and Rs and R are the winding resistance of the filter inductor and the TCI. In addition, a three-phase AC source is used as the power supply instead of a generator.
In order to realize the effective and comprehensive control of TCIBAR, both the AC-source branch and the TCI branch need to be modeled and analyzed. Meanwhile, since the TCI provides a zero-sequence current path for the converter, the zero-sequence components in the circuit should be taken into account when establishing the mathematical model.
According to the reference directions of the voltages and currents in Figure 1, the voltage equations of the AC-source branch can be written as follows:
e a e b e c = L s d d t i s a i s b i s c + R s i s a i s b i s c + u a o u b o u c o
where ea, eb, and ec are the three-phase voltages of the AC source, uao, ubo, and uco are the three-phase output voltages of the VSC, and isa, isb, and isc are the three-phase input currents of the TCIBAR.
By applying the Park transformation, the voltage equations in Equation (1) can be transformed into the dq0 coordinate system and expressed as
e d e q e 0 = L s d d t i s d i s q i s 0 + 0 ω L s 0 ω L s 0 0 0 0 0 i s d i s q i s 0 + R s i s d i s q i s 0 + u d u q u 0
where ω is the angular frequency of the AC source and the zero-sequence equation can be removed since is0 = 0.
Meanwhile, based on the instantaneous power theory, the instantaneous active and reactive power of the TCIBAR can be expressed as Equation (3) in the dq coordinate system,
p = e d i s d + e q i s q q = e q i s d e d i s q
where p and q are the active and reactive power of the TCIBAR, respectively.
In order to simplify the model and facilitate the subsequent analysis, the dq coordinate system is oriented by the AC-source voltage vector, and thus the q-axis component of the AC-source voltage is equal to zero, that is, eq = 0. Then, by differentiating both sides of Equation (3), the active and reactive power variation rate of the TCIBAR can be written as
d p d t = i s d d e d d t + e d d i s d d t d q d t = i s q d e d d t e d d i s q d t
Regarding the AC source as an ideal voltage source, the d-axis voltage ed is a constant value, that is, ded/dt = 0. Substituting Equation (2) into Equation (4), the power model of the TCIBAR in the dq coordinate system can be deduced as
L s d p d t = R s p ω L s q e d u d + e d 2 L s d q d t = R s q + ω L s p + e d u q
Next, in order to realize the voltage balance control of the bipolar DC ports in TCIBAR, the voltage equations of the TCI branch are derived as
u a G u b G u c G = L T C I d d t i l a i l b i l c + R T C I i l a i l b i l c
where uaG, ubG, and ucG are the three-phase voltages across the TCI, and LTCI and RTCI are the inductance matrix and winding resistance matrix of the TCI, respectively.
As analyzed in [19], the zero-sequence current in TCI can be controlled to maintain the voltage balance between the bipolar DC ports of TCIBAR. Meanwhile, a large zero-sequence current will flow through the TCI when the loads at the bipolar DC ports are seriously unbalanced. In order to reduce the probability of core saturation caused by the zero-sequence current, a balanced three-phase magnetic core, which cannot carry zero-sequence DC flux [18], is applied to the TCI, and the corresponding inductance matrix and winding resistance matrix of the TCI are shown in Equation (7):
L T C I = L M M M L M M M L R T C I = R 0 0 0 R 0 0 0 R
where L and M are the self-inductance and mutual inductance of the TCI.
By substituting Equation (7) into Equation (6) and applying the Park transformation, the voltage equations of the TCI branch in dq0 coordinate system can be derived as
u l d u l q u l 0 = L + M 0 0 0 L + M 0 0 0 L 2 M d d t i l d i l q i l 0 + 0 ω ( L + M ) 0 ω ( L + M ) 0 0 0 0 0 i l d i l q i l 0 + R i l d i l q i l 0
It can be seen from Equation (8) that the TCI with a balanced three-phase magnetic core has large dq-axes inductances and a small zero-sequence inductance. The large dq-axes inductances bring the advantages of reduced dq-axes currents and lower power loss, and the small zero-sequence inductance is conductive to the fast response of the zero-sequence current in TCI. Besides, according to the zero-sequence equation in Equation (8), it can be concluded that the zero-sequence current in TCI directly depends on the ZSV across the TCI. Therefore, the accurate control of the ZSV is the key to the effective regulation of the DC-side neutral-point potential of TCIBAR.

3. Limitations of Classic DPC in TCIBAR Control

In order to introduce the control architecture of DPC into the TCIBAR, the basic principle of the classic DPC strategy is reviewed first. The classic DPC strategy has been widely used in the control of three-phase PWM rectifiers, and its control diagram is represented in Figure 2.
In the classic DPC strategy, the hysteresis power control is employed to realize the regulation of the DC-side bus voltage and the AC-side power factor of three-phase PWM rectifiers [28]. It can be seen from Figure 2 that the classic DPC strategy consists of five main parts, which are switching table, sector identification, power calculation, hysteresis power control, and DC bus voltage control. First, the instantaneous active and reactive power of the rectifier can be calculated based on the instantaneous power theory. In the meantime, the reference value of active power p* is obtained by the closed-loop control of DC bus voltage, and the reactive power reference q* is usually set as zero to achieve the unit power factor of the converter. According to the instantaneous power errors, the outputs of the power hysteresis comparators are determined. Then, in order to identify the angular position of the AC-source voltage vector, the vector space is evenly divided into twelve sectors, as shown in Figure 3, and the sector boundaries are defined as
( n 2 ) π 6 θ n < ( n 1 ) π 6 ,   n = 1 , 2 , 3 , , 12
where θn is the sector number.
By calculating the phase angle of the AC-source voltage vector, the corresponding sector number can be determined. Finally, according to the outputs of the hysteresis comparators and the sector number, the desired voltage vector can be selected from the pre-defined switching table, which is established based on the effect of the basic voltage vectors (V0~V7) on the active and reactive power of the rectifier. The switching table of the classic DPC strategy is shown in Table 1, where sP and sQ are the outputs of the active and reactive hysteresis comparators, respectively. In [30,31,32], several new switching tables have been proposed for PWM rectifiers based on different optimization objectives, and it can be seen that the switching table affects the performance of the DPC strategy directly and is the key to the DPC strategy.
However, based on the observation of the above control diagram and switching table, it can be found that the classic DPC strategy has two limitations in the control of TCIBAR. First, since there is no zero-sequence current in the general three-phase PWM rectifiers, the classic DPC strategy does not need to consider the influence of different ZSV components in the basic voltage vectors on the rectifier. If classic DPC strategy is directly applied to the TCIBAR, it will inevitably result in an uncontrollable zero-sequence current in TCI, which will further cause the loss of control of the DC-side neutral-point potential and even lead to the oscillation and instability of the converter. Second, for the TCIBAR with bipolar DC outputs, it not only needs to ensure the stability of the total DC bus voltage, but also needs to regulate the neutral-point potential of the bipolar DC ports and maintain the voltage balance under unbalanced load conditions, which is not taken into account in the classic DPC strategy. Therefore, the classic DPC strategy is not applicable for the TCIBAR, and a VVB-DPC strategy will be proposed and detailed in the next section.

4. Proposed VVB-DPC for TCIBAR

In order to break through the limitations of the classic DPC and implement the DPC strategy in TCIBAR, the concept of virtual vector is introduced to extend the original voltage vectors, and a VVB-DPC strategy with the ability to regulate the neutral-point potential is explored for the TCIBAR in this section.

4.1. Derivation of Virtual Vector

An effective solution to the first problem mentioned above is to search for a set of new voltage vectors that contain the same ZSV component, so that the change in the selected voltage vectors will not affect the ZSV across the TCI. In order to find the new voltage vectors that meet the requirement, the ZSVs of the eight basic voltage vectors are deduced first.
By defining the switching function of the three-phase bridges in TCIBAR as Sx (x = a, b, c), the three-phase voltages across the TCI can be expressed as
u a G = S a U d c ε U d c u b G = S b U d c ε U d c u c G = S c U d c ε U d c
where Sx = 0 and Sx = 1 correspond to the on-state and off-state of the upper switch in the phase bridge x, respectively. Besides, ε (0 < ε < 1) is defined as the voltage coefficient of the DC-side neutral point, and εUdc is the actual voltage of the negative DC port of TCIBAR.
Then, by applying the Park transformation to Equation (10), the ZSV applied to the TCI can be calculated as follows
u l 0 = [ 1 3 ( S a + S b + S c ) 3 ε ] U d c
Substituting the switching states of the eight basic voltage vectors into Equation (11), the corresponding ZSV component in each basic voltage vector can be obtained and shown in Table 2.
As can be seen from Table 2, the ZSV components in different basic voltage vectors are not all the same and have four different cases: 3 ε U d c in V0, ( 1 / 3 3 ε ) U d c in V1, V3, V5, ( 2 / 3 3 ε ) U d c in V2, V4, V6 and 3 ( 1 ε ) U d c in V7. Meanwhile, it can be found that, among the six non-zero voltage vectors, any two adjacent non-zero voltage vectors always generate the ZSVs of ( 1 / 3 3 ε ) U d c and ( 2 / 3 3 ε ) U d c . Based on this observation, a set of virtual vectors, which are synthesized by every two adjacent non-zero voltage vectors, are proposed to extend the original voltage vectors, and the virtual vector Vmn is denoted as
V m n = t m T s V m + t n T s V n
where Vm and Vn are the adjacent non-zero voltage vectors, Ts is the control cycle, and tm and tn are the action time of Vm and Vn in one control cycle. Meanwhile, the sum of tm and tn is equal to Ts.
Defining V1, V3, and V5 as odd vectors and V2, V4, and V6 as even vectors, it can be seen that the virtual vectors are synthesized by adjacent odd and even vectors in one control cycle. At the same time, the ZSV components in the odd and even vectors are ( 1 / 3 3 ε ) U d c and ( 2 / 3 3 ε ) U d c , respectively. Therefore, in order to make the ZSV component in each virtual vector equal, the odd and even vectors of each virtual vector should have the same action time ratio in one control cycle. In this paper, the action time of the even and odd vectors are set as λ T s and ( 1 λ ) T s , respectively, where λ ( 0 λ 1 ) is the time coefficient. On this basis, the switching functions of the virtual vectors, as well as the corresponding ZSV components, can be deduced based on the volt-second equivalent principle, as shown in Table 3.
It can be seen, from Table 3, that six virtual vectors can be synthesized by adjacent non-zero voltage vectors, and the virtual vectors have the same ZSV component, which can be expressed as
u l 0 = ( 2 λ 3 ε ) U d c / 3
Besides, in order to realize the hysteresis power control of TCIBAR without affecting the DC-side neutral-point potential, the ZSV component in each virtual vector should be equal to zero, that is, ul0 = 0. Meanwhile, considering that the bipolar DC voltages of the TCIBAR should be symmetrical in the HVDC power system of MEA, the voltage coefficient ɛ should be equal to 0.5 in the steady state. Substituting ul0 = 0 and ɛ = 0.5 into Equation (13), the time coefficient λ can be calculated as
λ = 2 3 ε 3 u l 0 U d c = 0.5
Therefore, the time coefficient λ is selected as 0.5 in this paper, which means that the adjacent odd and even vectors will each act for half of the control cycle to synthesize the desired virtual vectors. On this basis, the six virtual vectors adopted in this paper and their switching sequences are determined, as shown in Figure 4. When the proposed six virtual vectors are used to implement the hysteresis power control of TCIBAR, the ZSV applied to the TCI can remain unchanged, so the zero-sequence current in the TCI will not be out of control under the action of virtual vectors.

4.2. Switching Table Based on Virtual Vectors

As described in Section 3, the switching table is the key element of the DPC strategy. Therefore, in order to establish the switching table based on the virtual vectors and realize the hysteresis power control of TCIBAR, it is necessary to analyze the effect of each virtual vector on the power variation of TCIBAR.
Ignoring the winding resistance Rs, the AC-source branch of TCIBAR satisfies the vector equation in Equation (15),
I s ( t ) = I s ( 0 ) + 1 L s 0 t ( E V m n ) d t
where Is(0) and Is(t) are the AC-source current vector at time 0 and time t, and E is the AC-source voltage vector.
Considering that the vector EVmn remains almost unchanged in one control cycle Ts, the variation of the AC-source current vector (ΔIs) in a control cycle can be deduced according to Equation (15), as shown in Equation (16).
Δ I s = T s L s ( E V m n )
In addition, based on the power calculation formula in the dq coordinate system, the power variation in one control cycle can be calculated as
Δ p = E Δ I d = E Δ I s cos γ Δ q = E Δ I q = E Δ I s sin γ
where ΔId and ΔIq are the projection components of ΔIs on the d-axis and q-axis, and γ is the angle between ΔIs and the d-axis.
By substituting Equation (16) into Equation (17), the relationship between the vector EVmn and the power variation can be obtained as follows:
Δ p = T s L s E E V m n cos γ Δ q = T s L s E E V m n sin γ
It can be seen from Equation (18) that the active power variation depends on the projection of EVmn on the d-axis, while the reactive power variation is determined by the projection of EVmn on the q-axis. Therefore, the effect of each virtual vector on the power variation of TCIBAR can be obtained according to the direction and amplitude of the projection of EVmn on the d-axis and q-axis. Taking the AC-source voltage vector E in the sector θ3 as an example, the effect of different voltage vectors on the power variation of TCIBAR can be analyzed, and Figure 5a shows the effect of the virtual vector V56. In the meantime, the vector space can be divided into four areas according to the signs of the active and reactive power variation rates, as shown in Figure 5b.
It can be seen from Figure 5b that when the AC-source voltage vector E is in the sector θ3, the virtual vectors V34, V45, V56, and V61 will increase the active power of TCIBAR, while V12 and V23 will decrease the active power. At the same time, the reactive power of the TCIBAR will be increased by the virtual vectors V23, V34, and V45 and decreased by V56, V61, and V12. Thus, the appropriate virtual vector can be selected according to the outputs of the power hysteresis comparators. Similarly, when the AC-source voltage vector E is in other eleven sectors, the same analysis method is used to select the corresponding virtual vectors and the complete virtual-vector switching table can be established, as shown in Table 4.
Based on the virtual-vector switching table, the hysteresis power control of the TCIBAR can be realized, which results in an effective control of the DC bus voltage and AC-side power factor of the TCIBAR. Meanwhile, the DC-side neutral point potential will not be affected by the change in the selected virtual vectors.

4.3. Neutral-Point Potential Control Method Based on DPC Architecture

In order to maintain the voltage balance between the bipolar DC ports under unbalanced load conditions, a neutral-point potential control method based on DPC architecture is studied for the TCIBAR. As analyzed in Section 2, the DC-side neutral-point potential of the TCIBAR can be regulated by the closed-loop control of the zero-sequence current in TCI, which is directly determined by the ZSV across the TCI. Thus, the key to the neutral-point potential control is the generation of the reference and actual values of ZSV.
First, in order to obtain the reference ZSV, a double closed-loop control algorithm is constructed with PI controllers, and the control variables of the outer and inner loops are the voltage difference between bipolar DC ports (Δu) and the zero-sequence current in TCI (il0), respectively. Meanwhile, the PI controllers of Δu and il0 can be designed by referring to the classical PI parameter design method in [33,34]. Based on this control algorithm, the reference value of ZSV can be obtained. However, since there is no voltage modulation module in the DPC architecture, the accurate generation of the actual ZSV is the critical problem in the neutral-point potential control of TCIBAR.
Substituting the switching states of six virtual vectors and two zero vectors into Equation (11), the actual ZSV components in virtual vectors and zero vectors can be derived, as shown in Table 5.
It can be seen from Table 5 that the actual ZSV components in different voltage vectors are related to the neutral-point potential of the TCIBAR, which has three different cases: (1) 3 ( 1 2 ε ) U d c / 2 in virtual vectors; (2) 3 ( 1 ε ) U d c in V7; and (3) 3 ε U d c in V0. Because of the constraint that 0 < ε < 1 , the ZSV components in V0 and V7 always have the opposite signs, and the three cases of the ZSV components satisfy the following inequality:
3 ( 1 ε ) U d c > 3 ( 1 2 ε ) U d c 2 > 3 ε U d c
In addition, considering that the zero vectors do not affect the reactive power of the converter and have a weak influence on the active power, the actual ZSV can be accurately generated by inserting a zero vector (V0 or V7) with a certain duty ratio into the selected virtual vector within one control cycle. Meanwhile, the inserted zero vector and its action time are dependent on the reference value of the ZSV ( u l 0 * ) and can be categorized as the following two cases.
Case 1:
u l 0 * 3 ( 1 2 ε ) U d c 2
In this case, the reference ZSV is greater than the actual ZSV component in the virtual vector. Therefore, the zero vector V7 is inserted, and the action time can be calculated as follows:
u l 0 * T s = 3 ( 1 2 ε ) 2 U d c t m n + 3 ( 1 ε ) U d c t 7 t m n + t 7 = T s
where tmn and t7 are the action time of the selected virtual vector and the zero vector V7.
By solving the Equation (21), the action time tmn and t7 can be obtained as
t 7 = ( 2 3 u l 0 * U d c + 2 ε 1 3 ) T s t m n = 2 3 ( 1 ε u l 0 * U d c ) T s
Case 2:
u l 0 * < 3 ( 1 2 ε ) U d c 2
In this case, the zero vector V0 is inserted to synthesize the reference ZSV, and the action time can be calculated as
u l 0 * T s = 3 ( 1 2 ε ) 2 U d c t m n 3 ε U d c t 0 t m n + t 0 = T s
where t0 is the action time of V0.
Similarly, tmn and t0 can be obtained as follows:
t 0 = [ 1 3 2 3 ( u l 0 * U d c + ε ) ] T s t m n = 2 3 ( u l 0 * U d c + ε ) T s
According to the above analysis and design, the action time of the selected virtual vector and zero vector in one control cycle is obtained, and the desired ZSV can be generated accurately. On this basis, the neutral-point potential control of TCIBAR can be successfully implemented in the DPC architecture.

4.4. Overall Control Block Diagram of the Proposed VVB-DPC

Based on the above research and analysis, the overall control block diagram of the proposed VVB-DPC strategy is obtained, as shown in Figure 6.
As can be seen from Figure 6, the proposed VVB-DPC strategy mainly consists of power control and neutral-point potential control. Compared with the classic DPC strategy shown in Figure 2, the VVB-DPC strategy introduces the virtual vectors to realize the hysteresis power control of the TCIBAR and can avoid the runaway of the zero-sequence current in TCI. Besides, the neutral-point potential control of the TCIBAR can be achieved by inserting an appropriate zero vector with a certain duty ratio in one control cycle.

5. Simulation Results

To verify the performance of the proposed VVB-DPC strategy, the simulation of a TCIBAR was carried out based on the software PLECS. The sampling frequency is 20 kHz, and the rated parameters of the TCIBAR are listed in Table 6, which were used in both the simulations and experiments.
The simulations of the classic switching table and the proposed virtual-vector switching table have been performed, respectively, and the corresponding results are shown in Figure 7. As can be seen, the classic switching table causes an uncontrollable total zero-sequence current (iln) in the TCI and leads to a voltage imbalance between the bipolar DC ports. However, the proposed switching table does not affect the zero-sequence current in TCI and can realize the effective control of both the DC bus voltage and neutral-point potential, which verifies the feasibility of the proposed VVB-DPC strategy.
The simulation results under unbalanced load condition are shown in Figure 8, where only the negative DC port of TCIBAR is connected with a 13.3 Ω resistor. To better demonstrate the effect of the proposed neutral-point potential control method, the simulation results with and without the neutral-point potential control are presented in Figure 8a,b for comparison. It can be seen from Figure 8 that the proposed neutral-point potential control method can effectively eliminate the voltage imbalance between the bipolar DC ports under unbalanced load conditions.
Figure 9 further presents the dynamic simulation results of the proposed VVB-DPC strategy under balanced and unbalanced load conditions, where the unbalanced load condition is the same as above, and the balanced load condition is constructed by connecting 13.3 Ω resistors to both the positive and negative DC ports. As can be seen, the proposed VVB-DPC strategy can not only respond immediately to restore the DC bus voltage to the rated value, but also quickly rebalance the DC voltages between the bipolar DC ports after the unbalanced load is switched on.

6. Experimental Results

6.1. Experimental Prototype and Parameters

In order to verify the feasibility and effectiveness of the proposed VVB-DPC strategy, an experimental prototype of the TCIBAR is established in the laboratory, as shown in Figure 10. The digital signal processor (DSP) TMS320F28335 is selected as the main control chip of the control unit, and the sampling frequency is set as 20 kHz. The rated parameters of the experimental prototype are the same as those listed in Table 6. In the experimental prototype, the positive and negative port capacitances are designed based on the requirement of voltage drop suppression during load step, and the filter inductance is selected to reduce the high-frequency harmonics of the phase current. Meanwhile, the self-inductance and mutual inductance of the TCI are designed to meet the demands of low power loss and fast dynamic response of zero-sequence current [18]. In addition, a three-phase programmable AC source is used to generate the three-phase source voltages instead of a generator.

6.2. Steady-state Experimental Research

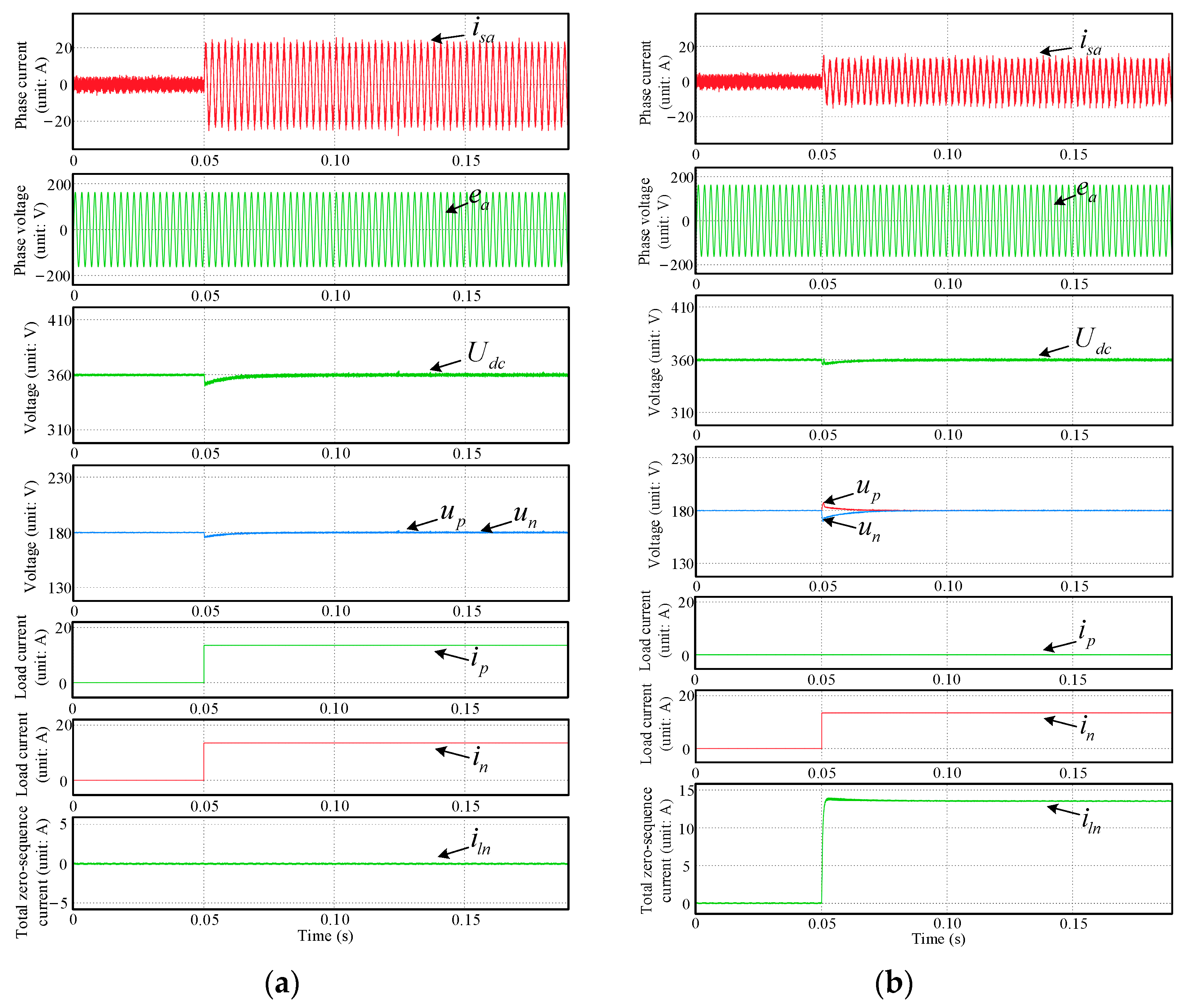
In order to test the feasibility of the proposed virtual-vector switching table for VVB-DPC, the comparative experiments of the classic switching table (Table 1) and the proposed virtual-vector switching table (Table 4) were carried out on the prototype under no-load condition, and the experimental results are shown in Figure 11.
It can be seen from Figure 11a that, if the classic switching table is used for the hysteresis power control of TCIBAR, the DC bus voltage can still be stabilized. However, since the influence of the ZSV components in basic voltage vectors on the TCIBAR is not taken into account, the zero-sequence current il0 in TCI is uncontrolled. Thus, the total zero-sequence current (iln) injected into the DC-side neutral point fluctuates greatly, which further leads to the fluctuation of the DC-side neutral-point potential and the voltage imbalance between the positive and negative DC ports.
Compared with the experimental results in Figure 11a, the proposed virtual-vector switching table can not only maintain the stability of the DC bus voltage, but it also realizes the effective control of the zero-sequence current in TCI, as shown in Figure 11b. The total zero-sequence current iln can be maintained at 0 A stably, and the voltage balance between the bipolar DC ports is achieved. Therefore, the experimental results in Figure 11 validate the feasibility and effectiveness of the proposed virtual-vector switching table.
Next, in order to research the steady-state performance of the neutral-point potential control method in the proposed VVB-DPC strategy, the experiments under unbalanced load condition have be performed on the prototype of the TCIBAR. Meanwhile, to create the unbalanced load condition, only the negative port of the TCIBAR carries a 13.3 Ω resistive load, while the positive port is unloaded. The experimental results before and after the adoption of the proposed neutral-point potential control method under unbalanced load condition are shown in Figure 12 and Figure 13, respectively.
As shown in Figure 12, since the ZSV across the TCI cannot be controlled actively, the zero-sequence current in TCI cannot be regulated accurately, and there exists a large fluctuation in the total zero-sequence current iln. Meanwhile, the DC voltages of the positive and negative ports are not balanced, and the voltage difference is about 20 V.
Based on the proposed neutral-point potential control method, the zero-sequence current in TCI can be controlled effectively and stabilized at about 13.5 A, as shown in Figure 13. Besides, it can be seen that the voltage balance between the bipolar DC ports of the TCIBAR can still be maintained under unbalanced load condition. Therefore, combining the virtual-vector switching table and the neutral-point potential control method, the proposed VVB-DPC strategy can realize the effective control of the TCIBAR and has good steady-state performance even under unbalanced load conditions.

6.3. Dynamic Experimental Research

In order to research the dynamic performance of the proposed VVB-DPC strategy, the experiments with step loads have been performed under balanced and unbalanced load conditions. In addition, the balanced load condition is built by connecting 13.3 Ω resistors to both the positive and negative ports of the TCIBAR, while only a 13.3 Ω resistor will be connected to the negative port in the unbalanced load condition.
The experimental results of the balanced step loads are shown in Figure 14. As can be seen, when the balanced step loads are connected to the bipolar DC ports of the TCIBAR, a voltage drop of about 16 V occurs on the DC bus. Owing to the proposed VVB-DPC strategy, the TCIBAR can respond immediately and increase the phase currents in time to realize the fast tracking of the load power. As shown in Figure 14, the DC bus voltage drop caused by the step loads can be compensated within 20 ms, and the DC bus voltage is restored to the rated value. Meanwhile, during the whole dynamic process, the TCIBAR can maintain the voltage balance between the positive and negative ports, and the total zero-sequence current iln can be controlled at 0 A stably.
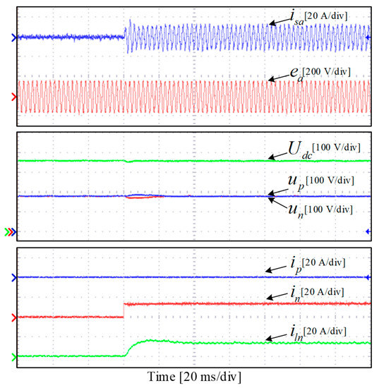
Figure 15 shows the dynamic experimental results of the unbalanced step loads. As can be seen from Figure 15, the total DC bus voltage drops by about 10 V when the unbalanced loads are switched on. Moreover, since the loads are severely unbalanced, a potential drift occurs at the DC-side neutral point of the TCIBAR, which further leads to a voltage imbalance between the positive and negative DC ports. Meanwhile, the maximum voltage difference between the DC ports is about 25 V in the dynamic process. With the proposed VVB-DPC strategy, the TCIBAR can make a quick response to the unbalanced load step. On the one hand, the phase currents of the TCIBAR are increased immediately once the voltage drop of DC bus is detected, and the DC bus voltage can be restored to the rated value within 10 ms. On the other hand, by actively regulating the zero-sequence current in TCI, the neutral-point potential drift can be eliminated, and the DC voltages of the positive and negative ports are rebalanced within 30 ms.
The above load step experimental results show that the proposed VVB-DPC strategy has good dynamic performance on the power control and neutral-point potential control of the TCIBAR, and it can adapt well to both the balanced and unbalanced load conditions. In addition, the experimental results of the proposed VVB-DPC strategy are consistent with the simulation results in Section 5.

7. Conclusions

In this paper, a VVB-DPC strategy is presented for the TCIBAR. Based on the proposed VVB-DPC strategy, the TCIBAR can generate the balanced bipolar DC power supply for MEA under different load conditions. Compared to the classic DPC strategy, the proposed VVB-DPC strategy adopts the derived virtual vectors to establish a new switching table for TCIBAR, and the derived virtual vectors can realize the hysteresis power control of TCIBAR without causing the runaway of the zero-sequence current in TCI. Meanwhile, the proposed VVB-DPC strategy incorporates the neutral-point potential control of the TCIBAR. By inserting an appropriate zero vector with a certain duty ratio in one control cycle, the voltage balance between the bipolar DC ports of the TCIBAR can be maintained even under unbalanced load conditions. The experimental results prove the feasibility and effectiveness of the proposed VVB-DPC strategy in the power control and neutral-point potential control of the TCIBAR. Thus, the proposed VVB-DPC strategy can be considered as a competitive scheme to promote the application of the TCIBAR in the power supply system of future MEAs.

Author Contributions

Conceptualization, methodology, software, validation, formal analysis, investigation, writing—original draft preparation and visualization, Y.Z.; resources, data curation, and supervision, Y.Z. and W.H.; writing—review and editing, Y.Z., W.H. and F.B.; funding acquisition, F.B. All authors have read and agreed to the published version of the manuscript.

Funding

This research was funded by the National Natural Science Foundation of China under Grant 52177050.

Data Availability Statement

Not applicable.

Conflicts of Interest

The authors declare no conflict of interest.

References

  1. Wheeler, P.; Bozhko, S. The more electric aircraft: Technology and challenges. IEEE Electrif. Mag. 2014, 2, 6–12. [Google Scholar] [CrossRef]
  2. Rajashekara, K. Power conversion technologies for automotive and aircraft systems. IEEE Electrif. Mag. 2014, 2, 50–60. [Google Scholar] [CrossRef]
  3. Emadi, K.; Ehsani, M. Aircraft power systems: Technology, state of the art, and future trends. IEEE Aero. Electron. Sys. Mag. 2000, 15, 28–32. [Google Scholar] [CrossRef]
  4. Roboam, X. New trends and challenges of electrical networks embedded in more electrical aircraft. In Proceedings of the IEEE International Symposium on Industrial Electronics, Gdansk, Poland, 27–30 June 2011. [Google Scholar]
  5. Li, W.; Yang, Y.; Zhang, X. Digital generator control unit design for a variable frequency synchronous generator in MEA. Energies 2018, 11, 96. [Google Scholar] [CrossRef]
  6. Lei, T.; Min, Z.; Gao, Q.; Song, L.; Zhang, X.; Zhang, X. The architecture optimization and energy management technology of aircraft power systems: A review and future trends. Energies 2022, 15, 4109. [Google Scholar] [CrossRef]
  7. Chen, J.W.; Wang, C.; Chen, J. Investigation on the selection of electric power system architecture for future more electric aircraft. IEEE Trans. Transp. Electrif. 2018, 4, 563–576. [Google Scholar] [CrossRef]
  8. Sarlioglu, B.; Morris, C.T. More electric aircraft: Review, challenges, and opportunities for commercial transport aircraft. IEEE Trans. Transp. Electrif. 2015, 1, 54–64. [Google Scholar] [CrossRef]
  9. Jia, Y.; Rajashekara, K. Induction machine for more electric aircraft: Enabling new electrical power system architectures. IEEE Electrif. Mag. 2017, 5, 25–37. [Google Scholar] [CrossRef]
  10. Karanayil, B.; Ciobotaru, M.; Agelidis, V.G. Power flow management of isolated multiport converter for more electric aircraft. IEEE Trans. Power Electron. 2017, 32, 5850–5861. [Google Scholar] [CrossRef]
  11. Ojeda-Rodriguez, A.; Gonzalez-Vizuete, P.; Bernal-Mendez, J.; Martin-Prats, M.A. A survey on bidirectional DC/DC power converter topologies for the future hybrid and all electric aircrafts. Energies 2020, 13, 4883. [Google Scholar] [CrossRef]
  12. Brombach, J.; Lucken, A.; Nya, B.; Johannsen, M.; Schulz, D. Comparison of different electrical HVDC architectures for aircraft application. In Proceedings of the Electrical Systems for Aircraft, Railway and Ship Propulsion, Bologna, Italy, 16–18 October 2012. [Google Scholar]
  13. Roboam, X.; Sareni, B.; Andrade, A.D. More electricity in the air: Toward optimized electrical networks embedded in more-electrical aircraft. IEEE Ind. Electron. Mag. 2012, 6, 6–17. [Google Scholar] [CrossRef]
  14. Madonna, V.; Giangrande, P.; Galea, M. Electrical power generation in aircraft: Review, challenges, and opportunities. IEEE Trans. Transp. Electrif. 2018, 4, 646–659. [Google Scholar] [CrossRef]
  15. Nuutinen, P.; Pinomaa, A.; Peltoniemi, P.; Kaipia, T.; Karppanen, J.; Silventoinen, P. Common-mode and RF EMI in a low-voltage DC distribution network with a PWM grid-tie rectifying converter. IEEE Trans. Smart Grid 2017, 8, 400–408. [Google Scholar] [CrossRef]
  16. Wang, F.; Lei, Z.; Xu, X.; Shu, X. Topology deduction and analysis of voltage balancers for DC microgrid. IEEE J. Emerg. Sel. Top. Power Electron. 2017, 5, 672–680. [Google Scholar] [CrossRef]
  17. Perera, C.; Salmon, J.; Kish, G.J. Multiport converter with independent control of ac and dc power flows for bipolar dc distribution. IEEE Trans. Power Electron. 2021, 36, 3473–3485. [Google Scholar] [CrossRef]
  18. Li, Y.; Junyent-Ferre, A.; Rodriguez-Bernuz, J.M. A three-phase active rectifier topology for bipolar dc distribution. IEEE Trans. Power Electron. 2018, 33, 1063–1074. [Google Scholar] [CrossRef]
  19. Zhao, Y.; Huang, W.; Bu, F. DC voltage balancing strategy of a bipolar-output active rectifier for more electric aircraft based on zero vector redistribution. IEEE Access 2021, 9, 139657–139667. [Google Scholar] [CrossRef]
  20. Zhang, Y.; Qu, C. Direct power control of a pulse width modulation rectifier using space vector modulation under unbalanced grid voltages. IEEE Trans. Power Electron. 2015, 30, 5892–5901. [Google Scholar] [CrossRef]
  21. Malinowski, M.; Kazmierkowski, M.P.; Hansen, S.; Blaabjerg, F.; Marques, G.D. Virtual-flux-based direct power control of three-phase PWM rectifiers. IEEE Trans. Ind. Appl. 2001, 37, 1019–1027. [Google Scholar] [CrossRef]
  22. Zhang, Y.; Jiao, J.; Liu, J.; Gao, J. Direct power control of PWM rectifier with feedforward compensation of DC-bus voltage ripple under unbalanced grid conditions. IEEE Trans. Ind. Appl. 2019, 55, 2890–2901. [Google Scholar] [CrossRef]
  23. Yan, S.; Yang, Y.; Hui, S.Y.; Blaabjerg, F. A review on direct power control of pulsewidth modulation converters. IEEE Trans. Power Electron. 2021, 36, 11984–12007. [Google Scholar] [CrossRef]
  24. Escobar, G.; Stankovic, A.M.; Carrasco, J.M.; Galvan, E.; Ortega, R. Analysis and design of direct power control (DPC) for a three phase synchronous rectifier via output regulation subspaces. IEEE Trans. Power Electron. 2003, 18, 823–830. [Google Scholar] [CrossRef]
  25. Noguchi, T.; Tomiki, H.; Kondo, S.; Takahashi, I. Direct power control of PWM converter without power-source voltage sensors. IEEE Trans. Ind. Appl. 1998, 34, 473–479. [Google Scholar] [CrossRef]
  26. Ge, J.; Zhao, Z.; Yuan, L.; Lu, T.; He, F. Direct power control based on natural switching surface for three-phase PWM rectifiers. IEEE Trans. Power Electron. 2015, 30, 2918–2922. [Google Scholar] [CrossRef]
  27. Sato, A.; Noguchi, T. Voltage-source PWM rectifier–inverter based on direct power control and its operation characteristics. IEEE Trans. Power Electron. 2011, 26, 1559–1567. [Google Scholar] [CrossRef]
  28. Alonso-Martinez, J.; Carrasco, J.E.; Arnaltes, S. Table-based direct power control: A critical review for microgrid applications. IEEE Trans. Power Electron. 2010, 25, 2949–2961. [Google Scholar] [CrossRef]
  29. Zhang, Y.; Qu, C.; Gao, J. Performance improvement of direct power control of PWM rectifier under unbalanced network. IEEE Trans. Power Electron. 2017, 32, 2319–2328. [Google Scholar] [CrossRef]
  30. Baktash, A.; Vahedi, A.; Masoum, M.A.S. Improved switching table for direct power control of three-phase PWM rectifier. In Proceedings of the Australasian Universities Power Engineering Conference, Perth, WA, Australia, 9–12 December 2007. [Google Scholar]
  31. Bouafia, A.; Gaubert, J.P.; Krim, F. Analysis and design of new switching table for direct power control of three-phase PWM rectifier. In Proceedings of the 13th International Power Electronics and Motion Control Conference, Poznan, Poland, 1–3 September 2008. [Google Scholar]
  32. Zhang, Y.; Qu, C. Table-based direct power control for three-phase AC/DC converters under unbalanced grid voltages. IEEE Trans. Power Electron. 2015, 30, 7090–7099. [Google Scholar] [CrossRef]
  33. Kong, X.; Yuan, Y.; Li, P.; Wang, Y.; Lin, J. The design and analysis of the PI regulator of three-phase voltage source PWM rectifier. In Proceedings of the 2015 IEEE Region 10 Conference, Macao, China, 1–4 November 2015. [Google Scholar]
  34. Wei, K.; Wang, S. Modeling and simulation of three-phase voltage source PWM rectifier. In Proceedings of the International Conference on Advanced Computer Theory and Engineering, Phuket, Thailand, 20–22 December 2008. [Google Scholar]
Figure 1. Main circuit topology of TCIBAR.
Figure 1. Main circuit topology of TCIBAR.
Energies 16 03038 g001
Figure 2. Control diagram of the classic DPC strategy. The superscript * represents the reference value of the variable.
Figure 2. Control diagram of the classic DPC strategy. The superscript * represents the reference value of the variable.
Energies 16 03038 g002
Figure 3. Sector division in the classic DPC strategy.
Figure 3. Sector division in the classic DPC strategy.
Energies 16 03038 g003
Figure 4. Proposed virtual vectors and corresponding switching sequences.
Figure 4. Proposed virtual vectors and corresponding switching sequences.
Energies 16 03038 g004
Figure 5. Effect of voltage vectors on power variation of TCIBAR when E in sector θ3. (a) Effect of V56. (b) Area division based on power variation rate.
Figure 5. Effect of voltage vectors on power variation of TCIBAR when E in sector θ3. (a) Effect of V56. (b) Area division based on power variation rate.
Energies 16 03038 g005
Figure 6. Control block diagram of the proposed VVB-DPC strategy. The superscript * represents the reference value of the variable.
Figure 6. Control block diagram of the proposed VVB-DPC strategy. The superscript * represents the reference value of the variable.
Energies 16 03038 g006
Figure 7. Simulation results of different switching tables under no-load condition. (a) Classic switching table. (b) Proposed virtual-vector switching table.
Figure 7. Simulation results of different switching tables under no-load condition. (a) Classic switching table. (b) Proposed virtual-vector switching table.
Energies 16 03038 g007
Figure 8. Simulation results under unbalanced load conditions. (a) Without proposed neutral-point potential control method. (b) With proposed neutral-point potential control method.
Figure 8. Simulation results under unbalanced load conditions. (a) Without proposed neutral-point potential control method. (b) With proposed neutral-point potential control method.
Energies 16 03038 g008
Figure 9. Dynamic simulation results of the proposed VVB-DPC strategy. (a) Under balanced load condition. (b) Under unbalanced load condition.
Figure 9. Dynamic simulation results of the proposed VVB-DPC strategy. (a) Under balanced load condition. (b) Under unbalanced load condition.
Energies 16 03038 g009
Figure 10. Experimental prototype of TCIBAR.
Figure 10. Experimental prototype of TCIBAR.
Energies 16 03038 g010
Figure 11. Steady-state experimental results of different switching tables under no-load condition. (a) Classic switching table. (b) Proposed virtual-vector switching table.
Figure 11. Steady-state experimental results of different switching tables under no-load condition. (a) Classic switching table. (b) Proposed virtual-vector switching table.
Energies 16 03038 g011
Figure 12. Steady-state experimental results of TCIBAR without the proposed neutral-point potential control method under unbalanced load condition.
Figure 12. Steady-state experimental results of TCIBAR without the proposed neutral-point potential control method under unbalanced load condition.
Energies 16 03038 g012
Figure 13. Steady-state experimental results of TCIBAR with the proposed neutral-point potential control method under unbalanced load condition.
Figure 13. Steady-state experimental results of TCIBAR with the proposed neutral-point potential control method under unbalanced load condition.
Energies 16 03038 g013
Figure 14. Dynamic experimental results of the proposed VVB-DPC strategy under balanced step load condition.
Figure 14. Dynamic experimental results of the proposed VVB-DPC strategy under balanced step load condition.
Energies 16 03038 g014
Figure 15. Dynamic experimental results of the proposed VVB-DPC strategy under unbalanced step load condition.
Figure 15. Dynamic experimental results of the proposed VVB-DPC strategy under unbalanced step load condition.
Energies 16 03038 g015
Table 1. Switching table of Classic DPC strategy.
Table 1. Switching table of Classic DPC strategy.
sPsQθ1θ2θ3θ4θ5θ6θ7θ8θ9θ10θ11θ12
00V6V1V1V2V2V3V3V4V4V5V5V6
01V1V2V2V3V3V4V4V5V5V6V6V1
10V6V7V1V0V2V7V3V0V4V7V5V0
11V7V7V0V0V7V7V0V0V7V7V0V0
Table 2. ZSV components in basic voltage vectors.
Table 2. ZSV components in basic voltage vectors.
VectorsSaSbScul0
V0000 3 ε U d c
V1100 ( 1 / 3 3 ε ) U d c
V2110 ( 2 / 3 3 ε ) U d c
V3010 ( 1 / 3 3 ε ) U d c
V4011 ( 2 / 3 3 ε ) U d c
V5001 ( 1 / 3 3 ε ) U d c
V6101 ( 2 / 3 3 ε ) U d c
V7111 3 ( 1 ε ) U d c
Table 3. Switching functions and ZSV components of virtual vectors.
Table 3. Switching functions and ZSV components of virtual vectors.
VectorsSaSbScul0
V12 1 1 λ 0 ( 2 λ 3 ε ) U d c / 3
V23 1 λ 1 0 ( 2 λ 3 ε ) U d c / 3
V34 0 1 1 λ ( 2 λ 3 ε ) U d c / 3
V45 0 1 λ 1 ( 2 λ 3 ε ) U d c / 3
V56 1 λ 0 1 ( 2 λ 3 ε ) U d c / 3
V61 1 0 1 λ ( 2 λ 3 ε ) U d c / 3
Table 4. Virtual-vector switching table for VVB-DPC.
Table 4. Virtual-vector switching table for VVB-DPC.
sPsQθ1θ2θ3θ4θ5θ6θ7θ8θ9θ10θ11θ12
00V61V61V12V12V23V23V34V34V45V45V56V56
01V12V12V23V23V34V34V45V45V56V56V61V61
10V45V56V56V61V61V12V12V23V23V34V34V45
11V23V34V34V45V45V56V56V61V61V12V12V23
Table 5. Actual ZSV components in virtual vectors and zero vectors.
Table 5. Actual ZSV components in virtual vectors and zero vectors.
VectorsSaSbScul0
V1210.50 3 ( 1 2 ε ) U d c / 2
V230.510 3 ( 1 2 ε ) U d c / 2
V34010.5 3 ( 1 2 ε ) U d c / 2
V4500.51 3 ( 1 2 ε ) U d c / 2
V560.501 3 ( 1 2 ε ) U d c / 2
V61100.5 3 ( 1 2 ε ) U d c / 2
V0000 3 ε U d c
V7111 3 ( 1 ε ) U d c
Table 6. Parameters of the TCIBAR.
Table 6. Parameters of the TCIBAR.
ParameterSymbolValue
Rated powerP5 kW
Rated DC bus voltageUdc360 V
Rated positive voltageup180 V
Rated negative voltageun180 V
RMS value of AC-source phase voltageEac115 V
Frequency of AC sourcefac400 Hz
Positive port capacitanceCp6600 μF
Negative port capacitanceCn6600 μF
Filter inductanceLs1.5 mH
Self-inductance of TCIL0.526 H
Mutual inductance of TCIM0.259 H
Disclaimer/Publisher’s Note: The statements, opinions and data contained in all publications are solely those of the individual author(s) and contributor(s) and not of MDPI and/or the editor(s). MDPI and/or the editor(s) disclaim responsibility for any injury to people or property resulting from any ideas, methods, instructions or products referred to in the content.

Share and Cite

MDPI and ACS Style

Zhao, Y.; Huang, W.; Bu, F. Virtual Vector-Based Direct Power Control of a Three-Phase Coupled Inductor-Based Bipolar-Output Active Rectifier for More Electric Aircraft. Energies 2023, 16, 3038. https://doi.org/10.3390/en16073038

AMA Style

Zhao Y, Huang W, Bu F. Virtual Vector-Based Direct Power Control of a Three-Phase Coupled Inductor-Based Bipolar-Output Active Rectifier for More Electric Aircraft. Energies. 2023; 16(7):3038. https://doi.org/10.3390/en16073038

Chicago/Turabian Style

Zhao, Yajun, Wenxin Huang, and Feifei Bu. 2023. "Virtual Vector-Based Direct Power Control of a Three-Phase Coupled Inductor-Based Bipolar-Output Active Rectifier for More Electric Aircraft" Energies 16, no. 7: 3038. https://doi.org/10.3390/en16073038

APA Style

Zhao, Y., Huang, W., & Bu, F. (2023). Virtual Vector-Based Direct Power Control of a Three-Phase Coupled Inductor-Based Bipolar-Output Active Rectifier for More Electric Aircraft. Energies, 16(7), 3038. https://doi.org/10.3390/en16073038

Note that from the first issue of 2016, this journal uses article numbers instead of page numbers. See further details here.

Article Metrics

Back to TopTop