Next Article in Journal
Method Selection for Analyzing the Mesopore Structure of Shale—Using a Combination of Multifractal Theory and Low-Pressure Gas Adsorption
Next Article in Special Issue
Eventual Increase in Solar Electricity Production and Desalinated Water through the Formation of a Channel between the Mediterranean and the Dead Sea
Previous Article in Journal
Thermo-Statistical Investigation of the Solar Air Collector Using Least Angle Regression
 
 
Font Type:
Arial Georgia Verdana
Font Size:
Aa Aa Aa
Line Spacing:
Column Width:
Background:
Article

Integration of Stand-Alone Controlled Active Power Filters in Harmonic Power Flow of Radial Distribution Networks

1
Electrical Engineering Department, Iran University of Science and Technology (IUST), Tehran 16846-13114, Iran
2
Faculty of Electrical and Computer Engineering, University of Birjand, Birjand 97174-34765, Iran
3
LAETA/INEGI, Faculty of Engineering, University of Porto, 4200-465 Porto, Portugal
*
Author to whom correspondence should be addressed.
Energies 2023, 16(5), 2463; https://doi.org/10.3390/en16052463
Submission received: 31 January 2023 / Revised: 18 February 2023 / Accepted: 2 March 2023 / Published: 4 March 2023

Abstract

Utilization of active power filters (APFs) is the most efficient method to reduce harmonic pollution in distribution networks. Previous approaches utilized APFs in integrated control schemes based on broad data-gathering systems. Since a broad data-gathering system is not available in most practical distribution networks, previously proposed approaches may not readily be implemented. This paper presents the utilization of stand-alone controlled APFs (SACAPFs) in radial distribution networks. Utilizing APFs with a stand-alone control system decreases implementation costs and complexity by making them autonomous and independent of integrated control systems, which are complicated and expensive in practical applications. In this paper, a single SACAPF is modeled as a dependent current source where its injection current is equal in amplitude but opposite in phase compared to the harmonic content of the current passing through the point of common coupling (reference current). Due to the presence of both linear and nonlinear loads in the distribution network, the reference current changes after injection by SACAPF, so it is necessary to modify the injection current until reaching a constant value in the reference current. This is considered via an iterative procedure in the modeling scheme. Operation of multiple SACAPFs is handled using a backward procedure based on a priority list. Simulation results on an IEEE 18-bus test system show the proper operation of the stand-alone control systems for both single and multiple SACAPF implementation. Furthermore, optimal allocation of the proposed SACAPFs is performed in an IEEE 33-bus test network and a 9-bus test network, and the results are discussed and compared with the allocation of integrated control system APFs.

1. Introduction

Harmonic pollution is one of the main concerns in power quality (PQ) problems in modern power systems. Harmonic pollution can lead to different problems, such as the maloperation of protective relays, excessive heating, and extra losses [1]. The major source of harmonic pollution is the presence of nonlinear loads, which are directly or indirectly connected to distribution networks. Due to the growing use of power electronic devices [2,3] in recent years, there has been an increasing concern about this subject. Hence, it is necessary to design and implement proper methods to reduce harmonic pollution.
Filtering harmonic currents by passive or active power filters (APFs) is one of the best ways to reduce harmonic pollution in distribution networks [4]. Passive filters deal with harmonic currents by directing them into a bypass path, while active filters eliminate harmonic currents by injecting a current that is equal in amplitude but in the opposite phase with respect to the harmonic content of the nonlinear loads [5,6,7,8,9].
In distribution networks, passive filters cannot compensate for harmonic currents effectively because of some problems, such as time-varying harmonics and the widespread utilization of small power electronic-based devices [2,5]. In contrast to passive filters, APFs can compensate for harmonic currents in distribution networks more significantly and efficiently thanks to the flexibility of their power electronic elements [10,11].
A schematic diagram of an APF, which is used to protect the source from the harmonic current of a nonlinear load, is shown in Figure 1. In this system, the control system is working to determine proper switching patterns of the power electronic switches incorporated in the filter structure in order to compensate harmonic content of the nonlinear loads’ currents adequately and make the source current (the current flowing through the upstream branch at the point of common coupling (PCC)) as pure sinusoidal as possible.
The application of APFs in distribution networks was recently studied by many power system researchers. Grady et al. [12] developed an APF to minimize the voltage harmonics of all of the network buses. Grady et al. [13] optimized the injected current of an APF regarding different objective functions, such as voltage distortion, telephone interference factor, and motor load losses. Chang et al. [14] optimized the allocation (sitting and sizing) problem of an APF. The allocation of multiple APFs was explained in the work of Chang et al. [15] for the first time. More recently, the focus on APF research in distribution networks has shifted to optimization methodology. Some papers [16,17,18] employed analytical methods. However, due to the main disadvantage of analytical methods (i.e., sensitivity to local optima), evolutionary algorithms were applied to the APF allocation problem [5,19,20,21,22,23]. A decision tree-based algorithm for the allocation of APFs was proposed in [24], and software based on a brute force algorithm, tested on a low voltage network, was developed in [25]. Zhao et al. [4] used a chance-constrained algorithm to consider uncertainty in the APF allocation problem. The application of multiobjective approaches was demonstrated by Shivaie et al. [6] and Carpinelli et al. [26]. Furthermore, Carpillei et al. [27] took the uncertainty into account for multiobjective programming procedures. A detailed review of the applied methods for the allocation of APFs was discussed in [28].
The common strategy of many published papers in the field of APF application in distribution networks is the utilization of an integrated control system for APFs. Figure 2a shows a schematic diagram of such an integrated control system. In this system, all of the network information, including network structure and the condition of linear and nonlinear loads, are available, and the current to be injected by the APFs is determined based on data processing in an integrated control system.
Since there is no available broad infrastructure in most practical distribution networks, none of the previous approaches are readily applicable. Hence, this paper proposes the utilization of standalone controlled APFs (SACAPFs) in distribution networks. In an SACAPF, the current injected by the filter is determined based on local information. In other words, the flowing current to the downstream branches at the PCC is utilized to determine the SACAPF injection current (as explained).
The operational approach diagram of the SACAPF is shown in Figure 2b where it is clear that the current injected by the SACAPF is determined only based on local information. The main advantage of stand-alone control systems over integrated control systems is that there is no need to utilize a broad data transmission infrastructure, so there is a considerable decrease in implementation costs. It is worth mentioning that due to the harmonic content of transmitted information, the required transmission infrastructure would be more expensive than that required for a fundamental current. Furthermore, the utilization of stand-alone control systems is simpler and more practical compared to integrated control systems.
The implementation of a single SACAPF was performed based on the behavior of the SACAPF in the harmonic power flow (HPF) procedure presented in Section 2.2 and was developed for multiple SACAPFs in Section 2.3. The implementation procedure presented in this paper is explained in three stages. In the first stage, HPF for networks with no SACAPF is discussed. In the second stage, the modeling of stand-alone control systems in the HPF procedure is presented for networks with only one SACAPF. In the third stage, the HPF procedure is extended to multiple SACAPFs. The results of this paper would be completely applicable in an analysis of SACAPF operation as well as the allocation of SACAPFs in electric power distribution networks.
Detailed explanations about the proposed HPF are presented in Section 2. Section 3 discusses the allocation of SACAPFs in distribution networks. Two simulation studies are presented in Section 4. In the first study, the proposed HPF procedure was tested on a modified 18-bus IEEE test network, and in the second study, the allocation of SACAPFs was performed on a 33-bus IEEE test network and a 9-bus test network. Finally, some concluding remarks are given in Section 5.

2. Modeling of APFs with Stand-Alone Control Systems (SACAPFs)

According to the SACAPF’s injected current, an SACAPF can be modeled as a dependent current source at different harmonic orders. Therefore, the operation of an SACAPF in distribution networks affects the operation of the other installed SACAPFs in that network. Hence, in this paper, a backward procedure is proposed to handle the operation of multiple SACAPFs in HPF. The operation procedure of SACAPFs in HPF is explicitly presented in the following sections.

2.1. Harmonic Power Flow for Networks with No SACAPF

HPF is a tool for calculating harmonic voltages and harmonic currents in different nodes and branches of power networks. HPF methods are basically classified into two main groups, including time-domain (TDHPF) and frequency-domain (FDHPF) methods. The TDHPF methods solve differential equations of the network using numerical techniques, while the FDHPF methods are an extension or reformulation of the conventional power flow (CPF) to include both fundamental and harmonic frequencies. FDHPF methods are used in most harmonic problems due to the high calculation burden required in TDHPF methods for determining the steady-state network currents and voltages [29]. There are several methods published in the literature which focus on FDHPF. Some of these solve HPF for all harmonics in a coupled manner, so harmonic voltages for each harmonic are dependent on the voltages of other harmonics (for example, iterative harmonic penetration, simplified harmonic load flow, and complete harmonic load flow). Other FDHPF methods neglect correlation between harmonics (actually, these methods suppose no interaction between network and nonlinear loads) and calculate harmonic voltages for each harmonic independently (for example, the harmonic penetration method) [29]. In addition to complexity and time consumption, coupled methods need exact information about nonlinear loads, including their dependency on the harmonic content of the supplied voltage. In some cases, these methods cannot be practically employed due to a large number of installed nonlinear loads throughout the network. Although decoupled methods are less accurate compared to coupled ones, the simplicity and promptitude of these methods have led them to be used in many research works [30].
In the harmonic penetration method, network voltages at the fundamental frequency are calculated using CPF considering nonlinear loads as PQ buses (constant power). The harmonic current of nonlinear loads for each harmonic order is then calculated using (1) [31,32,33,34]:
i n b h = c h · i n b 1 ,
where c h is the current injection factor and can be estimated by field test and Fourier analysis for all customers along the feeder [30,32,33,34,35,36], and i n b 1 is the current of nonlinear loads at the fundamental frequency calculated by (2):
i n b 1 = P n b + i · Q n b V b 1 * .
For each harmonic order, nonlinear loads are assumed as current sources, and harmonic voltages are calculated by the node voltage method using the admittance matrix. To build the admittance matrix for each harmonic, the harmonic model of linear components is needed, and if the skin effect is ignored, the admittances of linear loads, shunt capacitors, and line feeders are expressed by:
y l b h = P l b V b 1 2 i Q l b h · V b 1 2 ,
y c b h = h · y c b 1 ,
y b , b + 1 h = 1 r b , b + 1 + i · h · x b , b + 1 .
Therefore, the admittance matrix for each harmonic is built as follows:
Y a , b h = y a , b h                                           i f   a b y a 1 , b + y a + 1 , b + y c b h + y l b h       i f   a = b .
Note that y a 1 , b and y a + 1 , b are the symbols of the lines connected to bus B (the number of connected lines can be more or less than two depending on the network structure).
By means of the node voltage method, harmonic voltages for each harmonic are given as:
V h = Y h 1 · I h .
Finally, after calculating the network voltages for all harmonic orders, the total harmonic distortion ( T H D b ) and individual harmonic distortion ( I H D b h ) factors for network voltages can be examined by (8) and (9), respectively:
T H D b = h = 2 H v b h 2 v b 1 ,
I H D b h = v b h v b 1 .

2.2. Harmonic Power Flow for Networks Equipped with a Single SACAPF

SACAPFs are a combination of power electronic switches and energy storage devices. The stand-alone control system of an SACAPF acts as the brain of the filter and determines the pattern of switching based on the current flowing through the downstream branch at the PCC to improve the current of the upstream branch into pure sinusoidal. It should be noted that the rating of filters is limited to the size of energy storage and switching elements incorporated in the structure of the filters. If the RMS value of the harmonic current flowing through the downstream branch at the PCC is more than the SACAPF rating, the filter injects current at the PCC at its full rating. Therefore, using this simple but novel assumption, modeling of an SACAPF in the HPF procedure can be achieved. Moreover, the current injected by the filter should be equal to the whole or part of the harmonic current flowing through the PCC, which is given as:
i SACAPF t = h 1 2 · λ · i PCC , h · sin h ω t + φ PCC , h ,
where λ is the compensation rate and determines the amount of current reduction as follows:
λ = 1 max 1 , i PCC , rms S SACAPF ,
where S SACAPF is the rating of the filter dependent on the size of the energy storage element incorporated in the filter structure. The energy storage element, usually a capacitor, should be capable of supplying the variation of injection current; hence, the size of the SACAPF is directly dependent on the size of this element, and the injection current of the filter should be limited below its rating.
It should be noted that the focus of this paper is on the application of SACAPFs in distribution networks. The control strategy of the filters is assumed ideal and, thus, out of the scope of the paper. Related works can be found in references [7,8,9].
As it is inferred from the equation, in the overload condition of the SACAPF, the injected current in all harmonic orders is downgraded equally, aimed at keeping the injected current in the maximum allowable value. This procedure could be readily customized by the SACAPF designer. Hence, some harmonic orders can be specified to have higher priority than others in the downgrading procedure.
It is clear that the harmonic current flowing to the downstream branch of the PCC (reference current) is a combination of linear and nonlinear load harmonic current. Due to the decoupled assumption on different harmonic orders, the operation of an SACAPF in the harmonic penetration (HP) method does not affect the currents and voltage condition of the system at the fundamental frequency. Hence, from (1) and (2), the harmonic currents of nonlinear loads remain constant, whereas the harmonic currents of linear loads change. This is due to the fact that the harmonic current of linear loads depends on the harmonic content of the supplied voltage at the connection point (injection by the SACAPF changes I h results in variation of V h ). In other words, linear loads are modeled as constant impedances in different harmonic orders [32]. Hence, linear load currents are affected by the injection currents anywhere in the network. Actually, the harmonic content of the reference current changes after the current injection by the SACAPF. Therefore, it is required to update the switching pattern (current injection) until reaching a stable condition in which there is no change in the harmonic content of the reference current in two consequent iterations of the SACAPF operation.

2.3. Harmonic Power Flow for Networks Equipped with Multiple SACAPFs

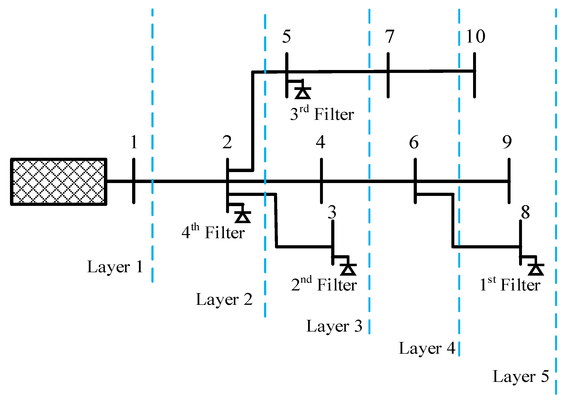
Herein, a backward procedure is proposed to calculate the current injected by the SACAPFs in radial distribution networks equipped with multiple SACPAFs. The proposed procedure is based on a priority list that sorts the SACAPFs by their distance from the main substation. To form the priority list, first, it is needed to sort the network layers, and then the highest priority is assigned to the SACAPF installed in the layer farthest from the main substation. As the location layer of the filter is increased, the priority of the corresponding filter is also increased. Figure 3 illustrates an example of a layered network with a priority list of SACAPFs.
Now, beginning with the priority list, the current injected by each SACAPF is calculated based on the explanations in Section 2.2, while the currents injected by other SACAPFs are assumed to be constant (in the first iteration, the currents injected by other filters are zero). This process continues until there is no change in the harmonic currents at all PCCs in two consecutive iterations. Figure 4 shows the flowchart of the proposed procedure.

3. Allocation of SACAPFs

Allocation of SACAPFs is the procedure of determining the optimal sizes and locations of SACAPFs to yield desired network harmonic conditions. Each SACAPF helps improve power quality by compensating for harmonic currents, which are the main source of harmonic pollution.
The objective function of the allocation problem is the summation of the cost of APFs as follows:
min C T = i = 1 N A C S i SACAPF ,
where C S i SACAPF is the cost of the i t h SACAPF and is calculated using (13).
C S i SACAPF = C fix + C var · S i SACAPF ,
where C fix and C var are factors of fixed and variable costs of SACAPFs, respectively.
Constraints of the allocation problem related to the size of the SACAPFs and the condition of the network are stated as follows:
i i rms ,   SACAPF S i SACAPF ,         for   i = 1 , 2 , 3 , , N A ,
S i SACAPF   Ω ,                       for   i = 1 , 2 , 3 , , N A ,
T H D b T H D max ,                 for   b = 1 , 2 , 3 , , N B ,
I H D b I H D max ,                   for   b = 1 , 2 , 3 , , N B ,
Equations (14) and (15) are related to the SACAPFs where (14) enforces the total current of each SACAPF below the rating of the corresponding SACAPF, and (15) reveals that the rating of the SACAPFs should be selected from standard values. Equations (16) and (17) are related to the harmonic condition of the network where both THD and IHD of the network voltages should be less than the maximum allowable values.
As the ratings of SACAPFs are discrete values chosen from a set of standard values, the determination of optimal sizes (ratings) is a mixed integer problem, and due to the nonlinear behavior of power systems, the allocation problem of SACAPFs is a mixed integer nonlinear problem (MINLP). A PSO algorithm was hired as the optimization tool for the allocation of the proposed SACAPFs. The structure of the utilized particles is illustrated in Figure 5, where each particle is a vector including a number of cells (equal to the number of candidate locations); each cell represents the rating of the SACAPF that should be installed on the corresponding candidate location.
The location of the particles in each iteration of the optimization procedure is updated based on the following equations:
V i k + 1 = ω V i k + c 1 · r 1 · Pbest i k X i k + c 2 · r 2 · Gbest k X i k ,
X i k + 1 = X i k + V i k + 1 ,
where k is the iteration number; ω ,   c 1 , and c 2 are weight parameters; and r 1 and r 2 are random values ranging from 0 to 1. Particles in each iteration are evaluated based on the following fitness function:
F = C t + P 1 b = 1 N B max 0 ,   T H D b T H D max + P 2 b = 1 N B h = 3 ,   5 , max 0 ,   I H D b h I H D max .
The optimization procedure performs the following steps to estimate the optimum solution:
  • Evaluate all particles;
  • Update Pbests and Gbest ;
  • If the convergence criteria are satisfied, report Gbest as the optimum solution, else go to 4;
  • Update the location of particles (18) and (19);
  • Go to 1.
In this paper, the number of iterations is large enough to guarantee convergence. The number of iterations and basic parameters of the PSO algorithm are designed using sensitivity analysis and are reported for each study in the corresponding section.

4. Simulation Results and Comparison

The simulation results were tested in two studies. In the first study, the proposed algorithm for modeling SACAPFs in the HPF procedure was tested, and the optimal allocation of SACAPFs was determined in the second study.

4.1. Modeling of SACAPFs in HPF Procedure

The algorithm proposed for modeling stand-alone control systems in HPF was tested on a modified 18-bus IEEE test network simulated in MATLAB software. Detailed data of the network branches and linear loads of the network are presented in [2]. Two sets of simulations were performed. In the first set, the operation of a single SACAPF was evaluated, and in the second set, the results were illustrated for multiple SACAPFs.
All nonlinear loads are six-pulse converters, and the harmonic spectra are presented in Figure 6. Table 1 shows the data of the nonlinear load power.

4.1.1. Single SACAPF

In order to verify the operation of SACAPFs in distribution networks, two different evaluations were performed for single and multiple SACAPFs implemented in the network. This section focuses on the results of a single SACAPF implementation in the network.
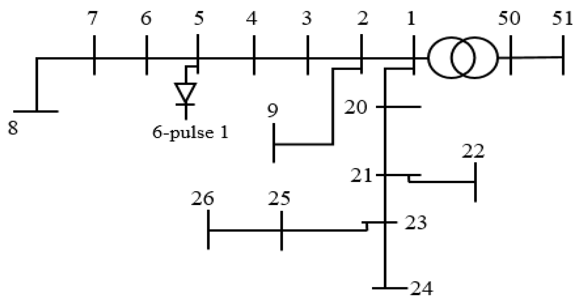
The single-line diagram of the studied network is illustrated in Figure 7. The HPF results of the network are presented in Table 2 where it is evident that the maximum THD value of the network voltages is 11.23% at bus 5.
An ideal SACAPF (without any limitation on SACAPF rating) was installed at bus 5. It is worth mentioning that the installation of an optimum rated SACAPF in an optimum location of the network affects its operation effectiveness in terms of harmonic compensation and cost-effective perspective. However, this paper is focused on proposing a locally controlled APF, and the presented numerical results in the studied networks aimed at a performance evaluation of the proposed SACAPF control method. The subject of the optimum rating and location of an SACAPF is under study and will be published in the near future.
Figure 8 shows the RMS value of the SACAPF current, the harmonic content of the nonlinear load current, the harmonic content of the upstream branch current (branch 4–5), and the harmonic content of the downstream branch current (branch 5–6) in 5 iterations of sampling and injection. Figure 8 shows that the SACAPF has absolutely compensated harmonic content of the nonlinear load, and no harmonic current flows through the system in a steady state (the harmonic content of the upstream and downstream branches is zero). In this condition, no harmonic voltage exists in the network, and the supplied current is purely sinusoidal.
Different constraints were applied to the rating of the SACAPF as follows:
Scenario 1: There is no SACAPF installed in the network.
Scenario 2: The installed SACAPF rating is limited to 25% of the harmonic content of the nonlinear load.
Scenario 3: The installed SACAPF rating is limited to 50% of the harmonic content of the nonlinear load.
Scenario 4: The installed SACAPF rating is equal to the harmonic content of the nonlinear load.
These scenarios are explained in Table 3 where S SACAPF and i 5 hrms represent the SACAPF rating and the RMS value of the harmonic content of the nonlinear load, respectively.
Figure 9 shows the THD value of network voltages in steady-state conditions while the SACAPF rating is constrained. It is notable that, in Figure 9, as the SACAPF rating increases, the network voltages yield to sinusoidal condition, and finally, in the third scenario, the network voltages are purely sinusoidal.
In order to provide a comparison between the SACAPF output current and nonlinear load current, the resultant waveforms from different scenarios are plotted in the same graph (Figure 10). As it is shown in the figure, the main logic of the current injection (as it is explained previously in the Introduction section) is always realized. However, it is possible that the injection current magnitude becomes smaller than that of the harmonic content of the nonlinear load due to the limited SACAPF rating. For instance, this happened in Scenario 1 and Scenario 2.
In order to evaluate the SACAPF performance installed in different locations of the network, the following study was performed when the location of the SACAPF was moved to bus 4 of the network, and Figure 11 shows the THD value of the network voltage in a steady-state condition. The scenarios are the same in Table 3. As it is demonstrated in Figure 11, a greater SACAPF results in a more sinusoidal condition of the network similar to the case of bus 5. Hence, when the SACAPF is located at bus 4, and the rating of the SACAPF is adequate, all upstream buses are free from harmonics, so the proper operation of the SACAPF is confirmed. The other point in Figure 11 is the presence of harmonics in buses 5, 6, 7, and 8 (buses downstream to bus 4) in all scenarios, which shows the importance of the installation location.

4.1.2. Multiple SACAPFs

In order to evaluate the performance of the proposed method for multiple stand-alone controlled SACAPFs, two different conditions of the predefined case study network were utilized: one containing a single nonlinear load and the other containing multiple nonlinear loads.
Network with a Single Nonlinear Load
The test network is the same as in Figure 7, which contains one nonlinear load installed at bus 5. Two SACAPFs are installed in the network at buses 4 and 5. The considered SACAPFs ratings are presented in Table 4, and Figure 12 shows the voltage THD value of the network buses.
Figure 13 shows the RMS value of the SACAPF output currents (A 1 and A 2), the harmonic content of the nonlinear load (N), the harmonic content of branch 4–5 (B 4–5), and the harmonic content of branch 5-6 (B 5–6). As shown in the graph, it is obvious that as the rating of A 1 increases, the compensation current of A 2 decreases, and finally, in Scenario 3, there is no need for compensation by A 2.
Network with Multiple Nonlinear Loads
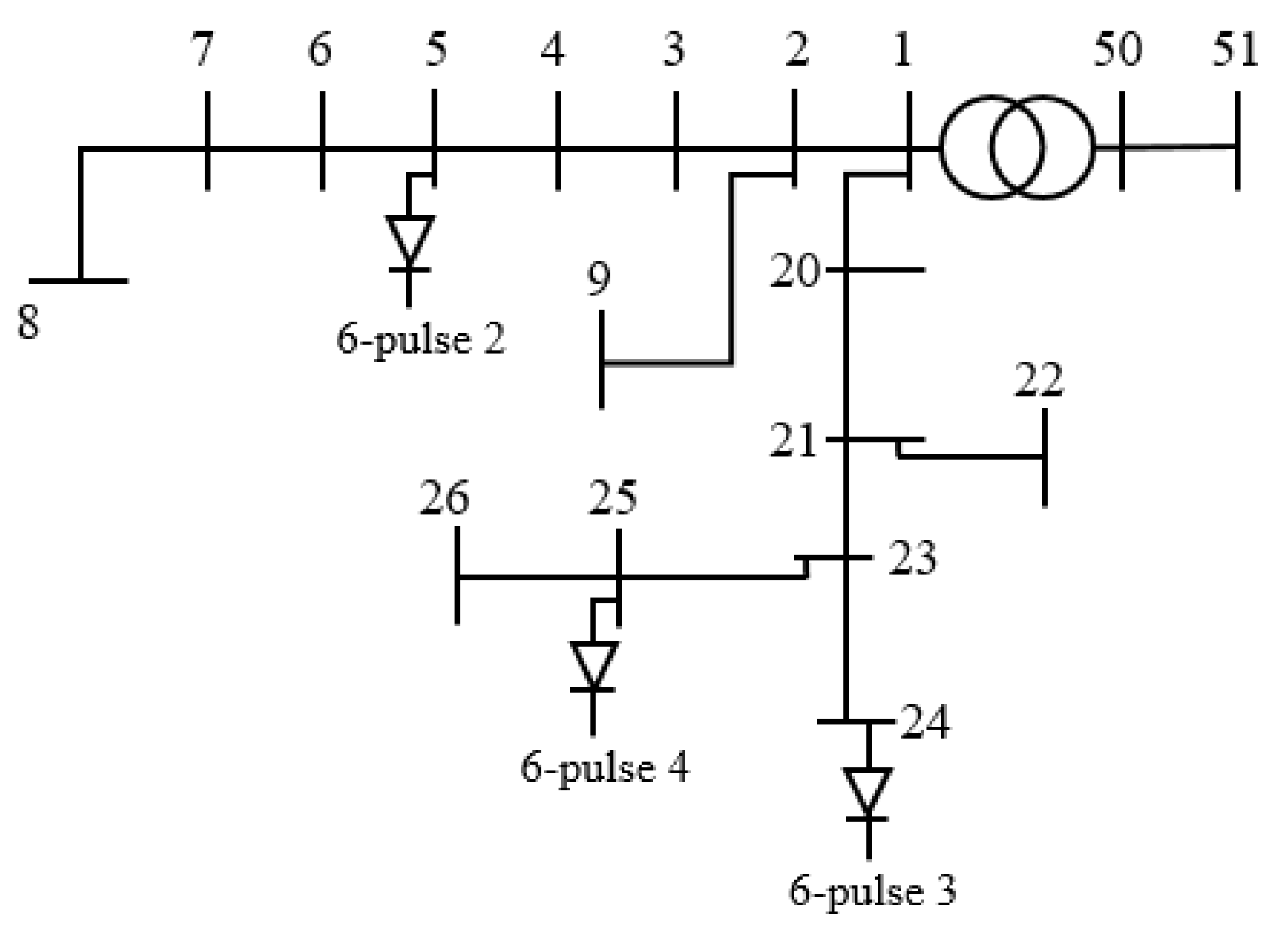
In this section, three nonlinear loads (six-pulse converters) are considered in the case study network. Figure 14 shows the single-line diagram of the test network. The SACAPFs are ideal, and there is no limitation on the compensation rate. In order to provide a comprehensive study that encompasses different installed SACAPFs throughout the network, three different scenarios were devised. The first scenario represents the basic form of the case study network in which no SACAPF was installed. The second and third scenarios represent the installation of three and two SACAPFs in the network, respectively. Table 5 shows the bus locations where the SACAPFs were installed.
The results for the THD values of voltages in a steady state are presented in Figure 15. As can be seen, the utilization of three SACAPFs (Scenario 1) results in an almost ideal operation of the network in terms of harmonic emission. In Scenario 2, there are yet small voltage harmonics at buses 24, 25, and 26 due to the electrical distances between the SACAPF locations and the nonlinear loads that do not appear in Scenario 1.
Figure 16 shows the RMS value of the harmonic content of the nonlinear loads in comparison to the RMS value of the injected currents by the SACAPFs. The total RMS value of the injected currents by the SACAPFs in Scenario 1 is 6.38% and 6.35% in Scenario 2. These values are very close to each other, and the small difference is due to the nonlinear load locations in Scenario 2.

4.2. Optimal Allocation of SACAPFs

In these sets of simulations, the optimal allocation of the proposed SACAPFs were compared to the optimal allocation of conventional APFs (APFs with integrated control systems). The tests were performed on a 33-bus IEEE test network and a 9-bus test network.

4.2.1. 33-Bus IEEE Test Network

The single-line diagram of the 33-bus IEEE test network is shown in Figure 17. This network includes 33 buses in 12.6 kV, and the base power is 10 MVA. Detailed data of the line sections are reported in [37]. In this network, a part of all loads is assumed nonlinear, and detailed data of the loads are reported in Table 6. The type of nonlinear load is the same six-pulse converters where their harmonic spectra are illustrated in Figure 6.
The population size was set to 100 for the allocation of the proposed SACAPFs and set to 250 for the allocation of the conventional APFs. The number of iterations was set to 80 for the allocation of the proposed SACAPFs and set to 100 for the allocation of the conventional APFs. The size of the SACAPFs was a discrete multiple of 0.01 pu limited to 0.1 pu. C var and C fix were set to $72,000 and $90,000 [4]. The maximum allowable values for the voltage THD and IHD were based on IEEE 1574 and were set to 5% and 8%, respectively.
The results for the allocation of both SACAPFs and APFs in a 33-bus IEEE test network are reported in Table 7. The proposed approach needs at least two SACAPFs for reducing harmonic pollution within acceptable ranges, while using only one integrated controlled APF results in an acceptable harmonic condition. The cost of filters for the conventional method is less than the proposed approach. Note that this advantage is only achievable in the presence of a wide communication infrastructure that is not yet implemented in most distribution networks. Hence, using the proposed approach can result in more economic solutions due to the independency of the communication networks.
Voltage THDs are shown in Figure 18 where it can be seen that both methods could reach acceptable ranges (THD for all buses is less than 5%), while the maximum THD location is different in methods that are the result of the difference between the control methods. In conventional methods, the control system can have a vision throughout the network and adjusts injection currents thanks to the presence of a communication network. In the proposed approach, the control system can only record and see what is going on through the installation location, and the injection current adjusted for current compensation results in a sinusoidal branch current. The current of branch 5-6 is shown in Figure 19 where it is clear that the proposed approach has reached sinusoidal condition, while the branch current in the conventional method is still polluted because current pollution is not considered in conventional methods.

4.2.2. Nine-Bus Test Network

The single-line diagram of the nine-bus test network is shown in Figure 20. Line data are reported in [32], and load data are presented in Table 8. Two nonlinear loads are placed on bus 4 and bus 5, and the type of the nonlinear loads is the same 6-pulse converters, and their harmonic spectra are shown in Figure 6. The objective of optimization in this network is to compensate for all harmonic currents and yield sinusoidal voltages throughout the network. To achieve this goal, the maximum allowable value of voltage THD ( T H D max ) and the maximum allowable value of voltage IHD ( I H D max ) were set to zero.
Both the proposed and the conventional methods resulted in the utilization of 2 filters located on bus 4 and bus 5. Detailed results are reported in Table 9. Although there is a small difference between the injection currents, the final solution of both methods (size and location of filters) is the same as expected.

5. Conclusions

In this paper, a stand-alone control procedure for APFs was proposed, which is capable of handling the operation of multiple SACAPFs using a novel backward procedure. The proposed control procedure uses local feedback from the flowing current in the SACAPF installation location and determines the injection current that has the same magnitude as the reference current but is an opposite phase angle. In addition, a downgrading procedure was proposed to manage SACAPF operation in a probable overload condition. The operation of the proposed stand-alone SACAPF was evaluated in different scenarios. Single and multiple SACAPFs were installed in different scenarios in an IEEE 18-bus distribution network with various nonlinear loads. The results confirmed the effective operation of SACAPFs in harmonic compensation of practical distribution networks where data transfer infrastructure is not readily available and employing APFs with integrated control systems is not applicable. The proposed approach can be used as an analysis tool in the allocation of SACAPFs in distribution networks.

Author Contributions

Conceptualization, H.R., M.A. and H.F.; Methodology, H.R., M.A. and H.F.; Validation, H.R. and A.M.L.; Formal analysis, H.R., M.A., H.F. and A.M.L.; Investigation, H.R., M.A. and H.F.; Writing—original draft, H.R., M.A. and H.F.; Writing—review & editing, A.M.L.; Visualization, A.M.L.; Funding acquisition, A.M.L. All authors have read and agreed to the published version of the manuscript.

Funding

This work was supported by INEGI-LAETA (FCT project UIDB/50022/2020).

Data Availability Statement

No new data were created or analyzed in this study. Data sharing is not applicable to this article.

Conflicts of Interest

The authors declare no conflict of interest.

List of Symbols and Abbreviations

Indices
tTime index
i SACAPF index
hHarmonic index
a, bNetwork buses index
Variables
P l b Linear active power at bus b
Q l b   Linear reactive power at bus b
P n b Nonlinear active power at bus b
Q n b Nonlinear reactive power at bus b
U b h Voltage at bus b for harmonic h
y l b h Admittance of linear load at bus b for harmonic h
y c b h Admittance of shunt capacitor at bus b for harmonic h
y a , b h Admittance of branch a-b for harmonic h
r a , b Resistance of branch a-b at the fundamental frequency
x a , b Reactance of branch a-b at the fundamental frequency
i n b h Current of nonlinear load at bus b for harmonic h
c h Factor of injection current of nonlinear load for harmonic h
U h Network voltage vector for harmonic h
I h Injection current vector for harmonic h
Y h Matrix of network admittance for harmonic h
i PCC , h Current flowing through downstream branch at PCC for harmonic h
i PCC , hrms RMS value of harmonic content of current flowing through downstream branch at PCC
φ PCC , h Angle of current flowing through downstream branch at PCC for harmonic h
i SACAPF Current of SACAPF
i rms , SACAPF Total injection current of the SACAPF
S SACAPF Rating of SACAPF
λ Reduction factor of current of SACAPF
V i k Velocity of particle i in iteration k
X i k Position of particle i in iteration k
Pbest i k Best experienced position by particle i in iteration k
Gbest k Best experienced position by all particles in iteration k
r 1 ,   r 2 Random values ranged in [0, 1]
Parameters
H   Maximum harmonic order
N B Number of network buses
N A Number of SACAPFs installed in network
ω Fundamental angular frequency of network
N C Number of candidate locations for SACAPF installation
C var Coefficient of variable costs of SACAPFs
C fix Coefficient of fixed costs of SACAPFs
T H D max Maximum allowable value of voltage THD
I H D max Maximum allowable value of voltage IHD
c 1 ,   c 2 Control parameters of PSO
P 1 ,   P 2 Penalty factors
Sets
ΩSet of SACAPFs’ standard sizes

References

  1. Wagner, V.E.; Balda, J.C.; Griffith, D.C.; McEachern, A.; Barnes, T.M.; Hartmann, D.P.; Phileggi, D.J.; Emannuel, A.E.; Horton, W.; Reid, W.E.; et al. Effects of harmonics on equipment. IEEE Trans. Power Deliv. 1993, 8, 672–680. [Google Scholar] [CrossRef]
  2. Ziari, I.; Jalilian, A. A New approach for allocation and sizing of multiple active power-line conditioners. IEEE Trans. Power Deliv. 2010, 25, 1026–1035. [Google Scholar] [CrossRef]
  3. Teng, J.-H.; Chang, C.-Y. Backward/Forward sweep-based harmonic analysis method for distribution systems. IEEE Trans. Power Deliv. 2007, 22, 1665–1672. [Google Scholar] [CrossRef]
  4. Zhao, Y.; Deng, H.; Li, J.; Xia, D. Optimal planning of harmonic filters on distribution systems by chance constrained programming. Electr. Power Syst. Res. 2004, 68, 149–156. [Google Scholar] [CrossRef]
  5. Keypour, R.; Seifi, H.; Yazdian-Varjani, A. Genetic based algorithm for active power filter allocation and sizing. Electr. Power Syst. Res. 2004, 71, 41–49. [Google Scholar] [CrossRef]
  6. Shivaie, M.; Salemnia, A.; Ameli, M.T. A multi-objective approach to optimal placement and sizing of multiple active power filters using a music-inspired algorithm. Appl. Soft Comput. 2014, 22, 189–204. [Google Scholar] [CrossRef]
  7. Grady, W.; Samotyj, M.; Noyola, A. Survey of active power line conditioning methodologies. IEEE Trans. Power Deliv. 1990, 5, 1536–1542. [Google Scholar] [CrossRef]
  8. Singh, B.; Al-Haddad, K.; Chandra, A. A review of active filters for power quality improvement. IEEE Trans. Ind. Electron. 1999, 46, 960–971. [Google Scholar] [CrossRef]
  9. Angulo, M.; Ruiz-Caballero, D.A.; Lago, J.; Heldwein, M.L.; Mussa, S.A. Active power filter control strategy with implicit closed-loop current control and resonant controller. IEEE Trans. Ind. Electron. 2013, 60, 2721–2730. [Google Scholar] [CrossRef]
  10. Hong, Y.-Y.; Hsu, Y.-L.; Chen, Y.-T. Active power line conditioner planning using an enhanced optimal harmonic power flow method. Electr. Power Syst. Res. 1999, 52, 181–188. [Google Scholar] [CrossRef]
  11. Akagi, H.; Nabae, A.; Atoh, S. Control strategy of active power filters using multiple voltage-source PWM converters. IEEE Trans. Ind. Appl. 1986, IA-22, 460–465. [Google Scholar] [CrossRef]
  12. Grady, W.; Samotyj, M.; Noyola, A. Minimizing network harmonic voltage distortion with an active power line conditioner. IEEE Trans. Power Deliv. 1991, 6, 1690–1697. [Google Scholar] [CrossRef]
  13. Grady, W.; Samotyj, M.; Noyola, A. The application of network objective functions for actively minimizing the impact of voltage harmonics in power systems. IEEE Trans. Power Deliv. 1992, 7, 1379–1386. [Google Scholar] [CrossRef]
  14. Chang, W.; Grady, W.; Samotyj, M. Meeting IEEE-519 harmonic voltage and voltage distortion constraints with an active power line conditioner. IEEE Trans. Power Deliv. 1994, 9, 1531–1537. [Google Scholar] [CrossRef]
  15. Chang, W.; Grady, W.; Samotyj, M. A practical method for siting and sizing multiple active power line conditioners in a power system. In Proceedings of the IEEE/PES Transmission and Distribution Conference, Chicago, IL, USA, 6–9 May 1994. [Google Scholar]
  16. Chang, W.; Grady, W. Minimizing harmonic voltage distortion with multiple current-constrained active power line conditioners. IEEE Trans. Power Deliv. 1997, 12, 837–843. [Google Scholar] [CrossRef]
  17. Chang, T.-T.; Chang, H.-C. An efficient approach for reducing harmonic voltage distortion in distribution systems with active power line conditioners. IEEE Trans. Power Deliv. 2000, 15, 990–995. [Google Scholar] [CrossRef]
  18. Ying-Yi, H.; Ying-Kwun, C. Determination of locations and sizes for active power line conditioners to reduce harmonics in power systems. IEEE Trans. Power Deliv. 1996, 11, 1610–1617. [Google Scholar] [CrossRef]
  19. Moradifar, A.; Soleymanpour, H.R. A Fuzzy Based Solution for Allocation and Sizing of Multiple Active Power Filters. J. Power Electron. 2012, 12, 830–841. [Google Scholar] [CrossRef]
  20. Far, A.M.; Foroud, A.A. Cost-effective optimal allocation and sizing of active power filters using a new fuzzy-MABICA method. IETE J. Res. 2016, 62, 307–322. [Google Scholar] [CrossRef]
  21. Grabowski, D.; Maciążek, M. Cost effective allocation and sizing of active power filters using genetic algorithms. In Proceedings of the 2013 12th International Conference on Environment and Electrical Engineering, Wroclaw, Poland, 5–8 May 2013. [Google Scholar]
  22. Grabowski, D.; Maciążek, M.; Pasko, M. Sizing of active power filters using some optimization strategies. COMPEL-Int. J. Comput. Math. Electr. Electron. Eng. 2013, 32, 1326–1336. [Google Scholar] [CrossRef]
  23. Lakum, A.; Mahajan, V. Optimal placement and sizing of multiple active power filters in radial distribution system using grey wolf optimizer in presence of nonlinear distributed generation. Electr. Power Syst. Res. 2019, 173, 281–290. [Google Scholar] [CrossRef]
  24. Klimas, M.; Grabowski, D.; Buła, D. Application of decision trees for optimal allocation of harmonic filters in medium-voltage networks. Energies 2021, 14, 1173. [Google Scholar] [CrossRef]
  25. Buła, D.; Grabowski, D.; Lewandowski, M.; Maciążek, M.; Piwowar, A. Software Solution for Modeling, Sizing, and Allocation of Active Power Filters in Distribution Networks. Energies 2020, 14, 133. [Google Scholar] [CrossRef]
  26. Carpinelli, G.; Russo, A.; Varilone, P. Active filters: A multi-objective approach for the optimal allocation and sizing in distribution networks. In Proceedings of the 2014 International Symposium on Power Electronics, Electrical Drives, Automation and Motion, Ischia, Italy, 18–20 June 2014. [Google Scholar]
  27. Carpinelli, G.; Proto, D.; Russo, A. Optimal Planning of Active Power Filters in a Distribution System Using Trade-off/Risk Method. IEEE Trans. Power Deliv. 2017, 32, 841–851. [Google Scholar] [CrossRef]
  28. Buła, D.; Grabowski, D.; Maciążek, M. A Review on Optimization of Active Power Filter Placement and Sizing Methods. Energies 2022, 15, 1175. [Google Scholar] [CrossRef]
  29. Herraiz, S.; Sainz, L.; Clua, J. Review of harmonic load flow formulations. IEEE Trans. Power Deliv. 2003, 18, 1079–1087. [Google Scholar] [CrossRef]
  30. Ulinuha, A.; Masoum, M.; Islam, S. Harmonic power flow calculations for a large power system with multiple nonlinear loads using decoupled approach. In Proceedings of the 2007 Australasian Universities Power Engineering Conference, Perth, WA, Australia, 9–12 December 2007. [Google Scholar]
  31. Yan, Y.; Moo, C.; Chen, C. Harmonic analysis for industrial customers. In Proceedings of the Conference Record of the 1991 IEEE Industry Applications Society Annual Meeting, Dearborn, MI, USA, 28 September–4 October 1991. [Google Scholar]
  32. Chung, T.; Leung, H. A genetic algorithm approach in optimal capacitor selection with harmonic distortion considerations. Int. J. Electr. Power Energy Syst. 1999, 21, 561–569. [Google Scholar] [CrossRef]
  33. Baghzouz, Y. Effects of nonlinear loads on optimal capacitor placement in radial feeders. IEEE Trans. Power Deliv. 1991, 6, 245–251. [Google Scholar] [CrossRef]
  34. Chin, H.C. Optimal shunt capacitor allocation by fuzzy dynamic programming. Electr. Power Syst. Res. 1995, 35, 133–139. [Google Scholar] [CrossRef]
  35. Baghzouz, Y.; Ertem, S. Shunt capacitor sizing for radial distribution feeders with distorted substation voltages. IEEE Trans. Power Deliv. 1990, 5, 650–657. [Google Scholar] [CrossRef]
  36. Amini, M.; Jalilian, A.; Pour Behbahani, M.R. Fast network reconfiguration in harmonic polluted distribution network based on developed backward/forward sweep harmonic load flow. Electr. Power Syst. Res. 2019, 168, 295–304. [Google Scholar] [CrossRef]
  37. Venkatesh, B.; Ranjan, R. Optimal radial distribution system reconfiguration using fuzzy adaptation of evolutionary programming. Int. J. Electr. Power Energy Syst. 2003, 25, 775–780. [Google Scholar] [CrossRef]
Figure 1. Diagram of an APF used to protect the source from harmonic content of the nonlinear load.
Figure 1. Diagram of an APF used to protect the source from harmonic content of the nonlinear load.
Energies 16 02463 g001
Figure 2. Network data structure in the presence of an APF with (a) integrated control system and (b) stand-alone control system.
Figure 2. Network data structure in the presence of an APF with (a) integrated control system and (b) stand-alone control system.
Energies 16 02463 g002
Figure 3. A typical example to form priority list of SACAPFs.
Figure 3. A typical example to form priority list of SACAPFs.
Energies 16 02463 g003
Figure 4. Flowchart of the proposed method for modeling operation of multiple SACAPFs in radial distribution networks (NA: Number of SACAPFs).
Figure 4. Flowchart of the proposed method for modeling operation of multiple SACAPFs in radial distribution networks (NA: Number of SACAPFs).
Energies 16 02463 g004
Figure 5. Structure of the utilized particles in the optimization procedure.
Figure 5. Structure of the utilized particles in the optimization procedure.
Energies 16 02463 g005
Figure 6. Harmonic spectra of six-pulse converter [2].
Figure 6. Harmonic spectra of six-pulse converter [2].
Energies 16 02463 g006
Figure 7. Single line diagram of the 18-bus IEEE test network containing one nonlinear load.
Figure 7. Single line diagram of the 18-bus IEEE test network containing one nonlinear load.
Energies 16 02463 g007
Figure 8. The RMS value of harmonic content of nonlinear load (N), SACAPF current (A), harmonic content of upstream branch (U), and harmonic content of downstream branch (D) in 5 iterations of SACAPF operation.
Figure 8. The RMS value of harmonic content of nonlinear load (N), SACAPF current (A), harmonic content of upstream branch (U), and harmonic content of downstream branch (D) in 5 iterations of SACAPF operation.
Energies 16 02463 g008
Figure 9. The THD value of network voltages when the SACAPF is located at bus 5, and the rating of the SACAPF is constrained (scenarios are defined in Table 3).
Figure 9. The THD value of network voltages when the SACAPF is located at bus 5, and the rating of the SACAPF is constrained (scenarios are defined in Table 3).
Energies 16 02463 g009
Figure 10. Current waveform of SACAPF compared to harmonic content of nonlinear load (scenarios are defined in Table 3).
Figure 10. Current waveform of SACAPF compared to harmonic content of nonlinear load (scenarios are defined in Table 3).
Energies 16 02463 g010
Figure 11. The THD value of the network voltages when the SACAPF is located in bus 4 (scenarios are defined in Table 3).
Figure 11. The THD value of the network voltages when the SACAPF is located in bus 4 (scenarios are defined in Table 3).
Energies 16 02463 g011
Figure 12. The THD value of network voltage containing a single nonlinear load (scenarios are defined in Table 5).
Figure 12. The THD value of network voltage containing a single nonlinear load (scenarios are defined in Table 5).
Energies 16 02463 g012
Figure 13. The RMS value of SACAPFs, harmonic content of nonlinear load, harmonic content of B 4-5, and harmonic content of B 5–6 currents. (a) Scenario 0; (b) Scenario 1; (c) Scenario 2; and (d) Scenario 3.
Figure 13. The RMS value of SACAPFs, harmonic content of nonlinear load, harmonic content of B 4-5, and harmonic content of B 5–6 currents. (a) Scenario 0; (b) Scenario 1; (c) Scenario 2; and (d) Scenario 3.
Energies 16 02463 g013
Figure 14. Single-line diagram of the 18-bus IEEE test network containing 3 nonlinear loads.
Figure 14. Single-line diagram of the 18-bus IEEE test network containing 3 nonlinear loads.
Energies 16 02463 g014
Figure 15. The THD value of network voltages in a network with multiple nonlinear loads and multiple SACAPFs (scenarios are defined in Table 5).
Figure 15. The THD value of network voltages in a network with multiple nonlinear loads and multiple SACAPFs (scenarios are defined in Table 5).
Energies 16 02463 g015
Figure 16. The RMS value of nonlinear loads compared to RMS value of SACAPF injection currents. (a) Scenario 1 and (b) Scenario 2.
Figure 16. The RMS value of nonlinear loads compared to RMS value of SACAPF injection currents. (a) Scenario 1 and (b) Scenario 2.
Energies 16 02463 g016
Figure 17. Single line diagram of 33-bus IEEE test network [37].
Figure 17. Single line diagram of 33-bus IEEE test network [37].
Energies 16 02463 g017
Figure 18. Voltage THD values before and after allocation of active filters.
Figure 18. Voltage THD values before and after allocation of active filters.
Energies 16 02463 g018
Figure 19. Current waveform of branch 5–6 before and after compensation by filters.
Figure 19. Current waveform of branch 5–6 before and after compensation by filters.
Energies 16 02463 g019
Figure 20. Single-line diagram of the 9-bus test network.
Figure 20. Single-line diagram of the 9-bus test network.
Energies 16 02463 g020
Table 1. Data of Nonlinear Load Power.
Table 1. Data of Nonlinear Load Power.
Name of Nonlinear LoadPower
P (MW)Q (MVAr)
6-pulse 132.26
6-pulse 210.45
6-pulse 30.450.28
6-pulse 40.310.23
Table 2. Network voltages when a 3 MW 2.25 MVAr six-pulse converter is implemented.
Table 2. Network voltages when a 3 MW 2.25 MVAr six-pulse converter is implemented.
BusV1 (pu)THD (%)BusV1 (pu)THD (%)
10.975.1990.966.27
20.966.28200.954.91
30.957.85210.944.78
40.958.7220.934.78
50.9311.23230.924.66
60.9311.2240.914.66
70.9211.17250.914.64
80.9211.15260.914.64
Table 3. Ratio of the rating of the SACAPF to the harmonic content of the nonlinear load.
Table 3. Ratio of the rating of the SACAPF to the harmonic content of the nonlinear load.
Scenario 0Scenario 1Scenario 2Scenario 3
S SACAPF / i 5 hrms -25%50%100%
Table 4. Ratings of SACAPFs in comparison to harmonic content of nonlinear load.
Table 4. Ratings of SACAPFs in comparison to harmonic content of nonlinear load.
Name of SACAPFScenario 1Scenario 2Scenario 3Scenario 0
A 1 (Bus 5)25%50%100%No installed SACAPF
A 2 (Bus 4)100%100%100%
Table 5. Location of installed SACAPFs in the network with multiple nonlinear loads.
Table 5. Location of installed SACAPFs in the network with multiple nonlinear loads.
Location of Ideal APFsScenario 0Scenario 1Scenario 2
Bus-5, 24, 255, 23
Table 6. Load data of modified 33-bus IEEE test network.
Table 6. Load data of modified 33-bus IEEE test network.
BusLinear kWLinear kVArNonlinear kWNonlinear kVArTHD (%)BusLinear kWLinear kVArNonlinear kWNonlinear kVArTHD (%)
100003.1418542436169.26
2603640243.2819542436169.32
3542436163.9520542436163.58
4724848324.3121542436163.64
5361824124.6822542436163.7
636122485.9823542436164.17
71206080406.4624252120168804.62
81206080407.3225252120168804.85
936122487.7226361524106.9
1036122488.0927361524106.23
11271818128.132836122487.13
12362124148.1829724248287.8
13362124148.6130120360802408.02
14724848328.8331904260288.35
153662448.93321266084408.42
1636122489.0233362424168.45
1736122489.21
Table 7. Results of allocation of active filters in 33-bus IEEE network.
Table 7. Results of allocation of active filters in 33-bus IEEE network.
Control MethodProposed Approach
(SACAPF)
Integrated Approaches
(APF)
Number of Filters21
Rating of Filter(s) (pu)0.02 & 0.010.03
Location of Filter(s) (Bus)6 & 117
Cost ($)396,000306,000
Max THD @ Bus4.96 @ 335 @ 18
Max IHD (harmonic) @ Bus8 (5) @ 338 (5) @ 18
Table 8. Load data of the 9-bus test network.
Table 8. Load data of the 9-bus test network.
BusLinear kWLinear kVArNonlinear kWNonlinear kVArTHD (%)
11012253000.83
2539187002.06
3985245004.6
400159818405.94
50016106007.32
642961007.23
763333007.14
853972007.03
9902110007.01
Table 9. Results of allocation of filters in 9-bus test network.
Table 9. Results of allocation of filters in 9-bus test network.
ItemProposed MethodConventional Method
Size of the filter located on bus 4 (%)88
Total injection current (%)7.287.36
Size of the filter located on bus 5 (%)66
Total injection current (%)5.245.29
Maximum THD of voltages (%)0.000960.00951
Disclaimer/Publisher’s Note: The statements, opinions and data contained in all publications are solely those of the individual author(s) and contributor(s) and not of MDPI and/or the editor(s). MDPI and/or the editor(s) disclaim responsibility for any injury to people or property resulting from any ideas, methods, instructions or products referred to in the content.

Share and Cite

MDPI and ACS Style

Rezapour, H.; Amini, M.; Falaghi, H.; Lopes, A.M. Integration of Stand-Alone Controlled Active Power Filters in Harmonic Power Flow of Radial Distribution Networks. Energies 2023, 16, 2463. https://doi.org/10.3390/en16052463

AMA Style

Rezapour H, Amini M, Falaghi H, Lopes AM. Integration of Stand-Alone Controlled Active Power Filters in Harmonic Power Flow of Radial Distribution Networks. Energies. 2023; 16(5):2463. https://doi.org/10.3390/en16052463

Chicago/Turabian Style

Rezapour, Hamed, MohamadAli Amini, Hamid Falaghi, and António M. Lopes. 2023. "Integration of Stand-Alone Controlled Active Power Filters in Harmonic Power Flow of Radial Distribution Networks" Energies 16, no. 5: 2463. https://doi.org/10.3390/en16052463

APA Style

Rezapour, H., Amini, M., Falaghi, H., & Lopes, A. M. (2023). Integration of Stand-Alone Controlled Active Power Filters in Harmonic Power Flow of Radial Distribution Networks. Energies, 16(5), 2463. https://doi.org/10.3390/en16052463

Note that from the first issue of 2016, this journal uses article numbers instead of page numbers. See further details here.

Article Metrics

Back to TopTop