Study of Behavior of Voltage and Current Spectra of Three-Level Neutral Point Clamped Converter at Selected Harmonic Elimination Programmed Pulse Pattern Pulse-Width Modulation
Abstract
:1. Introduction
2. Overview of Studies and Problem Statement
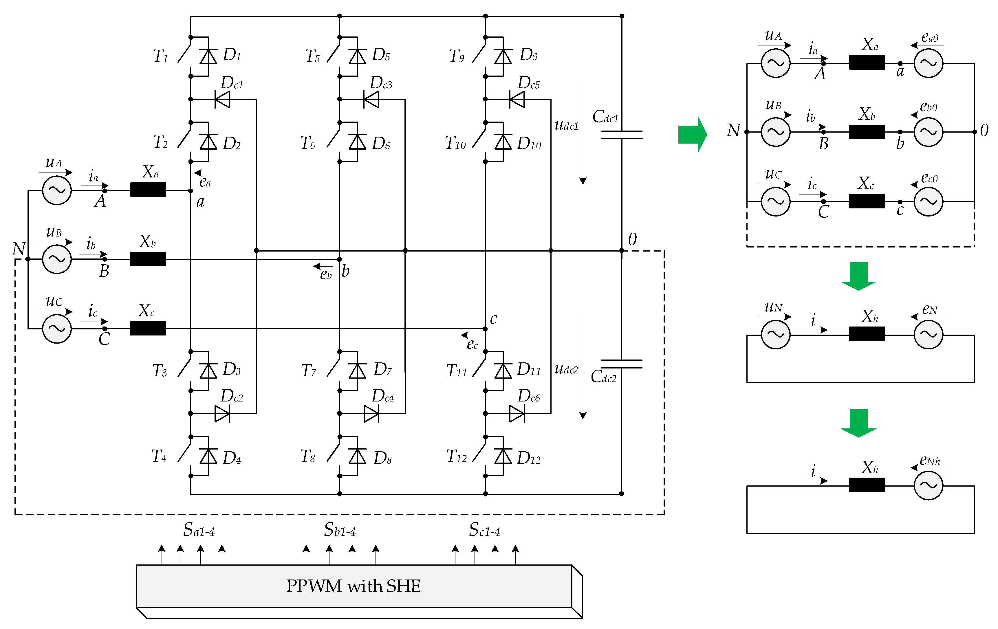
3. Mathematical Description of the 3L Unipolar Voltage and the Search for SHE PPWMs
4. Studying and Estimating Voltage and Current Spectra
4.1. Defining the Voltage Spectrum
- (1)
- The first harmonic after the last eliminated one has the highest amplitude. E.g., for Programmed Pulse Pattern no. 1 (see Figure 4a), when the 5th and 7th harmonics are eliminated, the 11th harmonic has the highest amplitude; for Programmed Pulse Pattern no. 2 (see Figure 4b), when the 5th, 7th, 11th, and 13th harmonics are eliminated, the 17th harmonic has the highest amplitude, etc.;
- (2)
- The amplitudes of the nearest non-eliminated harmonics coincide with the same modulation factors. E.g., the amplitude of the 23rd harmonic for Programmed Pulse Pattern no. 3 (see Figure 4c) and the 17th harmonic for Programmed Pulse Pattern no. 2 (see Figure 4b), etc., have the same values of 23.54% at a modulation factor of 1.01;
- (3)
- There are several modulation factor values at which various harmonics are eliminated from the spectrum. E.g., the 49th harmonic for Programmed Pulse Pattern no. 5 with a modulation factor of 1.02 (see Figure 4e), the 49th harmonic for Programmed Pulse Pattern no. 6 with a modulation factor of 1.08 (see Figure 4f), etc.;
- (4)
- All amplitudes are variable, but their maximum value does not exceed 30.3%.
4.2. Defining the Current Spectrum
5. Experimental Results
6. Conclusions
- (1)
- The behavior of up to the 50th amplitude of the NPC converter voltage and consumed current harmonics was studied within the modulation factor variation range from 0 to 1.15 at a pitch of 0.01 for six SHE PPWMs. The results obtained can be used to choose passive filters and define the most dangerous resonance impact zones for both an electric circuit within the modulation factor variation range from 0.9 to 1.15 and motors within the modulation factor variation range from 0 to 1.15;
- (2)
- Herein, for the first time, the pre-calculated NPC converter current spectra have been experimentally verified for a six-pulse connection circuit for six SHE PPWMs. The simulation and experimental results differ with the engineering degree of accuracy;
- (3)
- The research opens new opportunities for further study into and estimation of the NPC converters impact for more complex multi-pulse power connection circuits, resonant phenomena, and optimal SHE PPWMs calculated using advanced search algorithms;
- (4)
- The study is promising for high-power power converters with a limited semiconductor module switching frequency. The study results are applicable to solve the problems of ensuring electromagnetic compatibility, improving energy efficiency, and optimizing the semiconductor converter power losses;
- (5)
- The research opens new possibilities for calculating or reducing current harmonics of 3L-NPC converters with PPWM to be published in further papers.
Author Contributions
Funding
Institutional Review Board Statement
Informed Consent Statement
Data Availability Statement
Conflicts of Interest
References
- Cheng, J.; Xu, T.; Chen, D.; Chen, G. Dynamic and steady state response analysis of selective harmonic elimination in high power inverters. IEEE Access 2021, 9, 75588–75598. [Google Scholar] [CrossRef]
- Gabour, N.E.H.; Habbi, F.; Bounekhla, M.; Boudissa, E.G. Enhanced Harmonic Elimination Using Genetic Algorithm Optimization in Multilevel Inverters. In Proceedings of the 18th International Multi-Conference on Systems, Signals & Devices, Monastir, Tunisia, 22–25 March 2021. [Google Scholar]
- Hoevenaars, A.; Farbis, M.; McGraw, M. Active harmonic mitigation: What the manufacturers don’t tell you. IEEE Ind. Appl. Mag. 2020, 62, 41–51. [Google Scholar] [CrossRef]
- Janabi, A.; Wang, B.; Czarkowski, D. Generalized Chudnovsky algorithm for real-time PWM selective harmonic elimination/modulation: Two-Level VSI example. IEEE Trans. Power Electron. 2020, 35, 5437–5446. [Google Scholar] [CrossRef]
- Jiang, Y.; Li, X.; Qin, C.; Xing, X.; Chen, Z. Improved particle swarm optimization based selective harmonic elimination and neutral point balance control for three-level inverter in low-voltage ride-through operation. IEEE Trans. Ind. Inform. 2022, 18, 642–652. [Google Scholar] [CrossRef]
- Memon, M.A.; Siddique, M.D.; Saad, M.; Mubin, M. Asynchronous particle swarm optimization-genetic algorithm (APSO-GA) based selective harmonic elimination in a cascaded H-bridge multilevel inverter. IEEE Trans. Ind. Electron. 2022, 69, 1477–1487. [Google Scholar] [CrossRef]
- Sadoughi, M.; Zakerian, A.; Pourdadashnia, A.; Farhadi-Kangarlu, M. Selective Harmonic Elimination PWM for Cascaded H-bridge Multilevel Inverter with Wide Output Voltage Range Using PSO Algorithm. In Proceedings of the IEEE Texas Power and Energy Conference, College Station, TX, USA, 1–6 February 2021. [Google Scholar]
- Maklakov, A.S.; Jing, T.; Radionov, A.A.; Gasiyarov, V.R.; Lisovskaya, T.A. Finding the best programmable PWM pattern for three-level active front-ends at 18-pulse connection. Machines 2021, 9, 127. [Google Scholar] [CrossRef]
- Maklakov, A.S.; Jing, T.; Nikolaev, A.A.; Gasiyarov, V.R. Grid Connection Circuits for Powerful Regenerative Electric Drives of Rolling Mills: Review. Energies 2022, 15, 8608. [Google Scholar] [CrossRef]
- Jing, T.; Maklakov, A.; Radionov, A.; Gasiyarov, V.; Liang, Y. Formulations, Solving Algorithms, Existing Problems and Future Challenges of Pre-Programmed PWM Techniques for High-Power AFE Converters: A Comprehensive Review. Energies 2022, 15, 1696. [Google Scholar] [CrossRef]
- Pontt, J.; Rodriguez, J.; Huerta, R. Mitigation of noneliminated harmonics of SHEPWM three-level multipulse three-phase active front end converters with low switching frequency for meeting standard IEEE-519-92. IEEE Trans. Power Electron. 2004, 19, 1594–1600. [Google Scholar] [CrossRef]
- Annoukoubi, M.; Essadki, A.; Laghridat, H.; Nasser, T. Comparative study between the performances of a three-level and two-level converter for a Wind Energy Conversion System. In Proceedings of the 2019 International Conference on Wireless Technologies, Embedded and Intelligent Systems (WITS), Fez, Morocco, 3–4 April 2019; pp. 1–6. [Google Scholar] [CrossRef]
- Yang, K.; and Feng, M.; Wang, Y.; Lan, X.; Wang, J.; Zhu, D.; Yu, W. Real-Time Switching Angle Computation for Selective Harmonic Control. IEEE Trans. Power Electron. 2019, 34, 8201–8212. [Google Scholar] [CrossRef]
- Ni, Z.; Abuelnaga, A.H.; Badawi, S.; ad Yuan, S.; Pan, Y.; Narimani, M.; Cheng, Z.; Zargari, N.R. Control of Regenerative CHB Motor Drives at Fundamental Switching Frequency. IEEE Trans. Power Electron. 2023, 38, 3352–3362. [Google Scholar] [CrossRef]
- Vassilios, G.A.; Anastasios, I.B.; Calum, C. On Attaining the Multiple Solutions of Selective Harmonic Elimination PWM Three-Level Waveforms Through Function Minimization. IEEE Trans. Ind. Electron. 2008, 55, 996–1004. [Google Scholar]
- Cong, W.; Zhao, F.; Guo, X.; Wen, X.; Wang, Y.; Song, X. Analysis and experimental verification for multiple solutions of bipolar SHEPWM waveforms applied in control system of induction machines. In Proceedings of the 2011 International Conference on Electrical Machines and Systems, Beijing, China, 20–23 August 2011; pp. 1–4. [Google Scholar] [CrossRef]
- Shenjian, Z.; Cheng, Y.; Yangfan, Z.; Wenjie, C.; Dehong, X. Suppressing the side effect of the grid background harmonics on grid inverter with selective harmonic elimination PWM. In Proceedings of the 2014 International Power Electronics and Application Conference and Exposition, 5–8 November 2014; pp. 508–513. [Google Scholar]
- Ali, Z.; Christofides, N.; Tahir, M.; Saleem, K.; Gul, M.; ul Hasnain, S.R.; Khan, B. Generalized method for harmonic elimination in two and three level voltage sourced converters. In Proceedings of the 2015 International Conference on Emerging Technologies (ICET), Peshawar, Pakistan, 19–20 December 2015; pp. 1–6. [Google Scholar] [CrossRef]
- Bhadra, S.; Patangia, H. A Unified Analytical Solution for Bipolar, Unipolar, and Multistep SHE Converters. In Proceedings of the 2018 IEEE International Symposium on Circuits and Systems (ISCAS), Florence, Italy, 27–30 May 2018; pp. 1–5. [Google Scholar] [CrossRef]
- Prabhu, O.; Jagdish, K.; Balwinder, S.S. Optimized SHE-PWM Technique for Low Distortion Single Phase MLI for PV Standalone System. In Proceedings of the 2018 5th IEEE Uttar Pradesh Section International Conference on Electrical, Electronics and Computer Engineering (UPCON), Gorakhpur, India, 2–4 November 2018; pp. 1–6. [Google Scholar]
- Poon, J.; Sinha, M.; Dhople, S.V.; Rivas-Davila, J. Real-time Selective Harmonic Minimization Using a Hybrid Analog/Digital Computing Method. IEEE Trans. Power Electron. 2022, 37, 5078–5088. [Google Scholar] [CrossRef]
- Arash, M.; Firuz, Z.; Dinesh, K.; Jalil, Y.; Rahul, S.; Dirk, K. Current Harmonics Generated by Multiple Adjustable-Speed Drives in Distribution Networks in the Frequency Range of 2–9 kHz. IEEE Trans. Ind. Appl. 2022, 58, 4744–4757. [Google Scholar]
- Mohammad, S.; Hani, V.; Ramon, P.; Mohammad, K.; Abdolreza, S.; Leopoldo, G.F.; Kamal, A. Hybrid SHM-SHE Pulse-Amplitude Modulation for High-Power Four-Leg Inverter. IEEE Trans. Ind. Electron. 2016, 63, 7234–7242. [Google Scholar]
- Omara, A.M.; Sleptsov, M.; El-Nemr, M.K. Genetic algorithm optimization of SHE-PWM technique for paralleled two-module VSIs employed in electric drive systems. In Proceedings of the 2018 25th International Workshop on Electric Drives: Optimization in Control of Electric Drives (IWED), Moscow, Russia, 31 January–2 February 2018; pp. 1–6. [Google Scholar] [CrossRef]
- Moradi, A.; Yaghoobi, J.; Zare, F.; Kumar, D.; Sharma, R.; Kroese, D. Current Harmonics Generated by Multi-power Converters in Distribution Networks in the Frequency Range of 2–9 kHz. In Proceedings of the 2021 IEEE 19th International Power Electronics and Motion Control Conference (PEMC), Gliwice, Poland, 25–29 April 2021; pp. 534–540. [Google Scholar] [CrossRef]
- Rai, N.; Chakravorty, S. Hybrid-GA based multiple solutions for Selective Harmonic Elimination in Bipolar PWM waveforms. In Proceedings of the 2020 IEEE 5th International Conference on Computing Communication and Automation (ICCCA), Greater Noida, India, 30–31 October 2020; pp. 703–707. [Google Scholar] [CrossRef]
- Balasubramonian, M.; Rajamani, V. Design and Real-Time Implementation of SHEPWM in Single-Phase Inverter Using Generalized Hopfield Neural Network. IEEE Trans. Ind. Electron. 2014, 61, 6327–6336. [Google Scholar] [CrossRef]
- Wang, Q.; Zhang, Y.; Li, C.; Li, W.; He, X. Comprehensive Comparison between Two-Level, Three-Level, and Hybrid Three-Level SiC Inverter for High Power High-Speed Drive System. In Proceedings of the 2020 IEEE 9th International Power Electronics and Motion Control Conference (IPEMC2020-ECCE Asia), Nanjing, China, 29 November–2 December 2020; pp. 1884–1889. [Google Scholar] [CrossRef]
- Nikolaev, A.A.; Gilemov, I.G.; Bulanov, M.V.; Kosmatov, V.I. Providing Electromagnetic Compatibility of High-Power Frequency Converters with Active Rectifiers at Internal Power Supply System of Cherepovets Steel Mill. In Proceedings of the International Scientific-Technical Conference Alternating Current Electric Drives, Ekaterinburg, Russia, 1–8 May 2021. [Google Scholar]
- Nikolaev, A.; Maklakov, A.; Bulanov, M.; Gilemov, I.; Denisevich, A.; Afanasev, M. Current Electromagnetic Compatibility Problems of High-Power Industrial Electric Drives with Active Front-End Rectifiers Connected to a 6–35 kV Power Grid: A Comprehensive Overview. Energies 2023, 16, 293. [Google Scholar] [CrossRef]
- Holmes, D.G.; Lipo, T.A. Programmed Modulation Strategies. In Pulse Width Modulation for Power Converters: Principles and Practice; IEEE: Piscataway, NJ, USA, 2003; pp. 383–431. [Google Scholar] [CrossRef]
- Maklakov, A.S.; Jing, T.; Nikolaev, A.A. Comparative Analysis of Current and Voltage THD at Different Grid Powers for Powerful Active Front-End Rectifiers with Preprogrammed PWM. Machines 2022, 10, 1139. [Google Scholar] [CrossRef]













| no | N | α1 | α2 | α3 | α4 | α5 | α6 | α7 | α8 | α9 | α10 | α11 | α12 | α13 |
|---|---|---|---|---|---|---|---|---|---|---|---|---|---|---|
| 1 | N = 3 | 59.5 | 60.5 | 89.5 | ||||||||||
| 2 | N = 5 | 49.5 | 50.5 | 69.5 | 70.5 | 89.5 | ||||||||
| 3 | N = 7 | 44.5 | 45.5 | 59.5 | 60.5 | 74.5 | 75.5 | 89.5 | ||||||
| 4 | N = 9 | 41.7 | 42.3 | 53.7 | 54.3 | 65.7 | 66.3 | 77.7 | 78.3 | 89.7 | ||||
| 5 | N = 11 | 39.7 | 40.3 | 49.7 | 50.3 | 59.7 | 60.3 | 69.7 | 70.3 | 79.7 | 80.3 | 89.7 | ||
| 6 | N = 13 | 37.9 | 39.3 | 46.4 | 47.8 | 55.1 | 56.5 | 63.5 | 64.8 | 72.2 | 73.6 | 80.8 | 82.1 | 89.7 |
| IGBTs | 1 × P924F33 Vincotech; voltage, 600 V; rate current, 30 A; switching frequency, 50 kHz. |
| Grid | ph-ph 380 V, 50 Hz |
| Capacitors | 1034 μF (for one leg ); pick voltage, 450 V |
| Reactor | 2.5 mH |
| Current sensor | 1 × LEM HLSR 20-P/SP33; rate range, ± 20 A; bandwidth, 450 kHz; instrument error, ± 0.5% |
| Voltage sensor | 1 × resistive voltage divider + Avago ACPL-C87B; bandwidth, 25 kHz; instrument error, ± 0.1% |
| FPGA | 1 × Xilinx XC9536XL-10VQG44C |
| DSP | TMS320C28346, 300 MHz, 256 MB NOR flash memory, 2 MB RAM and 300 MIPS |
Disclaimer/Publisher’s Note: The statements, opinions and data contained in all publications are solely those of the individual author(s) and contributor(s) and not of MDPI and/or the editor(s). MDPI and/or the editor(s) disclaim responsibility for any injury to people or property resulting from any ideas, methods, instructions or products referred to in the content. |
© 2023 by the authors. Licensee MDPI, Basel, Switzerland. This article is an open access article distributed under the terms and conditions of the Creative Commons Attribution (CC BY) license (https://creativecommons.org/licenses/by/4.0/).
Share and Cite
Maklakov, A.S.; Erdakov, I.N. Study of Behavior of Voltage and Current Spectra of Three-Level Neutral Point Clamped Converter at Selected Harmonic Elimination Programmed Pulse Pattern Pulse-Width Modulation. Energies 2023, 16, 5183. https://doi.org/10.3390/en16135183
Maklakov AS, Erdakov IN. Study of Behavior of Voltage and Current Spectra of Three-Level Neutral Point Clamped Converter at Selected Harmonic Elimination Programmed Pulse Pattern Pulse-Width Modulation. Energies. 2023; 16(13):5183. https://doi.org/10.3390/en16135183
Chicago/Turabian StyleMaklakov, Aleksandr S., and Ivan N. Erdakov. 2023. "Study of Behavior of Voltage and Current Spectra of Three-Level Neutral Point Clamped Converter at Selected Harmonic Elimination Programmed Pulse Pattern Pulse-Width Modulation" Energies 16, no. 13: 5183. https://doi.org/10.3390/en16135183
APA StyleMaklakov, A. S., & Erdakov, I. N. (2023). Study of Behavior of Voltage and Current Spectra of Three-Level Neutral Point Clamped Converter at Selected Harmonic Elimination Programmed Pulse Pattern Pulse-Width Modulation. Energies, 16(13), 5183. https://doi.org/10.3390/en16135183

