Enhancing MPPT Performance in Partially Shaded PV Systems under Sensor Malfunctioning with Fuzzy Control
Abstract
1. Introduction
- Fuzzy PI (FPI) and fuzzy sliding mode controller (FSMC) for MPPT: This study introduces the utilization of FPI and FSMC as controllers for effectively tracking the global maximum power from a partially shaded PV system. These controllers offer a reliable and efficient solution for MPPT under partial shading conditions (PSCs), ensuring quick and finite-time convergence.
- Neural network-based reference voltage generation: A neural network is employed to generate the reference voltage for maximum power point tracking. The system’s resilience and chattering minimization capabilities are evaluated by introducing uncertainties into the system and faults in the sensors. The proposed controllers demonstrate their effectiveness under challenging operating conditions, providing accurate tracking of the reference voltage and maximum power, particularly in the presence of partial shading.
- Performance evaluation and comparison: The performance of the proposed controllers is assessed by calculating and comparing various performance indices. Simulation results are analyzed, and a comparison is made with conventional controllers, such as perturb and observe (P&O) and the standard sliding mode controller. The effectiveness of the proposed technique in terms of superior performance is characterized by reduced chattering, improved transient responsiveness, enhanced tracking precision, and faster convergence.
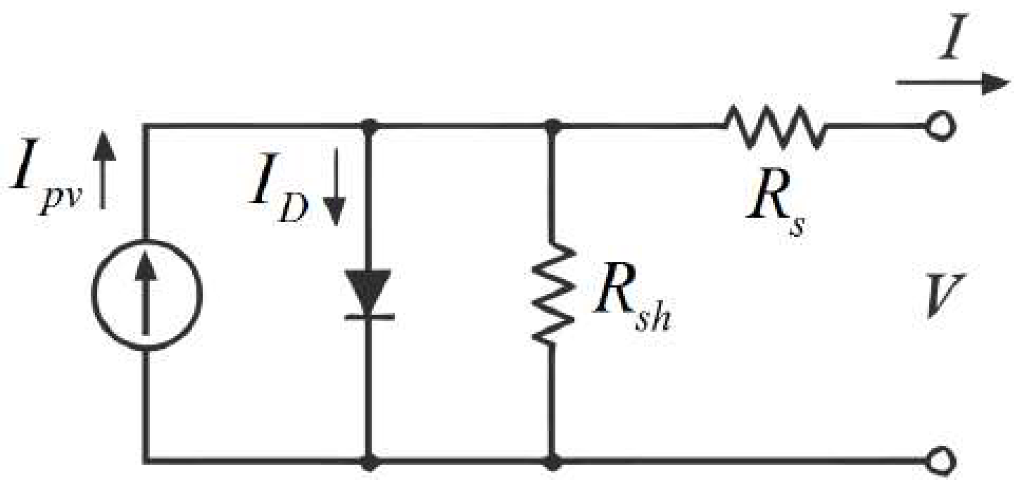
2. System Modelling
2.1. Mathematical Modelling of the Buck–Boost Converter
2.2. Reference Voltage Generation
3. Proposed Controllers Design
3.1. Fuzzy PI Controller
3.1.1. Fuzzy Logic Controller (FLC)
- The IF–THEN rules of the fuzzy system containing the condition and a conclusion are resolved in the rule base.
- A rule base is established for the output depending on the values of the inputs.
- An expert’s choice in understanding and implementing the rules of the game is the focus of fuzzy inference. It is the process through which regulations are assessed and then discarded.
- To obtain real-time data out of the inference engine, we use an output mapping interface called a de-fuzzifier.
3.1.2. Fuzzy PI (FPI) Controller Design
3.2. Fuzzy Sliding Mode Controller (FSMC)
4. Results and Discussion
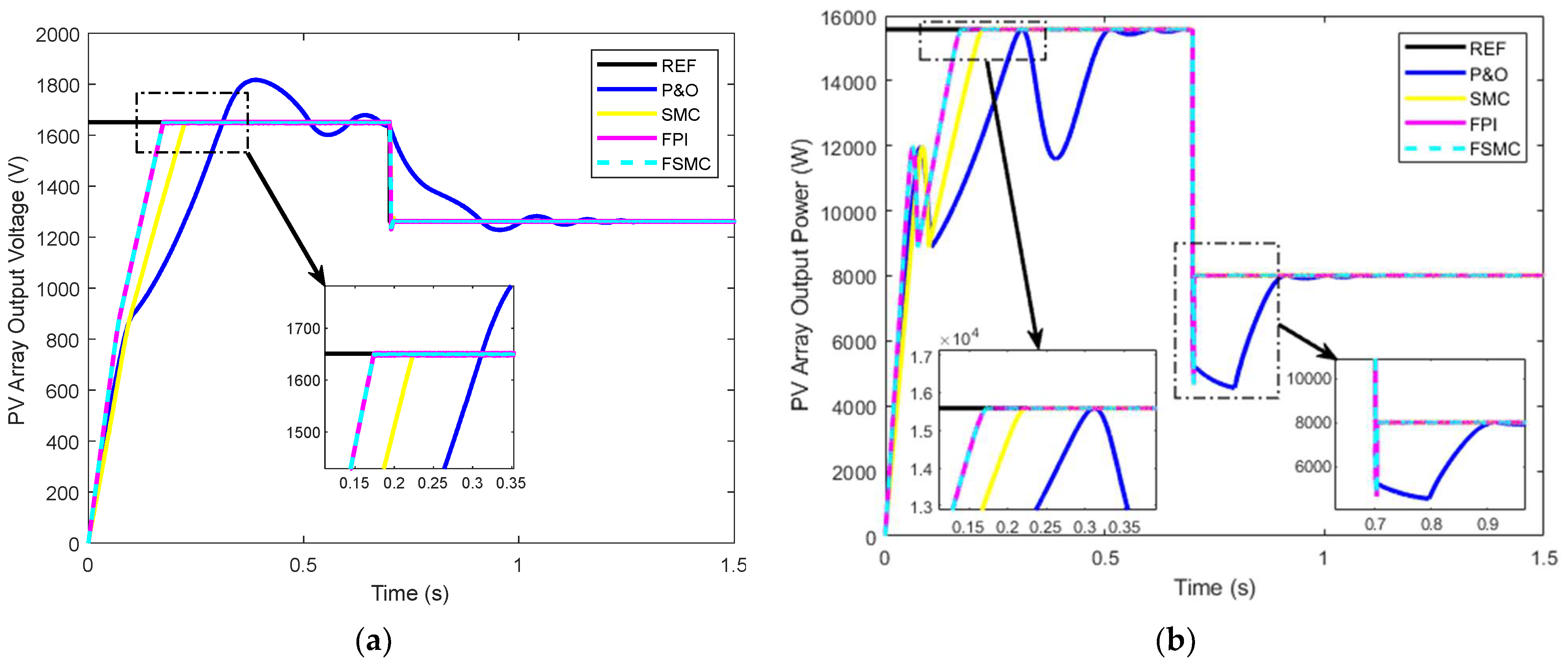
4.1. Voltage Tracking and Power Extracted by the Proposed Technique
4.2. The Proposed Technique for Voltage Tracking and Power Extraction under Fault
4.3. Performance Indices Calculation
5. Conclusions
Author Contributions
Funding
Data Availability Statement
Conflicts of Interest
Appendix A

| Sr. No. | Parameters | Values |
|---|---|---|
| 1 | Maximum Power | 200 W |
| 2 | Cells in Each Module | 54 |
| 3 | Open Circuit Voltage | 32.9 V |
| 4 | Optimum Voltage | 26.3 V |
| 5 | Short Circuit Voltage | 8.21 A |
| 6 | Optimum Current | 7.61 A |
| 7 | Temperature Coefficient | 0.00318 A/ |
| 8 | Temperature Coefficient | −0.123 A/ |
| 9 | Parallel Resistance | 601.3368 Ω |
| 10 | Series Resistance | 0.23 Ω |
| Sr. No. | Parameters | Values |
|---|---|---|
| 1 | C1 | |
| 2 | C2 | |
| 3 | L | 17 mH |
| 4 | RL | 50 Ohms |
| Controller | Parameters | Values |
|---|---|---|
| FPI | 10 | |
| 0.1 | ||
| FSMC | 100 | |
| 1 | ||
| K1 | 300 | |
| K2 | 250 |
References
- Ostadrahimi, A.; Mahmoud, Y. Novel Spline-MPPT Technique for Photovoltaic Systems under Uniform Irradiance and Partial Shading Conditions. IEEE Trans. Sustain. Energy 2021, 12, 524–532. [Google Scholar] [CrossRef]
- Kurtz, S.; Repins, I.; Metzger, W.K.; Verlinden, P.J.; Huang, S.; Bowden, S.; Tappan, I.; Emery, K.; Kazmerski, L.L.; Levi, D. Historical Analysis of Champion Photovoltaic Module Efficiencies. IEEE J. Photovolt. 2018, 8, 363–372. [Google Scholar] [CrossRef]
- Marks-Bielska, R.; Bielski, S.; Pik, K.; Kurowska, K. The Importance of Renewable Energy Sources in Poland’s Energy Mix. Energies 2020, 13, 4624. [Google Scholar] [CrossRef]
- Ahmed, M.A.; Eltamaly, A.M.; Alotaibi, M.A.; Alolah, A.I.; Kim, Y.C. Wireless Network Architecture for Cyber Physical Wind Energy System. IEEE Access 2020, 8, 40180–40197. [Google Scholar] [CrossRef]
- Yang, X.; Song, Y.; Wang, G.; Wang, W.; Yang, X.; Song, Y.; Wang, G.; Wang, W. A Comprehensive Review on the Development of Sustainable Energy Strategy and Implementation in China. IEEE Trans. Sustain. Energy 2010, 1, 57–65. [Google Scholar] [CrossRef]
- Nurunnabi, M.; Roy, N.K.; Hossain, E.; Pota, H.R. Size Optimization and Sensitivity Analysis of Hybrid Wind/PV Micro-Grids-A Case Study for Bangladesh. IEEE Access 2019, 7, 150120–150140. [Google Scholar] [CrossRef]
- Zeb, K.; Khan, I.; Uddin, W.; Khan, M.A.; Sathishkumar, P.; Busarello, T.D.C.; Ahmad, I.; Kim, H.J. A Review on Recent Advances and Future Trends of Transformerless Inverter Structures for Single-Phase Grid-Connected Photovoltaic Systems. Energies 2018, 11, 1968. [Google Scholar] [CrossRef]
- Tatabhatla, V.M.R.; Agarwal, A.; Kanumuri, T. Performance Improvement by Mitigating the Effects of Moving Cloud Conditions. IEEE Trans. Power Electron. 2021, 36, 4214–4223. [Google Scholar] [CrossRef]
- Chen, K.; Tian, S.; Cheng, Y.; Member, S.; Bai, L. An-Improved-MPPT-Controller-for-Photovoltaic.Pdf. 2014, pp. 1–8. Available online: https://www.semanticscholar.org/paper/An-Improved-MPPT-Controller-for-Photovoltaic-System-Chen-Tian/fba0443b4b250a68675efb6132b34ae1f2963aee (accessed on 8 June 2023).
- Gosumbonggot, J.; Fujita, G. Partial Shading Detection and Global Maximum Power Point Tracking Algorithm for Photovoltaic with the Variation of Irradiation and Temperature. Energies 2019, 12, 202. [Google Scholar] [CrossRef]
- Roy Chowdhury, S.; Saha, H. Maximum Power Point Tracking of Partially Shaded Solar Photovoltaic Arrays. Sol. Energy Mater. Sol. Cells 2010, 94, 1441–1447. [Google Scholar] [CrossRef]
- Safari, A.; Mekhilef, S. Implementation of Incremental Conductance Method with Direct Control. In TENCON 2011–2011 IEEE Region 10 Conference; IEEE: Piscataway, NJ, USA, 2011; pp. 944–948. [Google Scholar] [CrossRef]
- Chao, K.H.; Rizal, M.N. A Hybrid Mppt Controller Based on the Genetic Algorithm and Ant Colony Optimization for Photovoltaic Systems under Partially Shaded Conditions. Energies 2021, 14, 2902. [Google Scholar] [CrossRef]
- Obukhov, S.; Ibrahim, A.; Zaki Diab, A.A.; Al-Sumaiti, A.S.; Aboelsaud, R. Optimal Performance of Dynamic Particle Swarm Optimization Based Maximum Power Trackers for Stand-Alone PV System under Partial Shading Conditions. IEEE Access 2020, 8, 20770–20785. [Google Scholar] [CrossRef]
- Guenounou, O.; Dahhou, B.; Chabour, F. Adaptive Fuzzy Controller Based MPPT for Photovoltaic Systems. Energy Convers. Manag. 2014, 78, 843–850. [Google Scholar] [CrossRef]
- Naghmash; Armghan, H.; Ahmad, I.; Armghan, A.; Khan, S.; Arsalan, M. Backstepping Based Non-Linear Control for Maximum Power Point Tracking in Photovoltaic System. Sol. Energy 2018, 159, 134–141. [Google Scholar] [CrossRef]
- Syafaruddin; Karatepe, E.; Hiyama, T. Artificial Neural Network-Polar Coordinated Fuzzy Controller Based Maximum Power Point Tracking Control under Partially Shaded Conditions. IET Renew. Power Gener. 2009, 3, 239–253. [Google Scholar] [CrossRef]
- Kumar, N.; Hussain, I.; Singh, B.; Panigrahi, B.K. Rapid MPPT for Uniformly and Partial Shaded PV System by Using JayaDE Algorithm in Highly Fluctuating Atmospheric Conditions. IEEE Trans. Ind. Inform. 2017, 13, 2406–2416. [Google Scholar] [CrossRef]
- Kihal, A.; Krim, F.; Laib, A.; Talbi, B.; Afghoul, H. An Improved MPPT Scheme Employing Adaptive Integral Derivative Sliding Mode Control for Photovoltaic Systems under Fast Irradiation Changes. ISA Trans. 2019, 87, 297–306. [Google Scholar] [CrossRef]
- Kihal, A.; Krim, F.; Laib, A. MPPT Voltage oriented Loop Based on Integral Sliding Mode Control to the Boost Converter. In Proceedings of the International Conference on Systems and Control (ICSC), Batna, Algeria, 7–9 May 2017; IEEE: Piscataway, NJ, USA, 2017. ISBN 9781509039609. [Google Scholar]
- Farhat, M.; Barambones, O.; Sbita, L. A New Maximum Power Point Method Based on a Sliding Mode Approach for Solar Energy Harvesting. Appl. Energy 2017, 185, 1185–1198. [Google Scholar] [CrossRef]
- Sajadian, S.; Ahmadi, R. Model Predictive-Based Maximum Power Point Tracking for Grid-Tied Photovoltaic Applications Using a Z-Source Inverter. IEEE Trans. Power Electron. 2016, 31, 7611–7620. [Google Scholar] [CrossRef]
- Sajadian, S.; Ahmadi, R. Distributed Maximum Power Point Tracking Using Model Predictive Control for Solar Photovoltaic Application. In Proceedings of the Thirty Second Annual IEEE Applied Power Electronics Conference and Exposition, Tampa, FL, USA, 26–30 March 2017; IEEE: Piscataway, NJ, USA, 2017. ISBN 9781509053667. [Google Scholar]
- Aguilera, R.P.; Quevedo, D.E. On Stability and Performance of Finite Control Set MPC for Power Converters. In Proceedings of the Workshop on Predictive Control of Electrical Drives and Power Electronics, Munich, Germany, 14–15 October 2011; IEEE: Piscataway, NJ, USA, 2011. ISBN 9781457719141. [Google Scholar]
- Ahmad, W.; Qureshi, M.B.; Khan, M.M.; Fayyaz, M.A.; Nawaz, R. Optimizing Large-Scale PV Systems with Machine Learning: A Neuro-Fuzzy MPPT Control for PSCs with Uncertainties. Electronics 2023, 12, 1720. [Google Scholar] [CrossRef]








| Patterns | G1 | G2 | G3 | G4 | T (Kelvin) |
|---|---|---|---|---|---|
| SP1 | 600 | 600 | 1000 | 1000 | 298.15 |
| SP2 | 200 | 400 | 600 | 1000 | 298.15 |
| SP3 | 120 | 240 | 600 | 700 | 298.15 |
| SP4 | 200 | 400 | 600 | 1000 | 298.15 |
| SP5 | 600 | 600 | 1000 | 1000 | 298.15 |
| SP6 | 1000 | 1000 | 1000 | 1000 | 298.15 |
| Input Membership Functions | Output Membership Functions | IF–Then Rules | ||
|---|---|---|---|---|
| S. No. | Linguistic Terms | Linguistic Terms | If Input |e(t)| | ) |
| 1 | Zero | Zero | Zero | Zero |
| 2 | Small | Small | Small | Small |
| 3 | Large | Large | Large | Large |
Disclaimer/Publisher’s Note: The statements, opinions and data contained in all publications are solely those of the individual author(s) and contributor(s) and not of MDPI and/or the editor(s). MDPI and/or the editor(s) disclaim responsibility for any injury to people or property resulting from any ideas, methods, instructions or products referred to in the content. |
© 2023 by the authors. Licensee MDPI, Basel, Switzerland. This article is an open access article distributed under the terms and conditions of the Creative Commons Attribution (CC BY) license (https://creativecommons.org/licenses/by/4.0/).
Share and Cite
Rabbani, M.A.; Qureshi, M.B.; Al Qahtani, S.A.; Khan, M.M.; Pathak, P. Enhancing MPPT Performance in Partially Shaded PV Systems under Sensor Malfunctioning with Fuzzy Control. Energies 2023, 16, 4665. https://doi.org/10.3390/en16124665
Rabbani MA, Qureshi MB, Al Qahtani SA, Khan MM, Pathak P. Enhancing MPPT Performance in Partially Shaded PV Systems under Sensor Malfunctioning with Fuzzy Control. Energies. 2023; 16(12):4665. https://doi.org/10.3390/en16124665
Chicago/Turabian StyleRabbani, Moazzam Ali, Muhammad Bilal Qureshi, Salman A. Al Qahtani, Muhammad Mohsin Khan, and Pranavkumar Pathak. 2023. "Enhancing MPPT Performance in Partially Shaded PV Systems under Sensor Malfunctioning with Fuzzy Control" Energies 16, no. 12: 4665. https://doi.org/10.3390/en16124665
APA StyleRabbani, M. A., Qureshi, M. B., Al Qahtani, S. A., Khan, M. M., & Pathak, P. (2023). Enhancing MPPT Performance in Partially Shaded PV Systems under Sensor Malfunctioning with Fuzzy Control. Energies, 16(12), 4665. https://doi.org/10.3390/en16124665

