Abstract
At present, renewable energies represent 25% of the global power generation capacity. The increase in clean energy facilities is mainly due to the high levels of pollution generated by the burning of fossil fuels to satisfy the growing electricity demand. The global capacity of generating electricity from solar energy has experienced a significant increase, reaching 505 GW in 2018. Today, multilevel inverters are used in PV systems to convert direct current into alternating current. However, the use of multilevel inverters in renewable energies applications presents different challenges; for example, grid-connected systems use a transformer to avoid the presence of leakage currents. The grid-connected systems must meet at least two international standards analyzed in this work: VDE 0126-1-1 and VDE-AR-N 4105, which establish a maximum leakage current of 300 mA and harmonic distortion maximum of 5%. Previously, DC/AC converters have been studied in different industrial applications. The state-of-the-art presented in the work is due to the growing need for a greater use of clean energy and the use of inverters as an interface between these technologies and the grid. Also, the paper presents a comparative analysis of the main multilevel inverter voltage-source topologies used in transformerless PV systems. In each scheme, the advantages and disadvantages are presented, as well as the main challenges. In addition, current trends in grid-connected systems using these schemes are discussed. Finally, a comparative table based on input voltage, switching frequency, output levels, control strategy used, efficiency, and leakage current is shown.
1. Introduction
In the 21st century, Renewable Energy Sources (RES) have acquired an unprecedented role [1]. Governments are increasingly betting on clean energy to comply with international agreements. For example, India seeks the installation of 40,000 MW electricity generation capacity from renewable energy sources by 2022. In Argentina, one of the largest solar plants in Latin America is being built, the project will provide the grid 300 MW of power [2]. The main RES are: hydraulic, wind and solar. In 2018, solar energy experienced an increase of 103.2 GW in global electricity production capacity over the previous year, for a total of 505 GW. However, electrical capacity from hydraulic and wind power only increased by 20 GW and 51.3 GW, respectively. A detailed description of the current status of RES is presented in [3]. The greater use of Photovoltaic (PV) systems is, essentially, due to the decrease in cell production costs, which means that the return on investment occurs in less time. At present, solar energy is consolidated as a competitive option for both the industrial and residential sectors [4]. Figure 1 shows the increase in electrical production per year of the main clean sources.
Figure 1.
Annual increase in electricity generation capacity from RES by technology.
The advance in PV systems worldwide has caused a reduction in the cost of investments to generate electricity by this means. Gatta et al. in [5] analyze the replacement of diesel generators by hybrid RES plants in Italy, where 500 kWp (Peak Power) PV power plant and a 1000 kW/500 kWh lithium-ion Battery Energy Storage System (BESS) were installed. However, to achieve widespread use of PV systems worldwide, this technology must be competitive in terms of cost compared to conventional methods. Certain estimates assure that the price of PV systems will decrease from USD 0.18/kWh in 2016 to USD 0.05/kWh in 2030 [6]. This price actually contrasts with an average of USD 0.12/kWh for conventional energy sources.
Currently, the integration of BESS and PV systems has been efficiently achieved in certain applications. The authors in [7] present a traction system based on obtaining solar energy stored in a BESS. The research proposes a solution based on PV for one of the most polluting sectors in the world. However, it is important to mention that the energy obtained from other RES is currently expanding. Wind farms are an alternative to the absence of sunlight at night. In this regard, the research [8] offers a broad panorama of this technology use.
The efficiency and lifetime of the system are two aspects that directly affect the reduction of costs. Currently, there is a trend to oversize the PV array; thus, the nominal power of the array is greater than the nominal inverter power [9,10] and the converter gets more energy in the same period. The system as a whole will capture more energy during production periods. It is possible to oversize the panels considering that the price decreases approximately 13% [11] each year; therefore, the cost of a greater PV string will be compensated with the energy captured.
The inverters are: Current-Source Inverter (CSI), Voltage-Source Inverter (VSI), or Impedance-Source Inverter (ZSI) [12]. The VSI and CSI differ in the type of input element (capacitor or inductor) [13]. The use of the inverters cover a wide range of applications, from power supplies to high-power industrial applications, certain examples are found in the literature [14,15,16,17,18]. The DC/AC converters are also employed as intermediate stage between RES and the grid since they transform the Direct Current (DC) into Alternating Current (AC).
Sahan et al. in [19] present a comparative study between VSI and CSI. Other classifications are line-switched or auto-switched; inverters for autonomous systems or inverters for grid-connected systems and single-phase (<5 kW) or three-phase (>5 kW). Traditional DC/AC converters, also called conventional inverters, are limited to only two output levels and require specific characteristics to achieve an adequate signal. For example, the two-level H-bridge topology uses a high-switching frequency to obtain low harmonic distortion at the output [20]. The main disadvantages of traditional topologies are shown in Table 1.
Table 1.
Main conventional inverters limitations.
Multilevel topology has emerged to remove the limitations of traditional DC/AC converters. The main multilevel voltage-source schemes are: Neutral Point Clamped (NPC) [21], Flying Capacitor (FC) [22] and Cascaded (CMLI) [23], although other topologies are also used to a lesser extent, such as Hexagram [24] and Hybrid [25]. The main difference between conventional topologies and multilevel inverters is the number of output levels, while traditional converters have only two levels of power at their output, multilevel inverters deliver more than two levels.
The development of multilevel inverters evolves together with the different control strategies. Nowadays, Model Predictive Control (MPC) is commonly used in the control area of these converters [26]. Its effectiveness has been proved in various power converter topologies [27]. Conventional control techniques such as Proportional-Integral (PI) [28] or Proportional-Resonant (PR) controller [29,30] are also used. However, the control strategy depends on the topology and the application.
Although inverters have been previously studied in industrial applications [31], the use of these converters in RES is a subject that presents its own challenges, trends and problems. Precisely, due to the current need for a greater use of RES and inverters as an interface for the injection of energy into the grid, the current state-of-the-art research on multilevel inverters in these applications is presented. The paper addresses NPC, FC, and CMLI topologies and focuses on establishing benchmarks, including the latest research on the topologies mentioned. Figure 2 shows an inverter classification scheme and highlights the topologies that are addressed in the work. The comparative analysis is performed taking into account several aspects of importance in PV inverters such as: number of elements and power supplies, leakage current, fault tolerance capacity, compliance with international standards and the complexity of the control and modulation strategy developed. Therefore, the work presents the following contributions:
Figure 2.
Multilevel inverters classification presented in [32].
- Presents an overview of the current integration of RES with energy injection systems to the grid.
- Provides an evaluation and comparison between three voltage-source multilevel inverter topologies.
- Discusses about the modulation strategy in NPC inverters.
- Presents future trends and research opportunities to contribute to the field.
- Presents the challenges and issues concerning the interconnection between the inverters and the grid.
- Summarizes more than 20 inverter application works in PV systems.
The work is structured as follows: In Section 2, the basic concepts of multilevel inverters, the advantages of their use, as well as main standards of grid-connected systems are presented. Section 3 shows the NPC topology, highlighting the different modulation strategies used for the correct balance of the input capacitors. Similarly, FC-based topology is addressed in Section 4. Section 5 present the scheme based on cascade inverters, addressing the issues of fault tolerance. Finally, Section 6 presents a summary table of the most recent works reported in the literature, allowing comparison points based on the type of converter, input voltage, switching frequency, control strategy, efficiency and leakage current. A list of the acronyms used in this paper is presented at the end of the document.
2. Multilevel Voltage-Source Inverters
The multilevel inverter generate various levels of voltage or current at the output and obtain their energy from different DC sources, to deliver it with the use of lower-rated switches. In general, the power is obtained from capacitors, batteries, or other conventional storage, including RE sources [18]. Different MLI topologies have been studied [33,34,35]. Figure 3 present a comparison between the output signal of traditional inverters and MLI. It is observed that the MLI shows a more sinusoidal waveform that traditional two level inverters, which allows obtaining the characteristics presented in Table 2.
Figure 3.
Output comparison: (a) Traditional inverters, (b) Multilevel inverters.
Table 2.
Main multilevel inverters advantages.
The development of MLI has been marked by the progress of semiconductor materials technology (IGBT, MOSFET, etc.) and the evident evolution of digital processors (microprocessors, DSP and FPGA). In this sense, in [36], an interesting investigation is presented, and the most important conclusion could be that the use of 4H-SiC constitutes one of the most important aspects that enabled the current development of power converters. Hence, the multilevel inverters are rapidly emerging as a promising alternative in photovoltaic systems for high-power/medium-voltage DC/AC conversion. Within multilevel inverters, the Multilevel Voltage-Source Inverter (MVSI) inverter has got attention for a better quality power supply. In MVSI, the amplitude of the output voltage generally is less than the input, in these cases, the inverter behaves as a buck converter. Therefore, an intermediate boost stage is generally required since, in RES applications, the panel voltage is low. Nevertheless, by including this stage, the complexity of the system control increases, and the efficiency decreases.
There is a close compromise between THD, inverter output levels and filter size. When the levels increases, THD and filter size decrease, but a higher number of components is required. Nowadays, an important challenge is to design schemes with a reduced number of components. Authors in [37] introduce a novel topology, which seeks to reduce the number of switches as shown in Figure 4. This scheme has three power supplies and ten semiconductors to deliver fifteen output levels.
Figure 4.
Multilevel topology proposed in [37].
The authors propose that the maximum output voltage by using this configuration is:
where: is the input power supply and is the output voltage in the load.
The document presented in [38] summarizes the main schemes that make it possible to reduce the number of elements. The work concludes that the reduction of components causes the use of more expensive devices, by raising the voltage rating of semiconductor circuit breakers. Other aspects, such as the increase in the number of energy sources and more complex control schemes are also pointed out. The above approach shows the compromise that exists between the number of energy levels that the converter delivers and the complexity of its control, presenting a proportional relationship between both variables [39].
The grid-connected PV systems must comply with certain standards such as VDE 0126-1-1, which regulates the maximum allowed of leakage current in the system. Leakage current flows when the terminals have high-frequency voltage transitions.This systems generally use transformers to ensure the isolation of the PV system. Hence, it is avoided the appearance of leakage current between the stray capacitances of the panel and the grid [40], causing EMI problems, increased harmonic distortion and possible damage to health. The use of an isolation stage transformer increases as the weight, cost and volume of the system. In addition, this element causes losses in efficiency of around 3%. The newer topologies seek to eliminate this element. The main advantages are higher efficiency, adequate power density, and lower cost [41]. Also, the performance of the control would be affected according to the winding settings [42]. For this reason, transformerless PV inverters capture the interest of the scientific community [43].
The European Network Code “Requirements for Generators” or VDE-AR-N 4105 is aimed at low voltage systems. The code establishes the grid connection standards for generation systems in Germany. The main parameters to monitor are the capabilities for frequency stabilization and the provision of reactive power. A comparative summary of the aforementioned standards is presented in Table 3. In [44], the principal regulations that the grid-connected systems must comply with are summarized.
Table 3.
German code VDE comparison [45].
3. Neutral Point Clamped Based Topologies
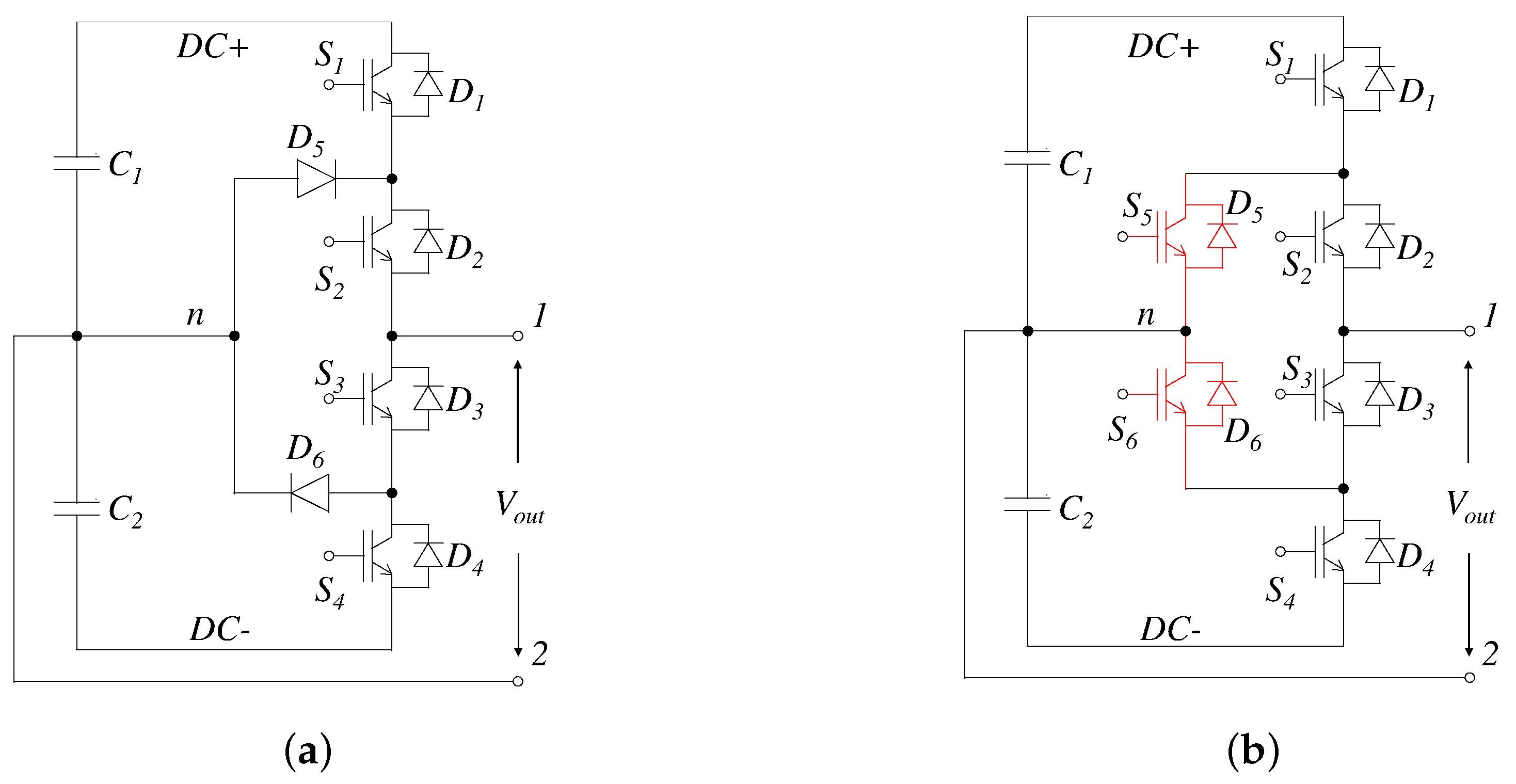
In NPC inverters, multiple DC sources are generated by dividing the input bus voltage using a capacitors bank as shown in Figure 5a. The topology is recognized as one of the most popular schemes among MLI [46]. Table 4 shows the allowed, potentially destructive, and destructive switching patterns that could be implemented in the basic structure of the Three-Level NPC (3L-NPC) inverters. The NPC converters are mainly employed in high and medium-power range [47,48]. This DC/AC converter have low dv/dt, low THD [49] and can remove common-mode current making it attractive for PV applications [50]. There are certain high-power applications in which NPC inverters allow a higher DC-link voltage and also avoid the series connection of semiconductors in the same branch [51]. This devices have a large number of clamping diodes, unbalance problems in the DC-bus capacitors and a non-uniform distribution of losses in the switches. In standard operating conditions the values of the capacitors must have a value similar voltage. In [52], a new PWM modulation strategy is proposed to control the output voltage and balance the DC bus capacitors for converters.
Figure 5.
Comparison of basic configurations: (a) 3L-NPC and (b) 3L-ANPC.
Table 4.
Switching states 3L-NPC.
An alternative to the traditional NPC topology is the Active-NPC (ANPC) scheme. This variant arises to eliminate the previously mentioned disadvantages. In ANPC design, instead of using clamping diodes, bidirectional semiconductors are used, as shown in Figure 5b. In both schemes (NPC and ANPC), it is possible to reduce the leakage current by connecting the middle point of the DC-bus to the grid ground. In this way, the value of or will depend on the sign of the output current. Therefore, the stray capacitance voltage remains constant and no leakage current arises. The conduction losses can be reduced by using different paths in the zero state. Currently, certain modifications of the traditional PWM have been implemented in ANPC topologies to achieve correct operation of the inverter, reducing conduction losses and achieving a correct balance of the capacitors.
The techniques for eliminating the leakage current in PV inverters are grouped into two categories. The first introduces one switch to isolate the grid from the panels in freewheeling times. The second category maintains a neutral connection from the grid to the midpoint of the input capacitors and ensures low-voltage variations. Considering an NPC inverter, the common-mode voltage is defined from Equation (2). From the mathematical point of view the reduction of the leakage current is achieved when there is no variation in the terms and . Figure 6 shows a simplified electrical diagram, where the influence of the above terms in the emergence of leakage current is observed.
where: the common voltage and the differential voltage are defined as and , the voltage at the inverter output at (1) and (2) with respect to the neutral point (n) is defined as and respectively.
Figure 6.
Common-mode represented based on simplified electrical circuit diagram.
By considering Equations (2) and (3), and can be presented as:
where: the relationship between the common mode and the differential mode is determined by .
The control strategy in this type of converter is divided into current loop based controllers and Direct Power Control (DPC). A good dynamic inverter response as well as a simple control scheme are two characteristics present in the DPC technique. The main disadvantage of this control strategy is the presence of a variable-switching frequency. Today this technique is combined with others such as Space Vector Modulation (SVM) [53,54] and MPC to achieve a fixed-switching frequency [55,56,57,58]. Control schemes should also include an appropriate modulation strategy, with particular emphasis on capacitor balancing. In this way, safe operation of the switches is achieved, avoiding over-voltage conditions. Table 5 summarizes the works on the modulation techniques for NPC inverters. There are three factors that must be considered for the selection of the modulation strategy [59]:
Table 5.
Summary of recent works on modulation strategies in NPC inverters.
- The redundant switching states.
- The direction of the output current.
- The influence on the instantaneous value of the capacitors.
Most of the methods [68] that reduce the common-mode base their principle on selecting the vectors corresponding to Common-Mode Voltage (CMV) lower or zero without considering the oscillation of the neutral point voltage. In [69], a novel virtual SVM where a zero NP current average and a low CMV in one control cycle is achieved. Martinez et al. in [70], present a comparative analysis on different modulation techniques used in PV inverters. The results of the work throw certain conclusions that are interesting:
- Phase Shifted-Pulse Width Modulation (PS-PWM) is a suitable solution for power filters, controlled rectifiers, etc., but this technique is not recommended for transformerless inverter applications.
- Two-Sectors Hybrid-PWM (2SH-PWM) is easy to implement, reduces leakage ground current and is more efficient than 3L-PWM.
- Six-Sectors Hybrid PWM (6SH-PWM) is capable of halving leakage ground current spikes compared to 2SH-PWM.
- Three-Level PWM (3L-PWM), the 2SH-PWM, and the 6SH-PWM are three modulation strategies that achieve the correct operation of the transformerless grid-connected systems.
An analysis of the lifetime of inverters for photovoltaic applications is carried out in [71], where an NPC based topology and a T-type inverter are compared. The authors conclude that inverters based on the NPC topology have a longer lifetime than T-type inverters. This conclusion exposes the durability and the use of this type of inverter in RES applications [72,73]. In this sense, authors in [74] summarize a group of inverter topologies used in RE applications, highlighting the presence of a low leakage current in each of them. Ma et al. in [72] propose a new PWM strategy for ANPC topologies, the scheme is illustrated in Figure 7. The cited work present a modulation strategy based on an adjustable losses distribution that offers excellent performance and an increase the efficiency of the topology of the 97%. The switching pattern is presented in Table 6.
Figure 7.
ANPC Half Bridge proposed in [72].
Table 6.
Switches states of adjustable losses distribution of ANPC Half-Bridge inverter proposed in [72].
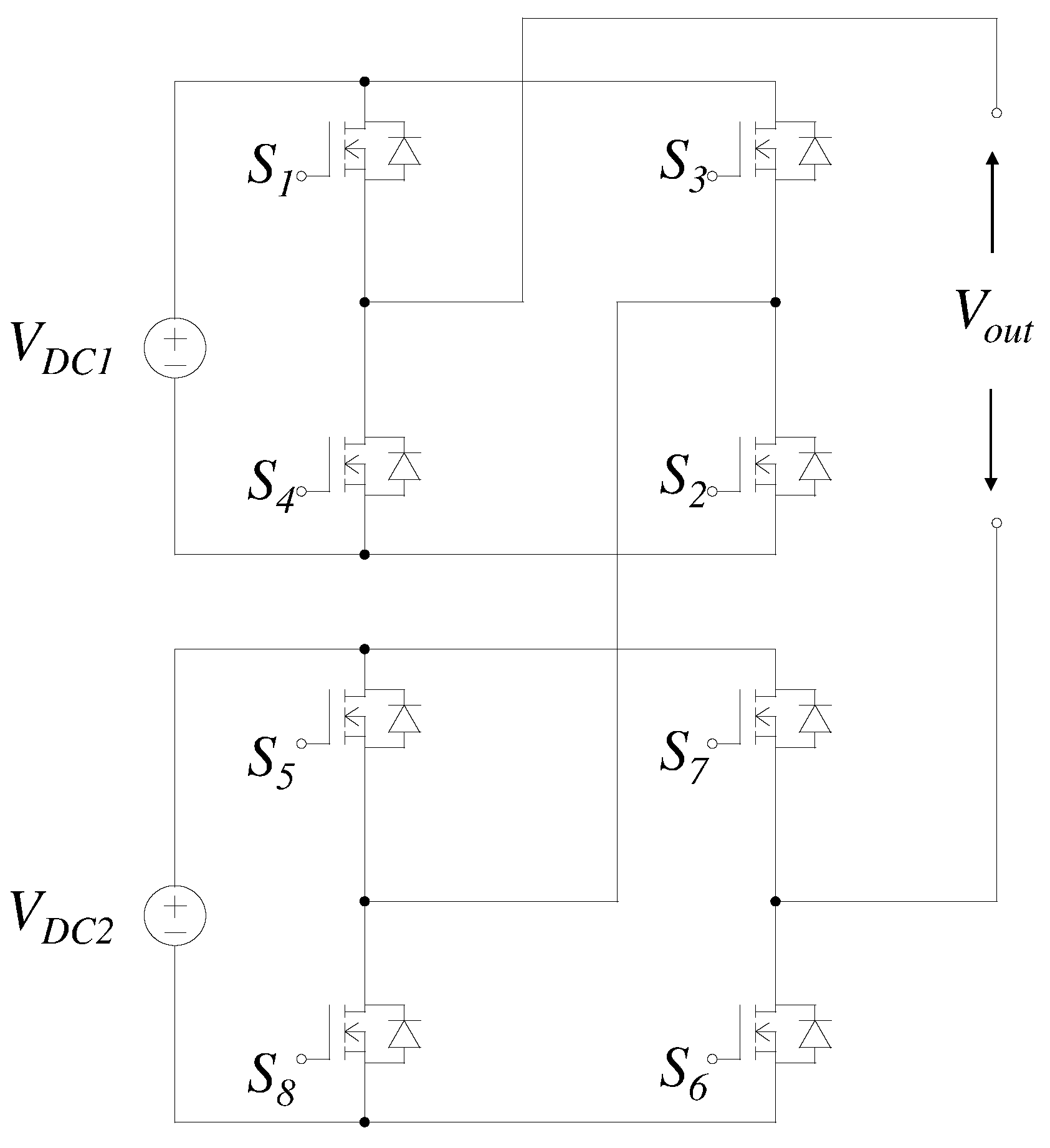
Wang et al. in [75] propose a grid-connected 6S-5L-ANPC inverter. The topology reduces the number of switches since eight switches are generally used. This advantage reduces conduction and switching losses. An important comparison with traditional ANPC topologies considering the stress of semiconductor devices, the switching frequency, the switching losses, the conduction losses and the system volume is presented. In PV applications, special attention should be paid to THD. Therefore, the authors select the phase disposition PWM scheme as modulation strategy. This method directly affects the balance of flying capacitors. The proposal achieves a correct balance of the capacitors, also using a selection method to limit its voltage ripple. Figure 8 present the aforementioned topology and Table 7 shows the switching states of the inverter. In total, there are eight possible states. One of the most important results is a THD of 1.6%. The authors also present the equations for sizing capacitors in active and reactive power conditions. Equation (7) establishes the capacitor value under the condition of unit power factor and Equation (8) under reactive power condition.
where: represents the line, is the switching frequency frequency, is the peak value of the output, is the voltage drop, is the electric charge, the modulation index is defined as M and N is the number of switching cycles.
Figure 8.
Proposed ANPC inverter topology in [75].
Table 7.
Operation modes of the proposed topology in [75].
4. Flying Capacitor Based Topologies
The FC concept was first introduced in 1992; this type of inverter uses different capacitors to deliver various levels of power at the converter output [76]. The topology benefits include attractive properties in different power ranges, however they are more suitable for medium-voltage applications. Another advantage of topology is the possibility of using natural self-balancing. Furthermore, it has an equitable distribution of voltage stress between switches [77]. Also, as in the case of NPC, a single source can be used to generate multiple voltage levels.In commercial applications, the use of FC with more than three output levels are more common than the NPC alternative [78]. The presented topology is generally not used in PV applications. The scheme is more suitable for use in electric vehicles. However, it was decided to include it in work, since it is part of the most widely used voltage-source topologies. Figure 9 illustrates a Five-Level FC (5L-FC) inverter and Table 8 the operation modes are shown.
Figure 9.
Basic configuration of 5-level inverter based on FC.
Table 8.
5L-FC operation modes.
Despite the advantages mentioned, FC inverters have certain limitations that are addressed in current works. For example, capacitor banks reduce the life of the system, and sometimes the balance of floating capacitors can be complex [79]. The problem of capacitor voltage balance is the main limitation of the use of the FC topology. Consequently, the scheme has not been generally used in PV applications. In the last decade, investigations related have been reported, for example, in [80], using a - duty cycle mismatch measurement between two groups of Three-Level Flying Capacitor (3L-FC) topology switches to control the system without any additional detection. Table 9 summarizes several works between the years 2015–2019.
Table 9.
Recent work on voltage balancing in FC.
In [86] a novel converter is proposed, which has certain advantages, for example, reduced voltage stress on semiconductors, a wide voltage gain and a common grounded scheme. These characteristics can be commonly found in this type of inverter, however, FC-based converters are not generally used in RES, since they require a large number of input capacitors that increase the complexity of the techniques for balancing them [87].
THD is reduced with more energy levels at the inverter output. In the case of FC, requires a large number of capacitors. A derivation of this configuration has been presented in [88], where cross-connecting capacitors have achieved a higher voltage level at the output through additional switches.Another of the biggest challenges in this topology is to provide the necessary energy to activate the large number of switches that the scheme has. Ye et al. in [89] present the comparison of five methods that reduce space and increase the efficiency of gate drive power supply circuits. Also, the operation of a multilevel FC inverter where an additional circuit is provided to avoid the defective cell, if it exists, is presented in [90]. However, in this topology, the elements have to be oversized to operate at full-power level when the failure of one of the cells is detected.
The FC design must have several considerations. Various design methodologies are found in the bibliography. For example, authors in [91] propose a methodology based on harmonic representation of the switching functions. The advantage of the proposed methodology lies in the possibility of being extrapolated to any FC-based scheme. Currently the uses of the treated scheme are very varied. There are certain applications in which a DC-bus is used due to voltage variations. Large capacitors are connected in parallel to the bus to avoid such voltage variations. Some of this applications are back-to-back converters, Power Factor Compensators (PFC), and uninterruptible power supply. The FC topology is chosen as the infinite virtual capacitor converter, which is a nonlinear capacitor where the voltage dependence of the load has a flat region and the voltage remains constant [92].
5. Cascaded Based Topologies
The CMLI integrates multiple H-bridge schemes to generate a multilevel voltage [93]. The scheme has certain advantages compared to NPC and FC topologies, for example, they do not employ clamping diodes, in addition, a greater number of energy sources making it more suitable for specific applications such as electric vehicle [94] and PV applications [95]. Another advantage of the CMLI scheme is that, if any device fails in the bridge, the converter will continue to operate although it will deliver less energy. Therefore, this configuration is, to some extent, fault-tolerant. Also, its modularity and smaller filter size make it more attractive for high and medium-power PV applications. Figure 10 present a basic configuration of the CMLI topology, and Table 10 shows the switching pattern for the five output levels.
Figure 10.
5L-CMLI basic configuration.
Table 10.
5L-CMLI switching table.
Despite the aforementioned advantages, the topology has certain limitations. The main disadvantage is the use of isolated DC sources for each H-bridge. This problem was solved in the FC and NPC topology, but the voltage adjustment of the capacitors is complex [96]. Also, during partial shading the energy captured by the system is reduced. In certain investigations have presented various studies about the partial shading of PV modules, but most of the schemes are complex designs that generally cause a decrease in the efficiency of the system and an increase in the cost of the inverter [97,98].
The selection of the controller in CMLI depends on the topology and the application. Each controller has favorable characteristics in certain systems, ranging from less complexity to a desired dynamic response. Various types of controllers are used with the scheme discussed. The most widely used are PR controller and PI. When used LC or LCL filters using traditional controllers such as PI is not appropriate because it does not completely eliminate the steady state error [99]. Control systems that employ proportional-resonant controllers eliminate steady-state error. These controllers provide infinite gain in resonance frequency. Equation (9) defines the ideal PR control. In [100] a new technique to synchronize MLI with the grid using PR controller is shown. In the presented design, the control scheme has a lower error between the real power and the reference compared to the PI controller.
where: is the fundamental frequency (grid frequency), and represent proportional and resonant gains respectively.
Grid-connected systems can be classified according to the Maximum Power Point Tracking (MPPT) method used. The two classifications are centralized or distributed. The distributed technique reports better efficiency in the literature, but is more complex and has a larger volume than the centralized MPPT methods [101]. In the case of cascade inverters, the implementation of a distributed method requires a large number of sensors and considerably increases the cost of the system. Figure 11 illustrates the most common architectures in the distributed MPPT method. In micro-inverters of the Figure 11a, the energy generated by the different modules is injected directly into the grid. In front-end DC optimizers presented in Figure 11b, the converters perform the MPPT separately. Its output is connected in series; thus, the power that is injected into the grid is the sum of each module. If a module has low efficiency, it does not affect the rest of the converters, since each module provides its power separately.
Figure 11.
Distributed MPPT architectures: (a) micro-inverters and (b) front-end DC optimizers.
Authors in [102] present a low cost and straightforward distributed MPPT method for energy optimizers in CMLI-based photovoltaic systems using front-end DC optimizers. In [103] a simplified feedforward distributed MPPT method for grid-connected CMLI is presented. The authors use the method as a “… superior solution for PV system grid integration due to its simple implementation, signal stage power conversion, no added complexity with increasing the number of connected modules, and it eliminates the need for individual control loop for each module…” It is important to mention that most conventional techniques do not achieve a distributed MPPT, which decreases the efficiency of the system. Goetz et al. in [104] propose a modular Double Cascading H-bridge topology. The scheme reduces the output of the inverter filter and achieves a fast dynamic response. The MPPT is carried out in each module, which incorporates a battery for energy storage. The use of batteries in PV applications is avoided since these elements are highly polluting, then they break with the concept of clean energy. One of the essential advantages of the topology is the possibility of being extended to circuits in general.
A brief bibliographic review shows the use of topology as a fault-tolerance scheme. In photovoltaic applications, faults distort the output voltage, degrading the power supplied. A fault diagnosis scheme must detect the problem in the shortest possible time to avoid serious failures in the system, and each design requires its strategy. A common problem is considering that the system is in open circuit to monitor its status [105]. Shao et al. in [106], present a technique for detecting faults using Sliding Mode Observer (SMO) able to locate the fault element in the system. The authors in [107] present a detailed review of various faults in photovoltaic systems. The work identifies the main faults as line-line, earth, arc, shadow and others, and proposes its protection strategy. Various strategies are employed for fault detection in PV systems, using standard protection devices or offline/real-time testing of PV systems. Table 11 shows a summary of typical failure cases and respective protection/detection devices.
Table 11.
Typical fault occurrences and respective protection/detection devices present in [107].
Currently, there is a trend towards the combined use of PV energy and batteries as a storage medium and certain studies analyze its feasibility. For example, authors in [108] conducts extensive research concluded in 2019, in Finland. The work considers the profitability of BESS investments between the years 2018 and 2035. The authors conclude that, these systems would not be profitable for RES applications at present, although a decrease in costs is estimated from 1270 to 1370 euros/kWh in 2018 to 830–930 euros/kWh in 2035. However, sometimes an uninterrupted flow of energy is required and the use of batteries is essential due to PV power intermittent nature. The BESS output is controllable and the system can be treated as a controllable load [109].
The grid-connected schemes in this typology, as in the previous ones, still have certain challenges. Decreasing the leakage current in transformerless systems is one of the main aspects to consider. In this regard, some research has been carried out, such as [110]. In this work an analysis of the behavior of the leakage current of the different modes of operation of the basic structure CMLI is presented. The analysis considers the common-mode inductor in each switching state and can be simpler if pole voltages are used. Also, the authors propose two schemes of suppression of the leakage current. The first solution uses low-capacitance common-mode capacitors and stray capacitors as part of the output filter. It is included that this solution is suitable for inverters operated at high-frequencies. Solution two is appropriate when the converter uses a switching frequency of less than 1.5 kHz.
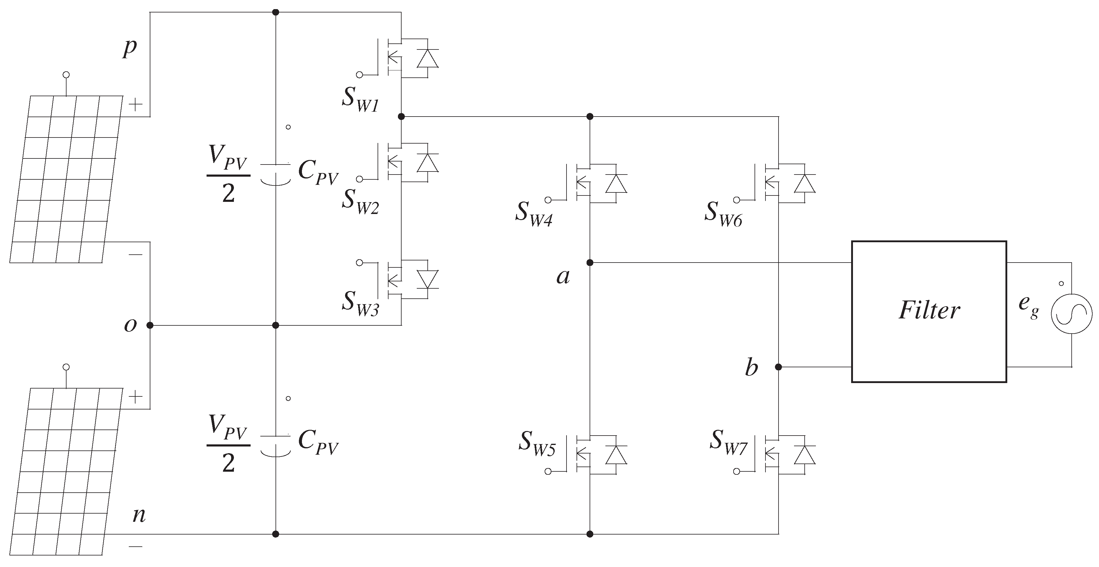
Sonti et al. in [111] present a PWM technique to eliminate or reduce leakage current in CMLI-based schemes. The work integrates the applied MPPT and PWM algorithm. In this way, it is possible to reduce the high-frequency transitions of voltage and the CMV. Figure 12 shows the proposed architecture and Table 12 present the switching states. The switches , and , operate in a complementary way. Hence, there are three pairs of switches [, , ], [, ] and [, ]. Modulation proposal isolates PV array and grid during freewheeling states, operating similarly to an H5 topology. The authors achieve leakage current reduction with the presence of low-frequency transitions in the PV terminal voltage.
Figure 12.
Five-level CMLI proposed in [111].
Table 12.
Operation mode of the topology proposed in [111].
6. Comparative Study
The section present a comparative table between NPC and CMLI schemes. As mentioned above, at present, FC-based topology is not generally used in PV applications. The comparison takes into account different aspects such as input voltage value, switching frequency, control strategy, efficiency and leakage current and only includes recent works. Other recent works establish different comparisons according to the topic they address. The authors in [112] show five control methods based on SMC, the comparison is made considering the topology, the modes of operation and the number of sensors required. Lee in [113], establishes a comparative analysis of recent topologies based on cascade inverters, which reveals that the proposed in the document achieves the reduction of the switch count.
It can be appreciated that the switching frequencies rarely exceed 15 kHz. Increasing the switching speed causes an increase in the system losses and the THD. There is a compromise between the number of output levels and the speed of the switches. Increasing the number of power levels imply slower switching frequency.
All the works presented comply with the two most important grid connection standards. These standards establish a maximum leakage current and THD of 300 mA and 5%, respectively. Compliance with standards largely depends on the strategy of modulation employed. From the data presented, it is observed that the SVPWM technique and its variants are the most recurrent when it is required to decrease the voltage in common-mode topologies.
Another element that is noted is the use of inverters with 3 output levels. The authors note a compromise between the number of levels and the number of elements in their topology. Generally, with 3 levels, satisfactory results are obtained, as showed in Table 13.
Table 13.
Multilevel inverters used on PV applications.
7. Conclusions
Nowadays, inverter technology is achieving efficiencies above 98%, leaving little room for improvement for future work. It is important to note that the use of each of the schemes is conditioned by the requirements to be met in each application. There are several interesting points to highlight:
- In general, the multilevel inverters schemes focus on reducing the total cost of ownership and the number of the switches.
- There is a close relationship among the efficiency, cost, and complexity, a relationship that is evident when analyzing the main parameters obtained in each design, such as THD, leakage current and efficiency.
- The NPC topology has high efficiency and low leakage current in transformerless schemes, making it attractive in RE applications.
- Certain disadvantages of the NPC topology were detected, for example, it uses additional numbers of clamping diodes to achieve a higher number of output levels. Neutral-point voltage balancing problem is the main challenge of the topology. Different factors such as the modulation index, load current, and fundamental frequency must be considered to achieve a correct balance of the capacitors. In addition, it presents an unequal distribution of its losses.
- The ANPC topology is used to overcome these drawbacks, which directly affect the useful life of the system and, therefore, the investment cost.
- An important aspect of the ANPC scheme is the possibility of using various modulation schemes to obtain the lowest loss distribution. Thus, ANPC topology is more suitable for applications of high-power transformerless PV systems.
- The FC-based topology is not commonly used in RES applications. It should be noted that the voltage balancing of flying capacitors in each PWM cycle, which guarantees the safe operation of the converter, is a crucial topic in these topologies. Furthermore, research trying to reduce the cost and volume of floating capacitors, especially when the number of cells increases.
- The CMLI topology is emerging as an excellent interface between different RES sources and the grid, offering high efficiency and fault tolerance capabilities. This topology is suitable when energy needs to be obtained from several RES.
- In this sense, within the current challenges of the CMLI is the ability to respond to fluctuations and the drop of some of its DC sources (generally, 20% and 80%, respectively). Furthermore, the researches seek to integrate various RES.
Author Contributions
Conceptualization, A.A.E.-B. and A.A.-D.; methodology, A.A.E.-B.; formal analysis, A.A.E.-B.; investigation, A.A.E.-B. and A.A.-D.; resources, J.R.-R.; data curation, A.A.E.-B., and A.A.-D. and J.R.-R.; writing–original draft preparation, A.A.E.-B. and A.A.-D.; writing–review and editing, A.A.E.-B. and A.A.-D.; supervision, J.R.-R. All authors have read and agreed to the published version of the manuscript.
Funding
This research received funding from PRODEP and CONACYT.
Conflicts of Interest
The authors declare no conflict of interest.
Abbreviations
The following abbreviations are used in this manuscript:
| RES | Renewable Energy Sources |
| PV | Photovoltaic |
| DC | Direct Current |
| AC | Alternating Current |
| BESS | Battery Energy Storage System |
| CSI | Current-Source Inverter |
| VSI | Voltage-Source Inverter |
| ZSI | Impedance-Source Inverter |
| PI | Proportional-Integral |
| PR | Proportional-Resonant |
| MPC | Model Predictive Control |
| NPC | Neutral-Point-Clamped |
| NP | Neutral Point |
| ANPC | Active Neutral-Point-Clamped |
| 3L-NPC | Three-Level Neutral-Point-Clamped |
| 3L-ANPC | Three-Level Active Neutral-Point-Clamped |
| MVSI | Multilevel Voltage-Source Inverter |
| FC | Flying Capacitor |
| CMLI | Cascaded Multilevel Inverter |
| MLI | Multilevel Inverter |
| EMI | Electromagnetic Interference |
| THD | Total Harmonic Distortion |
| PWM | Pulse With Modulation |
| DSP | Digital Signal Processor |
| FPGA | Field-Programmable Gate Array |
| DPC | Direct Power Control |
| SVM | Space Vector Modulation |
| SVPWM | Space Vector PWM |
| SPWM | Senoidal PWM |
| DPWM | Digital PWM |
| MSCMM-SPWM | Modified Single-Carrier and Multimodulation Sine PWM |
| PS-PWM | Phase Shifted-PWM |
| 6S-5L-ANPC | Six Switches Five Levels ANPC |
| 2SH-PWM | Two-Sectors Hybrid-PWM |
| 3L-PWM | Three-Level PWM |
| CMV | Common-Mode Voltage |
| PS-PWM | Phase Shifted-PWM |
| 2SH-PWM | Two-Sectors Hybrid-PWM |
| 3L-PWM | Three-Level PWM |
| CMV | Common-Mode Voltage |
| MPPT | Maximum Power Point Tracking |
| CHB | Cascading H-Bridge |
| OCPDs | Over Current Protection Devices |
| GFDI | Ground Fault Detection and Interruption |
| GFPDs | Ground Fault Protection Devices |
| AFCIs | Arc Fault Circuit Interrupters |
| RCD | Residual Current Monitoring Device |
| IMD | Insulation Monitoring Device |
| ECM | Earth Capacitance Measurement |
References
- Aleem, S.A.; Hussain, S.M.; Ustun, T.S. A review of strategies to increase PV penetration level in smart grids. Energies 2020, 13, 636. [Google Scholar] [CrossRef]
- Kumar, N.; Saxena, V.; Singh, B.; Panigrahi, B.K. Intuitive control technique for grid connected partially shaded solar PV-based distributed generating system. IET Renew. Power Gener. 2020, 14, 600–607. [Google Scholar] [CrossRef]
- Raturi, A.K. Renewables 2019 Global Status Report; REN21 Secretariat: Paris, France, 2019. [Google Scholar]
- Kumar, A.; Sharma, S.; Verma, A. Optimal sizing and multi-energy management strategy for PV-biofuel-based off-grid systems. IET Smart Grid 2020, 3, 83–97. [Google Scholar] [CrossRef]
- Gatta, F.M.; Geri, A.; Lauria, S.; Maccioni, M.; Palone, F.; Portoghese, P.; Buono, L.; Necci, A. Replacing diesel generators with hybrid renewable power plants: Giglio smart island project. IEEE Trans. Ind. Appl. 2019, 55, 1083–1092. [Google Scholar] [CrossRef]
- Sangwongwanich, A.; Yang, Y.; Sera, D.; Blaabjerg, F.; Zhou, D. On the impacts of PV array sizing on the inverter reliability and lifetime. IEEE Trans. Ind. Appl. 2018, 54, 3656–3667. [Google Scholar] [CrossRef]
- Zhong, Z.; Zhang, Y.; Shen, H.; Li, X. Optimal planning of distributed photovoltaic generation for the traction power supply system of high-speed railway. J. Clean. Prod. 2020, 263, 121394. [Google Scholar] [CrossRef]
- Naderi, E.; Pourakbari-Kasmaei, M.; Lehtonen, M. Transmission expansion planning integrated with wind farms: A review, comparative study, and a novel profound search approach. Int. J. Electr. Power Energy Syst. 2020, 115, 105460. [Google Scholar] [CrossRef]
- Khatib, T.; Mohamed, A.; Sopian, K. A review of photovoltaic systems size optimization techniques. Renew. Sustain. Energy Rev. 2013, 22, 454–465. [Google Scholar] [CrossRef]
- Hussin, M.Z.; Omar, A.M.; Shaari, S.; Sin, N.D.M. Review of state-of-the-art: Inverter-to-array power ratio for thin—Film sizing technique. Renew. Sustain. Energy Rev. 2017, 74, 265–277. [Google Scholar] [CrossRef]
- Wirth, H.; Schneider, K. Recent Facts about Photovoltaics in Germany; Fraunhofer ISE: Freiburg, Germany, 2015; Volume 92. [Google Scholar]
- Vázquez, N.; Baeza, E.; Perea, A.; Hernández, C.; Vázquez, E.; López, H. “Z” and “qZ” source inverters as electronic ballast. IEEE Trans. Power Electron. 2016, 31, 7651–7660. [Google Scholar] [CrossRef]
- Tapia Hector Jua, L.; Rodriguez Jose Juan, A.; Gonzalez Aurelio, D.; Resendiz Juvenal, R. Eight levels multilevel voltage source inverter modulation technique. IEEE Lat. Am. Trans. 2018, 16, 1121–1127. [Google Scholar] [CrossRef]
- Yong, J.; Li, X.; Xu, W. Interharmonic source model for current-source inverter-fed variable frequency drive. IEEE Trans. Power Deliv. 2017, 32, 812–821. [Google Scholar] [CrossRef]
- Komurcugil, H.; Altin, N.; Ozdemir, S.; Sefa, I. An extended lyapunov-function-based control strategy for single-phase UPS inverters. IEEE Trans. Power Electron. 2015, 30, 3976–3983. [Google Scholar] [CrossRef]
- Esteve, V.; Jordán, J.; Sanchis-Kilders, E.; Dede, E.J.; Maset, E.; Ejea, J.B.; Ferreres, A. Enhanced pulse-density-modulated power control for high-frequency induction heating inverters. IEEE Trans. Ind. Electron. 2015, 62, 6905–6914. [Google Scholar] [CrossRef]
- Wen, X.; Fan, T.; Ning, P.; Guo, Q. Technical approaches towards ultra-high power density SiC inverter in electric vehicle applications. CES Trans. Electr. Mach. Syst. 2017, 1, 231–237. [Google Scholar] [CrossRef]
- Mondol, M.H.; Tur, M.R.; Biswas, S.P.; Hosain, M.K.; Shuvo, S.; Hossain, E. Compact three phase multilevel inverter for low and medium power photovoltaic systems. IEEE Access 2020, 8, 60824–60837. [Google Scholar] [CrossRef]
- Sahan, B.; Araujo, S.V.; Noding, C.; Zacharias, P. Comparative evaluation of three-phase current source inverters for grid interfacing of distributed and renewable energy systems. IEEE Trans. Power Electron. 2011, 26, 2304–2318. [Google Scholar] [CrossRef]
- Beig, A.R.; Dekka, A. Experimental verification of multilevel inverter-based standalone power supply for low-voltage and low-power applications. IET Power Electron. 2012, 5, 635–643. [Google Scholar] [CrossRef]
- Aqeel Anwar, M.; Abbas, G.; Khan, I.; Awan, A.B.; Farooq, U.; Saleem Khan, S.; Majeed, R. An impedance network-based three level quasi neutral point clamped inverter with high voltage gain. Energies 2020, 13, 1261. [Google Scholar] [CrossRef]
- Rana, R.A.; Patel, S.A.; Muthusamy, A.; Lee, C.W.; Kim, H.J. Review of multilevel voltage source inverter topologies and analysis of harmonics distortions in FC-MLI. Electronics 2019, 8, 1329. [Google Scholar] [CrossRef]
- Yuan, W.; Wang, T.; Diallo, D.; Delpha, C. A fault diagnosis strategy based on multilevel classification for a cascaded photovoltaic grid-connected inverter. Electronics 2020, 9, 429. [Google Scholar] [CrossRef]
- Devi, G.R.; Rajesh, P.; Sathish, S.; Sivaraman, S.; Fayaz, S.M. Performance investigation of hexagram inverter for high power applications. In Proceedings of the 2019 IEEE International Conference on System, Computation, Automation and Networking (ICSCAN), Pondicherry, India, 29–30 March 2019; pp. 1–8. [Google Scholar] [CrossRef]
- Jiao, L.; Qiu, D.; Zhang, B.; Chen, Y. A hybrid nine-arm high-voltage inverter with DC-fault blocking capability. Energies 2019, 12, 3850. [Google Scholar] [CrossRef]
- Rodriguez, J.; Kazmierkowski, M.P.; Espinoza, J.R.; Zanchetta, P.; Abu-Rub, H.; Young, H.A.; Rojas, C.A. State of the art of finite control set model predictive control in power electronics. IEEE Trans. Ind. Inform. 2013, 9, 1003–1016. [Google Scholar] [CrossRef]
- Panten, N.; Hoffmann, N.; Fuchs, F.W. Finite control set model predictive current control for grid-connected voltage-source converters with LCL filters: A study based on different state feedbacks. IEEE Trans. Power Electron. 2016, 31, 5189–5200. [Google Scholar] [CrossRef]
- Yang, S.; Lei, Q.; Peng, F.Z.; Qian, Z. A robust control scheme for grid-connected voltage-source inverters. IEEE Trans. Ind. Electron. 2011, 58, 202–212. [Google Scholar] [CrossRef]
- Kumar, N.; Saha, T.K.; Dey, J. Control, implementation, and analysis of a dual two-level photovoltaic inverter based on modified proportional-resonant controller. IET Renew. Power Gener. 2018, 12, 598–604. [Google Scholar] [CrossRef]
- Revana, G.; Kota, V.R. Simulation and implementation of resonant controller based PV fed cascaded boost-converter three phase five-level inverter system. J. King Saud Univ. Eng. Sci. 2019. [Google Scholar] [CrossRef]
- Gupta, K.K.; Ranjan, A.; Bhatnagar, P.; Sahu, L.K.; Jain, S. Multilevel inverter topologies with reduced device count: A review. IEEE Trans. Power Electron. 2016, 31, 135–151. [Google Scholar] [CrossRef]
- Estévez-Bén, A.A.; López Tapia, H.J.C.; Carrillo-Serrano, R.V.; Rodríguez-Reséndiz, J.; Vázquez Nava, N. A new predictive control strategy for multilevel current-source inverter grid-connected. Electronics 2019, 8, 902. [Google Scholar] [CrossRef]
- Rodriguez, J.; Lai, S.-J.; Peng, F.Z. Multilevel inverters: A survey of topologies, controls, and applications. IEEE Trans. Ind. Electron. 2002, 49, 724–738. [Google Scholar] [CrossRef]
- Fazel, S.S.; Bernet, S.; Krug, D.; Jalili, K. Design and comparison of 4-kV neutral-point-clamped, flying-capacitor, and series-connected H-bridge multilevel converters. IEEE Trans. Ind. Appl. 2007, 43, 1032–1040. [Google Scholar] [CrossRef]
- Cheng, Y.; Qian, C.; Crow, M.L.; Pekarek, S.; Atcitty, S. A comparison of diode-clamped and cascaded multilevel converters for a STATCOM with energy storage. IEEE Trans. Ind. Electron. 2006, 53, 1512–1521. [Google Scholar] [CrossRef]
- Araujo, S.V.; Zacharias, P. Analysis on the potential of Silicon Carbide MOSFETs and other innovative semiconductor technologies in the photovoltaic branch. In Proceedings of the 2009 13th European Conference on Power Electronics and Applications, Barcelona, Spain, 8–10 September 2009; pp. 1–10. [Google Scholar]
- Siddique, M.D.; Mekhilef, S.; Shah, N.M.; Sarwar, A.; Iqbal, A.; Memon, M.A. A new multilevel inverter topology with reduce switch count. IEEE Access 2019, 7, 58584–58594. [Google Scholar] [CrossRef]
- Omer, P.; Kumar, J.; Surjan, B.S. A review on reduced switch count multilevel inverter topologies. IEEE Access 2020, 8, 22281–22302. [Google Scholar] [CrossRef]
- Rawa, M.; Siddique, M.D.; Mekhilef, S.; Mohamed Shah, N.; Bassi, H.; Seyedmahmoudian, M.; Horan, B.; Stojcevski, A. Dual input switched-capacitor-based single-phase hybrid boost multilevel inverter topology with reduced number of components. IET Power Electron. 2020, 13, 881–891. [Google Scholar] [CrossRef]
- Xiao, H.F.; Liu, X.P.; Lan, K. Zero-voltage-transition full-bridge topologies for transformerless photovoltaic grid-connected inverter. IEEE Trans. Ind. Electron. 2014, 61, 5393–5401. [Google Scholar] [CrossRef]
- Vosoughi, N.; Hosseini, S.H.; Sabahi, M. Single-phase common-grounded transformer-less grid-tied inverter for PV application. IET Power Electron. 2020, 13, 157–167. [Google Scholar] [CrossRef]
- Mahmood, H.; Jiang, J. Modeling and control system design of a grid connected VSC considering the effect of the interface transformer type. IEEE Trans. Smart Grid 2012, 3, 122–134. [Google Scholar] [CrossRef]
- Guo, X.; Wang, N.; Wang, B.; Lu, Z.; Blaabjerg, F. Evaluation of three-phase transformerless DC-bypass PV inverters for leakage current reduction. IEEE Trans. Power Electron. 2020, 35, 5918–5927. [Google Scholar] [CrossRef]
- Estévez-Bén, A.A.; Alvarez-Diazcomas, A.; Macias-Bobadilla, G.; Rodriguez-Resendiz, J. Leakage current reduction in single-phase grid-connected inverters—A review. Appl. Sci. 2020, 10, 2384. [Google Scholar] [CrossRef]
- Li, W.; Gu, Y.; Luo, H.; Cui, W.; He, X.; Xia, C. Topology review and derivation methodology of single-phase transformerless photovoltaic inverters for leakage current suppression. IEEE Trans. Ind. Electron. 2015, 62, 4537–4551. [Google Scholar] [CrossRef]
- Lin, H.; Leon, J.I.; Luo, W.; Marquez, A.; Liu, J.; Vazquez, S.; Franquelo, L.G. Integral sliding-mode control-based direct power control for three-level NPC converters. Energies 2020, 13, 227. [Google Scholar] [CrossRef]
- Choudhury, A.; Pillay, P.; Williamson, S.S. Comparative analysis between two-level and three-level DC/AC electric vehicle traction inverters using a novel DC-link voltage balancing algorithm. IEEE J. Emerg. Sel. Top. Power Electron. 2014, 2, 529–540. [Google Scholar] [CrossRef]
- Madhusoodhanan, S.; Mainali, K.; Tripathi, A.; Patel, D.; Kadavelugu, A.; Bhattacharya, S.; Hatua, K. Harmonic analysis and controller design of 15 kV SiC IGBT-based medium-voltage grid-connected three-phase three-level NPC converter. IEEE Trans. Power Electron. 2017, 32, 3355–3369. [Google Scholar] [CrossRef]
- Khojakhan, Y.; Choo, K.M.; Won, C.Y. Stator inductance identification based on low-speed tests for three-level NPC inverter-fed induction motor drives. Electronics 2020, 9, 183. [Google Scholar] [CrossRef]
- Zhang, L.; Sun, K.; Feng, L.; Wu, H.; Xing, Y. A family of neutral point clamped full-bridge topologies for transformerless photovoltaic grid-tied inverters. IEEE Trans. Power Electron. 2013, 28, 730–739. [Google Scholar] [CrossRef]
- Wang, K.; Zheng, Z.; Li, Y. Topology and control of a four-level ANPC inverter. IEEE Trans. Power Electron. 2020, 35, 2342–2352. [Google Scholar] [CrossRef]
- Cervone, A.; Brando, G.; Dordevic, O.; Pizzo, A.D.; Meo, S. An adaptive multistep balancing modulation technique for multipoint-clamped converters. IEEE Trans. Ind. Appl. 2020, 56, 465–476. [Google Scholar] [CrossRef]
- Guzman-Guemez, J.; Laila, D.S.; Sharkh, S.M. State-space approach for modelling and control of a single-phase three-level NPC inverter with SVPWM. In Proceedings of the 2016 IEEE Power and Energy Society General Meeting (PESGM), Boston, MA, USA, 17–21 July 2016; pp. 1–5. [Google Scholar] [CrossRef]
- Shults, T.E.; Husev, O.; Blaabjerg, F.; Roncero-Clemente, C.; Romero-Cadaval, E.; Vinnikov, D. Novel space vector pulsewidth modulation strategies for single-phase three-level NPC impedance-source inverters. IEEE Trans. Power Electron. 2019, 34, 4820–4830. [Google Scholar] [CrossRef]
- Malinowski, M.; Jasinski, M.; Kazmierkowski, M.P. Simple direct power control of three-phase PWM rectifier using space-vector modulation (DPC-SVM). IEEE Trans. Ind. Electron. 2004, 51, 447–454. [Google Scholar] [CrossRef]
- Hu, J.; Zhu, Z.Q. Improved voltage-vector sequences on dead-beat predictive direct power control of reversible three-phase grid-connected voltage-source converters. IEEE Trans. Power Electron. 2013, 28, 254–267. [Google Scholar] [CrossRef]
- Scoltock, J.; Geyer, T.; Madawala, U.K. Model predictive direct power control for grid-connected NPC converters. IEEE Trans. Ind. Electron. 2015, 62, 5319–5328. [Google Scholar] [CrossRef]
- Kahia, B.; Bouafia, A.; Abdelrahem, M.; Zhang, Z.; Chaoui, A.; Krama, A.; Kennel, R. A predictive direct power control strategy for three-level npc rectifier. In Proceedings of the 2017 5th International Conference on Electrical Engineering, Boumerdes, Algeria, 29–31 October 2017; pp. 1–5. [Google Scholar] [CrossRef]
- Dargahi, V.; Sadigh, A.K.; Corzine, K.A.; Enslin, J.H.; Rodriguez, J.; Blaabjerg, F. A new control technique for improved active-neutral-point-clamped (I-ANPC) multilevel converters using logic-equations approach. IEEE Trans. Ind. Appl. 2020, 56, 488–497. [Google Scholar] [CrossRef]
- Mukherjee, S.; Giri, S.K.; Banerjee, S. A flexible discontinuous modulation scheme with hybrid capacitor voltage balancing strategy for three-level NPC traction inverter. IEEE Trans. Ind. Electron. 2019, 66, 3333–3343. [Google Scholar] [CrossRef]
- Mukherjee, S.; Kumar Giri, S.; Kundu, S.; Banerjee, S. A generalized discontinuous PWM scheme for three-level NPC traction inverter with minimum switching loss for electric vehicles. IEEE Trans. Ind. Appl. 2019, 55, 516–528. [Google Scholar] [CrossRef]
- Giri, S.K.; Banerjee, S.; Chakraborty, C. An improved modulation strategy for fast capacitor voltage balancing of three-level NPC inverters. IEEE Trans. Ind. Electron. 2019, 66, 7498–7509. [Google Scholar] [CrossRef]
- Jiang, W.; Li, L.; Wang, J.; Ma, M.; Zhai, F.; Li, J. A novel discontinuous PWM strategy to control neutral point voltage for neutral point clamped three-level inverter with improved PWM sequence. IEEE Trans. Power Electron. 2019, 34, 9329–9341. [Google Scholar] [CrossRef]
- Zhang, G.; Wan, Y.; Wang, Z.; Gao, L.; Zhou, Z.; Geng, Q. Discontinuous space vector PWM strategy for three-phase three-level electric vehicle traction inverter fed two-phase load. World Electr. Veh. J. 2020, 11, 27. [Google Scholar] [CrossRef]
- Luo, S.; Wu, F.; Zhao, K. Modified single-carrier multilevel SPWM and online efficiency enhancement for single-phase asymmetrical NPC grid-connected inverter. IEEE Trans. Ind. Inform. 2020, 16, 3157–3167. [Google Scholar] [CrossRef]
- Jung, J.; Ku, H.; Im, W.; Kim, J. A carrier-based PWM control strategy for three-level NPC inverter based on bootstrap gate drive circuit. IEEE Trans. Power Electron. 2020, 35, 2843–2860. [Google Scholar] [CrossRef]
- Pham, K.D.; Nguyen, N.V. A reduced common-mode-voltage pulsewidth modulation method with output harmonic distortion minimization for three-level neutral-point-clamped inverters. IEEE Trans. Power Electron. 2020, 35, 6944–6962. [Google Scholar] [CrossRef]
- Ramasamy, P.; Krishnasamy, V. SVPWM control strategy for a three phase five level dual inverter fed open-end winding induction motor. ISA Trans. 2020. [Google Scholar] [CrossRef] [PubMed]
- Jiang, W.; Wang, P.; Ma, M.; Wang, J.; Li, J.; Li, L.; Chen, K. A novel virtual space vector modulation with reduced common-mode voltage and eliminated neutral point voltage oscillation for neutral point clamped three-level inverter. IEEE Trans. Ind. Electron. 2020, 67, 884–894. [Google Scholar] [CrossRef]
- Martinez-Garcia, J.F.; Martinez-Rodriguez, P.R.; Escobar, G.; Vazquez-Guzman, G.; Sosa-Zuñiga, J.M.; Valdez-Fernandez, A.A. Effects of modulation techniques on leakage ground currents in a grid-tied transformerless HB-NPC inverter. IET Renew. Power Gener. 2019, 13, 1250–1260. [Google Scholar] [CrossRef]
- Choi, U.M.; Lee, J.S. Comparative evaluation of lifetime of three-level inverters in grid-connected photovoltaic systems. Energies 2020, 13, 1227. [Google Scholar] [CrossRef]
- Ma, L.; Kerekes, T.; Rodriguez, P.; Jin, X.; Teodorescu, R.; Liserre, M. A new PWM strategy for grid-connected half-bridge active NPC converters with losses distribution balancing mechanism. IEEE Trans. Power Electron. 2015, 30, 5331–5340. [Google Scholar] [CrossRef]
- Saridakis, S.; Koutroulis, E.; Blaabjerg, F. Optimization of SiC-based H5 and conergy-NPC transformerless PV inverters. IEEE J. Emerg. Sel. Top. Power Electron. 2015, 3, 555–567. [Google Scholar] [CrossRef]
- Zhou, L.; Gao, F.; Xu, T. A family of neutral-point-clamped circuits of single-phase PV inverters: Generalized principle and implementation. IEEE Trans. Power Electron. 2017, 32, 4307–4319. [Google Scholar] [CrossRef]
- Wang, H.; Kou, L.; Liu, Y.; Sen, P.C. A new six-switch five-level active neutral point clamped inverter for PV applications. IEEE Trans. Power Electron. 2017, 32, 6700–6715. [Google Scholar] [CrossRef]
- Dargahi, V.; Khoshkbar Sadigh, A.; Abarzadeh, M.; Pahlavani, M.R.A.; Shoulaie, A. Flying capacitors reduction in an improved double flying capacitor multicell converter controlled by a modified modulation method. IEEE Trans. Power Electron. 2012, 27, 3875–3887. [Google Scholar] [CrossRef]
- Sadigh, A.K.; Hosseini, S.H.; Sabahi, M.; Gharehpetian, G.B. Double flying capacitor multicell converter based on modified phase-shifted pulsewidth modulation. IEEE Trans. Power Electron. 2010, 25, 1517–1526. [Google Scholar] [CrossRef]
- Feng, C.; Liang, J.; Agelidis, V.G. Modified Phase-Shifted PWM control for flying capacitor multilevel converters. IEEE Trans. Power Electron. 2007, 22, 178–185. [Google Scholar] [CrossRef]
- Lee, S.-G.; Kang, D.-W.; Lee, Y.-H.; Hyun, D.-S. The carrier-based PWM method for voltage balance of flying capacitor multilevel inverter. In Proceedings of the 2001 IEEE 32nd Annual Power Electronics Specialists Conference (IEEE Cat. No.01CH37230), Vancouver, BC, Canada, 17–21 June 2001; Volume 1, pp. 126–131. [Google Scholar] [CrossRef]
- Abdelhamid, E.; Corradini, L.; Mattavelli, P.; Bonanno, G.; Agostinelli, M. Sensorless stabilization technique for peak current mode controlled three-level flying-capacitor converters. IEEE Trans. Power Electron. 2020, 35, 3208–3220. [Google Scholar] [CrossRef]
- Ghias, A.M.Y.M.; Pou, J.; Agelidis, V.G.; Ciobotaru, M. Optimal switching transition-based voltage balancing method for flying capacitor multilevel converters. IEEE Trans. Power Electron. 2015, 30, 1804–1817. [Google Scholar] [CrossRef]
- Sadigh, A.K.; Dargahi, V.; Corzine, K.A. New active capacitor voltage balancing method for flying capacitor multicell converter based on logic-form-equations. IEEE Trans. Ind. Electron. 2017, 64, 3467–3478. [Google Scholar] [CrossRef]
- Chen, H.; Lu, C.; Lien, W.; Chen, T. Active capacitor voltage balancing control for three-level flying capacitor boost converter based on average-behavior circuit model. IEEE Trans. Ind. Appl. 2019, 55, 1628–1638. [Google Scholar] [CrossRef]
- Stillwell, A.; Candan, E.; Pilawa-Podgurski, R.C.N. Active voltage balancing in flying capacitor multi-level converters with valley current detection and constant effective duty cycle control. IEEE Trans. Power Electron. 2019, 34, 11429–11441. [Google Scholar] [CrossRef]
- Penczek, A.; Mondzik, A.; Stala, R.; Ruderman, A. Simple time-domain analysis of a multilevel DC/DC flying capacitor converter average aperiodic natural balancing dynamics. IET Power Electron. 2019, 12, 1179–1186. [Google Scholar] [CrossRef]
- Elsayad, N.; Moradisizkoohi, H.; Mohammed, O. A new three-level flying-capacitor boost converter with an integrated LC2D output network for fuel-cell vehicles: Analysis and design. Inventions 2018, 3, 61. [Google Scholar] [CrossRef]
- Vijeh, M.; Rezanejad, M.; Samadaei, E.; Bertilsson, K. A general review of multilevel inverters based on main submodules: Structural point of view. IEEE Trans. Power Electron. 2019, 34, 9479–9502. [Google Scholar] [CrossRef]
- Chaudhuri, T.; Rufer, A. Modeling and control of the cross-connected intermediate-level voltage source inverter. IEEE Trans. Ind. Electron. 2010, 57, 2597–2604. [Google Scholar] [CrossRef]
- Ye, Z.; Lei, Y.; Liu, W.; Shenoy, P.S.; Pilawa-Podgurski, R. Improved bootstrap methods for powering floating gate drivers of flying capacitor multilevel converters and hybrid switched-capacitor converters. IEEE Trans. Power Electron. 2020, 35, 5965–5977. [Google Scholar] [CrossRef]
- Lezana, P.; Pou, J.; Meynard, T.A.; Rodriguez, J.; Ceballos, S.; Richardeau, F. Survey on fault operation on multilevel inverters. IEEE Trans. Ind. Electron. 2010, 57, 2207–2218. [Google Scholar] [CrossRef]
- Bressan, M.V.; Rech, C.; Batschauer, A.L. Design of flying capacitors for n-level FC and n-level SMC. Int. J. Electr. Power Energy Syst. 2019, 113, 220–228. [Google Scholar] [CrossRef]
- Lin, J.; Weiss, G. Multilevel converter with variable flying capacitor voltage used for virtual infinite capacitor. In Proceedings of the 2017 International Symposium on Power Electronics (Ee), Novi Sad, Serbia, 19–21 October 2017; pp. 1–4. [Google Scholar] [CrossRef]
- Guerriero, P.; Coppola, M.; Napoli, F.D.; Brando, G.; Dannier, A.; Iannuzzi, D.; Daliento, S. Three-phase PV CHB inverter for a distributed power generation system. Appl. Sci. 2016, 6, 287. [Google Scholar] [CrossRef]
- Zhang, C.; Gao, Z. A cascaded multilevel inverter using only one battery with high-frequency link and low-rating-voltage MOSFETs for motor drives in electric vehicles. Energies 2018, 11, 1778. [Google Scholar] [CrossRef]
- Gopal, Y.; Birla, D.; Lalwani, M. Selected harmonic elimination for cascaded multilevel inverter based on photovoltaic with fuzzy logic control maximum power point tracking technique. Technologies 2018, 6, 62. [Google Scholar] [CrossRef]
- Banaei, M.R.; Khounjahan, H.; Salary, E. Single-source cascaded transformers multilevel inverter with reduced number of switches. IET Power Electron. 2012, 5, 1748–1753. [Google Scholar] [CrossRef]
- Uno, M.; Shinohara, T. Module-integrated converter based on cascaded quasi-Z-source inverter with differential power processing capability for photovoltaic panels under partial shading. IEEE Trans. Power Electron. 2019, 34, 11553–11565. [Google Scholar] [CrossRef]
- Kumar, A.; Verma, V. Performance enhancement of single-phase grid-connected PV system under partial shading using cascaded multilevel converter. IEEE Trans. Ind. Appl. 2018, 54, 2665–2676. [Google Scholar] [CrossRef]
- Ye, T.; Dai, N.; Lam, C.; Wong, M.; Guerrero, J.M. Analysis, design, and implementation of a quasi-proportional-resonant controller for a multifunctional capacitive-coupling grid-connected inverter. IEEE Trans. Ind. Appl. 2016, 52, 4269–4280. [Google Scholar] [CrossRef]
- Majumder, M.G.; Patra, M.; Kasari, P.R.; Das, B.; Chakraborti, A. Photovoltaic array based grid connected cascaded multilevel inverter using PR controller. In Proceedings of the 2017 Innovations in Power and Advanced Computing Technologies (i-PACT), Vellore, India, 21–22 April 2017; pp. 1–5. [Google Scholar] [CrossRef]
- Li, Y.; Wang, Y.; Li, B.Q. Generalized theory of phase-shifted carrier PWM for cascaded H-bridge converters and modular multilevel converters. IEEE J. Emerg. Sel. Top. Power Electron. 2016, 4, 589–605. [Google Scholar] [CrossRef]
- Elmelegi, A.; Aly, M.; Ahmed, E.M.; Alhaider, M.M. An efficient low-cost distributed MPPT method for energy harvesting in grid-tied three-phase PV power optimizers. In Proceedings of the 2019 21st International Middle East Power Systems Conference (MEPCON), Cairo, Egypt, 17–19 December 2019; pp. 1042–1047. [Google Scholar] [CrossRef]
- Elmelegi, A.; Aly, M.; Ahmed, E.M.; Alharbi, A.G. A simplified phase-shift PWM-based feedforward distributed MPPT method for grid-connected cascaded PV inverters. Sol. Energy 2019, 187, 1–12. [Google Scholar] [CrossRef]
- Goetz, S.M.; Wang, C.; Li, Z.; Murphy, D.L.K.; Peterchev, A.V. Concept of a distributed photovoltaic multilevel inverter with cascaded double H-bridge topology. Int. J. Electr. Power Energy Syst. 2019, 110, 667–678. [Google Scholar] [CrossRef]
- Boutasseta, N.; Ramdani, M.; Mekhilef, S. Fault-tolerant power extraction strategy for photovoltaic energy systems. Sol. Energy 2018, 169, 594–606. [Google Scholar] [CrossRef]
- Shao, S.; Wheeler, P.W.; Clare, J.C.; Watson, A.J. Fault detection for modular multilevel converters based on sliding mode observer. IEEE Trans. Power Electron. 2013, 28, 4867–4872. [Google Scholar] [CrossRef]
- Pillai, D.S.; Rajasekar, N. A comprehensive review on protection challenges and fault diagnosis in PV systems. Renew. Sustain. Energy Rev. 2018, 91, 18–40. [Google Scholar] [CrossRef]
- Kuleshov, D.; Peltoniemi, P.; Kosonen, A.; Nuutinen, P.; Huoman, K.; Lana, A.; Paakkonen, M.; Malinen, E. Assessment of economic benefits of battery energy storage application for the PV-equipped households in Finland. J. Eng. 2019, 2019, 4927–4931. [Google Scholar] [CrossRef]
- Alhaider, M.; Fan, L. Planning energy storage and photovoltaic panels for demand response with heating ventilation and air conditioning systems. IEEE Trans. Ind. Inform. 2018, 14, 5029–5037. [Google Scholar] [CrossRef]
- Zhou, Y.; Li, H. Analysis and suppression of leakage current in cascaded-multilevel-inverter-based PV systems. IEEE Trans. Power Electron. 2014, 29, 5265–5277. [Google Scholar] [CrossRef]
- Sonti, V.; Jain, S.; Bhattacharya, S. Analysis of the modulation strategy for the minimization of the leakage current in the PV grid-connected cascaded multilevel inverter. IEEE Trans. Power Electron. 2017, 32, 1156–1169. [Google Scholar] [CrossRef]
- Bayhan, S.; Komurcugil, H. A sliding-mode controlled single-phase grid-connected quasi-Z-source NPC inverter with double-line frequency ripple suppression. IEEE Access 2019, 7, 160004–160016. [Google Scholar] [CrossRef]
- Lee, S.S. Single-stage switched-capacitor module (S3CM) topology for cascaded multilevel inverter. IEEE Trans. Power Electron. 2018, 33, 8204–8207. [Google Scholar] [CrossRef]
- Wu, F.; Li, X.; Feng, F.; Gooi, H.B. Modified cascaded multilevel grid-connected inverter to enhance european efficiency and several extended topologies. IEEE Trans. Ind. Inform. 2015, 11, 1358–1365. [Google Scholar] [CrossRef]
- Cui, W.; Luo, H.; Gu, Y.; Li, W.; Yang, B.; He, X. Hybrid-bridge transformerless photovoltaic grid-connected inverter. IET Power Electron. 2015, 8, 439–446. [Google Scholar] [CrossRef]
- Zhou, L.; Gao, F.; Xu, T. Implementation of active NPC circuits in transformer-less single-phase inverter with low leakage current. IEEE Trans. Ind. Appl. 2017, 53, 5658–5667. [Google Scholar] [CrossRef]
- Rojas, C.A.; Aguirre, M.; Kouro, S.; Geyer, T.; Gutierrez, E. Leakage current mitigation in photovoltaic string inverter using predictive control with fixed average switching frequency. IEEE Trans. Ind. Electron. 2017, 64, 9344–9354. [Google Scholar] [CrossRef]
- Ardashir, J.F.; Sabahi, M.; Hosseini, S.H.; Blaabjerg, F.; Babaei, E.; Gharehpetian, G.B. A single-phase transformerless inverter with charge pump circuit concept for grid-tied PV applications. IEEE Trans. Ind. Electron. 2017, 64, 5403–5415. [Google Scholar] [CrossRef]
- Wang, J.; Mu, X.; Li, Q.K. Study of passivity-based decoupling control of T-NPC PV grid-connected inverter. IEEE Trans. Ind. Electron. 2017, 64, 7542–7551. [Google Scholar] [CrossRef]
- Guo, X.; Zhou, J.; He, R.; Jia, X.; Rojas, C.A. Leakage current attenuation of a three-phase cascaded inverter for transformerless grid-connected PV systems. IEEE Trans. Ind. Electron. 2018, 65, 676–686. [Google Scholar] [CrossRef]
- Kakosimos, P.; Abu-Rub, H. Predictive control of a grid-tied cascaded full-bridge NPC inverter for reducing high-frequency common-mode voltage components. IEEE Trans. Ind. Inform. 2018, 14, 2385–2394. [Google Scholar] [CrossRef]
- Guisso, R.A.; Andrade, A.M.S.S.; Hey, H.L.; Martins, M.L.d.S. Grid-tied single source quasi-Z-source cascaded multilevel inverter for PV applications. Electron. Lett. 2019, 55, 342–343. [Google Scholar] [CrossRef]
- Ahmed, A.; Sundar Manoharan, M.; Park, J. An efficient single-sourced asymmetrical cascaded multilevel inverter with reduced leakage current suitable for single-stage PV systems. IEEE Trans. Energy Convers. 2019, 34, 211–220. [Google Scholar] [CrossRef]
- Aly, M.; Rojas, C.A.; Ahmed, E.M.; Kouro, S. Leakage current elimination PWM method for fault-tolerant string H-NPC PV inverter. In Proceedings of the IECON 2019—45th Annual Conference of the IEEE Industrial Electronics Society, Lisbon, Portugal, 14–17 October 2019. [Google Scholar] [CrossRef]
- Madasamy, P.; Kumar, V.S.; Sanjeevikumar, P.; Holm-Nielsen, J.B.; Hosain, E.; Bharatiraja, C. A three-phase transformerless T-Type- NPC-MLI for grid connected PV systems with common-mode leakage current mitigation. Energies 2019, 12, 2434. [Google Scholar] [CrossRef]
- Taghvaie, A.; Haque, M.E.; Saha, S.; Mahmud, M.A. A new step-up switched-capacitor voltage balancing converter for NPC multilevel inverter-based solar PV system. IEEE Access 2020, 8, 83940–83952. [Google Scholar] [CrossRef]
- Wang, K.; Zheng, Z.; Xu, L.; Li, Y. A generalized carrier-overlapped PWM method for neutral-point-clamped multilevel converters. IEEE Trans. Power Electron. 2020, 35, 9095–9106. [Google Scholar] [CrossRef]
- Da Costa Bahia, F.A.; Jacobina, C.B.; Rocha, N.; de Sousa, R.P.R. Cascaded transformer multilevel inverters with asymmetrical turns ratios based on NPC. IEEE Trans. Ind. Electron. 2020, 67, 6387–6397. [Google Scholar] [CrossRef]
- Zhang, J.; Wai, R.J. Design of new SVPWM mechanism for three-level NPC ZSI via line-voltage coordinate system. IEEE Trans. Power Electron. 2020, 35, 8593–8606. [Google Scholar] [CrossRef]
- Yuan, Q.; Li, A.; Qian, J.; Xia, K. Neutral-point potential control for the NPC three-level inverter with a newly MPC-based virtual vector modulation. IET Power Electron. 2019. [Google Scholar] [CrossRef]
© 2020 by the authors. Licensee MDPI, Basel, Switzerland. This article is an open access article distributed under the terms and conditions of the Creative Commons Attribution (CC BY) license (http://creativecommons.org/licenses/by/4.0/).











