Circuit Model and Analysis of Multi-Load Wireless Power Transfer System Based on Parity-Time Symmetry
Abstract
1. Introduction
2. Modeling of Multi-Load PT-WPT System
2.1. PT Principle in WPT System with Operational Amplifier
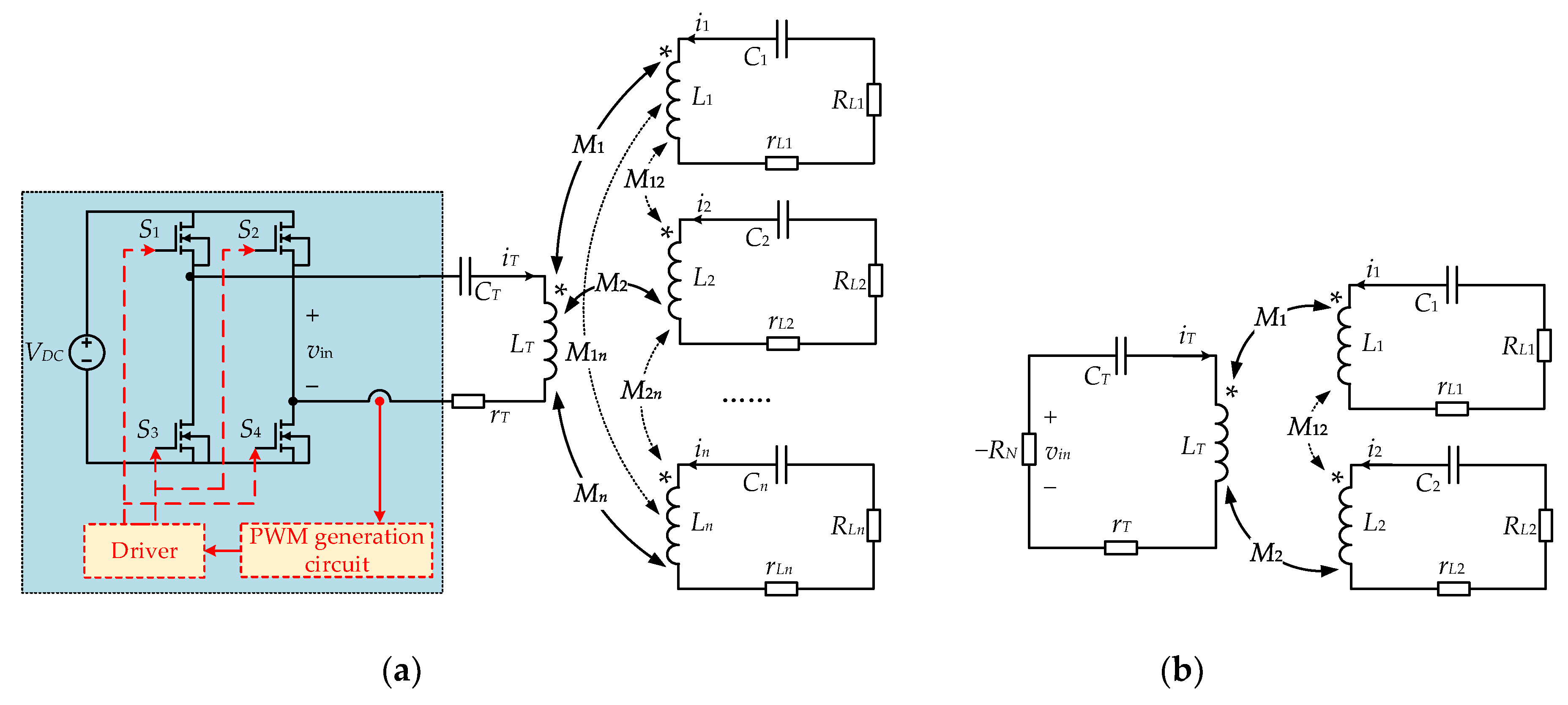
2.2. Circuit Model of Multi-Load PT-WPT System with Self-Oscillating Full-Bridge Inverter
3. Analysis of the Transmission Characteristics of Multi-Load PT-WPT System
3.1. Operating Angular Frequency
3.2. Output Power and Transfer Efficiency
3.3. Comparison with Single-Load PT-WPT System
4. Power Distribution under Different Coupling Situations
5. System Parameter Design and Circuit Simulation Verification
5.1. System Structure and Parameter Design
5.2. Transmission Characteristics Verificaton
5.3. Power Distribution Verificaton
5.4. Comparison with Existing Multi-Load WPT Systems
6. Conclusions
Author Contributions
Funding
Acknowledgments
Conflicts of Interest
References
- Sial, A.; Singh, A.; Mahanti, A. Detecting anomalous energy consumption using contextual analysis of smart meter data. Wirel. Netw. 2019, 1–18. [Google Scholar] [CrossRef]
- Sial, A.; Singh, A.; Mahanti, A.; Gong, M. Heuristics-Based Detection of Abnormal Energy Consumption. Smart GIFT 2018, 21–31. [Google Scholar] [CrossRef]
- Li, B.; Rong, Y. Joint Transceiver Optimization for Wireless Information and Energy Transfer in Nonregenerative MIMO Relay Systems. IEEE Trans. Veh. Technol. 2018, 67, 8348–8362. [Google Scholar] [CrossRef]
- Chen, X.; Ng, D.W.K.; Chen, H.H. Secrecy wireless information and power transfer: Challenges and opportunities. IEEE Wirel. Commun. 2016, 23, 54–61. [Google Scholar] [CrossRef]
- Kim, S.; Hwang, S.; Kim, S.; Lee, B. Investigation of single-input multiple-output wireless power transfer systems based on optimization of receiver loads for maximum efficiencies. J. Electromagn. Eng. Sci. 2018, 18, 145–153. [Google Scholar] [CrossRef]
- Ahn, D.; Kim, S.M.; Kim, S.W.; Moon, J.I.; Cho, I.K. Wireless power transfer receiver with adjustable coil output voltage for multiple receivers application. IEEE Trans. Ind. Electron. 2019, 66, 4003–4012. [Google Scholar] [CrossRef]
- Mirbozorgi, S.A.; Bahrami, H.; Sawan, M.; Gosselin, B. A smart multicoil inductively coupled array for wireless power transmission. IEEE Trans. Ind. Electron. 2014, 61, 6061–6070. [Google Scholar] [CrossRef]
- Duong, Q.T.; Okada, M. Maximum efficiency formulation for multiple-input multiple-output inductive power transfer systems. IEEE Trans. Microw. Theory Tech. 2018, 66, 3463–3477. [Google Scholar] [CrossRef]
- Cheng, C.; Lu, F.; Zhou, Z.; Li, W.; Zhu, C.; Deng, Z.; Chen, X.; Mi, X. Load-independent wireless power transfer system for multiple loads over a long distance. IEEE Trans. Power Electron. 2019, 34, 9279–9288. [Google Scholar] [CrossRef]
- Lin, D.; Zhang, C.; Hui, S.Y.R. Mathematical analysis of omnidirectional wireless power transfer—part-I: Two-dimensional systems. IEEE Trans. Power Electron. 2017, 32, 625–633. [Google Scholar] [CrossRef]
- Lin, D.; Zhang, C.; Hui, S.Y.R. Mathematic analysis of omnidirectional wireless power transfer—part-II three-dimensional systems. IEEE Trans. Power Electron. 2017, 32, 613–624. [Google Scholar] [CrossRef]
- Su, M.; Liu, Z.; Zhu, Q.; Hu, A.P. Study of maximum power delivery to movable device in omnidirectional wireless power transfer system. IEEE Access 2018, 6, 76153–76164. [Google Scholar] [CrossRef]
- Han, H.; Mao, Z.; Zhu, Q.; Su, M.; Hu, A.P. A 3D wireless charging cylinder with stable rotating magnetic field for multi-load application. IEEE Access 2019, 7, 35981–35997. [Google Scholar] [CrossRef]
- Liu, G.; Zhang, B.; Xiao, W.; Qiu, D.; Chen, Y.; Guan, J. Omnidirectional wireless power transfer system based on rotary transmitting coil for household appliances. Energies 2018, 11, 878. [Google Scholar] [CrossRef]
- Zhang, W.; Zhang, T.; Guo, Q.; Shao, L.; Zhang, N.; Jin, X.; Yang, J. High-efficiency wireless power transfer system for 3D, unstationary free-positioning and multi-object charging. IET Electr. Power Appl. 2018, 12, 658–665. [Google Scholar] [CrossRef]
- Chabalko, M.J.; Sample, A.P. Three-dimensional charging via multimode resonant cavity enabled wireless power transfer. IEEE Trans. Power Electron. 2015, 30, 6163–6173. [Google Scholar] [CrossRef]
- Chabalko, M.J.; Shahmohammadi, M.; Sample, A.P. Quasistatic cavity resonance for ubiquitous wireless power transfer. PLoS ONE 2017, 12, e0169045. [Google Scholar] [CrossRef]
- Cheng, C.; Lu, F.; Zhou, Z.; Li, W.; Deng, Z.; Li, F.; Mi, C. A load-independent LCC-compensated wireless power transfer system for multiple loads with a compact coupler design. IEEE Trans. Ind. Electron. 2020, 67, 4507–4515. [Google Scholar] [CrossRef]
- Kim, J.; Kim, D.H.; Park, Y.J. Analysis of capacitive impedance matching networks for simultaneous wireless power transfer to multiple devices. IEEE Trans. Ind. Electron. 2015, 62, 2807–2813. [Google Scholar] [CrossRef]
- Fu, M.; He, Y.; Ma, C. Megahertz multiple-receiver wireless power transfer systems with power flow management and maximum efficiency point tracking. IEEE Trans. Microw. Theory Tech. 2017, 65, 4285–4293. [Google Scholar] [CrossRef]
- Liu, F.; Yang, Y.; Ding, Z.; Chen, X.; Kennel, R.M. A multifrequency superposition methodology to achieve high efficiency and targeted power distribution for a multi-load MCR WPT system. IEEE Trans. Power Electron. 2018, 33, 9005–9016. [Google Scholar] [CrossRef]
- Zhang, Z.; Pang, H.; Wang, J. Multiple objective-based optimal energy distribution for wireless power transfer. IEEE Trans. Magn. 2018, 54, 8600205. [Google Scholar] [CrossRef]
- Fu, M.; Yin, H.; Liu, M.; Wang, Y.; Ma, C. A 6.78 MHz multiple-receiver wireless power transfer system with constant output voltage and optimum efficiency. IEEE Trans. Power Electron. 2018, 33, 5330–5340. [Google Scholar] [CrossRef]
- Walasik, W.; Ma, C.; Litchinitser, N.M. Nonlinear parity-time-symmetric transition in finite-size optical couplers. Opt. Lett. 2015, 40, 5327–5330. [Google Scholar] [CrossRef]
- Elganainy, R.; Makris, K.G.; Khajavikhan, M.; Musslimani, Z.H.; Rotter, S.; Christodoulides, D.N. Non-Hermitian physics and PT symmetry. Nat. Phys. 2018, 14, 11–19. [Google Scholar] [CrossRef]
- Schindler, J.; Li, A.; Zheng, M.C.; Ellis, F.M.; Kottos, T. Experimental study of active LRC circuits with PT-symmetries. Phys. Rev. A 2011, 84, 040101. [Google Scholar] [CrossRef]
- Lin, Z.; Schindler, J.; Ellis, F.M.; Kottos, T. Experimental observation of the dual behavior of PT-symmetric scattering. Phys. Rev. A 2012, 85, 50101. [Google Scholar] [CrossRef]
- Assawaworrarit, S.; Yu, X.; Fan, S. Robust wireless power transfer using a nonlinear parity–time-symmetric circuit. Nature 2017, 546, 387–390. [Google Scholar] [CrossRef]
- Zhou, J.; Zhang, B.; Xiao, W.; Qiu, D.; Chen, Y. Nonlinear parity-time-symmetric model for constant efficiency wireless power transfer: Application to a drone-in-flight wireless charging platform. IEEE Trans. Ind. Electron. 2019, 66, 4097–4107. [Google Scholar] [CrossRef]
- Hou, Y.; Lin, M.; Chen, W.; Yang, X. Parity-time-symmetric wireless power transfer system using switch-mode nonlinear gain element. In Proceedings of the 2018 IEEE International Power Electronics and Application Conference and Exposition (PEAC), Shenzhen, China, 4–7 November 2018. [Google Scholar] [CrossRef]
- Liu, F.; Yang, Y.; Jiang, D.; Ruan, X.; Chen, X. Modeling and optimization of magnetically coupled resonant wireless power transfer system with varying spatial scales. IEEE Trans. Power Electron. 2016, 32, 3240–3250. [Google Scholar] [CrossRef]
- Shu, X.; Zhang, B. Single-wire electric-field coupling power transmission using nonlinear parity-time-symmetric model with coupled-mode theory. Energies 2018, 11, 532. [Google Scholar] [CrossRef]













| Items | Single-Load PT-WPT | Dual-Load PT-WPT |
|---|---|---|
| PT symmetry conditions | ||
| Coupling coefficient condition | ||
| Total output power | ||
| Total transfer efficiency | ||
| ith load output power | - | |
| ith load efficiency | - |
| Parameters | Values | Parameters | Values | Parameters | Values |
|---|---|---|---|---|---|
| VDC/V | 50 | L1/μH | 183.5 | L2/μH | 195.6 |
| LT/μH | 181.7 | C1/nF | 13.8 | C2/nF | 12.95 |
| CT/nF | 13.94 | RL1/Ω | 10 | RL2/Ω | 10.66 |
| rT/Ω | 0.53 | rL1/Ω | 0.5 | rL2/Ω | 0.52 |
| Reference | Operating Frequency | Transmitting Coil Structure | Coil Size | Operating Condition | Output Power and Efficiency |
|---|---|---|---|---|---|
| [9] | 200 kHz | Repeater coils | 16 × 16 cm | Fixed load | Unstable |
| [13] | 20 kHz | Two orthogonal square coils | 30 × 30 cm | Movable load | Unstable |
| [14] | 1 MHz | Rotating circular coil | r = 32 cm | Fixed load | Unstable |
| [15] | 50 kHz | Helmholtz coils | 20 × 20 × 14 cm | Movable load | Unstable |
| [17] | 1.32 MHz | Metallic chamber | 4.9 × 4.9 × 2.3 m | Movable load | Unstable |
| This work | Adjust around 100 kHz | Single plane coil | r = 26 cm | Movable load | Constant |
© 2020 by the authors. Licensee MDPI, Basel, Switzerland. This article is an open access article distributed under the terms and conditions of the Creative Commons Attribution (CC BY) license (http://creativecommons.org/licenses/by/4.0/).
Share and Cite
Luo, C.; Qiu, D.; Lin, M.; Zhang, B. Circuit Model and Analysis of Multi-Load Wireless Power Transfer System Based on Parity-Time Symmetry. Energies 2020, 13, 3260. https://doi.org/10.3390/en13123260
Luo C, Qiu D, Lin M, Zhang B. Circuit Model and Analysis of Multi-Load Wireless Power Transfer System Based on Parity-Time Symmetry. Energies. 2020; 13(12):3260. https://doi.org/10.3390/en13123260
Chicago/Turabian StyleLuo, Chengxin, Dongyuan Qiu, Manhao Lin, and Bo Zhang. 2020. "Circuit Model and Analysis of Multi-Load Wireless Power Transfer System Based on Parity-Time Symmetry" Energies 13, no. 12: 3260. https://doi.org/10.3390/en13123260
APA StyleLuo, C., Qiu, D., Lin, M., & Zhang, B. (2020). Circuit Model and Analysis of Multi-Load Wireless Power Transfer System Based on Parity-Time Symmetry. Energies, 13(12), 3260. https://doi.org/10.3390/en13123260

