Medium-Sized Highly Coupled Planar Arrays with Maximum Aperture Efficiency
Abstract
:1. Introduction
2. Basic 2 × 1 Array Building Block
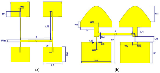
2.1. Building Block without Air Layer
2.2. Building Block with Air Layer
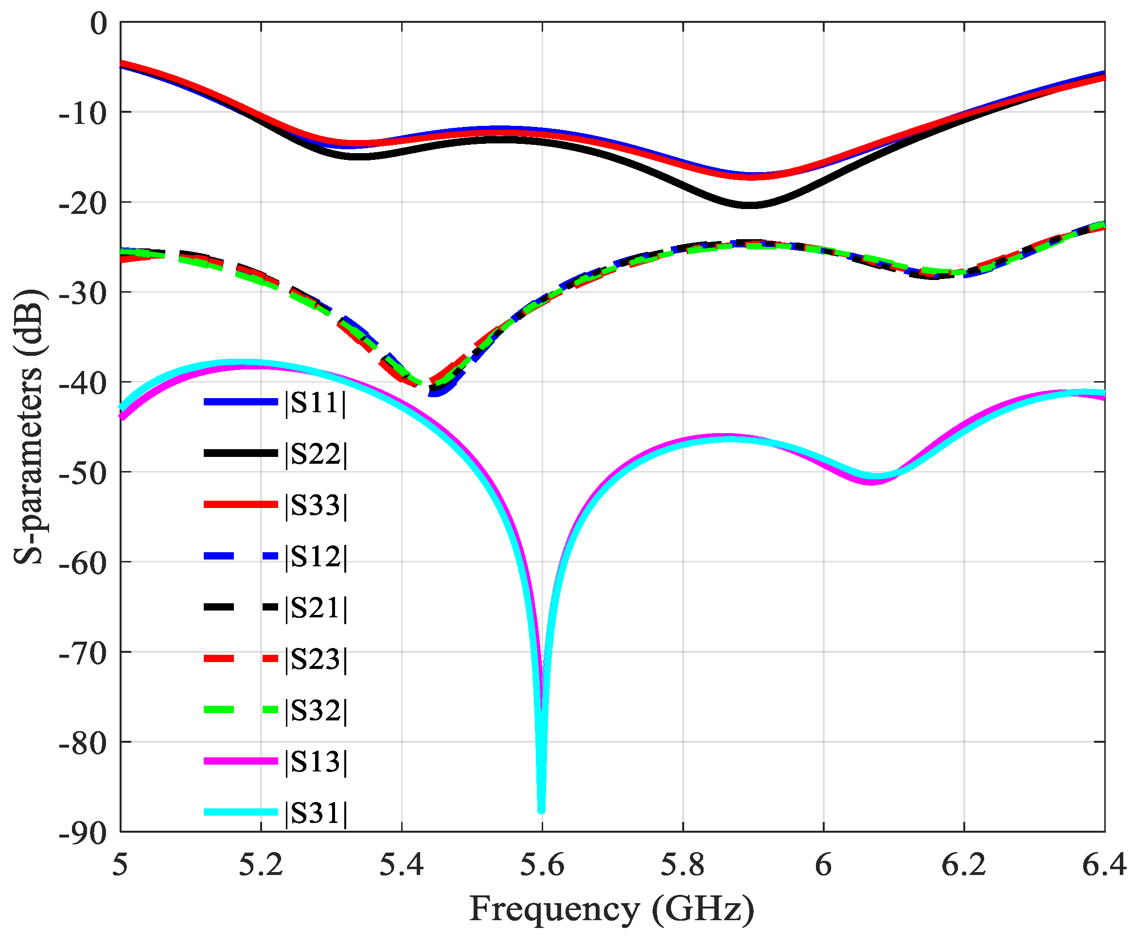
3. 2 × 2 Array
4. 2 × 4 Array
5. 2 × 6 Array
6. Comparison with Literature
7. Conclusions
Author Contributions
Funding
Institutional Review Board Statement
Informed Consent Statement
Data Availability Statement
Conflicts of Interest
References
- Balanis, C.A. Antenna Theory, Analysis and Design, 3rd ed.; John Wiley & Sons: New York, NY, USA, 2005. [Google Scholar]
- Ma, Z.; Vandenbosch, G.A.E. Low-Cost Wideband Microstrip Arrays with High Aperture Efficiency. IEEE Trans. Antennas Propag. 2012, 60, 3028–3034. [Google Scholar] [CrossRef]
- Munson, R. Conformal microstrip antennas and microstrip phased arrays. IRE Trans. Antennas Propag. 1974, 22, 74–78. [Google Scholar] [CrossRef]
- Wu, Z.-H.; Zhang, W.-X. Broadband Printed Compound Air-Fed Array Antennas. IEEE Antennas Wirel. Propag. Lett. 2010, 9, 187–190. [Google Scholar] [CrossRef]
- Volski, V.; Delmotte, P.; Vandenbosch, G.A.E. Compact low-cost 4 elements microstrip antenna array for WLAN. In Proceedings of the 34th European Microwave Conference, Amsterdam, The Netherlands, 12–14 October 2004; pp. 277–280. [Google Scholar]
- Ma, Z.; Volski, V.; Vandenbosch, G.A.E. Optimal Design of a Highly Compact Low-Cost and Strongly Coupled 4 Element Array for WLAN. IEEE Trans. Antennas Propag. 2010, 59, 1061–1065. [Google Scholar] [CrossRef]
- Wang, Z.; Liu, J.; Long, Y. A Simple Wide-Bandwidth and High-Gain Microstrip Patch Antenna with Both Sides Shorted. IEEE Antennas Wirel. Propag. Lett. 2019, 18, 1144–1148. [Google Scholar] [CrossRef]
- Haskou, A.; Sharaiha, A.; Collardey, S. Compact Antenna Array of Superdirective Elements. IEEE Antennas Wirel. Propag. Lett. 2015, 15, 1386–1389. [Google Scholar] [CrossRef] [Green Version]
- Farahani, H.S.; Veysi, M.; Kamyab, M.; Tadjalli, A. Mutual Coupling Reduction in Patch Antenna Arrays Using a UC-EBG Superstrate. IEEE Antennas Wirel. Propag. Lett. 2010, 9, 57–59. [Google Scholar] [CrossRef]
- Kaabal, A.; El Halaoui, M.; Ahyoud, S.; Asselman, A. A Low Mutual Coupling Design for Array Microstrip Antennas Integrated with Electromagnetic Band-Gap Structures. Procedia Technol. 2016, 22, 549–555. [Google Scholar] [CrossRef] [Green Version]
- Rajo-Iglesias, E.; Quevedo-Teruel, Ó.; Inclán-Sánchez, L. Mutual coupling reduction in patch antenna arrays by using a planar EBG structure and a multilayer dielectric substrate. IEEE Trans. Antennas Propag. 2008, 56, 1648–1655. [Google Scholar] [CrossRef]
- Prajapati, P.R.; Murthy, G.G.K.; Patnaik, A.; Kartikeyan, M.V. Design and testing of a compact circularly polarised microstrip antenna with fractal defected ground structure for L-band applications. IET Microw. Antennas Propag. 2015, 9, 1179–1185. [Google Scholar] [CrossRef]
- Zhu, F.G.; Xu, J.; Xu, Q. Reduction of mutual coupling between closely-packed antenna elements using defected ground structure. In Proceedings of the 2009 3rd IEEE International Symposium on Microwave, Antenna, Propagation and EMC Technologies for Wireless Communications, Beijing, China, 27–29 October 2009; pp. 1–4. [Google Scholar]
- Khandelwal, M.K.; Kanaujia, B.K.; Kumar, S. Defected Ground Structure: Fundamentals, Analysis, and Applications in Modern Wireless Trends. Int. J. Antennas Propag. 2017, 2017, 1–22. [Google Scholar] [CrossRef]
- Qamar, Z.; Park, H.C. Compact Waveguided Metamaterials for Suppression of Mutual Coupling in Microstrip Array. Prog. Electromagn. Res. 2014, 149, 183–192. [Google Scholar] [CrossRef] [Green Version]
- Xu, H.-X.; Wang, G.-M.; Qi, M.-Q. Hilbert-Shaped Magnetic Waveguided Metamaterials for Electromagnetic Coupling Reduction of Microstrip Antenna Array. IEEE Trans. Magn. 2012, 49, 1526–1529. [Google Scholar] [CrossRef]
- Farsi, S.; Aliakbarian, H.; Schreurs, D.; Nauwelaers, B.; Vandenbosch, G.A.E. Mutual Coupling Reduction Between Planar Antennas by Using a Simple Microstrip U-Section. IEEE Antennas Wirel. Propag. Lett. 2012, 11, 1501–1503. [Google Scholar] [CrossRef]
- Ghosh, C.K.; Parui, S.K. Reduction of mutual coupling between E-shaped microstrip antenna array by using a simple microstrip I-section. Microw. Opt. Technol. Lett. 2013, 55, 2544–2549. [Google Scholar] [CrossRef]
- Parchin, N.O.; Basherlou, H.J.; Al-Yasir, Y.I.A.; Ullah, A.; Abd-Alhameed, R.A.; Noras, J.M. Multi-Band MIMO Antenna Design with User-Impact Investigation for 4G and 5G Mobile Terminals. Sensors 2019, 19, 456. [Google Scholar] [CrossRef] [Green Version]
























| Parameter Name | Pre 2 × 1 | Prop 2 × 1 | Hellip 2 × 1 | Prop 2 × 1 | Conv | Prop | Prop 2 × 4 | Prop 2 × 6 |
|---|---|---|---|---|---|---|---|---|
| (Air Layer) | 2 × 2 | 2 × 2 | (Air Layer) | (Air Layer) | ||||
| WP | 13.47 | 19.39 | 18.95 | 19.1 | 13.28 | 19.39 | 19.1 | 19.1 |
| LP | 15.24 | 13.66 | 8.95 | 20.84 | 16.5 | 13.66 | 20.84 | 20.84 |
| Wf1 | 0.5 | 3.28 | 3.16 | 2.8 | 0.5 | 3.17 | 2.8 | 2.8 |
| Lf1 | 10.04 | 6.12 | 6.5 | 5.1 | 9.23 | 6.15 | 5.1 | 5.1 |
| Wf2 | 0.5 | 0.22 | 0.22 | - | 0.5 | 0.29 | - | - |
| Lf2 | 26.03 | 3.49 | 3.49 | - | 24.97 | 3.49 | - | - |
| WT | 4.7 | - | - | 15.01 | 4.7 | - | 15.01 | 16.26 |
| Wf3 | - | 2.96 | 2.98 | 3.34 | - | 2.86 | 3.34 | 3.34 |
| Lf3 | - | 0.44 | 0.41 | 4.27 | - | 0.46 | 4.27 | 4.27 |
| Ws | - | 7.84 | 7.66 | 6.02 | - | 7.97 | 6.02 | 6.02 |
| Ls | - | 0.2 | 0.11 | 1.97 | - | 0.2 | 1.97 | 1.97 |
| Wx | - | 3.59 | 3.44 | 5.42 | - | 3.56 | 5.42 | 5.42 |
| Lx | - | 8.72 | 8.93 | 5.78 | - | 8.81 | 5.78 | 5.78 |
| YP | - | 1.96 | 2.18 | 7 | - | 19.01 | 25.85 | 25.85 |
| Yst | - | 10.37 | 10.43 | 17.09 | - | 10.39 | 16.9 | 17.1 |
| Tx | - | - | 0.57 | 2.6 | - | - | 2.6 | 1.97 |
| Wm | - | - | - | - | 1.8 | 1.42 | - | - |
| d | - | - | - | - | 27.73 | 25.34 | 25.8 | 25.8 |
| WN1 | - | - | - | - | - | - | 3.38 | 2.29 |
| LN1 | - | - | - | - | - | - | 9.2 | 12.33 |
| WN2 | - | - | - | - | - | - | 9.9 | 0.56 |
| LN2 | - | - | - | - | - | - | 9.4 | 3.15 |
| WN3 | - | - | - | - | - | - | 3.38 | 4.27 |
| LN3 | - | - | - | - | - | - | 9.2 | 5.77 |
| WN4 | - | - | - | - | - | - | 2.04 | - |
| LN4 | - | - | - | - | - | - | 8.88 | - |
| WN5 | - | - | - | - | - | - | 0.25 | - |
| LN5 | - | - | - | - | - | - | 6.04 | - |
| WN6 | - | - | - | - | - | - | 4.64 | - |
| LN6 | - | - | - | - | - | - | 4.06 | - |
| Fs | - | - | - | - | - | - | 0.32 | 0.95 |
| Fr | - | - | - | - | - | - | 1.62 | 0.73 |
| YPN | - | - | - | - | - | - | 1.18 | 0.67 |
| YL | - | - | 6.25 | - | - | - | - | - |
| Antenna | Dimension Ground Plane in | Dimension Patches | BW | Gain (dB) | Aperture Efficiency | Radiation Efficiency | E-Plane | H-Plane |
|---|---|---|---|---|---|---|---|---|
| Preliminary antenna array (2 Elements) | 0.47 (1.15λ × 0.41λ) | 0.29 (1.03λ × 0.29λ) | 5.8 GHz) 5.76–5.83: 70 MHz | 7.2 | 89% | 77% | 34.3° | 88.6° |
| Proposed Antenna Array (1 Subarray) | 0.4 (0.81λ × 0.5λ) | 0.26 (0.72λ × 0.37λ) | 5.8 GHz) 5.59–5.91: 320 MHz | 7.5 | 112% | 83% | 57.6° | 86.2° |
| Proposed Antenna Array *AL (1 Subarray) | 0.5 (λ × 0.5λ) | 0.36 (0.94λ × 0.39λ) | 5.8 GHz) 5.34–6.07: 730 MHz | 8.6 | 115% | 98% | 44.9° | 86.5° |
| Conventional Antenna Array (4 Elements) | 1.11 (1.14λ × 0.98λ) | 0.87 (1.02λ × 0.86λ) | 5.8 GHz) 5.75–5.82: 70 MHz | 9.9 | 70% | 80% | 35.3° | 47.8° |
| Proposed Antenna Array (2 Subarrays) | 0.8 (0.99λ × 0.81λ) | 0.61 (0.86λ × 0.72λ) | 5.8 GHz) 5.56–5.9: 340 MHz | 9.9 | 97% | 87% | 57.5° | 51.0° |
| [2] (Second proposed array) *AL | 1.82 (1.52λ × 1.2λ) | 1.04 (1.19λ × 0.88λ) | 2.4 GHz) 2.31–2.55: 240 MHz | 12.6 | 84% | 96% | - | - |
| Proposed Antenna Array (4 Subarrays) *AL | 1.94 (1.94λ × λ) | 1.75 (1.87λ × 0.94λ) | 5.8 GHz) 5.2–6.4: 1.2 GHz | 13.9 | 100% | 96% | 42.9° | 26° |
| [2] (Third proposed array) *AL | 2.88 (1.92λ × 1.50λ) | 1.87 (1.6λ × 1.17λ) | 2.4 GHz) 2.21–2.55: 340 MHz | 14.6 | 78% | 96% | - | - |
| Proposed Antenna Array (6 Subarrays) *AL | 2.95 (2.95λ × λ) | 2.69 (2.87λ × 0.94λ) | 5.8 GHz) 5.15–6.18: 1.03 GHz | 15.5 | 96% | 96% | 41.9° | 17° |
Publisher’s Note: MDPI stays neutral with regard to jurisdictional claims in published maps and institutional affiliations. |
© 2021 by the authors. Licensee MDPI, Basel, Switzerland. This article is an open access article distributed under the terms and conditions of the Creative Commons Attribution (CC BY) license (https://creativecommons.org/licenses/by/4.0/).
Share and Cite
Pourmohammadi, P.; Volski, V.; Vandenbosch, G.A.E. Medium-Sized Highly Coupled Planar Arrays with Maximum Aperture Efficiency. Sensors 2021, 21, 5925. https://doi.org/10.3390/s21175925
Pourmohammadi P, Volski V, Vandenbosch GAE. Medium-Sized Highly Coupled Planar Arrays with Maximum Aperture Efficiency. Sensors. 2021; 21(17):5925. https://doi.org/10.3390/s21175925
Chicago/Turabian StylePourmohammadi, Peyman, Vladimir Volski, and Guy A. E. Vandenbosch. 2021. "Medium-Sized Highly Coupled Planar Arrays with Maximum Aperture Efficiency" Sensors 21, no. 17: 5925. https://doi.org/10.3390/s21175925
APA StylePourmohammadi, P., Volski, V., & Vandenbosch, G. A. E. (2021). Medium-Sized Highly Coupled Planar Arrays with Maximum Aperture Efficiency. Sensors, 21(17), 5925. https://doi.org/10.3390/s21175925
