error_outline You can access the new MDPI.com website here. Explore and share your feedback with us.
 
 
Sign in to use this feature.

Years

Between: -

Subjects

remove_circle_outline
remove_circle_outline
remove_circle_outline
remove_circle_outline
remove_circle_outline
remove_circle_outline
remove_circle_outline
remove_circle_outline
remove_circle_outline

Journals

Article Types

Countries / Regions

Search Results (72)

Search Parameters:
Keywords = total ionizing doses (TIDs)

Order results
Result details
Results per page
Select all
Export citation of selected articles as:
16 pages, 2150 KB  
Article
A New Simulation Method to Assess Temperature and Radiation Effects on SiC Resonant-Converter Reliability
by Zhuowen Feng, Pengyu Lai, Abu Shahir Md Khalid Hasan, Fuad Fatani, Alborz Alaeddini, Liling Huang, Zhong Chen and Qiliang Li
Materials 2026, 19(2), 228; https://doi.org/10.3390/ma19020228 - 6 Jan 2026
Abstract
Silicon carbide (SiC) power converters are increasingly used in automotive, renewable energy, and industrial applications. While reliability assessments are typically performed at either the device or system level, an integrative approach that simultaneously evaluates both levels remains underexplored. This article presents a novel [...] Read more.
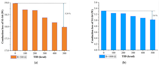
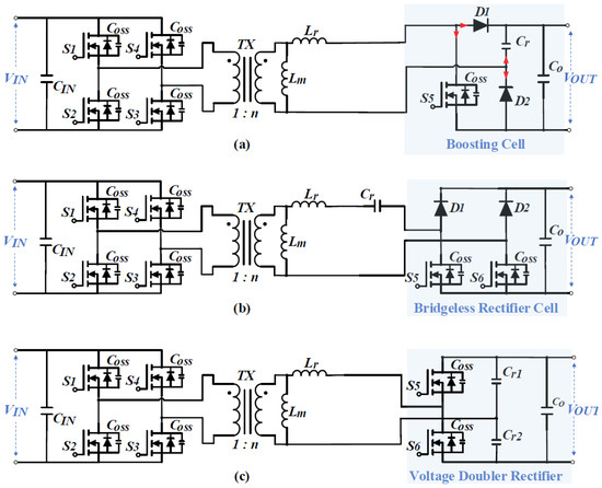
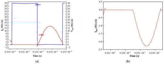
Silicon carbide (SiC) power converters are increasingly used in automotive, renewable energy, and industrial applications. While reliability assessments are typically performed at either the device or system level, an integrative approach that simultaneously evaluates both levels remains underexplored. This article presents a novel system-level simulation method with two strategies to evaluate the reliability of power devices and a resonant converter under varying temperatures and total ionizing doses (TIDs). Temperature-sensitive electrical parameters (TSEPs), such as on-state resistance (RON) and threshold voltage shift (ΔVTH), are calibrated and analyzed using a B1505A curve tracer. These parameters are incorporated into the system-level simulation of a 300 W resonant converter with a boosting cell. Both Silicon (Si) and SiC-based power resonant converters are assessed for power application in space engineering and harsh environments. Additionally, gate-oxide degradation and ΔVTH-related issues are discussed based on the simulation results. The thermal-strategy results indicate that SiC MOSFETs maintain a more stable conduction loss at elevated temperatures, exhibiting higher reliability due to their high thermal conductivity. Conversely, increased TIDs result in a negative shift in conduction losses across all SiC devices under the radiation strategy, affecting the long-term reliability of the power converter. Full article
Show Figures

Figure 1

9 pages, 1384 KB  
Article
Study on Total Ionizing Dose Effect of FinFETs in Low-Temperature Environments
by Qi Zhang, Jiaming Zhou, Le Gao, Yiping Xiao, Chaoming Liu and Mingxue Huo
Electronics 2025, 14(24), 4946; https://doi.org/10.3390/electronics14244946 - 17 Dec 2025
Viewed by 203
Abstract
This paper focuses on FinFET transistors. The degradation characteristics of FinFET devices after total ionizing dose (TID) radiation in low-temperature environments were investigated by means of a combination of experiments and TCAD simulations. By analyzing the electronic properties of radiation-induced defects in FinFET [...] Read more.
This paper focuses on FinFET transistors. The degradation characteristics of FinFET devices after total ionizing dose (TID) radiation in low-temperature environments were investigated by means of a combination of experiments and TCAD simulations. By analyzing the electronic properties of radiation-induced defects in FinFET transistors under low-temperature conditions, the formation and evolution mechanisms of these defects are studied. A physical model for the low-temperature total dose effects of FinFET transistors is established, providing support for the radiation hardening and space applications of FinFET devices. Full article
Show Figures

Figure 1

23 pages, 8989 KB  
Article
Characterization of Novel Composite Materials with Radiation Shielding Properties for Electronic Encapsulation
by Carla Ortiz Sánchez, Juan José Medina Del Barrio, Gonzalo Fernández Romero, Ángel Yedra Martínez, Paula Ruiz Losada and Luis Alejandro Arriaga Arellano
Materials 2025, 18(24), 5564; https://doi.org/10.3390/ma18245564 - 11 Dec 2025
Viewed by 370
Abstract
It is well known that the space radiation environment, which has contributions from the trapped particles within the Van Allen belts, solar energetic particles (SEPs) and galactic cosmic rays (GCRs), directly influences space systems. These systems rely on complex and fragile electronic devices, [...] Read more.
It is well known that the space radiation environment, which has contributions from the trapped particles within the Van Allen belts, solar energetic particles (SEPs) and galactic cosmic rays (GCRs), directly influences space systems. These systems rely on complex and fragile electronic devices, whose performance can be degraded because of the action of the radiation and its related phenomena: single-event effects (SEEs), displacement damages (DDs) and total ionizing dose (TID). This could cause failures to arise through various mechanisms, ranging from parametric drift failures, such as leakage current and threshold voltage, among others, to destructive effects, like single-event burnout (SEB) or single-event latch-up (SEL). These failures in electronics affect the system’s reliability and its performance, which could compromise the mission’s success. Considering this, the main objective of the SRPROTEC project is to develop and validate new composite materials with better shielding performance against space radiation to increase the radiation tolerance of microelectronic devices encapsulated with these materials. For this purpose, three composites will be synthesized using a liquid epoxy resin filled with silica as a matrix mixed in different proportions, with a high-Z filler. The presence of low-Z elements from the high hydrogen content in the polymer and the presence of high-Z fillers are expected to produce a material with good radiation shielding properties. The developed materials will be exhaustively characterized, subjecting the three composites and control samples to rheological outgassing; gamma radiation shielding; and thermal, electrical, thermomechanical and moisture absorption, among other tests. Finally, the composite with the best performance will be selected and subjected to degradation tests (thermal cycling in vacuum, thermal cycling, thermal shock and relative humidity tests) to determine its suitability for space packaging applications. Full article
(This article belongs to the Topic Advanced Composite Materials)
Show Figures

Figure 1

11 pages, 2345 KB  
Article
Operation Under High Ionizing Dose Rates of Gamma or X-Ray Radiation of a 10 µm Radiation Tolerant Global Shutter Pixel
by Pedro Santos, Idham Hafizh, Paul Leroux and Guy Meynants
Sensors 2025, 25(22), 6979; https://doi.org/10.3390/s25226979 - 14 Nov 2025
Viewed by 688
Abstract
A 10 × 10 µm2 radiation-tolerant voltage-domain global shutter pixel with radiation-hardened by design (RHBD) device modification is developed to operate under high ionizing-dose rates and high total ionizing-dose (TID) levels. Therefore, a modified NMOS transistor layout is used in the pixel [...] Read more.
A 10 × 10 µm2 radiation-tolerant voltage-domain global shutter pixel with radiation-hardened by design (RHBD) device modification is developed to operate under high ionizing-dose rates and high total ionizing-dose (TID) levels. Therefore, a modified NMOS transistor layout is used in the pixel to achieve radiation hardness. The pixel design is demonstrated to operate up to 1 MGy or 100 Mrad (SiO2) TID with minimal degradation. The global shutter pixel also includes correlated double sampling (CDS) to reduce noise and the impact of the collected carriers generated by the flux of gamma or X-ray radiation. Combined with an external flash, global shutter operation allows short exposures, which limits the impact of radiation on dark current and dynamic range. The pixel is designed using 180 nm CMOS Image Sensor (CIS) technology. Full article
Show Figures

Figure 1

14 pages, 3212 KB  
Article
A Radiation-Hardened 4-Bit Flash ADC with Compact Fault-Tolerant Logic for SEU Mitigation
by Naveed and Jeff Dix
Electronics 2025, 14(21), 4176; https://doi.org/10.3390/electronics14214176 - 26 Oct 2025
Viewed by 637
Abstract
This paper presents a radiation-hardened 4-bit flash analog-to-digital converter (ADC) implemented in a 22 nm fully depleted silicon-on-insulator (FD-SOI) process for high-reliability applications in radiation environments. To improve single-event upsets (SEU) tolerance, the design introduces a compact fault-tolerant logic scheme based on Dual [...] Read more.
This paper presents a radiation-hardened 4-bit flash analog-to-digital converter (ADC) implemented in a 22 nm fully depleted silicon-on-insulator (FD-SOI) process for high-reliability applications in radiation environments. To improve single-event upsets (SEU) tolerance, the design introduces a compact fault-tolerant logic scheme based on Dual Modular Redundancy (DMR), offering reliability comparable to Triple Modular Redundancy (TMR) while using two storage nodes instead of three, and a simple XOR-based check in place of a majority voter. A distributed sampling architecture mitigates SEU vulnerabilities in the input path, while thin-oxide devices are used in analog-critical circuits to enhance total ionizing dose (TID) resilience. Post-layout simulations demonstrate SEU detection within 200 ps and correction within ~600 ps. The ADC achieves an active area of 0.089 mm2, power consumption below 30 µW, and provides a scalable solution for radiation-tolerant data acquisition in aerospace and other high-reliability systems. Full article
Show Figures

Figure 1

13 pages, 1554 KB  
Article
Charge Trapping Effects on n−MOSFET Current Mirrors Under TID Radiation
by Dorsaf Aguir, Sedki Amor, Laurent A. Francis and Mohsen Machhout
Micromachines 2025, 16(9), 1064; https://doi.org/10.3390/mi16091064 - 20 Sep 2025
Viewed by 1078
Abstract
This study aims to evaluate the effects of total ionizing dose (TID) radiation on the performance of n−MOSFET current mirrors. We propose an ovel experimental approach to analyze the interaction between charge trapping in the MOSFET gate oxide and the resulting current mirror degradation [...] Read more.
This study aims to evaluate the effects of total ionizing dose (TID) radiation on the performance of n−MOSFET current mirrors. We propose an ovel experimental approach to analyze the interaction between charge trapping in the MOSFET gate oxide and the resulting current mirror degradation by subjecting devices to TID doses from 50 krad(Si) to 300 krad(Si) using a 60Co gamma source Experimental data show that threshold voltage shifts by up to 1.31 V and transconductance increases by 27%. This degradation leads to this a reduction of more than 10% in current mirror output accuracy occurs at the highest dose. These quantitative criteria establish a clear benchmark for assessing the impact of TID on current mirror performance. These effects are attributed to positive charge trapping in the gate oxide and at the Si–SiO2 interface induced by ionizing radiation. This study focuses exclusively on radiation effects; electrical stress phenomena such as over−voltage or electrostatic discharge (ESD) are not addressed. The results highlight the critical importance of accounting for TID effects when designing high−performance n−MOSFET current mirrors for radiation−hardened applications. Full article
Show Figures

Figure 1

13 pages, 1876 KB  
Article
Total Ionizing Dose Effects on Lifetime of NMOSFETs Due to Hot Carrier-Induced Stress
by Yujuan He, Rui Gao, Teng Ma, Xiaowen Zhang, Xianyu Zhang and Yintang Yang
Electronics 2025, 14(13), 2563; https://doi.org/10.3390/electronics14132563 - 25 Jun 2025
Viewed by 1247
Abstract
This study systematically investigates the mechanism by which total ionizing dose (TID) affects the lifetime degradation of NMOS devices induced by hot-carrier injection (HCI). Experiments involved Cobalt-60 (Co-60) gamma-ray irradiation to a cumulative dose of 500 krad (Si), followed by 168 h annealing [...] Read more.
This study systematically investigates the mechanism by which total ionizing dose (TID) affects the lifetime degradation of NMOS devices induced by hot-carrier injection (HCI). Experiments involved Cobalt-60 (Co-60) gamma-ray irradiation to a cumulative dose of 500 krad (Si), followed by 168 h annealing at 100 °C to simulate long-term stability. However, under HCI stress conditions (VD = 2.7 V, VG = 1.8 V), irradiated devices show a 6.93% increase in threshold voltage shift (ΔVth) compared to non-irradiated counterparts. According to the IEC 62416 standard, the lifetime degradation of irradiated devices induced by HCI stress is only 65% of that of non-irradiated devices. Conversely, when the saturation drain current (IDsat) degrades by 10%, the lifetime doubles compared to non-irradiated counterparts. Mechanistic analysis demonstrates that partial neutralization of E’ center positive charges at the gate oxide interface by hot electrons weakens the electric field shielding effect, accelerating ΔVth drift, while interface trap charges contribute minimally to degradation due to annealing-induced self-healing. The saturation drain current shift degradation primarily correlates with electron mobility variations. This work elucidates the multi-physics mechanisms through which TID impacts device reliability and provides critical insights for radiation-hardened design optimization. Full article
Show Figures

Figure 1

11 pages, 4725 KB  
Article
Total Ionizing Dose Effects in Advanced 28 nm Charge Trapping 3D NAND Flash Memory
by Xuesong Zheng, Yuhang Wang, Rigen Mo, Chaoming Liu, Tianqi Wang, Mingxue Huo and Liyi Xiao
Electronics 2025, 14(3), 473; https://doi.org/10.3390/electronics14030473 - 24 Jan 2025
Cited by 2 | Viewed by 2585
Abstract
The impacts of total ionizing dose (TID) were investigated in 28 nm 3D charge trapping (CT) NAND Flash memories. This study focused on the variations in the raw bit error rate (RBER) of irradiated flash across different operational modes and bias states. It [...] Read more.
The impacts of total ionizing dose (TID) were investigated in 28 nm 3D charge trapping (CT) NAND Flash memories. This study focused on the variations in the raw bit error rate (RBER) of irradiated flash across different operational modes and bias states. It was observed that the data pattern stored in Flash influences the bit error count after irradiation. The experimental findings demonstrated a dose-dependent relationship with standby current, read operation current, and threshold voltage shifts. Additionally, TID was found to affect the time required for erasure and programming operations. These results were then bench-marked against similar NAND Flash devices, revealing superior resistance to TID effects. Full article
(This article belongs to the Special Issue Semiconductors and Memory Technologies)
Show Figures

Figure 1

13 pages, 4937 KB  
Article
Impact of Total Ionizing Dose on Radio Frequency Performance of 22 nm Fully Depleted Silicon-On-Insulator nMOSFETs
by Zhanpeng Yan, Hongxia Liu, Menghao Huang, Shulong Wang, Shupeng Chen, Xilong Zhou, Junjie Huang and Chang Liu
Micromachines 2024, 15(11), 1292; https://doi.org/10.3390/mi15111292 - 24 Oct 2024
Cited by 2 | Viewed by 1818
Abstract
In this paper, the degradation mechanism of the RF performance of 22 nm fully depleted (FD) silicon-on-insulator nMOSFETs at different total ionizing dose levels has been investigated. The RF figures of merit (the cut-off frequency fT, maximum oscillation frequency fmax [...] Read more.
In this paper, the degradation mechanism of the RF performance of 22 nm fully depleted (FD) silicon-on-insulator nMOSFETs at different total ionizing dose levels has been investigated. The RF figures of merit (the cut-off frequency fT, maximum oscillation frequency fmax) show significant degradation of approximately 14.1% and 6.8%, respectively. The variation of the small-signal parameters (output conductance (gds), transconductance (gm), reflection coefficient (|Γin|), and capacitance (Cgg)) at different TID levels has been discussed. TID-induced trapped charges in the gate oxide and buried oxide increase the vertical channel field, which leads to more complex degradation of small-signal parameters across a wide frequency range. Full article
Show Figures

Figure 1

12 pages, 10804 KB  
Article
Total Ionizing Dose and Single-Event Effect Response of the AD524CDZ Instrumentation Amplifier
by Jaime Cardenas Chavez, Dave Hiemstra, Adriana Noguera Cundar, Brayden Johnson, David Baik and Li Chen
Energies 2024, 17(18), 4725; https://doi.org/10.3390/en17184725 - 22 Sep 2024
Cited by 1 | Viewed by 1967
Abstract
This manuscript focuses on studying the radiation response of the Commercial-off-the-shelf (COTS) AD524CDZ operational amplifier. Total Ionizing Dose (TID) effects were tested using low-dose 60Co irradiation. Single-Event Effect (SEE) sensitivity was studied on this operational amplifier using a 105 MeV proton beam. [...] Read more.
This manuscript focuses on studying the radiation response of the Commercial-off-the-shelf (COTS) AD524CDZ operational amplifier. Total Ionizing Dose (TID) effects were tested using low-dose 60Co irradiation. Single-Event Effect (SEE) sensitivity was studied on this operational amplifier using a 105 MeV proton beam. Additionally, further study of the SEE response was carried out using a Two-photon absorption laser to scan some sensitive sectors of the die. For this laser experiment, different gain setups and laser energies were employed to determine how the Single Event Transient (SET) response of the device was affected based on the test configuration. The results from the TID experiments revealed that the studied device remained functional after 100 krads (Si). Proton experiments revealed the studied device exhibited a high SET response with a maximum DC offset SET of about 1.5 V. Laser experiments demonstrated that there was a clear SET reduction when using 10× and 1000× gain setups. Full article
(This article belongs to the Section F: Electrical Engineering)
Show Figures

Figure 1

18 pages, 5479 KB  
Article
Degradation Induced by Total Ionizing Dose and Hot Carrier Injection in SOI FinFET Devices
by Hao Yu, Wei Zhou, Hongxia Liu, Shulong Wang, Shupeng Chen and Chang Liu
Micromachines 2024, 15(8), 1026; https://doi.org/10.3390/mi15081026 - 11 Aug 2024
Cited by 3 | Viewed by 1893
Abstract
The working environment of electronic devices in the aerospace field is harsh. In order to ensure the reliable application of the SOI FinFET, the total ionizing dose (TID) and hot carrier injecting (HCI) reliability of an SOI FinFET were investigated in this study. [...] Read more.
The working environment of electronic devices in the aerospace field is harsh. In order to ensure the reliable application of the SOI FinFET, the total ionizing dose (TID) and hot carrier injecting (HCI) reliability of an SOI FinFET were investigated in this study. First, the influence of TID on the device was simulated. The results show that TID causes the threshold voltage to decrease and the off-state current and subthreshold swing to increase. TID causes more damage to the device at high temperature and also reduces the saturation drain current of the device. HCI causes the device threshold voltage to increase and the saturation drain current to decrease. The HCI is more severe at high temperatures. Finally, the coupling effects of the two were simulated, and the results show that the two effects cancel each other out, and the degradation of various electrical characteristic parameters is different under different coupling modes. Full article
Show Figures

Figure 1

12 pages, 1210 KB  
Article
Synergistic Effects of Total Ionizing Dose and Single-Event Upset in 130 nm 7T Silicon-on-Insulator Static Random Access Memory
by Zheng Zhang, Gang Guo, Linfei Wang, Shuyan Xiao, Qiming Chen, Linchun Gao, Chunlin Wang, Futang Li, Fuqiang Zhang, Shuyong Zhao and Jiancheng Liu
Electronics 2024, 13(15), 2997; https://doi.org/10.3390/electronics13152997 - 30 Jul 2024
Viewed by 1790
Abstract
The exposure of spaceborne devices to high-energy charged particles in space results in the occurrence of both a total ionizing dose (TID) and the single-event effect (SEE). These phenomena present significant challenges for the reliable operation of spacecraft and satellites. The rapid advancement [...] Read more.
The exposure of spaceborne devices to high-energy charged particles in space results in the occurrence of both a total ionizing dose (TID) and the single-event effect (SEE). These phenomena present significant challenges for the reliable operation of spacecraft and satellites. The rapid advancement of semiconductor fabrication processes and the continuous reduction in device feature size have led to an increase in the significance of the synergistic effects of TID and SEE in static random access memory (SRAM). In order to elucidate the involved physical mechanisms, the synergistic effects of TID and single-event upset (SEU) in a new kind of 130 nm 7T silicon-on-insulator (SOI) SRAM were investigated by means of cobalt-60 gamma-ray and heavy ion irradiation experiments. The findings demonstrate that 7T SOI SRAM is capable of maintaining normal reading and writing functionality when subjected to TID irradiation at a total dose of up to 750 krad(Si). In general, the TID was observed to reduce the SEU cross-section of the 7T SOI SRAM. However, the extent of this reduction was influenced by the heavy ion LET value and the specific writing data pattern employed. Based on the available evidence, it can be proposed that TID preirradiation represents a promising avenue for enhancing the resilience of 7T SOI SRAMs to SEU. Full article
(This article belongs to the Section Microelectronics)
Show Figures

Figure 1

10 pages, 1476 KB  
Article
Temperature Dependence of Total Ionizing Dose Effects of β-Ga2O3 Schottky Barrier Diodes
by Weili Fu, Teng Ma, Zhifeng Lei, Chao Peng, Hong Zhang, Zhangang Zhang, Tao Xiao, Hongjia Song, Yuangang Wang, Jinbin Wang, Zhao Fu and Xiangli Zhong
Electronics 2024, 13(11), 2215; https://doi.org/10.3390/electronics13112215 - 6 Jun 2024
Cited by 5 | Viewed by 2111
Abstract
This paper investigates the temperature-dependent effects of gamma-ray irradiation on β-Ga2O3 vertical Schottky barrier diodes (SBDs) under a 100 V reverse bias condition at a total dose of 1 Mrad(Si). As the irradiation dose increased, the radiation damage became more [...] Read more.
This paper investigates the temperature-dependent effects of gamma-ray irradiation on β-Ga2O3 vertical Schottky barrier diodes (SBDs) under a 100 V reverse bias condition at a total dose of 1 Mrad(Si). As the irradiation dose increased, the radiation damage became more severe. The total ionizing dose (TID) degradation behavior and mechanisms were evaluated through DC, capacitance–voltage (C-V), and low-frequency noise (LFN) measurements by varying irradiation, and the test results indicated that TID effects introduced interface defects and altered the carrier concentration within the material. The impact of TID effects was more pronounced at lower temperatures compared to higher temperatures. Additionally, the annealing effect in the high-temperature experimental conditions ameliorated the growth of interface trap defects caused by irradiation. These results suggest that compared to low-temperature testing, the device exhibits higher TID tolerance after high-temperature exposure, providing valuable insights for in-depth radiation reliability studies on subsequent related devices. Full article
Show Figures

Figure 1

13 pages, 11751 KB  
Article
Research on the Coupling Effect of NBTI and TID for FDSOI pMOSFETs
by Hao Wei, Hongxia Liu, Shulong Wang, Shupeng Chen, Chenyv Yin, Yaolin Chen and Tianzhi Gao
Micromachines 2024, 15(6), 702; https://doi.org/10.3390/mi15060702 - 25 May 2024
Cited by 3 | Viewed by 1438
Abstract
The coupling effect of negative bias temperature instability (NBTI) and total ionizing dose (TID) was investigated by simulation based on the fully depleted silicon on insulator (FDSOI) PMOS. After simulating the situation of irradiation after NBT stress, it was found that the NBTI [...] Read more.
The coupling effect of negative bias temperature instability (NBTI) and total ionizing dose (TID) was investigated by simulation based on the fully depleted silicon on insulator (FDSOI) PMOS. After simulating the situation of irradiation after NBT stress, it was found that the NBTI effect weakens the threshold degradation of FDSOI PMOS under irradiation. Afterward, NBT stress was decomposed into high gate voltage stress and high-temperature stress, which was applied to the device simultaneously with irradiation. The devices under high gate voltage exhibited more severe threshold voltage degradation after irradiation compared to those under low gate voltage. Devices at high temperatures also exhibit more severe threshold degradation after irradiation compared to devices under low temperatures. Finally, the simultaneous effect of high gate voltage, high temperature, and irradiation on the device was investigated, which fully demonstrated the impact of the NBT stress on the TID effect, resulting in far more severe threshold voltage degradation. Full article
(This article belongs to the Section D1: Semiconductor Devices)
Show Figures

Figure 1

15 pages, 6556 KB  
Article
Simple Modeling and Analysis of Total Ionizing Dose Effects on Radio-Frequency Low-Noise Amplifiers
by Taeyeong Kim, Gyungtae Ryu, Jongho Lee, Moon-Kyu Cho, Daniel M. Fleetwood, John. D. Cressler and Ickhyun Song
Electronics 2024, 13(8), 1445; https://doi.org/10.3390/electronics13081445 - 11 Apr 2024
Cited by 2 | Viewed by 2572
Abstract
In this study, the degradation characteristics of radio frequency (RF)-low-noise amplifiers (LNA) due to a total ionizing dose (TID) is investigated. As a device-under-test (DUT), sample LNAs were prepared using silicon–germanium (SiGe) heterojunction bipolar transistors (HBTs) as core elements. The LNA was based [...] Read more.
In this study, the degradation characteristics of radio frequency (RF)-low-noise amplifiers (LNA) due to a total ionizing dose (TID) is investigated. As a device-under-test (DUT), sample LNAs were prepared using silicon–germanium (SiGe) heterojunction bipolar transistors (HBTs) as core elements. The LNA was based on a cascode stage with emitter degeneration for narrowband applications. By using a simplified small-signal model of a SiGe HBT, design equations such as gain, impedance matching, and noise figure (NF) were derived for analyzing TID-induced degradations in the circuit-level performance. To study radiation effects in circuits, the SiGe-RF-LNAs fabricated in a commercial 350 nm SiGe technology were exposed to 10-keV X-rays to a total ionizing dose of up to 3 Mrad(SiO2). The TID-induced performance changes of the LNA were modeled by applying degradation to device parameters. In the modeling process, new parameter values after irradiation were estimated based on information in the literature, without direct measurements of SiGe HBTs used in the LNA chip. As a result, the relative contributions of parameters on the circuit metrics were compared, identifying dominant parameters for degradation modeling. For the TID effects on input matching (S11) and NF, the base resistance (RB) and the base-to-emitter capacitance (Cπ) of the input transistor were mostly responsible, whereas the transconductances (gm) played a key role in the output matching (S22) and gain (S21). To validate the proposed approach, it has been applied to a different LNA in the literature and the modeling results predicted the TID-induced degradations within reasonable ranges. Full article
(This article belongs to the Special Issue Low-Power CMOS and Beyond-CMOS Front-End Circuits and Systems)
Show Figures

Figure 1

Back to TopTop