Sign in to use this feature.

Years

Between: -

Subjects

remove_circle_outline
remove_circle_outline
remove_circle_outline
remove_circle_outline
remove_circle_outline
remove_circle_outline
remove_circle_outline
remove_circle_outline
remove_circle_outline

Journals

remove_circle_outline
remove_circle_outline
remove_circle_outline
remove_circle_outline
remove_circle_outline
remove_circle_outline
remove_circle_outline
remove_circle_outline

Article Types

Countries / Regions

remove_circle_outline
remove_circle_outline
remove_circle_outline
remove_circle_outline
remove_circle_outline

Search Results (1,765)

Search Parameters:
Keywords = the grid-characteristic method

Order results
Result details
Results per page
Select all
Export citation of selected articles as:
19 pages, 3038 KB  
Article
Enhancement of Fault Ride-Through Capability in Wind Turbine Based on a Permanent Magnet Synchronous Generator Using Machine Learning
by Altan Gencer
Electronics 2026, 15(1), 50; https://doi.org/10.3390/electronics15010050 (registering DOI) - 23 Dec 2025
Abstract
All grid faults can cause significant problems within the power grid, including disconnection or malfunctions of wind energy conversion systems (WECSs) connected to the power grid. This study proposes a comparative analysis of the fault ride-through capability of a WECS-based permanent magnet synchronous [...] Read more.
All grid faults can cause significant problems within the power grid, including disconnection or malfunctions of wind energy conversion systems (WECSs) connected to the power grid. This study proposes a comparative analysis of the fault ride-through capability of a WECS-based permanent magnet synchronous generator (PMSG) system. To overcome these issues, active crowbar and capacitive bridge fault current limiter-based machine learning algorithm protection methods are implemented within the WECS system, both separately and in a hybrid. The regression approach is applied for the machine-side converter (MSC) and the grid side converter (GSC) controllers, which involve numerical data. The classification method is employed for protection system controllers, which work with data in distinct classes. These approaches are trained on historical data to predict the optimal control characteristics of the wind turbine system in real time, taking into account both fault and normal operating conditions. The neural network trilayered model has the lowest root mean squared error and mean squared error values, and it has the highest R-squared values. Therefore, the neural network trilayered model can accurately model the nonlinear relationships between its variables and demonstrates the best performance. The neural network trilayered model is selected for the MSC control system in this study. On the other hand, support vector machine regression is selected for the GSC controller due to its superior results. The simulation results demonstrate that the proposed machine learning algorithm performance for WECS based on a PMSG is robustly utilized under different operating conditions during all grid faults. Full article
Show Figures

Figure 1

19 pages, 3993 KB  
Article
Coordinated Planning Method for Distribution Network Lines Considering Geographical Constraints and Load Distribution
by Linhuan Luo, Qilin Zhou, Wei Pan, Zhian He, Minghao Liu, Longfa Yang and Xiangang Peng
Processes 2026, 14(1), 47; https://doi.org/10.3390/pr14010047 - 22 Dec 2025
Abstract
This paper proposes a coordinated planning method for distribution network lines considering geographical constraints and load distribution, aiming to improve the economy and engineering feasibility of distribution network planning. First, a hierarchical system of geographical constraints based on the Interval Analytic Hierarchy Process [...] Read more.
This paper proposes a coordinated planning method for distribution network lines considering geographical constraints and load distribution, aiming to improve the economy and engineering feasibility of distribution network planning. First, a hierarchical system of geographical constraints based on the Interval Analytic Hierarchy Process (IAHP) is established to systematically quantify the influence weights of spatial factors such as terrain undulation, ecological protection zones, and construction obstacles. Second, the density peak clustering algorithm and load complementarity coefficient are introduced to generate equivalent load nodes, and a spatially continuous load density grid model is constructed to accurately characterize the distribution and complementary characteristics of the load. Third, an improved A-star algorithm is adopted, which integrates a heuristic function guided by geographical weights and load density to dynamically avoid high-cost areas and approach high-load areas. Additionally, Bézier curves are used to optimize the path, reducing crossings and obstacle interference, thus enhancing the implementability of line layout. Verification via a real distribution network case study in a certain area of Guangdong Province shows that the proposed method outperforms traditional planning strategies. It significantly improves the economy, safety, and engineering feasibility of the path, providing effective decision support for distribution network line planning in complex environments. Full article
Show Figures

Figure 1

30 pages, 9834 KB  
Article
Wind–Storage Coordinated Control Strategy for Suppressing Repeated Voltage Ride-Through of Units Under Extreme Weather Conditions
by Yunpeng Wang, Ke Shang, Zhen Xu, Chen Hu, Benzhi Gao and Jianhui Meng
Energies 2026, 19(1), 65; https://doi.org/10.3390/en19010065 (registering DOI) - 22 Dec 2025
Abstract
In practical engineering, large-scale wind power integration typically requires long-distance transmission lines to deliver power to load centers. The resulting weak sending-end systems lack support from synchronous power sources. Under extreme weather conditions, the rapid increase in active power output caused by high [...] Read more.
In practical engineering, large-scale wind power integration typically requires long-distance transmission lines to deliver power to load centers. The resulting weak sending-end systems lack support from synchronous power sources. Under extreme weather conditions, the rapid increase in active power output caused by high wind power generation may lead to voltage instability. In existing projects, a phenomenon of repeated voltage fluctuations has been observed under fault-free system conditions. This phenomenon is induced by the coupling of the characteristics of weak sending-end systems and low-voltage ride-through (LVRT) discrimination mechanisms, posing a serious threat to the safe and stable operation of power grids. However, most existing studies focus on the analysis of voltage instability mechanisms and the optimization of control strategies for single devices, with insufficient consideration given to voltage fluctuation suppression methods under the coordinated operation of wind power and energy storage systems. Based on the actual scenario of energy storage configuration in wind farms, this paper improves the traditional LVRT discrimination mechanism and develops a coordinated voltage ride-through control strategy for permanent magnet synchronous generator (PMSG) wind turbines and energy storage batteries. It can effectively cope with unconventional operating conditions, such as repeated voltage ride-through and deep voltage ride-through that may occur under extreme meteorological conditions, and improve the safe and stable operation capability of wind farms. Using a hardware-in-the-loop (HIL) test platform, the coordinated voltage ride-through control strategy is verified. The test results indicate that it effectively enhances the wind–storage system’s voltage ride-through reliability and suppresses repeated voltage fluctuations. Full article
(This article belongs to the Special Issue Control Technologies for Wind and Photovoltaic Power Generation)
Show Figures

Figure 1

19 pages, 3356 KB  
Article
Response of Transmission Tower Guy Wires Under Impact: Theoretical Analysis and Finite Element Simulation
by Jin-Gang Yang, Shuai Li, Chen-Guang Zhou, Liu-Yi Li, Bang Tian, Wen-Gang Yang and Shi-Hui Zhang
Appl. Sci. 2026, 16(1), 123; https://doi.org/10.3390/app16010123 - 22 Dec 2025
Abstract
Transmission tower guy wires are critical flexible tension members ensuring the stability and safe operation of overhead power transmission networks. However, these components are vulnerable to external impacts from falling rocks, ice masses, and other natural hazards, which can cause excessive deformation, anchorage [...] Read more.
Transmission tower guy wires are critical flexible tension members ensuring the stability and safe operation of overhead power transmission networks. However, these components are vulnerable to external impacts from falling rocks, ice masses, and other natural hazards, which can cause excessive deformation, anchorage loosening, and catastrophic failure. Current design standards primarily consider static loads, lacking comprehensive models for predicting dynamic impact responses. This study presents a theoretical model for predicting the peak impact response of guy wires by modeling the impact process as a point mass impacting a nonlinear spring system. Using an energy-based elastic potential method combined with cable theory, analytical solutions for axial force, displacement, and peak impact force are derived. Newton–Cotes numerical integration solves the implicit function to obtain closed-form solutions for efficient prediction. Validated through finite element simulations, deviations of peak displacement, peak impact force, and peak axial force between theoretical and numerical results are within ±4%, ±18%, and ±4%, respectively. Using the validated model, parametric studies show that increasing the inclination angle from 15° to 55° slightly reduces peak displacement by 2–4%, impact force by 1–13%, and axial force by 1–10%. Higher prestress (100–300 MPa) decreases displacement and impact force but increases axial force. Longer lengths (15–55 m) cause linear displacement growth and nonlinear force reduction. Impacts near anchorage points help control displacement risks, and impact velocity generally has a more significant influence on response characteristics than impactor mass. This model provides a scientific basis for impact-resistant design of power grid infrastructure and guidance for optimizing de-icing strategies, enhancing transmission system safety and reliability. Full article
(This article belongs to the Special Issue Power System Security Assessment and Risk Analysis)
Show Figures

Figure 1

21 pages, 28904 KB  
Article
Predicting Public Transit Demand Using Urban Imagery with a Dual-Latent Deep Learning Framework
by Eunseo Ko, Gitae Park and Sangho Choo
Sustainability 2026, 18(1), 67; https://doi.org/10.3390/su18010067 (registering DOI) - 20 Dec 2025
Viewed by 48
Abstract
Public transit demand forecasting is a foundational component of sustainable urban mobility, enabling efficient operation, equitable service provision, and planning of public transit systems. Urban imagery, such as aerial images, contains rich information about urban sociodemographic characteristics and the built environment, offering particular [...] Read more.
Public transit demand forecasting is a foundational component of sustainable urban mobility, enabling efficient operation, equitable service provision, and planning of public transit systems. Urban imagery, such as aerial images, contains rich information about urban sociodemographic characteristics and the built environment, offering particular value for data-scarce regions where conventional datasets are limited or outdated. However, there is limited research on using these images for public transit demand forecasting. This study introduces a deep learning approach for predicting transit ridership using aerial images. The method employs an encoder–decoder architecture to functionally separate image-derived latent representations into sociodemographic and physical environment vectors, which are subsequently used as inputs to a neural network for ridership prediction. Using data from Seoul, South Korea, the effectiveness of the proposed method is evaluated against three baseline configurations. The results show that the sociodemographic latent vector captures spatially organized residential characteristics, while the physical environment vector encodes distinct urban landscape patterns such as dense housing, traditional street grids, open spaces, and natural environments. The proposed model, which uses only imagery-derived latent features, substantially outperforms the pure image baseline and narrows the performance gap with census-informed models, reducing sMAPE by 25–60% depending on the mode. Combining imagery with census variables yields the highest accuracy, confirming their complementary nature. These findings highlight the potential of imagery-based approaches as a scalable, cost-efficient, and sustainable tool for data-driven transit planning. Full article
Show Figures

Figure 1

18 pages, 2679 KB  
Article
An Optimal Dispatch Method for Power Systems with High Penetration of Renewable Power and CHP Units Utilizing the Combined GA and PSO Algorithm
by Zhongxi Ou, Liang Zhang, Xubin Xing, Pupu Chao, Zhu Tong and Fenfen Li
Energies 2026, 19(1), 12; https://doi.org/10.3390/en19010012 - 19 Dec 2025
Viewed by 53
Abstract
With the improvement scale of grid connection renewable power, accurately forecasting and effectively coordinating systems with various energy sources has become much more important for power system scheduling and operation. Considering the uncertain characteristics of renewable energy and CHP units, this paper proposes [...] Read more.
With the improvement scale of grid connection renewable power, accurately forecasting and effectively coordinating systems with various energy sources has become much more important for power system scheduling and operation. Considering the uncertain characteristics of renewable energy and CHP units, this paper proposes an optimal dispatch method with multi-prediction models and an improved solving method by series correction and parallel coupling analysis. Firstly, multiple-model stationary time series are obtained by EMD (empirical mode decomposition) of the prediction results from multiple models. Then, series decomposition is updated by the UKF (unscented Kalman filter). Using the least-squares method, the parallel coupling of the correction results is solved. A complex optimal scheduling model with multiple renewable energy sources and CHP units is proposed and solved with the help of the improved GA and PSO combined algorithm to avoid the algorithm falling into local optimal conditions. Simulations show that the proposed optimal dispatch model and algorithm are able to consider the uncertain characteristics of renewable energy and CHP units with better performance than some typical methods, such as the baseline method that combines single-model BP forecasting with conventional PSO-based dispatch. These results demonstrate that the proposed EMD–UKF-based multi-model forecasting combined with the improved GA–PSO-based dispatch framework provides an effective and practically applicable tool for enhancing the economic and low-carbon operation of multi-energy systems with high renewable penetration. Full article
31 pages, 6313 KB  
Article
Adaptive Virtual Impedance Fault Overcurrent Suppression Method and Reactive Power Support Method with Frozen Reactive Power–Voltage Droop Control for Grid-Forming Converters
by Chengshuai Li, Zirui Dong, Shuolin Zhang, Longfei Mu, Jiahao Liu, Jiafei Liu and Qian Kai
Processes 2026, 14(1), 9; https://doi.org/10.3390/pr14010009 - 19 Dec 2025
Viewed by 142
Abstract
With the rapid development of new energy, high-proportion new energy power systems have significantly reduced inertia and voltage support capacity, facing severe stability challenges. Virtual Synchronous Generator (VSG) control, which simulates the inertia and voltage source characteristics of traditional synchronous generators, enables friendly [...] Read more.
With the rapid development of new energy, high-proportion new energy power systems have significantly reduced inertia and voltage support capacity, facing severe stability challenges. Virtual Synchronous Generator (VSG) control, which simulates the inertia and voltage source characteristics of traditional synchronous generators, enables friendly grid connection of new energy converters and has become a key technology for large-scale new energy applications. This paper addresses two key issues in low-voltage ride through (LVRT) of grid-forming converters under VSG control: (1) converter overcurrent suppression during LVRT; (2) reduced reactive power support due to retaining voltage-reactive power droop control during faults. It proposes an adaptive virtual impedance-based overcurrent suppression method and a frozen reactive power–voltage droop-based reactive support method. Based on the converter’s mathematical model, a DIgSILENT/PowerFactory simulation model is built. Time-domain simulations verify the converter’s operating characteristics and the improved LVRT strategy’s effect, providing theoretical and technical support for large-scale applications of grid-forming converters. Full article
(This article belongs to the Topic Power System Dynamics and Stability, 2nd Edition)
Show Figures

Figure 1

29 pages, 1732 KB  
Systematic Review
Surveillance of Healthcare-Associated Infections in the WHO African Region: Systematic Review of Literature from 2011 to 2024
by Laetitia Gahimbare, Nathalie K. Guessennd, Claude Mambo Muvunyi, Walter Fuller, Sheick Oumar Coulibaly, Landry Cihambanya, Pierre Claver Kariyo, Olga Perovic, Ambele Judith Mwamelo, Diané Kouao Maxime, Valérie Gbonon, Konan Kouadio Fernique, Babacar Ndoye and Yahaya Ali Ahmed
Antibiotics 2025, 14(12), 1287; https://doi.org/10.3390/antibiotics14121287 - 18 Dec 2025
Viewed by 249
Abstract
Background: Evidence on HAIs in Africa is fairly common. Objectives: The main objective was to identify the surveillance tools used for healthcare–associated infections (HAIs) in countries in the WHO African Region. Secondary objectives focused on the organization of surveillance, the pathogens involved, and [...] Read more.
Background: Evidence on HAIs in Africa is fairly common. Objectives: The main objective was to identify the surveillance tools used for healthcare–associated infections (HAIs) in countries in the WHO African Region. Secondary objectives focused on the organization of surveillance, the pathogens involved, and the frequency of multidrug–resistant species. Inclusion and exclusion criteria: Observational or interventional studies on healthcare–associated infections in humans, published between January 2011 and December 2024, in French or English, were included. However, the following publications were not included: animal studies, healthcare–associated infections not related to healthcare, literature reviews, studies outside the period or geographical area, and studies in languages other than French or English. Sources of information and search date: The databases consulted were PubMed, Web of Science, EMBASE, Cochrane, African Index Medicus, Google Scholar, and AJOL. The search was conducted between January and March 2025. Risk of bias assessment: The risk of bias was assessed using a specific grid (eleven criteria), scored from one (low) to three (high). The studies were classified into three levels of methodological quality. The results of the bias assessment showed that the publications were excellent (strong and moderate) with a cumulative rate of 99.9%. Methods of synthesizing results: Data were extracted using a standardized grid and synthesized narratively. No meta–analysis was performed. Number of studies and characteristics: 95 studies were included, mostly cross–sectional studies (82.1%), cohorts (10.4%), and a few case reports. Most were from West Africa (60.0%), particularly Nigeria (16.8%) and South Africa (14.7%). Main results: • Most common pathogens: Staphylococcus aureus (53.7%), Escherichia coli (43.2%), Klebsiella pneumoniae (32.6%). • Resistance profile: ESBL (27.4%), MRSA (21.1%), multidrug resistance (13.7%). • Sources of HAIs: mainly exogenous (83.2%). • Laboratory methods: phenotypic (70.5%), genotypic or genomic rare (3.1%). • Scope of studies: local (96.8%), national (3.2%). Limitations of evidence: Risk of bias due to underreporting of HAIs, methodological heterogeneity, predominance of cross–sectional studies, low use of molecular methods, lack of modeling, and uneven geographical coverage. Overall interpretation and implications: surveillance of HAIs in Africa remains fragmented and poorly standardized. There is a need to strengthen national systems, integrate molecular methods, train professionals, and promote interventional research. The WHO GLASS program can serve as a framework for harmonizing surveillance. Full article
Show Figures

Figure 1

18 pages, 2988 KB  
Article
Research on Vibration Measurement and Analysis Technology of Circuit Breaker Based on VMD and LSTM
by Jia Hao, Qilong Yan, Guanru Wen, Jingyao Wang and Long Zhao
Appl. Sci. 2025, 15(24), 13252; https://doi.org/10.3390/app152413252 - 18 Dec 2025
Viewed by 80
Abstract
In this paper, we propose a mechanical fault diagnosis technology for circuit breakers based on the NGO-VMD, aiming to improve the accuracy and efficiency of fault diagnosis. The circuit breaker is a key protection device in power systems, and its operational status is [...] Read more.
In this paper, we propose a mechanical fault diagnosis technology for circuit breakers based on the NGO-VMD, aiming to improve the accuracy and efficiency of fault diagnosis. The circuit breaker is a key protection device in power systems, and its operational status is crucial to grid security. This paper introduces the NGO-VMD method to decompose its vibration signals, aiming to improve the accuracy and efficiency of fault diagnosis. Failure to detect and address mechanical faults in circuit breakers can lead to equipment damage, power outages, and even personal injury. Therefore, it is of great significance to develop efficient and accurate mechanical fault diagnosis technology for after converting the mechanical fault signal of the vacuum circuit breaker in the distribution network into the IMF form, the modal information of the vibration signal under different faults of the circuit breaker is effectively extracted, and the singular value decomposition of the IMF signal component is carried out to make the information characteristics contained more obvious, Finally, LSTM is used to achieve precise identification of circuit breaker faults. In this paper, the experimental test is carried out on the basis of the actual vacuum circuit breaker in the distribution network, and the feasibility of the design scheme is verified by comprehensive analysis. The comparison and analysis with other methods can be obtained, and the scheme has the advantages of higher efficiency, stronger stability and more accuracy. Full article
Show Figures

Figure 1

25 pages, 6177 KB  
Article
Identification of Urban High-Intensity Development Areas Based on Oriented Region Growth-Case Study of Shenzhen City in China
by Jiaqi Qiu, Honglan Huang, Ying Zhang and Liang Zou
Land 2025, 14(12), 2432; https://doi.org/10.3390/land14122432 - 16 Dec 2025
Viewed by 127
Abstract
To achieve effective coordination among planning, operation, and service in urban management, and based on the fundamental characteristic of urban spatial development expanding from points to areas, this paper proposes an approach for identifying high-intensity urban development zones based on seed grid growth. [...] Read more.
To achieve effective coordination among planning, operation, and service in urban management, and based on the fundamental characteristic of urban spatial development expanding from points to areas, this paper proposes an approach for identifying high-intensity urban development zones based on seed grid growth. First, seed grids are selected using the Getis–Ord Gi* of grid floor area ratios as the criterion. Second, drawing on relevant image recognition methods, high-intensity development zones are derived through seed-grid-based zone growth, as well as zone merging and segmentation. Furthermore, the rationality of the geometric morphology and the independence of the spatial relationships of the identified zones are evaluated. Meanwhile, the utilization efficiency of these zones is assessed from the perspectives of population carrying capacity and industrial agglomeration, using data on population, digital brightness of nighttime lights, and points of interest (POI). Finally, the proposed identification and utilization efficiency assessment method is verified through a case study of Shenzhen City. Full article
Show Figures

Figure 1

22 pages, 3688 KB  
Article
An End-to-End Hierarchical Intelligent Inference Model for Collaborative Operation of Grid Switches
by Mingrui Zhao, Tie Chen, Jiaxin Yuan, Yuting Jiang and Junlin Ren
Energies 2025, 18(24), 6574; https://doi.org/10.3390/en18246574 - 16 Dec 2025
Viewed by 134
Abstract
To address the issue of heavy reliance on manual intervention in substation maintenance tasks, this paper proposes an end-to-end hierarchical intelligent inference method for collaborative operation of grid switches. The method constructs a unified knowledge environment that can simultaneously describe the operational characteristics [...] Read more.
To address the issue of heavy reliance on manual intervention in substation maintenance tasks, this paper proposes an end-to-end hierarchical intelligent inference method for collaborative operation of grid switches. The method constructs a unified knowledge environment that can simultaneously describe the operational characteristics of both the power grid and the substation, and combines Dueling Double Deep Q-Network (D3QN) with Multi-Task Dueling Double Deep Q-Network (MT-D3QN) algorithms for interactive training, achieving hierarchical inference. The upper layer uses bays as the base nodes to reflect the power flow, designing a reward and penalty function under N-1 power flow constraints and ring-current impact constraints, optimizing the load transfer plan for the power outages caused by maintenance tasks. The lower layer uses switches as the base nodes to reflect the main wiring status of the substation, introduces a multi-task learning mechanism for parallel training of bays with the same tasks, designs the reward and penalty function according to the five protection rules, and optimizes the switching operations within the bay. The experimental results show that the trained model can quickly deduce the switching operation sequence for different maintenance tasks. Full article
Show Figures

Figure 1

23 pages, 4116 KB  
Article
A Novel Decomposition–Integration-Based Transformer Model for Multi-Scale Electricity Demand Prediction
by Xiang Yu, Dong Wang, Manlin Shen, Yong Deng, Haoyue Liu, Qing Liu, Luyang Hou and Qiangbing Wang
Electronics 2025, 14(24), 4936; https://doi.org/10.3390/electronics14244936 - 16 Dec 2025
Viewed by 119
Abstract
The accurate forecasting of electricity sales volumes constitutes a critical task for power system planning and operational management. Nevertheless, subject to meteorological perturbations, holiday effects, exogenous economic conditions, and endogenous grid operational metrics, sales data frequently exhibit pronounced volatility, marked nonlinearities, and intricate [...] Read more.
The accurate forecasting of electricity sales volumes constitutes a critical task for power system planning and operational management. Nevertheless, subject to meteorological perturbations, holiday effects, exogenous economic conditions, and endogenous grid operational metrics, sales data frequently exhibit pronounced volatility, marked nonlinearities, and intricate interdependencies. This inherent complexity compounds modeling challenges and constrains forecasting efficacy when conventional methodologies are applied to such datasets. To address these challenges, this paper proposes a novel decomposition–integration forecasting framework. The methodology first applies Variational Mode Decomposition (VMD) combined with the Zebra Optimization Algorithm (ZOA) to adaptively decompose the original data into multiple Intrinsic Mode Functions (IMFs). These IMF components, each capturing specific frequency characteristics, demonstrate enhanced stationarity and clearer structural patterns compared to the raw sequence, thus providing more representative inputs for subsequent modeling. Subsequently, an improved RevInformer model is employed to separately model and forecast each IMF component, with the final prediction obtained by aggregating all component forecasts. Empirical verification on an annual electricity sales dataset from a commercial building demonstrates the proposed method’s effectiveness and superiority, achieving Mean Absolute Error (MAE), Root Mean Squared Error (RMSE), and Mean Squared Percentage Error (MSPE) values of 0.044783, 0.211621, and 0.074951, respectively—significantly outperforming benchmark approaches. Full article
Show Figures

Figure 1

15 pages, 2122 KB  
Article
Effects of Localized Overheating on the Particle Size Distribution and Morphology of Impurities in Transformer Oil
by Shangquan Feng, Ruijin Liao, Lijun Yang, Chen Chen and Xinxi Yu
Energies 2025, 18(24), 6566; https://doi.org/10.3390/en18246566 - 16 Dec 2025
Viewed by 142
Abstract
Power transformers are critical components of power grids, and their operational status characterization and fault diagnosis are crucial for power system reliability. Oil quality assessment is a crucial method for determining transformer status, and the detection of impurity particles in oil has historically [...] Read more.
Power transformers are critical components of power grids, and their operational status characterization and fault diagnosis are crucial for power system reliability. Oil quality assessment is a crucial method for determining transformer status, and the detection of impurity particles in oil has historically been a key approach. However, recent field tests have revealed the presence of numerous impurity particles less than 5 μm in transformer oil. Current power standards do not address these micron-sized particles, and their sources and mechanisms of action are largely unresolved. Therefore, this paper designed a localized overheating experiment, incorporating microflow imaging technology, to investigate the generation patterns of impurity particles under localized overheating and their quantitative correlation with heat. Field oil samples were also collected and tested to further explore the potential application of these micron-sized particles in transformer overheating assessment. The research results show that insulating oil can decompose and produce impurity particles at temperatures as low as 140 °C. When the temperature is below 140 °C, the number of particles at different heat levels is not significantly different from that of the non-overheated oil sample. However, when the temperature exceeds 140 °C, the number of particles increases significantly with increasing heat. Among the generated particles, particles with a diameter of less than 5 μm account for over 50% of the total number, and their number increases significantly with increasing heat. Their morphology is characterized by a smooth, regular, and spherical shape. Field test results of overheated oil samples are consistent with laboratory tests. Micron-sized particles are highly sensitive to changes in overheating conditions and have the potential to be used as a new characteristic parameter of transformer overheating conditions. In summary, this paper reveals the formation mechanism of impurity particles in insulating oil under localized overheating conditions. It was found that insulating oil can also decompose and generate impurity particles at 140 °C, with the pyrolysis products mainly consisting of particles smaller than 5 μm in diameter, which are not currently considered a concern in existing standards. Further research indicates that these micron-sized particles exhibit high sensitivity to changes in overheating conditions, demonstrating potential application value as a novel characteristic parameter of transformer overheating. Full article
Show Figures

Figure 1

25 pages, 2396 KB  
Article
Capacity Configuration Method for Hydro-Wind-Solar-Storage Systems Considering Cooperative Game Theory and Grid Congestion
by Lei Cao, Jing Qian, Haoyan Zhang, Danning Tian and Ximeng Mao
Energies 2025, 18(24), 6543; https://doi.org/10.3390/en18246543 - 14 Dec 2025
Viewed by 140
Abstract
Integrated hydro-wind-solar-storage (HWSS) bases are pivotal for advancing new power systems under the low carbon goals. However, the independent decision-making of diverse generation investors, coupled with limited transmission capacity, often leads to a dilemma in which individually rational decisions lead to collectively suboptimal [...] Read more.
Integrated hydro-wind-solar-storage (HWSS) bases are pivotal for advancing new power systems under the low carbon goals. However, the independent decision-making of diverse generation investors, coupled with limited transmission capacity, often leads to a dilemma in which individually rational decisions lead to collectively suboptimal outcomes, undermining overall benefits. To address this challenge, this study proposes a novel cooperative game-based method that seamlessly integrates grid congestion into capacity allocation and benefit distribution. First, a bi-level optimization model is developed, where a congestion penalty is explicitly embedded into the cooperative game’s characteristic function to quantify the maximum benefits under different coalition structures. Second, an improved Shapley value model is introduced, incorporating a comprehensive correction factor that synthesizes investment risk, congestion mitigation contribution, and capacity scale to overcome the fairness limitations of the classical method. Third, a case study of a high-renewable-energy base in Qinghai is conducted. The results demonstrate that the proposed cooperative model increases total system revenue by 20.1%, while dramatically reducing congestion costs and wind/solar curtailment rates by 86.2% and 79.3%, respectively. Furthermore, the improved Shapley value ensures a fairer distribution, appropriately increasing the profit shares for hydropower (from 28.5% to 32.1%) and energy storage, thereby enhancing coalition stability. This research provides a theoretical foundation and practical decision-making tool for the collaborative planning of HWSS bases with multiple investors. Full article
Show Figures

Figure 1

27 pages, 5697 KB  
Article
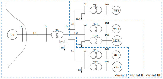
Interaction Analysis of Offshore Power Systems: A Comparative Study
by Michał Piekarz, Sylwester Robak and Mateusz Polewaczyk
Energies 2025, 18(24), 6531; https://doi.org/10.3390/en18246531 - 13 Dec 2025
Viewed by 121
Abstract
This paper presents a comparative assessment of interaction analysis methods applied to a multi-variant offshore power system model. Complementary analytical techniques—eigenvalue analysis, frequency–response characteristics, RGA, DRGA, and GDRG—are used to quantify interactions across electromechanical and electromagnetic frequency ranges. The main novelty of this [...] Read more.
This paper presents a comparative assessment of interaction analysis methods applied to a multi-variant offshore power system model. Complementary analytical techniques—eigenvalue analysis, frequency–response characteristics, RGA, DRGA, and GDRG—are used to quantify interactions across electromechanical and electromagnetic frequency ranges. The main novelty of this study is a modified DRGA approach that incorporates a hybrid FIR/IIR digital filtering stage, significantly improving the accuracy of interaction evaluations. The results show that no single method provides complete data and that the enhanced DRGA and GDRG techniques are essential for interaction analysis. The proposed framework offers practical guidelines for analyzing and coordinating control loops in offshore grids. Full article
(This article belongs to the Section F1: Electrical Power System)
Show Figures

Figure 1

Back to TopTop