Sign in to use this feature.

Years

Between: -

Subjects

remove_circle_outline
remove_circle_outline
remove_circle_outline
remove_circle_outline
remove_circle_outline
remove_circle_outline
remove_circle_outline
remove_circle_outline
remove_circle_outline

Journals

Article Types

Countries / Regions

Search Results (100)

Search Parameters:
Keywords = power deviation suppression

Order results
Result details
Results per page
Select all
Export citation of selected articles as:
21 pages, 12457 KB  
Article
Virtual Synchronous Generator Multi-Parameter Cooperative Adaptive Control Based on a Fuzzy and Soft Actor–Critic Fusion Framework
by Zhixing Wang, Yu Xu and Jing Bai
Energies 2026, 19(1), 57; https://doi.org/10.3390/en19010057 - 22 Dec 2025
Abstract
To address the issue that distributed renewable energy grid-connected Virtual Synchronous Generator (VSG) systems are prone to significant power and frequency fluctuations under changing operating conditions, this paper proposes a multi-parameter coordinated control strategy for VSGs based on a fusion framework of fuzzy [...] Read more.
To address the issue that distributed renewable energy grid-connected Virtual Synchronous Generator (VSG) systems are prone to significant power and frequency fluctuations under changing operating conditions, this paper proposes a multi-parameter coordinated control strategy for VSGs based on a fusion framework of fuzzy logic and the Soft Actor–Critic (SAC) algorithm, termed Improved SAC-based Virtual Synchronous Generator control (ISAC-VSG). First, the method uses fuzzy logic to map the frequency deviation and its rate of change into a five-dimensional membership vector, which characterizes the uncertainty and nonlinear features during the transient process, enabling segmented policy optimization for different transient regions. Second, a stage-based guidance mechanism is introduced into the reward function to balance the agent’s exploration and stability, thereby improving the reliability of the policy. Finally, the action space is expanded from inertia–damping to the coordinated regulation of inertia, damping, and active power droop coefficient, achieving multi-parameter dynamic optimization. MATLAB/Simulink R2022b simulation results indicate that, compared with the traditional SAC-VSG and DDPG-VSG method, the proposed strategy can reduce the maximum frequency overshoot by up to 29.6% and shorten the settling time by approximately 15.6% under typical operating conditions such as load step changes and grid phase disturbances. It demonstrates superior frequency oscillation suppression capability and system robustness, verifying the effectiveness and application potential of the proposed method in high-penetration renewable energy power systems. Full article
(This article belongs to the Section A1: Smart Grids and Microgrids)
Show Figures

Figure 1

18 pages, 10308 KB  
Article
Fuzzy-Adaptive ESO Control for Dual Active Bridge Converters
by Ju-Hyeong Seo and Sung-Jin Choi
Sensors 2026, 26(1), 48; https://doi.org/10.3390/s26010048 - 20 Dec 2025
Viewed by 52
Abstract
In converter-dominated direct-current microgrids, severe load transients can cause large voltage deviations on the common direct-current bus. To mitigate this, an energy storage system is typically employed, and an isolated bidirectional dual active bridge converter is commonly used as the power interface. Therefore, [...] Read more.
In converter-dominated direct-current microgrids, severe load transients can cause large voltage deviations on the common direct-current bus. To mitigate this, an energy storage system is typically employed, and an isolated bidirectional dual active bridge converter is commonly used as the power interface. Therefore, the controller must ensure robust transient performance under step-load conditions. This paper proposes an active disturbance rejection control framework that adaptively adjusts the bandwidth of an extended state observer using fuzzy logic. The proposed observer increases its bandwidth during transients—based on the estimation error—to accelerate disturbance compensation, while decreasing the bandwidth near steady state to suppress noise amplification. This adaptive tuning alleviates the fixed-bandwidth trade-off between transient speed and noise sensitivity in ESO-based regulation. Hardware experiments under load-step conditions validate the method: for a load increase, the peak voltage undershoot and settling time are reduced by 22% and 48.9% relative to a proportional–integral controller, and by 20% and 36.1% relative to a fixed-bandwidth observer. For a load decrease, the peak overshoot and settling time are reduced by 27.9% and 49.5% compared with the proportional–integral controller, and by 20.5% and 25% compared with the fixed-bandwidth observer. Full article
(This article belongs to the Section Intelligent Sensors)
Show Figures

Figure 1

25 pages, 13815 KB  
Article
Harmonic Suppression and Circulating Current Mitigation in Parallel Active Power Filters Using Dual-Comparison One-Cycle Control
by Shuang Rong, Bowen Gu, Fangang Meng, Jiapeng Cui, Zexin Mu, Xueting Lei, Jianan Guan, Kailai Ye, Pengju Zhang and Shengren Yong
Electronics 2025, 14(24), 4888; https://doi.org/10.3390/electronics14244888 - 12 Dec 2025
Viewed by 105
Abstract
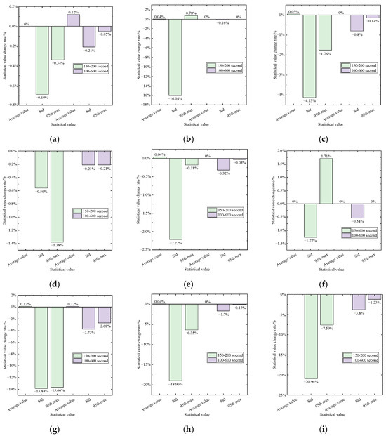
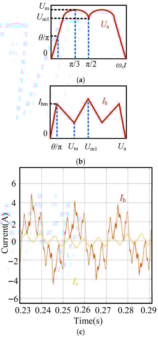
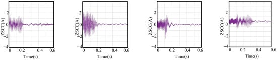
This paper presents a novel approach to reduce harmonic distortion and mitigate zero-sequence circulating current (ZSCC) in parallel active power filters (APFs). By employing Dual-Comparison One-Cycle Control (DC-OCC), this method effectively reduces harmonics. Carrier asynchronization among inverter modules in parallel configurations leads to [...] Read more.
This paper presents a novel approach to reduce harmonic distortion and mitigate zero-sequence circulating current (ZSCC) in parallel active power filters (APFs). By employing Dual-Comparison One-Cycle Control (DC-OCC), this method effectively reduces harmonics. Carrier asynchronization among inverter modules in parallel configurations leads to the generation of ZSCC, which distorts output waveforms and reduces system efficiency. A mathematical model is developed to decompose ZSCC into low-, medium-, and high-frequency components, revealing how these components are influenced by carrier-phase deviations. Based on this model, a ZSCC extraction and compensation scheme is proposed. This method enables effective suppression of ZSCC without requiring additional components, communication links, or sensors. Simulation and experimental results demonstrate that the proposed approach achieves significant harmonic suppression, improved power factor, and a peak efficiency of 98.7%, confirming the effectiveness of the control strategy in practical applications. Full article
(This article belongs to the Section Power Electronics)
Show Figures

Figure 1

45 pages, 54465 KB  
Article
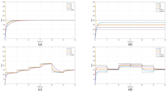
Multi-Agent Cooperative Optimisation of Microwave Heating Based on Phase–Power Coordinated Control and Consensus Feedback
by Baowei Song, Biao Yang and Yuling Zhou
Appl. Sci. 2025, 15(23), 12590; https://doi.org/10.3390/app152312590 - 27 Nov 2025
Viewed by 275
Abstract
To address the key challenges of non-uniform energy distribution, local overheating, and unstable electromagnetic–thermal coupling in multi-source microwave heating systems, this paper proposes a distributed optimisation cooperative method based on phase–power coordinated control and consensus-feedback constraints. A two-stage multi-agent control mechanism, described as [...] Read more.
To address the key challenges of non-uniform energy distribution, local overheating, and unstable electromagnetic–thermal coupling in multi-source microwave heating systems, this paper proposes a distributed optimisation cooperative method based on phase–power coordinated control and consensus-feedback constraints. A two-stage multi-agent control mechanism, described as “phase leading, power following”, is constructed within a hierarchical architecture to achieve spatiotemporal collaborative optimisation from the perspectives of electromagnetic interference-field shaping and thermal feedback regulation. In the phase-regulation stage (Innovation 1), adaptive reconstruction of the interference field is achieved through relative phase specification and a two-level scanning mechanism, rapidly shaping the spatial energy distribution and enhancing the absorption efficiency of incident electromagnetic energy in the cavity–material system. In the power-regulation stage (Innovation 2), amplitude correction is performed under a stabilised interference-field background, and a consensus-feedback constrained regional energy collaboration network is established to ensure that regional energy states converge within the convex hull of the leader reference set. Power redistribution is driven by the target–region energy deviation and neighbourhood consistency relationships, enabling spatial reverse balancing of energy density, suppressing excessive heating in high-energy regions, and enhancing compensation in low-energy regions. Furthermore, a spatiotemporal dual-scale coupling consensus-optimisation framework (Innovation 3) is developed to form a cooperative loop between fast electromagnetic-field reconstruction and slow thermal-field dynamics, achieving synchronous improvement in energy utilisation efficiency and temperature-field uniformity with stable convergence. Simulation results demonstrate that, compared with conventional constant-power, single-phase, and single-power control strategies, the proposed method improves heating efficiency by 16.62–44.74%, and enhances temperature uniformity in vertical and horizontal sections by 8.84–55.87% and 11.41–40.54%, respectively. Full article
(This article belongs to the Section Applied Thermal Engineering)
Show Figures

Figure 1

23 pages, 4538 KB  
Article
Implementation of Current Harmonic Suppression for Imbalance in Six-Phase Permanent Magnet Synchronous Motor Drives
by Yu-Ting Lin, Jonq-Chin Hwang and Cheng-Tsung Lin
Energies 2025, 18(23), 6112; https://doi.org/10.3390/en18236112 - 22 Nov 2025
Viewed by 303
Abstract
Current harmonics in six-phase permanent magnet synchronous motors (PMSMs) arise from inherent asymmetries caused by manufacturing tolerances and nonlinear characteristics in the inverter output. Additionally, magnetic saturation and slight imbalances in the windings introduce flux linkage asymmetries, resulting in both fundamental current imbalance [...] Read more.
Current harmonics in six-phase permanent magnet synchronous motors (PMSMs) arise from inherent asymmetries caused by manufacturing tolerances and nonlinear characteristics in the inverter output. Additionally, magnetic saturation and slight imbalances in the windings introduce flux linkage asymmetries, resulting in both fundamental current imbalance and low-order harmonics. Although these imbalances are minor and do not indicate fault conditions, they can cause uneven copper loss and eventually reduce the overall service life of the motor. This paper proposes a harmonic suppression strategy for mitigating imbalance current harmonics in non-ideal six-phase PMSMs. The method integrates back-electromotive force harmonic feedforward compensation (BEMF-HFC) with harmonic synchronous reference frame current control (HSRF-CC). An imbalance flux linkage harmonic model is developed in simulations to replicate the measured imbalance phase currents and to validate the effectiveness of the proposed strategy. The experimental setup is built using a microcontroller from Texas Instruments (TI), which generates six-phase complementary PWM signals for the power stage and receives feedback signals including phase currents, DC bus voltage, and rotor position. Rotor position is acquired through a 12-pole resolver and a 12-bit resolver-to-digital converter (RDC). The six-phase PMSM used in the tests is specified with 12 poles, a rated DC bus voltage of 600 V, a rated current of 200 Arms, and a rated rotor speed of 1200 rpm. Compared with conventional harmonic suppression strategies that do not target imbalance current harmonics, the proposed method achieves a better current balance and lower total harmonic distortion (THD). At 1200 rpm, the magnitude deviation of the fundamental, third, and fifth current harmonics is reduced from 8.61%, 2.88%, and 2.94% to 1.19%, 1.02%, and 0.5%, respectively. Full article
Show Figures

Figure 1

27 pages, 5339 KB  
Article
Study on the Structural Vibration Control of a 10 MW Offshore Wind Turbine with a Jacket Foundation Under Combined Wind, Wave, and Seismic Loads
by Zhongbo Hu, Tao Xiong, Xiang Gao, Deshuai Tian, Changbo Liu, Yuguo Song, Wenhua Wang and Dongzhe Lu
J. Mar. Sci. Eng. 2025, 13(11), 2112; https://doi.org/10.3390/jmse13112112 - 6 Nov 2025
Cited by 1 | Viewed by 659
Abstract
As offshore wind power continues to develop, with increased capacity and ability to function in deeper waters, jacket-type offshore wind turbines (OWTs) are becoming increasingly challenged by complex environmental loads and significant structural vibration issues. This study focuses on a 10 MW jacket [...] Read more.
As offshore wind power continues to develop, with increased capacity and ability to function in deeper waters, jacket-type offshore wind turbines (OWTs) are becoming increasingly challenged by complex environmental loads and significant structural vibration issues. This study focuses on a 10 MW jacket foundation OWT and proposes an optimization approach for tuned mass damper (TMD) parameters based on the artificial bee colony (ABC) algorithm. A fully coupled model of the OWT and TMD system is developed, and the TMD parameters are optimized through frequency-domain analysis and time-domain simulations. The vibration control performance of the optimized TMD is then evaluated under combined wind, wave, and seismic excitations. The results show that the passive TMD achieves substantially greater vibration suppression under seismic loading compared to combined wind and wave conditions. In addition, the optimized TMD reduces the standard deviations of tower-top displacement and tower-base bending moment by more than 50%, significantly enhancing the dynamic response of the structure and contributing to an extended fatigue life. Full article
(This article belongs to the Section Ocean Engineering)
Show Figures

Figure 1

22 pages, 1687 KB  
Article
Research on Distribution Network Harmonic Mitigation and Optimization Control Strategy Oriented by Source Tracing
by Xin Zhou, Zun Ma, Hongwei Zhao and Hongbo Zou
Processes 2025, 13(10), 3268; https://doi.org/10.3390/pr13103268 - 13 Oct 2025
Viewed by 718
Abstract
Against the backdrop of a high proportion of distributed renewable energy sources being integrated into the power grid, distribution networks are confronted with issues of grid-wide and decentralized harmonic pollution and voltage deviation, rendering traditional point-to-point governance methods inadequate for meeting collaborative governance [...] Read more.
Against the backdrop of a high proportion of distributed renewable energy sources being integrated into the power grid, distribution networks are confronted with issues of grid-wide and decentralized harmonic pollution and voltage deviation, rendering traditional point-to-point governance methods inadequate for meeting collaborative governance requirements. To address this problem, this paper proposes a source-tracing-oriented harmonic mitigation and optimization control strategy for distribution networks. Firstly, it identifies regional dominant harmonic source mitigation nodes based on harmonic and reactive power sensitivity indices as well as comprehensive voltage sensitivity indices. Subsequently, with the optimization objectives of reducing harmonic power loss and suppressing voltage fluctuation in the distribution network, it configures the quantity and capacity of voltage-detection-based active power filters (VDAPFs) and Static Var Generators (SVGs) and solves the model using an improved Spider Jump algorithm (SJA). Finally, the effectiveness and feasibility of the proposed method are validated through testing on an improved IEEE-33 standard node test system. Through analysis, the proposed method can reduce the voltage fluctuation rate and total harmonic distortion (THD) by 2.3% and 2.6%, respectively, achieving nearly 90% equipment utilization efficiency with the minimum investment cost. Full article
Show Figures

Figure 1

21 pages, 3305 KB  
Article
A Power Flow Sensitivity-Based Approach for Distributed Voltage Regulation and Power Sharing in Droop-Controlled DC Distribution Networks
by Nan Jiang, He Gao, Xingyu Zhang, Zhe Zhang, Yufei Peng and Dong Liang
Energies 2025, 18(20), 5382; https://doi.org/10.3390/en18205382 - 13 Oct 2025
Viewed by 462
Abstract
Aiming at the challenges of design complexity and parameter adjustment difficulties in existing distributed controllers, a novel power flow sensitivity-based distributed cooperative control approach is proposed for voltage regulation and power sharing in droop-controlled DC distribution networks (DCDNs). Firstly, based on the power [...] Read more.
Aiming at the challenges of design complexity and parameter adjustment difficulties in existing distributed controllers, a novel power flow sensitivity-based distributed cooperative control approach is proposed for voltage regulation and power sharing in droop-controlled DC distribution networks (DCDNs). Firstly, based on the power flow model of droop-controlled DCDNs, a comprehensive sensitivity model is established that correlates bus voltages, voltage source converter (VSC) loading rates, and VSC reference power adjustments. Leveraging the sensitivity model, a discrete-time linear state-space model is developed for DCDNs, using all VSC reference power as control variables, along with the weighted sum of the voltage deviation at the VSC connection point and the loading rate deviation of adjacent VSCs as state variables. A distributed consensus controller is then designed to alleviate the communication burden. The feedback gain design problem is formulated as an unconstrained multi-objective optimization model, which simultaneously enhances dynamic response speed, suppresses overshoot and oscillation, and ensures stability. The model can be efficiently solved by global optimization algorithms such as the genetic algorithm, and the feedback gains can be designed in a systematic and principled manner. The simulation results on a typical four-terminal DCDN under large power disturbances demonstrate that the proposed distributed control method achieves rapid voltage recovery and converter load sharing under a sparse communication network. The design complexity and parameter adjustment difficulties are greatly reduced without losing the control performance. Full article
(This article belongs to the Section A1: Smart Grids and Microgrids)
Show Figures

Figure 1

19 pages, 3211 KB  
Article
Internal Wave Responses to Interannual Climate Variability Across Aquatic Layers
by Jinichi Koue
Water 2025, 17(19), 2905; https://doi.org/10.3390/w17192905 - 8 Oct 2025
Viewed by 554
Abstract
Internal waves play a critical role in material transport, vertical mixing, and energy dissipation within stratified aquatic systems. Their dynamics are strongly modulated by thermal stratification and surface meteorological forcing. This study examines the influence of interannual meteorological variability from 1980 to 2010 [...] Read more.
Internal waves play a critical role in material transport, vertical mixing, and energy dissipation within stratified aquatic systems. Their dynamics are strongly modulated by thermal stratification and surface meteorological forcing. This study examines the influence of interannual meteorological variability from 1980 to 2010 on internal wave behavior using a series of numerical simulations in Lake Biwa in Japan. In each simulation, air temperature, wind speed, or precipitation was perturbed by ±2 standard deviations relative to the climatological mean. Power spectral analysis of simulated velocity fields was conducted for the surface, thermocline, and bottom layers, focusing on super-inertial (6–16 h), near-inertial (~16–30 h), and sub-inertial (>30 h) frequency bands. The results show that higher air temperatures intensify stratification and enhance near-inertial internal waves, particularly within the thermocline, whereas cooler conditions favor sub-inertial wave dominance. Increased wind speeds amplify internal wave energy across all layers, with the strongest effect occurring in the high-frequency band due to intensified wind stress and vertical shear, while weaker winds suppress wave activity. Precipitation variability primarily affects surface stratification, exerting more localized and weaker impacts. These findings highlight the non-linear, depth-dependent responses of internal waves to atmospheric drivers and improve understanding of the coupling between climate variability and internal wave energetics. The insights gained provide a basis for more accurate predictions and sustainable management of stratified aquatic ecosystems under future climate scenarios. Full article
(This article belongs to the Special Issue Advances in Surface Water and Groundwater Simulation in River Basin)
Show Figures

Figure 1

20 pages, 2712 KB  
Article
Numerical Simulation of Supercooled Droplet Impact with a Velocity-Gated Darcy Source
by Yiyao Wang, Xingliang Jiang, Linghao Wang, Rufan Cui, Pengyu Chen and Xuan Wang
Aerospace 2025, 12(10), 902; https://doi.org/10.3390/aerospace12100902 - 7 Oct 2025
Viewed by 512
Abstract
The impact freezing of supercooled water droplets poses a significant threat to the safety of aircraft and power transmission equipment. In recent years, extensive research has been conducted using numerical methods to investigate this phenomenon. However, existing models often incorrectly predict premature freezing [...] Read more.
The impact freezing of supercooled water droplets poses a significant threat to the safety of aircraft and power transmission equipment. In recent years, extensive research has been conducted using numerical methods to investigate this phenomenon. However, existing models often incorrectly predict premature freezing near the droplet–air contact line during the early stage of impact, thereby unreasonably suppressing the spreading process in these regions. To address this limitation, this study proposes a velocity-gate-based activation control strategy for the Darcy momentum source, enabling its dynamic adjustment during simulation. The methodology integrates the Volume of Fluid (VOF) model, the solidification model, and the dynamic contact angle (DCA) model with the proposed dynamic Darcy source, while accounting for the influence of supercooling on physical properties. The numerical simulations are performed using COMSOL Multiphysics 6.3 and validated against experimental spreading factor data. The results demonstrate that the proposed methodology effectively eliminates nonphysical freezing during the initial spreading stage, and the predicted spreading factors agree well with experiments, with a maximum relative deviation of up to 11.7% across all simulated cases. The proposed approach improves consistency with real-world behavior and enhances the reliability of existing numerical tools for aircraft icing prediction and anti-icing design. Full article
(This article belongs to the Section Aeronautics)
Show Figures

Figure 1

30 pages, 4890 KB  
Article
Distributed Active Support from Photovoltaics via State–Disturbance Observation and Dynamic Surface Consensus for Dynamic Frequency Stability Under Source–Load Asymmetry
by Yichen Zhou, Yihe Gao, Yujia Tang, Yifei Liu, Liang Tu, Yifei Zhang, Yuyan Liu, Xiaoqin Zhang, Jiawei Yu and Rui Cao
Symmetry 2025, 17(10), 1672; https://doi.org/10.3390/sym17101672 - 7 Oct 2025
Viewed by 402
Abstract
The power system’s dynamic frequency stability is affected by common-mode ultra-low-frequency oscillation and differential-mode low-frequency oscillation. Traditional frequency control based on generators is facing the problem of capacity reduction. It is urgent to explore new regulation resources such as photovoltaics. To address this [...] Read more.
The power system’s dynamic frequency stability is affected by common-mode ultra-low-frequency oscillation and differential-mode low-frequency oscillation. Traditional frequency control based on generators is facing the problem of capacity reduction. It is urgent to explore new regulation resources such as photovoltaics. To address this issue, this paper proposes a distributed active support method based on photovoltaic systems via state–disturbance observation and dynamic surface consensus control. A three-layer distributed control framework is constructed to suppress low-frequency oscillations and ultra-low-frequency oscillations. To solve the high-order problem of the regional grid model and to obtain its unmeasurable variables, a regional observer estimating both system states and external disturbances is designed. Furthermore, a distributed dynamic frequency stability control method is proposed for wide-area photovoltaic clusters based on the dynamic surface control theory. In addition, the stability of the proposed distributed active support method has been proven. Moreover, a parameter tuning algorithm is proposed based on improved chaos game theory. Finally, simulation results demonstrate that, even under a 0–2.5 s time-varying communication delay, the proposed method can restrict the frequency deviation and the inter-area frequency difference index to 0.17 Hz and 0.014, respectively. Moreover, under weak communication conditions, the controller can also maintain dynamic frequency stability. Compared with centralized control and decentralized control, the proposed method reduces the frequency deviation by 26.1% and 17.1%, respectively, and shortens the settling time by 76.3% and 42.9%, respectively. The proposed method can effectively maintain dynamic frequency stability using photovoltaics, demonstrating excellent application potential in renewable-rich power systems. Full article
(This article belongs to the Special Issue Symmetry/Asymmetry Studies in Modern Power Systems)
Show Figures

Figure 1

18 pages, 2649 KB  
Article
Bi-Level Optimization Method for Frequency Regulation Performance of Industrial Extraction Heating Units Under Deep Peak Shaving Conditions
by Libin Wen, Hong Hu, Jinji Xi and Li Xiong
Processes 2025, 13(10), 3111; https://doi.org/10.3390/pr13103111 - 28 Sep 2025
Viewed by 398
Abstract
This paper proposes a multi-objective collaborative optimization method based on a two-layer optimization framework to address the problem of difficult coordinated optimization of multi-parameter coupling in the frequency regulation performance of heating units under deep peak shaving conditions. The upper-level optimization of this [...] Read more.
This paper proposes a multi-objective collaborative optimization method based on a two-layer optimization framework to address the problem of difficult coordinated optimization of multi-parameter coupling in the frequency regulation performance of heating units under deep peak shaving conditions. The upper-level optimization of this method focuses on the dynamic performance of primary frequency modulation and improves the fast response capability through multi-objective optimization of overshoot and adjustment time. Lower-level optimization is based on the optimal control parameter set output by the upper level, with comprehensive power deviation as the indicator, focusing on suppressing the deviation of frequency modulation power and the steady-state deviation of heating power. Propose a comprehensive quantitative index for frequency modulation performance and characterize the optimization effect of frequency modulation performance. Introducing a dynamic perturbation factor mechanism to generate an improved HO algorithm for dual-layer optimization solutions, preventing it from getting stuck in local optima and solving the problem of global search capability imbalance. The effectiveness of the method was verified based on actual unit calculations, and the obtained control parameter set met the objectives of optimal primary frequency regulation dynamic performance and optimal comprehensive power deviation performance, significantly improving the frequency regulation performance of heating units under deep peak shaving. After optimization, the overshoot performance score of the unit increased by 16.9%, the regulation time performance score increased by 25.1%, the frequency modulation power deviation score increased by 14.2%, the heating power deviation score increased by 17.7%, and the total frequency modulation performance score increased from 75.26 to 95.95, with a comprehensive optimization range of 27.5%. Full article
(This article belongs to the Special Issue Hybrid Artificial Intelligence for Smart Process Control)
Show Figures

Figure 1

28 pages, 2915 KB  
Article
Multi-Objective Cooperative Optimization Model for Source–Grid–Storage in Distribution Networks for Enhanced PV Absorption
by Pu Zhao, Xiao Liu, Hanbing Qu, Ning Liu, Yu Zhang and Chuanliang Xiao
Processes 2025, 13(9), 2841; https://doi.org/10.3390/pr13092841 - 5 Sep 2025
Viewed by 645
Abstract
High penetration of distributed photovoltaics (DPV) in distribution networks can lead to voltage violations, increased network losses, and renewable energy curtailment, posing significant challenges to both economic efficiency and operational stability. To address these issues, this study develops a coordinated planning framework for [...] Read more.
High penetration of distributed photovoltaics (DPV) in distribution networks can lead to voltage violations, increased network losses, and renewable energy curtailment, posing significant challenges to both economic efficiency and operational stability. To address these issues, this study develops a coordinated planning framework for DPV and energy-storage systems (ESS) that simultaneously achieves cost minimization and operational reliability. The proposed method employs a cluster partitioning strategy that integrates electrical modularity, active and reactive power balance, and node affiliation metrics, enhanced by a net-power-constrained Fast-Newman Algorithm to ensure strong intra-cluster coupling and rational scale distribution. On this basis, a dual layer optimization model is developed, where the upper layer minimizes annualized costs through optimal siting and sizing of DPV and ESS, and the lower layer simultaneously suppresses voltage deviations, reduces network losses, and maximizes PV utilization by employing an adaptive-grid multi-objective particle-swarm optimization approach. The framework is validated on the IEEE 33-node test system using typical PV generation and load profiles. The simulation results indicate that, compared with a hybrid second-order cone programming method, the proposed approach reduces annual costs by 6.6%, decreases peak–valley load difference by 22.6%, and improves PV utilization by 28.9%, while maintaining voltage deviations below 6.3%. These findings demonstrate that the proposed framework offers an efficient and scalable solution for enhancing renewable hosting capacity, and provides both theoretical foundations and practical guidance for the coordinated integration of DPV and ESS in active distribution networks. Full article
(This article belongs to the Section Energy Systems)
Show Figures

Figure 1

18 pages, 5778 KB  
Article
Hierarchical Switching Control Strategy for Smart Power-Exchange Station in Honeycomb Distribution Network
by Xiangkun Meng, Wenyao Sun, Yi Zhao, Xiaoyi Qian and Yan Zhang
Sustainability 2025, 17(17), 7998; https://doi.org/10.3390/su17177998 - 5 Sep 2025
Viewed by 1052
Abstract
The Honeycomb Distribution Network is a new distribution network architecture that utilizes the Smart Power-Exchange Station (SPES) to enable power interconnection and mutual assistance among multiple microgrids/distribution units, thereby supporting high-proportion integration of distributed renewable energy and promoting a sustainable energy transition. To [...] Read more.
The Honeycomb Distribution Network is a new distribution network architecture that utilizes the Smart Power-Exchange Station (SPES) to enable power interconnection and mutual assistance among multiple microgrids/distribution units, thereby supporting high-proportion integration of distributed renewable energy and promoting a sustainable energy transition. To promote the continuous and reliable operation of the Honeycomb Distribution Network, this paper proposes a Hierarchical Switching Control Strategy to address the issues of DC bus voltage (Udc) fluctuation in the SPES of the Honeycomb Distribution Network, as well as the state of charge (SOC) and charging/discharging power limitation of the energy storage module (ESM). The strategy consists of the system decision-making layer and the converter control layer. The system decision-making layer selects the main converter through the importance degree of each distribution unit and determines the control strategy of each converter through the operation state of the ESM’s SOC. The converter control layer restricts the ESM’s input/output active power—this ensures the ESM’s SOC and input/output active power stay within the power boundary. Additionally, it combines the Flexible Virtual Inertia Adaptive (FVIA) control method to suppress Udc fluctuations and improve the response speed of the ESM converter’s input/output active power. A simulation model built in MATLAB/Simulink is used to verify the proposed control strategy, and the results demonstrate that the strategy can not only effectively reduce Udc deviation and make the ESM’s input/output power reach the stable value faster, but also effectively avoid the ESM entering the unstable operation area. Full article
Show Figures

Figure 1

19 pages, 1634 KB  
Article
Multi-Objective Optimized Fuzzy Fractional-Order PID Control for Frequency Regulation in Hydro–Wind–Solar–Storage Systems
by Yuye Li, Chenghao Sun, Jun Yan, An Yan, Shaoyong Liu, Jinwen Luo, Zhi Wang, Chu Zhang and Chaoshun Li
Water 2025, 17(17), 2553; https://doi.org/10.3390/w17172553 - 28 Aug 2025
Viewed by 1277
Abstract
In the integrated hydro–wind–solar–storage system, the strong output fluctuations of wind and solar power, along with prominent system nonlinearity and time-varying characteristics, make it difficult for traditional PID controllers to achieve high-precision and robust dynamic control. This paper proposes a fuzzy fractional-order PID [...] Read more.
In the integrated hydro–wind–solar–storage system, the strong output fluctuations of wind and solar power, along with prominent system nonlinearity and time-varying characteristics, make it difficult for traditional PID controllers to achieve high-precision and robust dynamic control. This paper proposes a fuzzy fractional-order PID control strategy based on a multi-objective optimization algorithm, aiming to enhance the system’s frequency regulation, power balance, and disturbance rejection capabilities. The strategy combines the adaptive decision-making ability of fuzzy control with the high-degree-of-freedom tuning features of fractional-order PID. The multi-objective optimization algorithm AGE-MOEA-II is employed to jointly optimize five core parameters of the fuzzy fractional-order PID controller (Kp, Ki, Kd, λ, and μ), balancing multiple objectives such as system dynamic response speed, steady-state accuracy, suppression of wind–solar fluctuations, and hydropower regulation cost. Simulation results show that compared to traditional PID, single fractional-order PID, or fuzzy PID controllers, the proposed method significantly reduces system frequency deviation by 35.6%, decreases power overshoot by 42.1%, and improves renewable energy utilization by 17.3%. This provides an effective and adaptive solution for the stable operation of hydro–wind–solar–storage systems under uncertain and variable conditions. Full article
(This article belongs to the Special Issue Research Status of Operation and Management of Hydropower Station)
Show Figures

Figure 1

Back to TopTop